Fórum témák
» Több friss téma |
Fórum » Kapcsolási rajzot keresek
Témaindító: Kallai Csaba, idő: Márc 11, 2006
Témakörök:
Kapcsolást itt sokan tudnának rajzolni Neked, de a programot ki írja meg?
Hello! Mellesleg két vagy több tápegységnél akkor tudsz mérni egy Atmegával, ha a mérések GND-je azonos potenciálon van. Különben a tápok galvanikus elválasztásával gondok lesznek.
Szervusz!
Köszönöm a hozzászólásodat,értékes információ számomra.
Sziasztok!
Tudna valaki segíteni olyan kapcsolási rajzzal ami impulzus kimaradáskor jelez? Kb 10Hz négyszögjelet kell figyelni és riasztani ha lassul vagy leáll. Fontos hogy ha újra jönnek jelek akkor már ne maradjon abba a riasztás, csak kézzel lehessen visszaállítani. Programozható eszközöket kihagynám.
Széjjelnéztél már az ebay-on? Olcsón és készen kapható. Pl. ez.
Én már sokat rendeltem belőle.
Hello! Esetleg ha így megfelel..
Szuper, köszönöm!
A riasztási frekvenciát melyik alkatrészekkel tudom módosítani? Pl. hogy 5Hz alatt riasszon. A bemenet ugye lehet 5V ttl? A hozzászólás módosítva: Dec 22, 2014
Ezt könnyen kikövetkeztetheted (de jó ez a szó), hiszen egyetlen elkó van az áramkörben, ami az időállandót adja: ezt kell növelned a freki csökkentésével. (Ritkább impulzusok=hosszabb időt kell adni a reagálásra.)
Mivel az áramkör CMOS, a tápfeszültség 3...15V is lehet. Ha TTL (5V) a vezérlőjel, akkor a tápnak is 5V kell. (Természetesen lehet ugyanaz a táp, mint ami a vezérlést adó áramköré, de legalább a GND-nek közösnek kell lennie.)
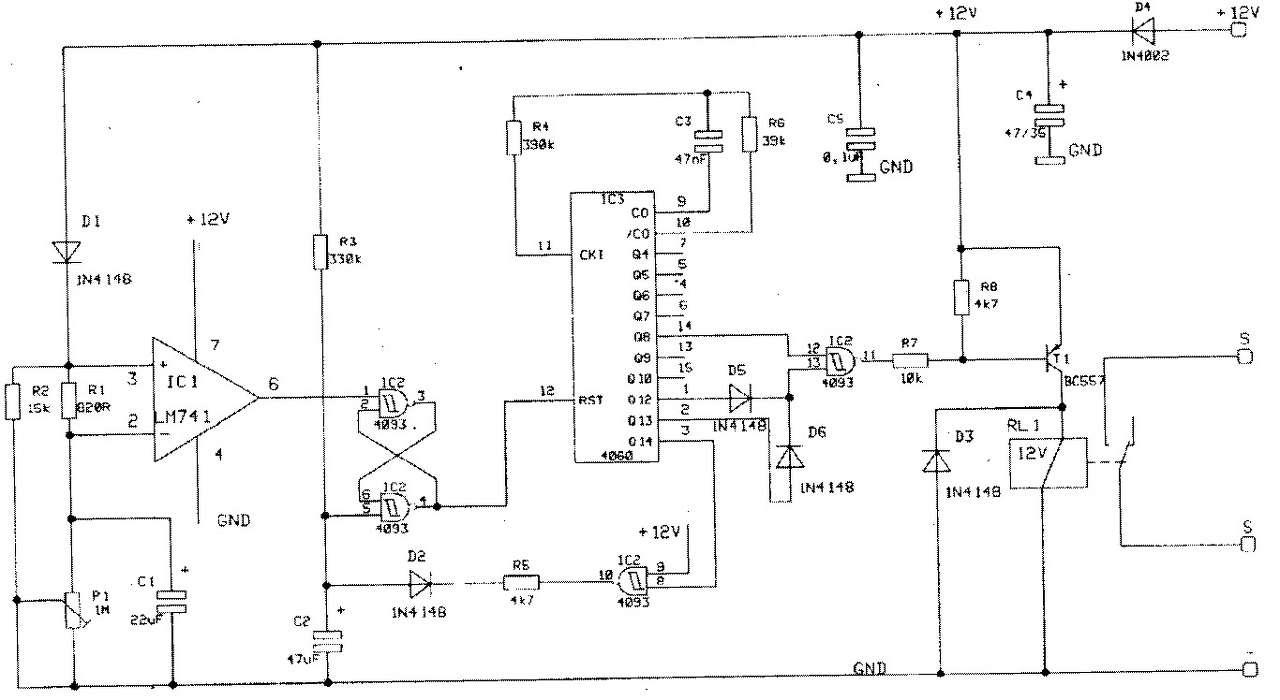
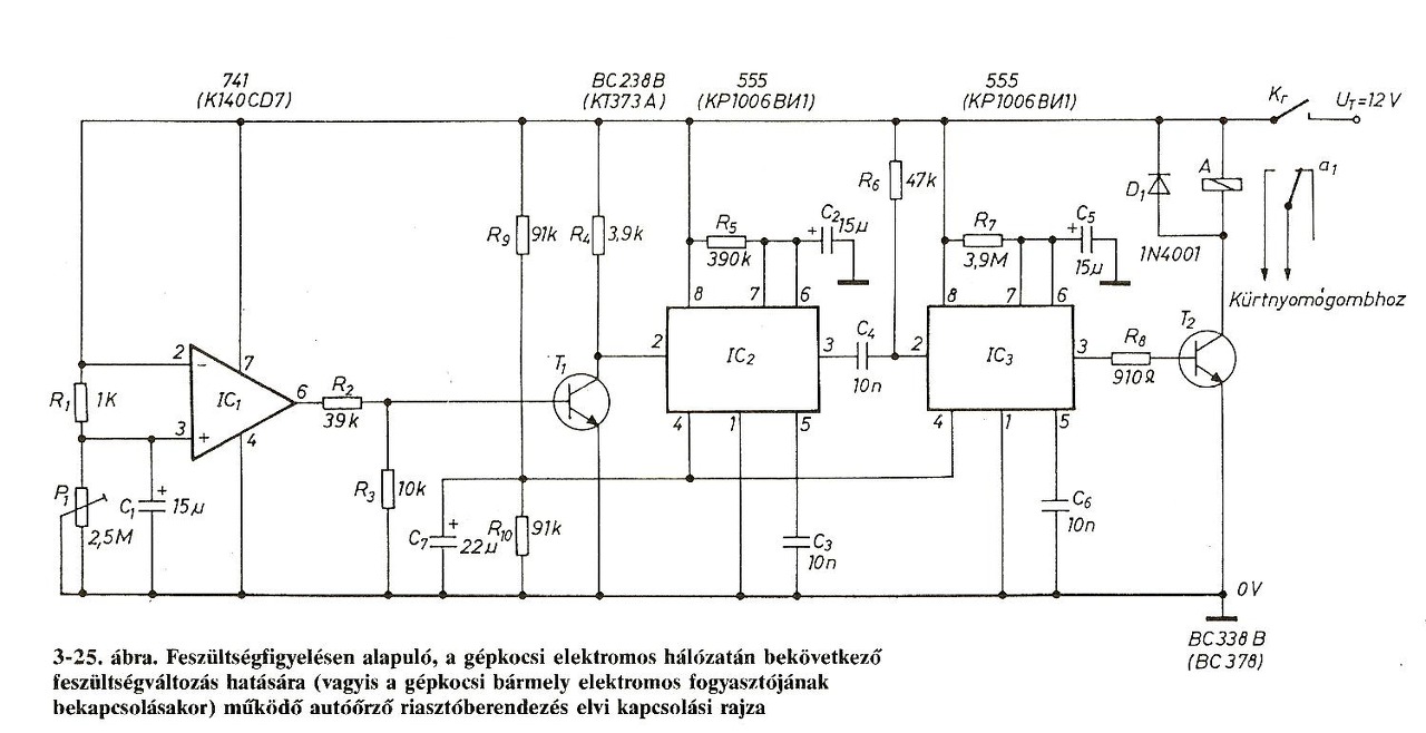
Hali mesterek. Valamelyik régi RT vagy Ezermester újságban volt egy auto riasztó rajz, de nem találom. A működési elve az volt , hogy valamelyik izzó bekapcsolásakor az akkun jelentkező feszültség inpulzust érzékelte. Egy műveleti erősítő (741) és két ne555 IC volt benne. Ha valaki tudna linket hol találom a rajzot , megköszönném.
:pittyu
Köszi, ezek szerint a C2 lesz a hunyó. Ez töltődne folyamatosan a tápfeszről de a B kapu minden impulzusnál kisüti. Kimaradó impulzusoknál a C2 feszültsége átbillenti C kaput. Jól gondolom?
Köszönöm, én már csak egy kávét kérek két cukorral.
(Mint a skinhead.)
Valóban az ezermester közölt ilyet, megvolt nekem is régről, de az a rajz 741;4093;4060 ic kombinációval épült. Amit te keresel az valójában Ferenczi Ödön könyvében található, azt is felrakom.
A hozzászólás módosítva: Dec 23, 2014
Sziasztok . WIDL126 kapcsolási rajzát keresem, ha valaki tudna segíteni meg köszönném.
Sziasztok.
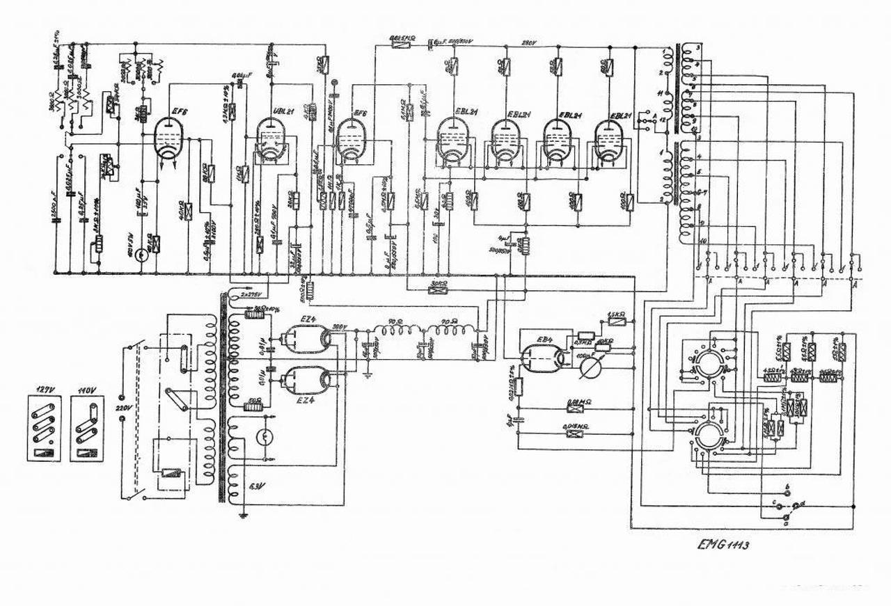
Keresem az EMG 1113/B (TR 0101) hanggenerátor kapcsolási rajzát... A neten az összes verzió megtalálható a "B" kivételével. ![]() Megpróbáltak erősítőt csinálni belőle
Szia !
Tekintélyes darab, nekem is van egy működő példány.
Szia.
Ez sajnos ez nem az. A "B" ben 6L6GA van végcsőként... Ennyit tudtam meg...
Az előző a sima 1113 volt, itt az 1113/B
Nagyon szépen köszönöm, sokat segít e rajz.
Melyik könyvben van ez benne? A hozzászólás módosítva: Dec 27, 2014
Szívesen, sajnos elég rossz a rajz, de nem a szkennelés a hibás. Volt szerencsém könyvtárból
megszerezni a könyvet, egyetemi jegyzet stencilezett példány. Eredendően rossz minőség. Nagy Sándor Elektronikus műszerek 1. kötet 1965. BME jegyzet A hozzászólás módosítva: Dec 27, 2014
Üdvözletem!
Ganz KK UASNC relé rajzát keresem,megsült benne néhány 2W körüli ellenállás,és a csíkok is leégtek. Előre is köszi.
Sziasztok!
Denon PMA-32A hoz keresnék servíz manuált! Ha esetleg tudna benne valaki segíteni nagyon hálás lennék érte. Előre is köszönöm B.U.É.K.!
Tisztelettel kérnék Tőletek kapcsolási rajzot, beüzemelésről leírást egy az Urbán Elektronikánál egységcsomagként vásárolt Képminta, RGB TV-jelgenerátor és PAL-kóder-ről, vagy bármilyen információt, hogy hol tudnák utána járni. Ugyanis már régebben az áramkört már összeépítettem, de az összes dokumentációm elkallódott és az élesztéshez szükség lenne rá. Urbán Úr nem tudott segíteni, de ha valakinek információja ill. anyaga volna róla hálásan fogadnám.
Rádiótechnika Évkönyv 1996 év, 114 oldal. Ott található a leírása. annó 1800.- forintért ment a csomag.
A hozzászólás módosítva: Dec 29, 2014
Szia! Itt a teljes cikk,hét oldal.
Köszi, nekem valamiért nem sikerült kiollózni.
|
Bejelentkezés
Hirdetés |






(Mint a skinhead.) 










Melyik könyvben van ez benne? 




