Fórum témák
» Több friss téma |
Fórum » Csöves erősítő készítése
Ne feledd betartani a fórum viselkedési szabályait, és a topik megmaradásának feltételeit. [link]
A téma átmenetileg fagyasztva lett, hozzászólni nem tudsz!
Szép , lehetne több képet látni is róla /ha itt nem akarod akkor privátban is mehet /
Ajjaj, ez nagyon szép!
De azok a feliratok... ![]() Norbi, nagyon szép ez a doboz, már csak a toroid kell és teljesen kész a kicsike. Na meg egy normális alja neki
Nagyon szép Àkos!! Gratulálok!
Márk ha te nem segítettél volna, nem lenne csak a doboz ![]() Természetesen bármikor csinálok neked hasonlót
Lassan készült ha már több mint 7,5 éve kész. (?) Mondjuk attól még szép.
A hozzászólás módosítva: Dec 30, 2014
Több kép most készült de rossz volt a date a fényképezőgépben.
Szép, tetszik, csak a feliratozás technikája marad el a jól kidolgozott dizájntól, és a lényeg kimaradt a fényképezés során.
Látom az évvége felfokozott építési kedvet hozott!
![]() Én sem maradok ki a sorból, egy újabb ECL86 SE-vel, igaz még csak szerkezetkész (némileg), és az EM84-ek pozicionálását elrontottam, zok hiányoznak a széléről. Az előlap sincs kész még, mert nem döntöttem még, hogy fa szegéjt kap körbe, vagy csak egy alu takarást az előlapra... A festés így vakuzva kiad némi hibát... Akril srpé festékkel fújtam le, nem a legjobban tapad.
Értem már! A Jar-ral lett ilyen fényes! Tényleg gyönyörű!
Üdv
Egy kicsit bonyolultnak tűnő rajz , visszacsatolt , IC-vel . Még egy katódban visszacsatolt PP . Majd elfelejtem 4tube.com oldalon . Üdv A hozzászólás módosítva: Dec 30, 2014
Sziasztok!
Van egy toroidom. Elvileg EL84 PP-hez készült. 6,3V/4A, 250V/0,13A. A kérdésem, ez elbír a két EL84-en kívül még 3db 6N2P-t? Vagy rakjak nekik külön trafót?
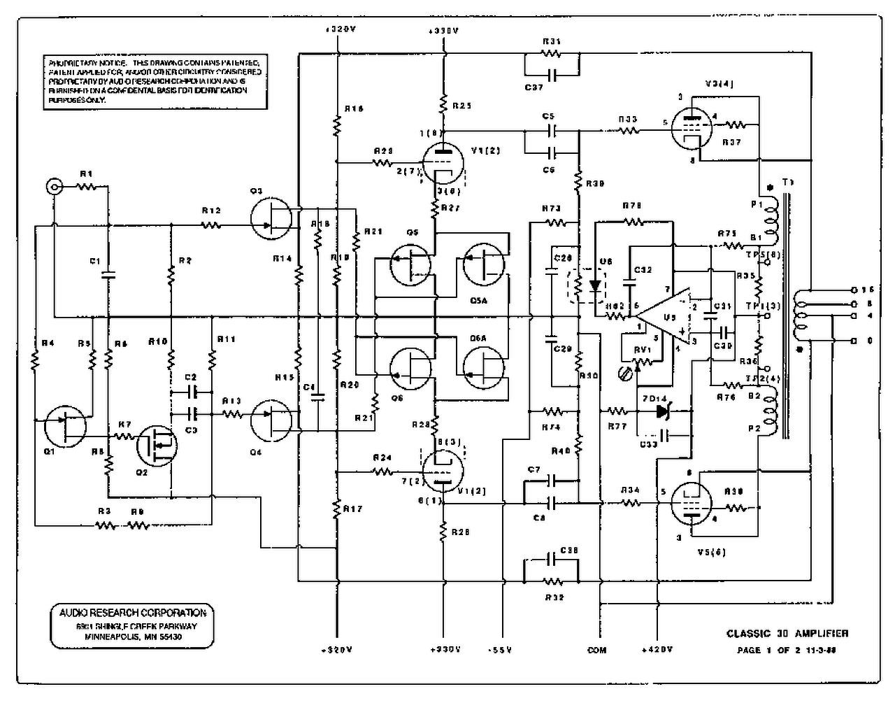
ARC Classic-30, triódának kötött KT88/6550 csövekkel, a klasszikus ARC katód visszacsatolással (QUAD kapcsolás), és IC-s végcső szervóval. Hm.. Manapság már az ARC sem épít ilyen bonyolult erősítőket. Nem beszélve arról, hogy még profi után építőknek is nehéz reprodukálni, amatőröknek gyakorlatilag "lőtávolon kívül". Hacsak nincsenek katonai minőségű alkatrészeid, kiforrott trafókészítési technikád, és még vagy 1000 dolog, meg pár éved kísérletezésre... Pl. mi alapján válogatja a saját színjelzésű FET-jeit.
Maradjunk a földön. Ötletadónak jó a kapcsolás, de vannak egyszerűbbjeik is, itt elérhetőek: http://www.arcdb.ws/, nem kell a 4tube oldalra menni. Természetesen a legjobb gyöngyszemeik kapcsolásai itt sincsenek fenn . BUÉK mindenkinek!! A hozzászólás módosítva: Dec 30, 2014
"Jar-t" hozzá lakk
köszönöm igyekeztem széppé tenni
Szegény kis orion meg ha jpl látom villanyora doboz ?
Időtöltés gyanánt én is rajzoltam kézzel szabadon egy kis csöves panelt és ami volt hozzá a fiokban azt be is ültettem a folytatás a jövőben .
Szép panelka. Látom mindenki építkezik. Én is, így az év végén. Folytatás nálam is a jövőben.
Na, még egy PCL86 PP? Idén kész lesz?
Az orion doboz már évek óta lakatlanul ált. Úgy kaptam valkatől, valamikor. Inkább, végre funkciója lett!
Ezt a villanyóra doboz dolgot, de csak hasonlít rá. Erősáramú relé fedele volt, én festettem feketére... Minthogy trafó takaró kupak nem volt a trafókhoz, maradt a dobozolás. Eredetileg külön akartam a 3 trafót, de a hálózati rtafó mérete ezt nem tette lehetővé. Így marad a relé burkolat. Kézenfekvő volt, mert méretben pont jó mind a 3 trafó elfér alatta -2 kimenő, 1 háózati, nem kellett megmunkálni, a mostani tetején cseréltem bakelit lapra az üveget. Nem oly esztétikus igaz, mint az elődeimé, de még erősen félkész... majd kap egy szép fa szegéjt, az majd feldobja.
Azért a 6V6-ért irigyellek!
Ez inkább 6P6C.
CIROKL, mofesa látom szépen haladtok. Nálam most egyszerre készül egy 6P1P PP és egy 6P14P SE. Most hogy itthon vagyok összeválogattam a fiókokból az alkatrészeket egy 6N2P RIAA-hoz és hogy legyen valami félvezetős is jövőre egy Quad 405-höz.
Akkor ezt benéztem!
![]() Jani, ez igen, kíváncsian várjuk a fejleményeket!
Üdv! Valószínű esett már róla korábban szó, de a JLH "tuning" kapcsán szóba került a csöves jelkondicionáló áldásos hatása. Egzakt magyarázat nincs a javulás okára, de annyi a pozitív tapasztalat, hogy feltétlen érdemes kipróbálni.
Bővebben: Link Fentiek alapján ennek az erősítőnek szerves tartozékává teszem e csöves előfokot...
A tervező, gyanítom érdekelt a kondenzátor használatában
(lehet nagykereskedő?).
musical fidelity x-10v3 tube buffer a varázs szó !
X-10V3 ...Utánaolvastam, a vélemény több, mint vegyes, a spec cső és az egész inkább az üzlet, mint nagy minőségi javítás.
Így voltam a JLH-val is, maradok az eredetinél, nem kell stab +/- táp, stb. A hozzászólás módosítva: Jan 3, 2015
Idézet: „Egzakt magyarázat nincs a javulás okára, de annyi a pozitív tapasztalat, hogy feltétlen érdemes kipróbálni.” Ezt irtad erre válaszoltam , az meg hogy kinek mit hoz az legyen a saját megitélése , nem másnak kell hallgatni egy -egy erősítőt szerintem az otthonában mindenki saját maga hallgat de némán !
Én azért néha szoktam énekelni az otthonomban, ha olyanom van...
A feszültség sokszorozó miatt van egy kicsivel több kondi a megszokottnál, cserébe a kommersz 12V-os hálótrafó a csöveket is fűti és anódfeszt is biztosít. Szerintem megéri.
A hozzászólás módosítva: Jan 3, 2015
Amit én csináltam abból a feszültség sokszorozót mellékeltem , simán megy az erősítő tápjáról !
Tudtam én, hogy ismerős a neve, valahonnan...
Megvan a kapcsolása, egyik fórumtárs (vagy itt, vagy más fórumon, már nem emlékszem) szerzett egy ilyet, kiszedte belőle a fesz. sokszorozó részt és sima nagyfesz trafóval helyettesítette azt. Állítása szerint sokkal jobb hangja lett utána a dolognak. |
Bejelentkezés
Hirdetés |


De azok a feliratok... 















. BUÉK mindenkinek!! 




