Fórum témák
» Több friss téma |
A dual-FET-es tekercs meghajtást megcsináltam. Eddig bámulatos a fehér zaj amit elő állít
Viszont a FET-ek 40°C-nál nem melegedtek fel jobban. Ami érdekes: mértem frekvenciát a 2 FET-nél: az egyik 56kHz-en (10-es lábra ez van kötve) a másiknál meg 35kHz-en ( 9es lábra ez van kötve) üzemel (legalábbis a multiméter frekvencia mérője szerint). Valamelyik része nem úgy kapcsol, ahogy kellene. Ezt észre is lehet venni a plazma folyamban. Pár dolgot majd még ki próbálok, hátha sikerül ki tisztítani. Jó ez a megoldás, mert nagyobb ívet lehet vele húzni.
Csináltam nyákot arra a részhez amit ferci javasoltál mellékelem, kérlek nézd meg jó lett e vagy javítsak rajta. Látom tiborjannak sikerült (gratulálok hozzá
) az összetételt megtalálnia én azért neki futok megint hátha így jó lesz legfeljebb ha nem megcsinálom úgy ahogy tiborjánnak jó lett mivel ezek vannak otthon raktáron.
A szupresszor 130...160 voltos legyen és a bekötésre figyelj, nehogy fordtva kösd - minél nagyobb fólia hűtse a lábait..., a 47 k sok... kövesd tiborjan gyakorlatát..
4k7 akart lenni csak elírtam, rendben ma elkezdem megcsinálni remélem jó lesz
Megépítettem ezt a kapcsolást (is). 2x- is ellenőriztem a bekötést. Bizonyos potméterállásoknál volt pár szikra. (De érdekes módon a hang mintha a sorkimenő belsejéből jött volna, még 2-5 mm-es szikraköznél is). A primerrel sorba kapcsolt 2,2µF/100V kidurrant. Ehhez is elférne egy RCD-tag, előzetes tapasztalataim alapján. Esetleg a sorkimenő egyenirányított szekunder tekercse is közrejátszhat benne?
Ha valaki esetleg kísérletezne még vele, megosztottam a rajzot. Amíg nem érkezik rá vélemény nem készítek hozzá beültetési rajzot. Külföldi fórumon olvastam, hogy van benne pár felesleges alkatrész is. Sajnos nem találtam rá választ, melyek és miért azok. A jó hír viszont, hogy a szimpla tranzisztoros kapcsolás ventilátor nélkül több mint 1 óra után, langyosan, stabilan működik. (Természetesen szellőztetés mellett!). Az áramköri rajzot megépítés/tesztelés után közzé teszem.
Azért nem működik, mert ez nem flyback meghajtás, inkább push-pull vagy bridge. Flyback trafóhoz flyback módú (egy kapcsolótranyó bekapcsol majd ki és ekkor történik meg a feszültségimpulzus transzfere) meghajtás kell. Flyback trafó primer és szekunder menetiránya ellentétes kell, hogy legyen.
Ez az áramkör meg oda-vissza töltögeti azt a soros kondit, a trafó légrésében tárolt energia a szekunder helyett visszamegy a primerre (akkor, amikor a szekunder dióda záróirányban feszül elő) és eldurrantja a kondit. Ugyanis a primer is "flyback-ol" ilyenkor, szekunderre nem tud, mert ott az egyik félperiódus záróirányba feszíti elő a kimeneti diódát, így szikra nem lesz, viszont az energia valahova távozni akar. Esetleg rezonancia is előállhat, ami pláne eldurrantja a kondit, ha nem tud az egyik félperiódus kijutni. A felesleges alkatrészek az egyik FET-meghajtó IC és kapcsolt részei. Ha az egyiket használod és a meghajtott teljesítmény-FET-tel sorba kötöd a tápra, megfelelő primer menetiránnyal a trafót, menni fog. Ha még jó a trafó.
Értem. Köszi!
Esetleg átalakíthatom egy half-bridge meghajtásra a 2 db driver IC-t meghagyva (konkrétan GDT helyett)? Két tekerccsel a flyback primeren, egy közös ponttal, és ahhoz képest kapcsolgatnám az egyik felét, a másikat pedig invertálva? A torzítás redukálása lenne a fő cél.
Még annyit hozzáfűznék, hogy a kondi feszültsége is kevés ehhez a meghajtáshoz, a minőségét meg ki tudja.. komoly áram megy át rajta. Legalább 160 voltos kéne, 2-3 darabból összerakva.
A trafó pedig egyértelmű, hogy nem flyback kell. Az pedig a másik, hogy ezzel a valószínű áttétellel nem kapsz komoly feszt és szikrát, mivel nincs nagy tüske sem. A bizonyos potiállásnál lehetett vmilyen rezonancia, mint olvastad is, ott pedig sokkal nagyobbak a feszültségek. Az egyutas egyenrángatás pedig megintcsak nem ehhez a meghajtáshoz való, ezt is olvahattad... Tehát maradj a flyback rendszernél.
Működik: dupla FET-es kapcsolás flyback trafón
Az első alkalomnál az IC leégett. Diódát fordítva kötöttem be Másodjára pedig az áramkörön egy forrasztás elengedett, és lett egy 1 mm-es hézag. Ezért nem volt jó a FET-ek kapcsolása. Egyenlőre eddig jutottam el vele:Videó a 2-es számú prototípusról: Plazma hangszóró 2.0 Idézet: „Másodjára pedig az áramkörön egy forrasztás elengedett,” Bocsi, hogy megérdem, de ezt így hogy? Megolvadt?
Azért azt is tedd hozzá, hogy ( ha jól emlékszem az utolsó rajzodra ) ellenütemű meghajtást használsz és a szekunderen nincs feltüntetve dióda.
Ebből kiindulva pedig a trafót se kell flybacknak nevezni, hanem csak egy nagy légrésű trafó ( ha van benne..), ami természetesen középkivezetéssel rendelkezik. A hozzászólás módosítva: Jan 1, 2015
A primer tekercselést már módosítottam. Végül is 2 külön tekercset csináltam a magra; úgy, hogy a menet irányok 1 irányban vannak. Az egyiket a 10-s lábra kötött fet kapcsolja, a másikat pedig a 9-s lábra kötött. Mind kettőnek külön pufferelést csináltam.
A trafó pedig egy TV-ből való sorkimenő trafó, amin a vasmag mellett van 2 potméter is kivezetve. Ezzel sikerült 9 A-s áramfelvétel mellett 3 cm-es stabil plazma ívet húzom. Csak ilyenkor annyira túl van tekerve a kitöltési tényező, hogy a zene az nagyon halk. A videót egy 2 cm-s szikraközzel csináltam. Még jelentősen van mit finomítani rajta, de így legalább a fetek jobban bírják. A hozzászólás módosítva: Jan 1, 2015
Nem, nem olvadt meg. Gyenge volt a forrasztás, és szerintem amikor kicseréltem az IC-t a tokban, akkor engedte el.
Idézet: „Gyenge volt a forrasztás” Sejtettem... Akkor azt gyakorolni kell. Mellékelek szakirodalmat, használd egészséggel ![]() (DJVu viewer plugint tegyél fel és olvashatod.)
Köszi az irodalmat, majd át tanulmányozom
Ez a beírásod már teljesen ellentétes infót tartalmaz a feltett rajzoddal szemben, ha jól fogalmaztál.
Nem ártana az utánépítők miatt korrigálva feltenni. A trafónál pl. jelölnöd kéne a kezdeteket és a végeket. Nekem a szövegből úgy tűnik, mintha a vas dupla frekis flyback meghajtást kapna két különálló, de szinkronozott rendszerről. A frekimérésednek pedig nem lehet hinni a két érték különbözősége miatt. Érdekes lenne egy szkóp-kép. A kitöltésed tényleg sok lehet, mert alapban az IC kb. max. 45%-ot csinálhat, te viszont így megduplázod a két "különálló" FET meghajtással.
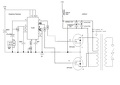
Megrajzoltam a kapcsolást, ahogy a jelen pillanatban áll. Azokat a csomó pontokat amik egybe vannak forrasztva, fekete pöttyel jelöltem. A lehúzó ellenállást azért nem raktam be, mert akkor a PC tápnak induláskor érdekes hangja van, mintha erősen terhelve lenne. A kitöltési tényező feltekerése után ez a hang abba marad.
A frekimérés pedig azért nem volt jó, mert akkor még nem javítottam ki az áramkört. Szkóp be szerzésén pedig gondolkodok, de vmi kis méretűre gondoltam. Vagy egy számítógépre köthető építő csomag: LINK vagy pedig egy ilyen típusra: DSO Nano . Komolyabb készülékre nincs keretem, illetve csak hobbi mérésekhez kell. Ha valami hibát találsz a kapcsolásban, légyszíves jelezd, mert ez az első olyan projektem amin önállóan dolgozok és szerzem az infót, plusz a segítségeket Számolások helyett inkább kísérletezek (eddig 3 IC, 1 PC táp, 4 dióda ment tönkre, mire eddig eljutottam). A hozzászólás módosítva: Jan 2, 2015
Igen, így már okés... még annyit, hogy a tekercsek kezdeteit jelöld mindig fekete pöttyel pl., ahogy sok gyári rajzon is látod. Akkor lehet tudni rendesen, hogyan is van..
![]() A kötéspontok jelölése ( ami jó..) és ez a pötty más dolog. Nálad most ez mehet kb... a jelalakok ábrázolása csak a freki miatt ilyen. A hozzászólás módosítva: Jan 2, 2015
Hiányosság az, hogy azért tennék a fetek gate és source elektródái közé egy 5-10 k-s ellenállást és nincs semmi snubber a drainek túlfesz védelmére.. ebből látsz az oldalon megoldásokat.
Én a hangbemenet csatolókondenzátor méretének nem látom értelmét, direkt van valami okból 47nF helyett 47µF ? Felesleges ekkora, mégha a 47nF vágja is a frekvenciamenetét az audiójelnek, hisz a plazma csak tweeternek jó esetleg középnek. A 35V- os helyett nagyobbat tennék legalább 200-400V -osat (Semmilyen erősítő kapcsolásnál nem láttam 2µF / 250V -nál kisebb csatolókondit). Az 1k ellenállás mi célt szolgál, annak sem látom értelmét (esetleg teljesítményerősítőről jön már a jeled?). Javítson ki valaki ha téves a gondolatmenetem.
A hozzászólás módosítva: Jan 3, 2015
Mielőtt elkezdtem megépíteni, akkor mutattam meg a kapcsolási rajzot egy elektrós kollégámnak a munkahelyen. Ő mondta, hogy kb. mekkora értékűt célszerű berakni a hangzás javításához és, hogy fólia kondi helyett elektrolit kondit célszerű berakni. Az 1k-s ellenállásra pedig azt mondta, hogy ezzel egy rezgő kört alakít ki.
Amit viszont tapasztaltam: a kondinál próbáltam kisebb-nagyobb értékeket is és a 47nF-nél az alacsonyabb frekvencia kevésbé jött át, a 47µF-nél viszont jobban. Az 1k-s ellenállás beépítése után pedig tisztább és nagyobb hangzást sikerült elérni. Ekkor még a FET helyére csak egy sima hangszóró volt kötve és ezen teszteltem a kört. Egy sima mp3-as lejátszóról voltak az első zenei tesztek. A hozzászólás módosítva: Jan 3, 2015
Nos, úgy tűnik stabil lett az áramkör és napi több órás használatot is kibír (eltekintve az ózonszagtól). Viszont amennyit hallgattam úgy érzem mégis halk. Érdemes lehet hozzá aktív felüláteresztőt építeni némi gain-nel? (3-9dB-ig pl.). Vagy valami más módon kéne inkább több ampert (jelenleg 4-4,5A) átkergetni a primeren? Valami tipp?
A több ampert a vasmag nem fogja bírni, betelít, még ha légrés van is, de ha nagyobb a légrés, csökken az átvitt energia, jobban melegszik a kapcsolóeszköz.
Nagyobb trafó kell. A lényeg a nagyobb plazma, hogy a mély hangok is jöjjenek. Illetve a kivezérlést lehetne talán növelni, nem tudom, mennyire változik a kitöltési tényező a hangerő hatására az áramkörödben. Ha meg nem elektronikusan akarsz hangerőt növelni, akkor kell építeni egy hangtölcsért. Így nem a hátsó falat, meg a pókokat a sarokban fogod diszkóztatni, hanem te kapod a hangot.
Köszi a választ! Nagyobb trafó mint nagyobb feszültségű hálózati trafó vagy nagyobb sorkimenő? A tölcséres témán rajta vagyok.
Sziasztok!
Megépítettem az átalakításokat kb 20 másodpercig ment és elfüstölt a varisztor körülötte lévő alkatrészek nem melegednek és tisztábban is szólt mint elődje. Vajon mi lehet a probléma ? A hozzászólás módosítva: Jan 20, 2015
A varisztor egy-egy tüske elnyelésére van, nem arra, hogy folyamatosan bombázzák.
Szupresszordióda talán jobb, vagy neon-védőpatron. Tisztában fog szólni, mert a zavartüskék megkerülik a trafót.
Csak annyi a gond, hogy 125 voltos kevés. Írtam egyszer 130-160 volt közöttit, de látod, hogy a 36 (?) voltos táp mit tud művelni és mi lenne egy 100 volos fettel..
![]() Tekintettel arra, hogy most a rajzod szerint 200 voltos fet van bent és nem ment tönkre, 180 voltos szupresszor már elég " biztosíték" lenne. Azt is láthatod, mekkora csúcsárom ment át, ha a soros 20 ohm is kevés volt.
Rendben rendelek hozzá pár 180V-os szupresszor-t és remélem rendben lesz. Mellékelek pár képet a félkész állapotáról. Köszönöm a segítségeiteket!
|
Bejelentkezés
Hirdetés |




Viszont a FET-ek 40°C-nál nem melegedtek fel jobban. Ami érdekes: mértem frekvenciát a 2 FET-nél: az egyik 56kHz-en (10-es lábra ez van kötve) a másiknál meg 35kHz-en ( 9es lábra ez van kötve) üzemel (legalábbis a multiméter frekvencia mérője szerint). Valamelyik része nem úgy kapcsol, ahogy kellene. Ezt észre is lehet venni a plazma folyamban. Pár dolgot majd még ki próbálok, hátha sikerül ki tisztítani. Jó ez a megoldás, mert nagyobb ívet lehet vele húzni.
) az összetételt megtalálnia én azért neki futok megint hátha így jó lesz legfeljebb ha nem megcsinálom úgy ahogy tiborjánnak jó lett mivel ezek vannak otthon raktáron. 

Másodjára pedig az áramkörön egy forrasztás elengedett, és lett egy 1 mm-es hézag. Ezért nem volt jó a FET-ek kapcsolása. Egyenlőre eddig jutottam el vele:




