Fórum témák
» Több friss téma |
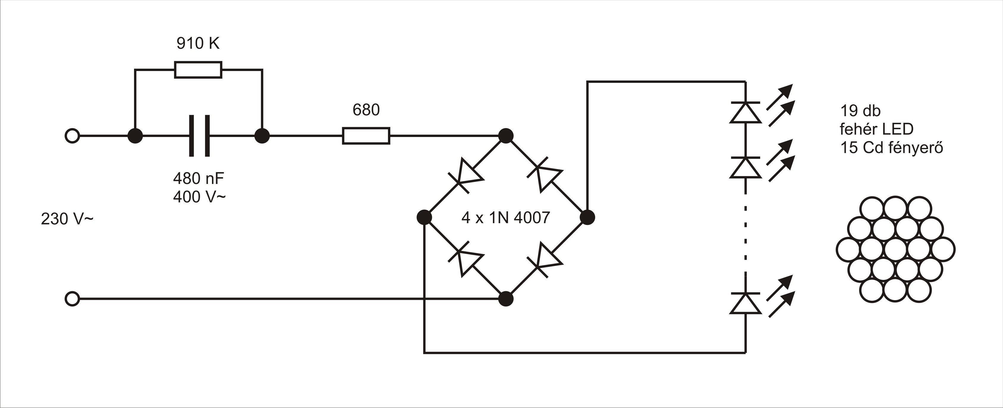
Ekkora ellenállás kellene, ha csak az lenne az előtétje egy graetzhidas kapcsolásnak!
Szia
A nagyfényerejű 5mm-es ledeknek mekkora az árama? minden szinre igaz a 20 mA?
Ez a kapcsolás átalakítás így nem jó!
Az ellenállás jobban világít, mint a led! 22W-ot vesz fel, ez így nem energiatakarékos, mi a jó megoldás erre?
Méréseim azt mutatják, h. minnél nagyobb az R értéke annál nagyobb kell, h legyen a teljesítménye. Lásd mellék... Mivez ilyen nagyteljesítményű ledem még nincs, (S a közeljövőben sem szándékozok venni!) ezért ledek nélül teszteltem a kapcsolást. Remélem nem vontam le téves következtetést...
Nekem 470R 5W lett belerakva, de úgy melegszik, hogy majdnem füstöl!
Az is érdekelne, hogy megcsináltam az eredeti kapcsolást, amiről egy hagyományos zöld led tökéletesen működött, de a fehér az csak a kihúzásnál párszor felvillant, aztán már 3V os elemről nem működik, viszont nagyobb feszültségen világít! A fehér lednek kisebb az árama mint a zöldnek?
Nem is igazán értem, 470nF kondi esetén 48mA áramot számoltam, ez nem túl sok a 20mA-hez képest?
Nekem 195nF jött ki a kondi értékére az 5mm-es led esetén!
Elég érdekes problémába futottam. Vakuledekkel szerettem volna egy lámpát csinálni. Az elrendezés egyszerű: Soros kondi, azzal párhuzamosan 1 Mohm, majd ezzel a kettővel sorosan egy 220 ohm-os ellenállat, és aztán jön az egyenirányító híd 1n4007-ekkel. A másik oldalra egy 18u@385V-os elkó puffernek, és párhuzamosan a 25 db sorbakötött vaku led.
Kiszámoltam, hogy a váltó oldalra, ha 20mA-re szeretném korlátozni az áramot, elvileg 270n kondi kellene. Mielőtt elkezdtem volna forrasztgatni, gondoltam, kipróbálom az áramkört. No, itt kezdődtek a furcsaságok. A tesztelés során, gondoltam, 220n kondi is elég, akkor kevesebbet kell csipeszeznem, és kötögetnem, az áramerősség elvileg még így is 15mA körül lenne. Viszont eléggé soványkának találtam a fényerőt, ezért rámértem, és megdöbbenve tapasztaltam, hogy csak 2 mA körül volt az áramerősség. Növelve a kondi értékét 1x330n esetén sem megy 3 fölé nagyon. a híd után mérve, 1x330n esetén 2.7mA, 2x330n párhuzamosan, azaz 660n esetén pedig 4.5mA volt a maximális áramerősség. Így saccolva a kívánt 20mA-hez minimum 3u kellene, ami viszont már akkora kondi lenne, hogy kilóg az ablakon. Meg különben is, mi az, hogy több, mint tizenegyszer akkora kondi kéne bele, mint amit kiszámolt az ember? Van valami ötletetek, javaslatotok, hogy mi lehet a gond, mit hibázhattam el...? Előre is köszönöm a tippeket, és a segítséget mindenkinek.
Esetleg nincs kész kapcsolóüzemű áramgenerátor rajza valakinek power led-hez, a fent vázolt áramkörre, azaz 300V->3-18V körülre? Vagy esetleg más javaslat, hogy hogyan érdemes nekiállnom, ha az áramkört kis méretűre is szeretném, meg gazdaságosra is? Van ugyan pár elgondolásom, de szeretnék viszonyítani másokéhoz. Jó lenne, ha nyilatkozna olyan is, aki már épített hasonló power ledes lámpát.
Nem véletlen mellékeltem a képleteket és a számítási példákat!
S lásd, h miért melegszik a 470R 5W-os ellenállás anyira, ezért megrétem neked az én próbakapcsolásommal: U = 230V C = 4.5uF R = 480R Us = 110V !!! I = 0.232A P = Us * I = 110*0.230 = _25W_ !!! Tehát azért melegszik, :yes: mert _25W_-os ellenállás kellene! ( De ez is melegedni fog! Csak jobban terhelhető! ) Ha jóltudom akkor a fehér ledeknek 3-5V körül van a nyitófeszültsége. Az enyémnek 3.2V a nyitófesze.! Próbált meg 4.5V-ról tesztelni egy 100R-es ellenállással! Ekkor 15mA-t kell h mérj! :yes: Melyik Idézet: -t!? Az egydiódást? Vagy a graetzhidast? „eredeti” Nemlehet h a fehérledet rosz polaritással kötötted be!? Zárófesz határértékét is be kell tartani!!! :felkialtas: Én kipróbáltam, :yes: s rendesen müködött fehér leddel is!
Ne csodálkozz ezen, hiszen sorosan a 25db fehér LED, az kb 100V-os nyitófeszt igényel. A tápegység elveszti áramgenerátoros jellegét, mert nem lesz elég nagy a feszültségkülönbség.
Kicsit jobb lenne a helyzet, ha képeznél 12-12db-ból egy-egy sort, ezt szembekapcsolva kötnéd rá a soros kondira. Így nem kell a hídegyenirányító sem, és a kondi is elfogadható méretre adódhat.
Csak "idézni" tudom magamat a _(#173227)_ _JANI_ hozzászólásomból:
Idézet: „Egy - két lednél a ledek nyitófeszültsége nem számottevő a hálózati feszhez képest!” ... Idézet: „Viszont 5-6 LED fölött, már érdemes kivonni a LED-ek nyitófeszültségét a hálózati feszültségből. Ennek érdemes utánaszámolni.”
Ezt elmagyaráznád kicsit szájbarágósabban? Valahogy nem értem. A 25 darabot azért választottam, mert ezek 12V-os ledek, amik 20mA-en hajthatók. Így elvileg nekem a híd után 300V, 20mA kellene. Lehet, hogy nagyon amatőr, de nem értem, ez miért nem jó így.
Valahogy nem látom a logikáját, hogy miért kell visszaesnie az áramerősségnek majdnem a tizedére. Ahogy én látom, a kondi, mint áramkorlát biztosítaná, hogy maximum 20mA folyhasson, és a ledeknek fel is kéne venniük ennyit, ha megtehetik adott üzemi feszültségen, nem?
A kondenzátor úgy határolja az áramot, hogy közben az ő kapacitív reaktanciája mint ellenállás jelenik meg a körben; számold ki azt is, hogy ha te 20 mA-t engedsz át rajta, mennyi feszültség fog ott esni, és mekkora jut a ledekre. Neked 300 V kellene a sorba kötött 25 db lededhez, egy 220 nF-os kondi 50 Hz-en kb. 14,5 kOhm-nak megfelelő reaktanciát mutat, szerinted hol fog esni a legtöbb feszültség? Nem a ledeken...
Más a csúcsáram, és más az effektíváram... Inpulzusüzemben a leden kicsivel több delejt is át lehet engedni... Viszont statikus üzemben a ledek (katalógusban maximálisan meghatározott) áramát nemszamad átlépni, mert a led elfüstöl!!! Inkább alacsonyabb 1/2 árammal meghalytani (statikus - állandóáramú üzemnél)!
...
Nekem ez az eredeti!
Na szóval megcsináltam ezt a kapcsolást és egy sima régi zöld 5mm-es ledet raktam rá, amivel tökéletesen működött is! Aztán fogtam egy nagyfényerejű ledet, ami viszont csak a ki be dugdosásnál néha megvillant, de aztán már azt sem. Ezek után kipróbáltam 3V-os elemmel, azzal nem világít, de 4V környékén igen! Viszont az ugyanolyan fehér led meg megy a 3V-os elemről! Történhet olyan, hogy így megy tönkre egy led? Ráadásul a sima zöld led szerintem 10mA-es! Tudom, hogy nagyon gyík vagyok, de sose tanultam ezt, csak érdekel, de szerintem sok olyan alap hiányzik amit még nem sikerült megértenem! Kép: Hivatkozás
Köszi a segítséget mindenkinek. Közben Sebi kiokosított, hogy hol a gond a logikámmal. Sajnos, korábban valahol itt, vagy másik ledes topikban többször is azt olvastam, hogy ez az összeállítás leadja a híd túloldalán a 300V egyent, de nem számoltam utána, és mint kiderült, ez nem így van. Kimérve, és ellenőrizve, a ledeken eső feszültéget és áramerősséget, már világos lett minden. Én vagyok a marha, hogy nem számoltam utána, valóban kiadja-e a 300V-ot, vagy csak kicsivel kevesebbet... Szóval köszönöm a tippeket, és a segítséget.
Sziasztok.
Napokban vettem ledes lámpát... és hát nem vagyok nagyon elszállva tőlük. Néhány számolást is végeztem, majd szétnéztem... Hát úgy tűnik a LED-es lámpa amit vettem (több típus is) elmarad a lehetőségektől. Találtam most 5 chipes 210000 mcd fényerejű 100mA-es 10mm-es, 3,2-3,8V Nyitóáramú 5V-os záróáramú kb40fokos fehér ledet, amiből 7 darabot szeretnék összerakni egy 230V-os izzó (helyettesítésére) elkészítésére. Átolvastam a topicot. Köszönöm mindenkinek, hogy látatlanul segítségemre volt. Úgy tűnik Skori kapcsolását próbálnám meg megépíteni hozzá. A sorosan tett 7 LED (25V) esetén a 100µF-os kondi ha jól értem legyen 40V-os minimum. És ebben az esetben a soros 220nF helyett kb. 4µF/220VAC kellene? Amúgy a 7 LED-et (3 fehér, 4 melegfehér) kipróbáltam és személyes véleményem szerint ez már tényleg felér majd egy rendes izzóval. Végre.
Sziasztok, én ezt építettem, gondoltam felteszem, hátha segít valakinek. A fénereje jó, nem olyan mint egy izzóé, de 4-5 ilyennel már rendesen lehet világítani.
Ez kafa. Kb én is ilyet terveznék, de 210Cd LED-ekkel (7db) = 1500Cd fényerő 40 fokon. A tied ha jól számolom (és azonos területre világít akkor 285Cd.
>A sorosan tett 7 LED (25V) esetén a 100 mikroF-os kondi ha jól értem legyen 40V-os minimum.
Igen. Bölcs meglátás. > És ebben az esetben a soros 220nF helyett kb. 4ľF/220VAC kellene? A soros kondenzátoron kb. 180 volt esik; ha az áramerősséget 100 milliamperre állítod be és a frekvencia 50 hertz, akkor 1.7 mikrofarad kell. Inkább 250 volt AC vagy még több. A 220 ohmos ellenálláson 22 volt fog esni és 2.2 wattal fog melegedni ( legalább 5 wattos legyen ). Ha éppen csúcsban ( 330 volt ) kapcsolod be, az indulóáram egy pillanatra 1.5 amper lesz.
Pontosan milyen ledeket használnál, és mennyibe kerülnek? Engem is érdekelne a nagyobb fényerő, de eddig én több "kisebb" fényerejű ledben gondolkodtam, mivel nem egy központi világítást szeretnék, hanem több kisebbet, esetleg úgy, hogy az ember nem is látja közvetlenül, hogy honnan jön a fény.
Ja az ára 200 Ft. Van melegfehér (ami elég sárga) és hideg fehér. A kettőt viszont kevertük (féltem tőle, hogy egy kissé más lesz mint amire számítok, de) megfelelő napfényszerű lett.
Egy kérdés... Azt mondták, hogy fémréteg kondi az váltóáramú. Ez megfelelhet ebben az összeállításban? Azaz 1,7µF 250V fémréteg kondi?
NEM!
Kifejezetten váltakozó feszültségre tervezett típust alkalmazz! (pl: 1µF 250V AC X2) Nem fémréteg, hanem fémezett papír (MP) kondikról beszélünk.
Na ezt csináltam meg. őőőő izé... megmértem LED.ek nélkül a kimeneten mi van (kíváncsiságból). 80V-ot találtam. Akkor gondoltam érdemes lenne az 50V.os elektrolit kondit kicserélni 100V-osra. Lehetséges, hogy terheletlenül ennyi van rajta és terheletlenül nem kellene járatnom. Találtam így hirtelen egy 10µF /350V-oast. A kimeneten 14 V lett... Gondoltam megnézem váltóveszültségre : 420V körüli értéket mutatott
hát kicsit összezavarodtam... de lekapcsltam. Hétfőn veszek 100µF / 100V-ost. Azzal iszont nem mértem váltóban... Ma már nem is fogok ![]() Jaaa és a 100µF / 50V eldurrant... 20mp alatt (amin nem csodálkozok). Valami magyarázatot tudna nekem valaki adni?
Jaa és így megépítve a kondis témát.. azon gondolkozok hogy egy transzformátor már ekkora méretben szerintem kapható. Csak 100mA kell és kb. 25V
|
Bejelentkezés
Hirdetés |






hát kicsit összezavarodtam... de lekapcsltam. Hétfőn veszek 100µF / 100V-ost. Azzal iszont nem mértem váltóban... Ma már nem is fogok 







