Fórum témák
» Több friss téma |
Nem kell bocsolni, igazad van.
Nem tudom, nem látom, nem ismerem, csak leegyszerűsítettem a dolgot.
Köszi a segitséget...földelésel kapcsolatban..szerintetek 4-db horganyzott menetes szál elég?föld alatt össze fogatva vastag alumínium kábelel persze saruzva és erősen meg huzatba csavarral..
3-méterenként lenne elosztva a menetes szál...a bitang földelés érdekében és nyári szárazság miatt érdekelne.
Ha kattogó hangot hallasz akkor van benne szikraköz.
Sziasztok!
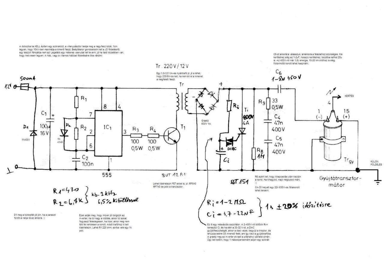
Én süket vagyok az elektronikához, viszont van egy barátom aki vezérléstechnikával foglalkozik és Ő csinálna nekem egy villanypásztort. Sajnos nem találtam olyan "maszek" pásztort ami megfelelő lenne, így elkértem egyik ismerősömét amit le szeretnénk másolni. Egyetlen böki van....a nagyfesz trafó paraméterei hiányoznak. Az lenne a kérdésem ha tudna nekem valaki segíteni hogy milyet és esetleg hogy honnan kell vennem? A kondi 30mf a pásztor maga elvileg 7w-ot vesz fel a 220ból és 5,4J-t ad le. elvileg aljnövényzet nélkül 100km zsinórt lehet ráaggatni. (emélem tud valaki segíteni )
Üdvözlök mindenkit!
Egy olyan kérdésem lenne ezzel a pásztorral kapcsolatban, hogy most van egy ismerősöm, aki már megőrít, hogy sosem működik neki, természetesen én építettem meg neki! Na most ma beszéltem vele, és azt mondta, hogy ha fordítva köti be a pásztort, azaz a gyújtótrafó 15-ös lábát ami a földre menne azt vezeti bele a karámba ÉS a gyújtótrafó azon részét ahova normál esetben a gyújtáskábel (ill villanypásztornál a karám) megy, azt vezeti bele a földbe akkor így működik, de ha fordítva van bekötve akkor azt mondja, hogy nem működik! Egyszerűen nem értem, hogy ez hogy lehetséges? Arra lennék még kíváncsi, hogy mi van akkor, ha magát a gyújtótrafót kötném be fordítva az elektronikában, tehát a 15-ösre menne a kondi, az egyes lenne leföldelve akkor mi történne? A válaszokat előre is köszönöm!
Üdv!
Én már ezt többszörösen utánépítettem, bár nem pontosan ezekkel az értékekkel, de az elvi rajz szinte ugyan ez. Hibátlanul működik mindegyik kivétel nélkül. Mindre Lada Samara trafó lett rákötve és tökéletesen teszik a dolgukat. Ott a trafóval lesz a gond szerintem, vagy az elkészült elektronikával. A hozzászólás módosítva: Dec 1, 2014
Hát nem tudom, mert ez már az 5.-ik villanypásztorom, eddig mindenkinél hibátlanul üzemel, ez is csattog rendesen ugyanúgy mint a többi, de mégis azt mondja, hogy nem jó, még nem voltam nála megnézni a karám vezetéket, de a következő lépés az lesz, csak azt hittem majd talán lesz valami más gond, de akkor már másra nem tudok gondolni! Köszönöm az értékeket! Ja még egy kérdés milyen alkatrészt kell cserélni, hogy erősebb legyen! Mert a diódát már kivettem az 555-nél a kitöltés így már 70% körül van! Még erősebb lehet valahogy?
Annyi a gond, hogy nem egyszer után építettük már és Mindenkinek jó, de ott nem? Érdekes egy valami, elgondolkodnék azért hogy hol a hiba akkor. Az értékek erdgab kománk adta meg, én is azt használom.
Üdvözöllek!
Biztosan nem a pásztorral van a gond,mármint az elektronikával vagy kapcsolással,hogy is mondjam.Azokkal az értékekkel amiket megadtam,biztosan működnie kell hosszútávon is,sok kísérlet van a megadott értékek mögött.Drága barátom (volt fórumtárs) megmutatta az utat,hogy hogyan lehet a kapcsolást jobbá tenni,nem konkrét alkatrész adatokkal.Javítottam gyári pásztort,mely beázott és meghótt,a linkelt elektronikát tettem bele,az eredetiből csak a trafó a kondi és a háza maradt.Igaz,oda magasabb kondenzátor feszültség kell,de üt is rendesen,vastag ívet húz.Ezzel az elektronikával már el tudom érni akár a 700 voltot is.Na,de nagyon elkalandoztam.Szerintem inkább a karámmal lesz a gond,nem jól van megépítve vagy rosszul kötötték össze a vezetékeket esetleg a földeléssel van gond.Nem tudom,építettél e be belső szikraközt?Ha igen és az szikrázik mikor össze van kötve a karámmal,akkor vagy rossz az érintkezés vagy kicsi a karám,nem terheli le a pásztort,kevés a vezeték hossza.Üt-üt,de nem jut ki a teljes energia a karámra,megeszi a szikraköz.Belső szikraköz nélkül is ez a helyzet,akkor a trafóban üt át.Belső szikraköznek meg lehet hagyni a 8-10mm távolságot,a hibát nem itt kell orvosolni.A leírásodból (trafót máshogy kötöte be a pógár) is arra következtetek amit fentebb leírtam.Ha a kondenzátoron (16µF/450V AC) tudsz mérni 3-400-450V feszültséget (amire feltöltődik,lehetőleg mutatós műszerrel) és a fent leírtakat tapasztalod,akkor biztosan kicsi a karám,ha egyébként jó a kivitele.Legalább 1500-2000 méter drótnak rajt kell lenni összességében,több sorban.Ennél kevesebbel,akár 20 méter dróttal is működik,van rá megoldás,és nem szikrázik a belső szikraköz.Most jöhet egy megoldás,amiért lehet megdobálnak.Kell készíteni egy másik STRAPABÍRÓ szikraközt akár 3-5mm átmérőjű drótból valamilyen lemezből,tudomisén miből ék alakú véggel,lehetőleg lehessen állítani valamilyen módon.Ennek egyik végét a karám VÉGE pontjára kell kötni a másikat egy 40-50cm hosszú vasdarabhoz,melyet le kell szúrni a földbe ott helyben (ez nem helyettesíti az eredeti földelést).Ezen szikraköz akkora legyen,hogy minden esetben biztosan itt üssön át a pásztor és ne a belső szikraközön.Hogy ez mire jó?Ezzel a megoldással minden energia kijut a karámra és csak a felesleg távozik a szikraközön.Visszakanyarodva a leírásodra (amikor a pógár úgy kötötte be ahogy elmondta és akkor jó volt) is azt bizonyítja,hogy kicsi a karám szerintem,mert az Ő bekötésekor a trafó belső ellenállása hozzáadódik a karámhoz,így le van terhelve a pásztor,na de nem ez a megoldás,ahogy írtam is.Ha valamiben tévedtem vagy rossz az okfejtésem,akkor elnézést kérek s ha valami más hiba miatt van arról én is szeretnék tudni,a tanulás mindig jól jön. Elnézést a hosszú hsz.-ért!
Sziasztok!
Találkozott már valaki a képen látható csodával? A kondenzátort kb. 730V-ra tölti. Nem sok az egy kicsikét?
Üdv!
Köszönöm szépen a hosszú és részletes leírást! Hasznos volt! Most még egyelőre nem tudom mi folyik nála, mert nem voltam még! Majd hétvégén megnézem és kiderítem, hogy mi lehet a gond! Nos az a helyzet, hogy mondjuk úgy nem valami igényes emberkéről van szó, csak az a "jól van az úgy" stílus! Na mármost ezt én sem hagyom annyiban, mert a pásztor az biztos, hogy jó, ott lesz valami a karámnál, mert azt mondta, hogy a föld felé húz le, de hogy hol azt elmondta, de nem igazán fogtam föl, majd átnézem minden egyes vezetékrögzítési pontot, mert Fa oszlopok vannak ami a mostani esős időben igencsak vezetővé válhat és lehet ez a gond! Minden esetre köszönöm szépen, a segítséget! További szép estét! A hozzászólás módosítva: Dec 3, 2014
Nézd meg hány voltos a kondenzátor,ha 450V AC akkor sok,de ha 630V AC akkor nem sok.
A baj ezzel csak annyi, hogy olyannyira titkos a készülék, hogy még a Graetz-hidról is le van csiszolva a felirat
Minden gyártó maga tudja,de aki konyít hozzá,főleg,ha van egy példánya,az meg tudja fejteni,kell hozzá egy kis idő.
A gyártójától kellene érdeklődnöd a kondi fesz. ügyben,ha elérhető.Ha a készülék jól működik és nem adja meg magát a kondi,akkor nem sok neki.Feltételezem,hogy aki készítette,biztosan tudta mit csinál,szomorú lennék,ha nem így lenne.
Nem is lenne hülyeség visszarajzolni, bár szerintem a trafók a sarkalatos pontjai a dolognak, na meg persze a lustaság. A fórumon lévő inverteres verzió számomra tökéletes (eladásra már nem biztos). A gyártóját nem ismerem, nem az enyém. Állítólag nagyon gyenge, de az előzetes méréseim alapján nincs baja. Mint írtam a kondi 730V-ra van töltve és a kimenetén lévő szikra is szép kövér. Jeleztem a tulajnak hogy nézze át a karámot, mert szerintem ott a hiba, de van neki egy ugyan ilyen, ami viszont jól működik, tehát szerinte a karám jó. Ki fogom próbálni terepen is megmérem csak reméltem, hogy valaki találkozott már hasonlóval.
Szia!
Ez az áramkör már vissza lett rajzolva, megtalálható itt a fórumon (köszönjük! )Tl 497 rajz A hozzászólás módosítva: Dec 5, 2014
Szia!
Hát ez nagyszerű, de a fazékmagos trafó gondolom nem váltható ki hagyományos paneltrafóval. Sajnos még nem volt alkalmam összehasonlítani a két áramkört, neked mi a véleményed róla? Melyik a jobb vagy a rosszabb?
sziasztok kaptam egy villanypásztort az a kérdésem hogy véleményetek szerint olyan 1500-2000m ekkora távon hatásos lenne marhák ellen teszek fel képet meg van a kapcsolási rajz is de még be kel szkennelni, itt a fórumon kerestem azt az inverteres megoldást amiről beszéltek de vagy én vagyok vak vagy nem tu de nem találtam olyan képet ami kész darab, ha tennétek fel mellékelve a kapcsolási rajzot megköszönném itt az én pásztoromról a kép
Szia!
Pár oldallal visszább megtalálod párunk által megépített villanypásztort ami inverteres és tudja is azt a távot és azt a teljesítményt.
Helo.Bocs hogy bele mesélek.Ezzel a gyujtótrafós változattal csak az a gondom hogy minden fűszál érinkezésekor a karámhoz ,egy 'picit' gyengül.De lehet hogy csak én vagyok igy vele.Köszönöm.
Igen ez azért van mert kicsi áram erősségű nek kell lennie a kimenetnek ,különben agyon ütne valakit.
Már láttam valami ilyen gyilkoló gépet ami égővel sorba kötött trafó , ha valaki szintén ilyet lát azonnal meg kell szüntetni . Inkább csattogjon a füvön el mint valaki oda ragadjon . Üdv
Ahogy egy laikus barátom mondta:Nem kell,hogy a vagy rásüljön a kerítésre,elég,ha elriasztja.
Elég lehet,ha az a kis trafó az inverteres részben legalább 230/9V és 4-5 wattos,a tirisztor mellett lévő kondenzátor legyen 16µF/450V AC. Két sor vezeték kellene legalább s azokat 100 méterenként párhuzamosan kellene kötni.Természetesen a jó földelés sem maradhat el.A rajz látom már megvan.Mellékletben az én inverteres pásztorom,de a képek között többet is láthatsz.
Sziasztok!
Egy barátomnak építenék villanypásztort. Az üzemeltetést csak akkuról tudja megoldani. Olvastam, hogy volt itt több ilyen jellegű megoldás is, de arról nem találtam infót, hogy mekkora akkuról meddig bírja a szerkezet. Kb. 60 m lenne a védendő hossz összesen.
Szia!
Az itt "kutyapásztor" néven ismert kis villanypásztort én sokszor megépítettem és 100 mA alatti a fogyasztása és akkuról nagyon sokáig bírja. (2-3hét) Visszábolvasva megtalálhatóak a rajzok, vagy este el tudom küldeni az új terveket. A hozzászólás módosítva: Jan 5, 2015
Szia!
Ha van új akkor megnézném szívesen.
Bocs a késői válaszért...
Itt van az ígért terv. Sprint Layout 5-el készítem őket, ezzel tudod módosítani. Tettem fel JPG-be is egyet, hogy látható legyen bárki számára. Ez a más említett "kutyapásztor", ami több darabos után építés során is bizonyította a helytálltságát. Én csak a terveket készítem hozzá és kiegészítettem LED-ekkel meg átvariáltam más alkatrészekre, amik könnyen beszerezhetőek. Sok sikert hozzá!
Szia!
Köszönöm a tervet! Bár kaptam az egyik kollégától két javításra váró darabot, de aztán mégis az újraépítés mellett döntöttem. Beszereztem az alkatrészeket. A panelon picit változtatnom kellett, mert nem passzolt minden alkatrész. A kérdésem az lenne, hogy kell-e szikraközt csinálni ehhez és ha igen, mekkorát érdemes? |
Bejelentkezés
Hirdetés |




Nem tudom, nem látom, nem ismerem, csak leegyszerűsítettem a dolgot. 
) 
Most még egyelőre nem tudom mi folyik nála, mert nem voltam még! Majd hétvégén megnézem és kiderítem, hogy mi lehet a gond! Nos az a helyzet, hogy mondjuk úgy nem valami igényes emberkéről van szó, csak az a "jól van az úgy" stílus! Na mármost ezt én sem hagyom annyiban, mert a pásztor az biztos, hogy jó, ott lesz valami a karámnál, mert azt mondta, hogy a föld felé húz le, de hogy hol azt elmondta, de nem igazán fogtam föl, majd átnézem minden egyes vezetékrögzítési pontot, mert Fa oszlopok vannak ami a mostani esős időben igencsak vezetővé válhat és lehet ez a gond! Minden esetre köszönöm szépen, a segítséget! További szép estét!









