Fórum témák

» Több friss téma
Fórum » 12 V-os feszültség stabilizátor
 
Témaindító: ceaser, idő: Feb 5, 2008
Témakörök:
Lapozás: OK   13 / 19
(#) elektroncso hozzászólása Jan 10, 2015 /
 
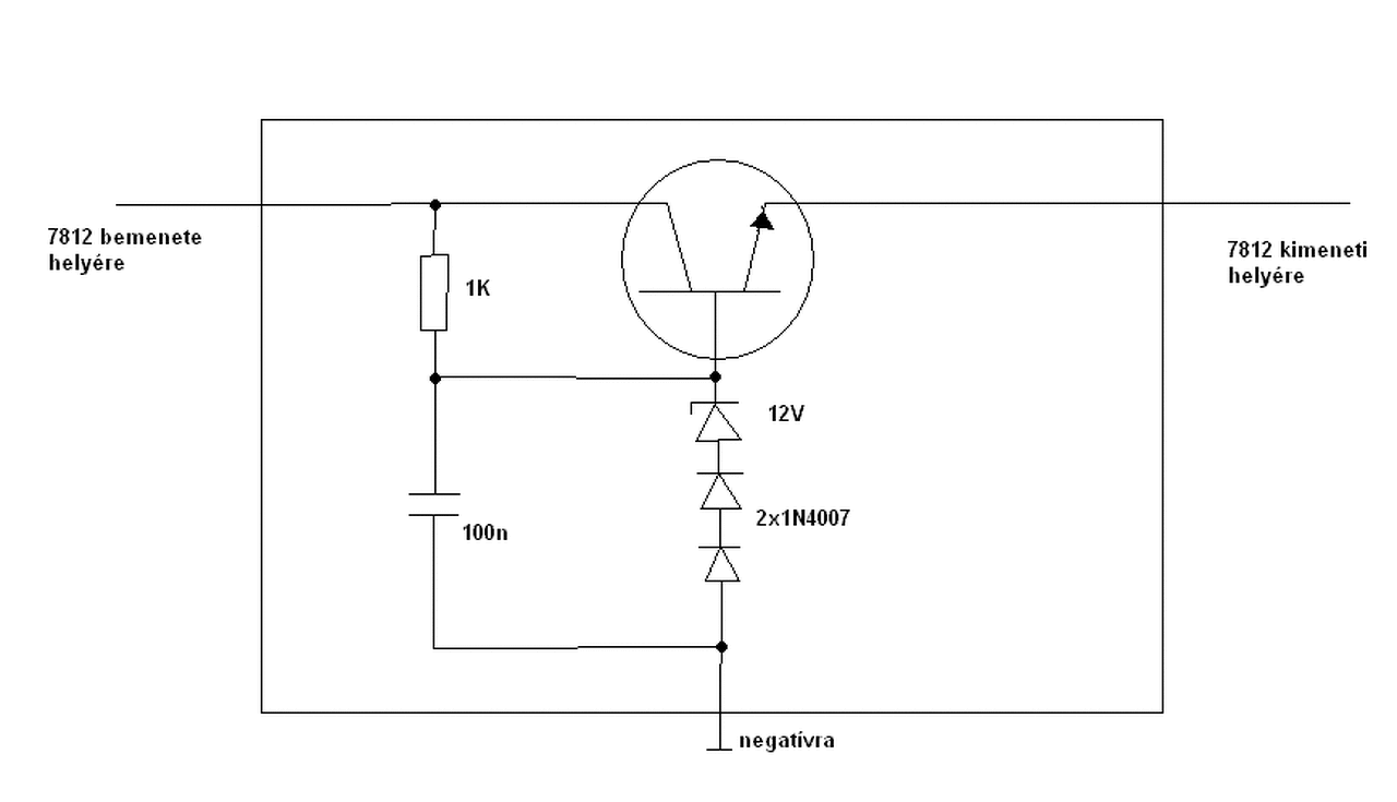
Letisztáztam a rajzot. Mellékelem. Valaki megnézné, hogy minden rendben-e van vele? Én már átnéztem, de több szem többet lát.
K1- hálózati főkapcsoló
K2- akku/hálózati mód átkapcsoló
K3- kimeneti kapcsoló
D1- fordított polaritás védelem
D2- hálózati üzem jelző
D9- akkus üzem jelző
D8- kimeneti feszültség jelző
D7- 500mA-nél magasabb áramfelvétel
Jó lesz?
(#) foxi63 válasza elektroncso hozzászólására (») Jan 10, 2015 /
 
Szia!
Szerintem nem egészen jó, mert a 7812nek kell némi többlet feszültség(főleg, hogy meg van talpalva két diódával), tehát ha átkapcsolod akku üzemre, akkor már nem fog működni. Az átkapcsolóval az akksit egy az egyben ki kéne tenni a kimenetre,miközben leválasztja a fesz. stabilizátort.
(#) Bakman válasza elektroncso hozzászólására (») Jan 10, 2015 /
 
A transzformátor szekunder feszültsége is kevés lesz a 7812 talpán lévő diódák miatt. Ez így semmiképpen nem fog működni.
(#) ferci válasza elektroncso hozzászólására (») Jan 11, 2015 /
 
Szia!
Azt már megírták, hogy a fesz nagyon kevés és az akku-átkapcsolás hol legyen.
Ha nem tudsz, nem akarsz a trafóval variálni, a töltéshez való feszt csináld meg feszkétszerezővel, max. az ampert kell visszavenned, ill. korlátoznod.
A régebbi rajzodon a 0.1 ohm akár benn is maradhat és áramgenerátoros is lesz, ha jól méretezed.
A 470 µF-ot viszont kivenném a bázis alól.. elég oda párszáz nF.
(#) elektroncso hozzászólása Jan 11, 2015 /
 
Megpróbálok mindenkinek felelni. Igazatok van, az akkus üzemnél túl alacsony a bemenő feszültség. A transzformátoron még tudnák is módosítani, de az akkun nehéz lesz. Mindenképp szeretném megoldani azt hogy akkus üzemnél is stabilizált legyen a kimeneti fezültség. Este azon gondolkodtam, nem 7812-vel építem meg hanem zener diódás áteresztő tranzisztorral, annak nem kell az a bizonyos 3-4V-tal magasabb bemeneti feszültség. Ferci, valamit elnéztél. Ez nem töltő. Ez egy hordozható tápegység lesz, rádiókhoz ami ha van hálózati feszültség akkor arról üzemeltethető, ha nincs akkor az autó akkumulátoráról, vagy pedig más akkumulátorról. És pont itt van az ami miatt nem kapcsolhatom a kimenetre az akku feszültségét, mert nem biztos hogy csak az autó akkumulátoráról fog menni, hanem lehet (erősen meglehet) hogy más magasabb feszültségűről is menni fog. Minél univerzálisabbnak kell lennie.
A mellékelt rajz érthető hogy gondoltam? A 7812 helyére helyettesíteném be a fenti rajzba. Jól gondolkodom?
(#) Bakman válasza elektroncso hozzászólására (») Jan 11, 2015 /
 
Nem jó neked a stabil 12 V? Miért akarod megemelni a kimenetet? Nem megy a rádió 12 V-ról, cska nagyobbról?
(#) ferci válasza elektroncso hozzászólására (») Jan 11, 2015 /
 
Így már más a szitu..- az 1 k sok lesz, azt a kimenő áramhoz méretezd ( nagyjelű béta...). Zener legalább ZPY legyen, mert ha kicsi az áramfelvétel, azon megy több mA és melegedhet... esetleg 2 soros darabból is összerakhatod.
13,2 volt nem is szükséges, mert a rádiók elmennek 12,..-ről is... az egy névleges érték.. legalább nem gyilkolod adás üzemben csúcsra...
Oppá... a diódák minek vannak ott?? gondolom, fordítva jobb lenne..
A hozzászólás módosítva: Jan 11, 2015
(#) elektroncso válasza ferci hozzászólására (») Jan 11, 2015 /
 
Hát adásnál nehéz lesz, mert adóengedély híján (már dolgozok rajta) nincs itthon adó. Igaz még vevő sincs teljesen működő, de kísérletezek. Akkor maradok a 12,6V-nál (kiveszem az egyik 1N4007-est). Mekkora legyen akkor az ellenállás? Ha 16V DC-vel számolok a bemeneten akkor ahhoz, hogy 15mA folyjon maximum a zeneren ahhoz 1k-s kell körül belül. Vagy vehetem magasabbra a zeneren átfolyó áramot? Tényleg fordítva! Belekapkodtam úgy mint a zenert. Hülye vagyok.
A hozzászólás módosítva: Jan 11, 2015
(#) ferci válasza elektroncso hozzászólására (») Jan 11, 2015 /
 
Annyit még hozzátennék, hogy magamnak ZX-es zenert tennék.. sejtem, hogy 100-220 ohm körüli bázisellenállás kell a kimenő 2 amperhez és nem fogsz spórolni se az Uce.sat érték miatt sem, valamint ez egy emitterkövető kapcsolás, azért sem.

Bele se kezdenék ezen az alapon.

Tekintettel arra, hogy egy rádió nem 1000 Ft, inkább vennék egy LF120...., TO-220-as fél volt dropoutos táp-ic-t és az előző kapcsolásodhoz képest 2 voltot nyernél.
(#) elektroncso válasza ferci hozzászólására (») Jan 11, 2015 /
 
Házi készítésű rádió(k) fog(nak) róla menni, de azt sem szerném tönkretenni. Igazad van, beszerzek másik stabilizátor IC-t és kiveszem az egyik 1N4007-es diódát a stab. IC talpából. A zener diódásat meg elvetem.
Köszönöm a segítséget.
(#) ferci válasza elektroncso hozzászólására (») Jan 11, 2015 / 1
 
Ha még nincs adóengedélyed, attól még véglegesre csinálhatod a tápot.
16 volttal számolsz már, de nem tudod, mennyi lesz ebből az említett 2 ampernél. Először azt mérd meg.
Utána kísérletezhetsz úgy, hogy ráakasztasz a kimenetre egy 6 ohm 50 wattos valamit és addig csökkented a bázisellenállást, ameddig nem marad legalább 12,6 voltod... ebben az esetben aztán megnézheted, alapterhelésnél ( vétel üzem árama ) mi disszipálódik a zeneren. Ezért mondom a ZX-et, az tuti.
A számolásod pedig teljesen rossz a zener esetében.
Rz= ( Ut-Uz(-Ud)) / Iz .... így inkább..
Én is csináltam anno szintézeres cuccot és tiszta hülye lettem volna, ha táp miatt tönkremegy..
A hozzászólás módosítva: Jan 11, 2015
(#) elektroncso válasza ferci hozzászólására (») Jan 11, 2015 /
 
Köszönöm a képletet ez az amit eddig nem tudtam. Azt hittem erre is érvényes az ohm képlet. Ha jól gondolom az Ut a bemeneti feszültség, az Uz a zener feszültsége az Iz a zeneren átfolyó áram. No de mi az az Ud?
Köszönöm a tanácsokat kísérletezni fogok.
(#) ferci válasza elektroncso hozzászólására (») Jan 11, 2015 /
 
Ud az 1N4.... nyitófesze, amit a talpa alá betennél..
Magyarul: Uz+0,7 volttal számolj Uz helyett, ha 1 dióda sorba van kötve.
A hozzászólás módosítva: Jan 11, 2015
(#) proli007 válasza elektroncso hozzászólására (») Jan 11, 2015 /
 
Hello! Nem egészen értem ezt a "küzdelmet". Mivel kapcsolóval kapcsolod a rádiót a táp és az aksi között, miért nem lehet a kapcsoló az aski és a táp kimenete között?
Ekkor nem lesz az aksi felől feszültség veszteség, tápból meg olyant készítesz, ami leadja a megfelelő feszültséget/áramot. Felesleges az aksit a tápon átvezetni, mikor már így is kevesled a feszültséget. Még polaritás védelemnek sem érdemes soros diódát használni, elég egy bizti utáni záróirányú dióda. Az igaz, hogy így fordított polaritáskor kimegy a bizti, de nincs feszültség veszteség a diódán sem..
(#) elektroncso válasza proli007 hozzászólására (») Jan 11, 2015 /
 
Azért mert stabilizált kimenő feszültségre van szükségem. Ha autóakkuról megy az még rendben volna, de mivel fogok használni 16 sőt 19V-os akkus csavarbehajtó akkut is, ezért stabilizálni kell a feszültséget. A soros diódában igazad van, cserélem.
(#) elektroncso válasza ferci hozzászólására (») Jan 11, 2015 /
 
Köszönöm.
(#) ferci válasza elektroncso hozzászólására (») Jan 11, 2015 /
 
Még egyszer kanyarodjunk vissza az elejére.. ha hálózatról mész, ha akkukról, arra figyelj, hogy a 16 volt DC meglegyen mindig, főleg 2 amperes terhelésnél, különben meglepi érhet. A 7812-es kapcsrajzod miatt 3,1+0,8** volt veszik el ( elválasztó diódák** is vannak ! ) és egy merülő akku is már kevesebb lehet. Tehetnél arra vmiféle kontrollt.
(**schottkyval kevesebb...)
(#) elektroncso válasza ferci hozzászólására (») Jan 11, 2015 /
 
Azt nem írtam, elválasztónak PC tápból bontott schottky megy bele. Válogatok bele a diódáim közül minél alacsonyabb nyitófeszültségűt. Plusz észrevettem közben, hogy az akkunál sorban van két leválasztó dióda, az egyik felesleges, a D1-est kiveszem.
U.i.: Van itthon kicsit analóg V-mérőm, beleépítem.
A hozzászólás módosítva: Jan 11, 2015
(#) ferci válasza elektroncso hozzászólására (») Jan 11, 2015 /
 
A másik az, hogy 15,5...16 volt alá nem is mehetsz az elválasztó diódák miatt, viszont ha az legalább garantált, elválasztók se kellenek, mert a graetzről tölteni nem is tudsz olyan akkut, az akku pedig nem tud a neki záróirányú graetzen áramot átzavarni.
(#) ferci válasza elektroncso hozzászólására (») Jan 11, 2015 /
 
D3, D 4 is az előzőek miatt... nyista 12 voltos aksi lehetőség!
(#) elektroncso válasza ferci hozzászólására (») Jan 11, 2015 /
 
Most nézem a rajzot, a váltókapcsoló miatt teljesen felesleges a D3-as dióda is. A jelző LED-et átteszem a kapcsoló elé, és akkor csak akkor fog világítani, ha akkuról megy. A másik diódát bent hagyom a visszajelző LED miatt, de úgy méretezem a trafót, hogy ne okozzon gondot. így már ki is van végezve a felesleges feszültségesés. Hamarosan megépítem és mérek. Köszönöm az eddigi segítséget.
(#) ferci válasza elektroncso hozzászólására (») Jan 11, 2015 /
 
A 12 voltos aksit pedig úgy használhatnád, hogy egy másik (+) csati is lenne és ha polaritáshelyesen teszed be, egy relé átkapcsolná a kimenetet erre az aksira.. aztán így univerzális.. - függetlenül attól, hogy van 16, 19 volt vagy hálózat.
A hozzászólás módosítva: Jan 11, 2015

12V.JPG
    
(#) elektroncso válasza ferci hozzászólására (») Jan 11, 2015 /
 
Lehet hogy ez lesz. Holnap iskolában ráérek, átszámolom még egyszer az alkatrészek értékeit és véglegesítem az első éles tesztekhez a kapcsolási rajzot. Köszönöm az eddigi segítséget. Amit lehet, jövök az eredményekkel.
(#) kardi hozzászólása Jún 13, 2015 /
 
Sziasztok.

Segitségre lenne szükségem.

Folyamatban van egy PIC-es vezérlő készitése, amely egy DS 1307-el, relével és egy LCD-vel lesz kiegészitve.
Egy 7 Ah akku-ról üzemelne a dolog, ezért kellenne minimálisra venni a "fogyasztást", hogy az üzemi idő akár 2 hónapra is kitolodjon. Ehhez kb 4mA áramfelvételre volna szükség. Alapból a DS1307 felvesz 1-1,5mA, tehát marad kb 3mA. A PIC kb 1mA vesz fel, tehát járható az út (az LCD most nem érdekes). Igen ám, de a 12 voltról egy 7805 stabilizátoron keresztül az áramfelvétel már önmagában eléri a 3,5-4 mA (úgy hogy semmi nincs aktiválva, tehát a PIC és a DS1307 nincs is a kapcsolásban). Véleményem szerint a leszabályozáskor keletkezik ez az áramfelvétel vagy terhelés. Igazábol olyan stabilizátorra lenne szükségem amely 12 voltrol 5 v-ra szabályoz minimális veszteséggel, de ha kell le tudjon adni 300-400mA.

Előre is köszönöm a segitséget és a válaszokat.
A hozzászólás módosítva: Jún 13, 2015
(#) Medve válasza kardi hozzászólására (») Jún 13, 2015 /
 
Hellol ismerkedj meg az MC34063-as chippel.
(#) viktor0312 hozzászólása Jún 16, 2015 /
 
Sziasztok,
A segítségeteket szeretném kérni! Szükségem lenne egy 12v 100 mA szabályzó vagy korlátozó elektronikára! A lényeg az lenne,hogy autó hátsó szélvédő fűtést szakadást tudjak vele mérni szállanként.

Köszi a segítséget!
(#) Joe_001 válasza viktor0312 hozzászólására (») Jún 16, 2015 /
 
Szia!
A 78l12 pont ezt tudja.
(#) viktor0312 válasza Joe_001 hozzászólására (») Jún 16, 2015 /
 
Köszi!
(#) Bakman válasza viktor0312 hozzászólására (») Jún 16, 2015 /
 
Pontosan hogyan szeretnél mérni egy feszültségstabilizátorral? Ha úgy ahogy gondolom, a 78L12 nem sokáig fogja húzni, kileheli a lelkét.
(#) Joe_001 válasza viktor0312 hozzászólására (») Jún 16, 2015 /
 
Egyébként egy DMM nem elég? Feszmérőként test, a másikat a szálon húzva ahol megjön a + táp ott szakadás van.
(Ja bekapcsolt fűtés mellett)
A hozzászólás módosítva: Jún 16, 2015
Következő: »»   13 / 19
Bejelentkezés

Belépés

Hirdetés
XDT.hu
Az oldalon sütiket használunk a helyes működéshez. Bővebb információt az adatvédelmi szabályzatban olvashatsz. Megértettem