Fórum témák
» Több friss téma |
Egy kicsit gondolkodj, mit csinál az 1 kondi és mit a kettö a középsö GND-hez viszonyitva.
Félre érted. Akkor úgy mondom, hogy a plusz oldalra is 2 meg a mínusz oldara is 2. Tehát 2X2 4700uF, de miért? 2X10000µF miért nem jó?
Két db. kisebb kondinak az ESR értéke párhuzamosan kisebb, mint egy db. nagy kondinak az ESR értéke. Azt hiszem ez lesz az ütőérv.
Ezen az elven még jobb lenne 4 x 2200 µF , még jobb 8 x 1000 µF , stb. Csak hát a költségek ugyanígy nőnek is keményen. De tény, hogy műszakilag ezek a felsorolás sorrendjében egyre jobb megoldások. A hozzászólás módosítva: Nov 7, 2014
Sziasztok!
Adott egy 7V-os DC tápforrás, ebből kellene nekem szimmetrikus +/-5V-ot előállítanom úgy, hogy az 400-500 mA-rel terhelhető is legyen. Méréstechnikai célú analóg áramköröknek lesz ez a tápja, így minél simábbnak kellene lennie a feszültségnek. A pozitív ág stabilizálására 7805 teljesen jó is, a gondom a negatívval van. Van ugyan pl. ez a jópofa kis kapcsolóüzemű modul, amivel nagyon egyszerűen megoldható a feladat, de az 50mVpp ripple nem a legjobb egy analóg szorzókból és műveleti erősítőkből álló áramkörhöz. Ezért a végső feszültségeket lineáris stabilizátorokkal lenne jó előállítani, ehhez viszont a meglévő 7V kevés. Szóval arra gondoltam, hogy kapcsolóüzemű táppal meg kellene invertálni a 7V-ot, és azt 7905-tel stabilizálni, de egyszerűen nem találok olyan IC-t, ami úgy előállít -7V-ot (vagy mínusz akármennyit), hogy az terhelhető is legyen. Ebben kérném a segítségeteket, és persze alternatív ötletekre is vevő vagyok.
Szia!
Van itt egy polaritásváltós konverter: Bővebben: Link.
Sziasztok összedobtam 2 rajzot a készülőben lévő végfokok pufferjérhez az egyik egy 2 szekunderes a másik pedig egy közös nullás trafóhoz való megnéznétek hogy helyes e mindkettő?
Szia! A szűrés akkor hatásos, ha kondenzátorlábtól-kondenzátorlábig megy, semmiféle megkerülő utat nem illik létesíteni a tápáram számára. A megcsapolt szekunder esetén célszerű minden kondenzátor-pár után létrehozni a testpontot onnan továbbvezetni az újabb pufferekhez.
A vezetősáv kialakítás a kondenzátorok átrendezésével lényegesen egyszerűsíthető, bár formája közömbös a használat szempontjából. Az egyik tervet megigazítottam.
Helló !
Ha egy szimmetrikus tápba induktivitást szeretnék tenni szűrés és áramkorlátozás szempontjából, akkor azokat hová kell rakni ? Az egyértelmű hogy a pozitív ágban hová, de a negatív ágban ?? A GND-be ? De akkor az ágak ellenállása nem lesz egyforma. Sajnos olyan kapcsolási rajzot amiben van, olyat nem találtam. Valaki tudja ezt hogyan oldják meg ? Kösz !
Hello! Szűrést mindig a tápágba teszünk, nem a GND-be. De hogy ez áramkorlátozás is, az érdekes lenne. Egyébként mint olyan hogy "szűrés", számtalan okból lehet valamiben. Tehát általánosságban fogalmazni nem igen lehet. Mert általános kérdésre nincs jó válasz..
Úgy értettem hogy bekapcsoláskor mikor a kondenzátorok még töltetlenek, hogy akkor ne vegyen fel túl nagy áramot.
Milyen tápegység lenne ez, hogy kritikus a a kondenzátor induló töltőárama?
Egy 50Hz-es trafóról táplált tápegység esetén nincs szükség fojtóra, egyrészt a szinuszos áramforma miatt, másrészt a bekapcsolási áramlökés nem jelent problémát egy darab huzalnak.
Kapcsolóüzemű táp esetén pedig a primer kör áramát kell korlátozni, amit leginkább NTC-vel oldanak meg.
Sziasztok!
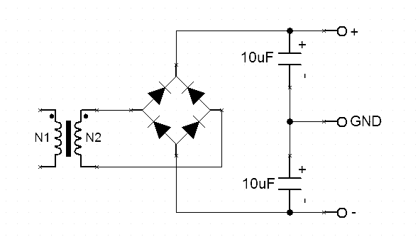
A linken lévő kapcsolással próbáltam szimmetrikus tápot előállítani egyszerű kétvezetékes trafóval. Az normális, hogy a 0 ponthoz képest csak fele feszültséget mérek, vagy én bénázok? Bővebben: Link A hozzászólás módosítva: Ápr 3, 2015
Igen, normális. A + és - között jelenik meg a trafó szekunder feszültsége. A két kondenzátor egyenként 1/2 szekunder feszültségre töltődik.
Nem jó hír. Ez nem volt írva sehol, pedig elég fontos infó. Van olyan megoldás ami nem felezi le a feszültséget?
Ott van a rajzon ez is. Ez csak egy Graetz-es egyenirányítás, és a + - közé pedig betéve a két kondenzátort. Ne fogd arra, hogy eltitkoltak előled valamit, mert nincs bent semmilyen alkatrész, ami megkétszerezné a feszültséget.
Idézet: Van, az egyutas egyeniranyitas. Nagyobb terhelesre nem javasolt. A trafo egyik kivezetese lesz a 0V vagy GND. A masik kivezetesrol egy dioda csinalja a + kimenetet, egy masik dioda, termeszetesen ellentetes iranyban bekotve csinalja a minusz kimenetet. A ket kondenzator ugyanugy, mint a fenti graetz-es kapcsolasnal. A szinusz egyik felperiodusaban a + kondenzator toltodik, a masik felperiodusban a masik.„Van olyan megoldás ami nem felezi le a feszültséget?” Idézet: Nem a trafo szekunderfeszultsegere toltodik a kondenzator, hanem annak 1.41-szeresere! A ket darab egyutas egyeniranyitasnal a pozitiv kimenet feszultsege Uprimer * 1.41 - 0.7V, mig a minusz kimenet -Up * 1.41 - 0.7V. De ez a terheletlen feszultseg, ha megterheled, akkor kicsit hullamos lesz. A hullamzas merteke a kondenzator erteketol es a terheloaramtol fugg. „A + és - között jelenik meg a trafó szekunder feszültsége.” Idézet: Nyílván, viszont a kérdező tudását alapul véve ennyi infó is elég egyszerre. „Nem a trafo szekunderfeszultsegere toltodik a kondenzator, hanem annak 1.41-szeresere!”
Nem rossz! Más diódával 5A-t ki lehet húzni ebből?
Elvileg igen, de gyakorlatilag azért nem lesz jó, mert nagyon hullámozni fog a kimenet. Az 5 A már jelentős tehelés kondenzátoros szűrésre. Bővebben: Link
Idézet: „Idézet: „Nem a trafo szekunderfeszultsegere toltodik a kondenzator, hanem annak 1.41-szeresere!” Nyílván, viszont a kérdező tudását alapul véve ennyi infó is elég egyszerre.” Ezzel nem ertek egyet. Attol, hogy nem ert hozza, meg nem kell valotlant allitani. Sot, eppen azert nem szabad, mert elhiszi, hiszen kezdo. Azert oyan sok info nem volt itt, hogy ez ne ferjen bele.
Hát ez így sehogy sem lesz jó. Asszem jobb lesz másik trafó után nézni.
Az 5A-t tartósan szeretnéd belőle kivenni, vagy ez egy változó terhelés maximuma? Bizonyos körülmények között azért el lehet lavírozni az együtemű egyenirányítással. Mit fogsz vele táplálni?
Arra a 2x30-36Vac 300VA transzformátor a megnyugtató megoldás. Nekem a 2x30V a szimpatikusabb azzal használom.
|
Bejelentkezés
Hirdetés |






