Fórum témák
» Több friss téma |
- Ez a felület kizárólag, az elektronikában kezdők kérdéseinek van fenntartva és nem elfelejtve, hogy hobbielektronika a fórumunk!
- Ami tehát azt jelenti, hogy a nagymama bevásárlását nem itt beszéljük meg, ill. ez nem üzenőfal! - Kerülendő az olyan kérdés, amit egy másik meglévő (több mint 17000 van), témában kellene kitárgyalni! - És végül büntetés terhe mellett kerülendő az MSN és egyéb szleng, a magyar helyesírás mellőzése, beleértve a mondateleji nagybetűket is!
Használj áramváltót áramméréshez. A kulcsszó:current probe.
Hello! "ha a mosfet elé kötöm a ledszalagot és miért nem, ha utána"
Ha a szamarat kötöd a kicsi elé vagy utána, az között tudom hogy mi a különbség. De szerinted ebből tudja valaki, hogy mit is teszel Te a valóságban?
Sziasztok!
Ellenállás számolásban szeretnék segítséget kérni. Van ez a hőszenzor: Bővebben: Link Az adatlapján az van, hogy 0°C-on 500mV feszültség esik rajta. Azt szeretném, hogy 0°C-on 0v essen rajta, hogy a hőmérséklet kijelzés egyszerűen leolvasható legyen. Pl. 20°C esetén 200mV essen rajta. Hogyan kell ehhez kiszámolni, hogy mekkora ellenállást kössek be? 2.5V stabil tápot kap. A hozzászólás módosítva: Jan 16, 2015
Hello! A megoldás attól függ, mivel szándékozod mérni vagy feldolgozni a jelet. Mert a feladat alapvetően az, hogy a kimenti feszültségből ki kell vonni az 500mV értéket.
Hát igen, az lenne a legegyszerűbb. De nem áramkörbe akarom kötni, hanem egyszerűen csak a multiméterre kötni, és úgy leolvasni az adatokat, mert hordozni szeretném.
Most pl. 718mV folyik át rajta, tehát a szobában 21,8°C van, de ez így elég zavaró, és azért szeretnék ellenállást kötni rá, hogy ne kelljen fejben számolni.
Sziasztok!
Nagyon kis értékű ellenállás mérésben lenne szükségem segítségre. 10 - 100mOhm körüli értékeket kellene mérnem. Multiméter és labortáp áll a rendelkezésemre. A multiméteren a 200 Ohmos határértéket beállítva ez nem igazán lehetséges. Tudtok segíteni? Csinált már valaki milyet? Köszi, F.
Akkor csak a 2,5V-ból egy feszültség osztóval elő kell állítani az 500mV-ot, és a műszert az MCP kimenete (+) és az osztó kimenete (-) közé kell kötni..
Hello! A legegyszerűbb dolgot, OHM törvényét kel használni. Vagy is állandó áramot kell adni az ellenállásra és megmérni a rajta eső feszültséget. Majd számolni..
Egyszerűbben kellene megoldanom. Ellenállással ezt nem tudom megtenni?
Egy feszültség osztó nem ellenállás? Csak nem az a gond, hogy kettő?
Nem tudom.
![]() Még nem csináltam ilyet. Tehát azt kell megcsinálnom, hogy az MCP után bekötök egy akkora ellenállást, hogy 500mV-vel kevesebb feszültség legyen?
Sziasztok
Lenne egy kérdésem. Mi kell csinálni a hidrogénperoxid+sósav keverékével miután használtuk NYÁK maratásához? Hogy távolítsam el? Segítségeteket előre köszönöm.
Üdv, van egy GM-050200- as adapterem, amiből annak a rendje és módja szerint kijön 2 (fekete) vezeték, az egyiken fehér színnel csíkok vannak felfestve. Az az én nagy kérdésem, hogy ezek közül melyik a + , és melyik a - .
Az esetleges válaszokat előre is köszönöm!
Ez kemény kérdés , szerintem a lefolyóba öntöd és kész bő vizzel , a panelt szintén bő vizzel mosod kicsi mosószer jót tesz neki .
Multimétered van? Ha igen mérd ki. Ha egy - jel jelenik meg a mért érték elött, akkor cseréld fel a kábeleket, amik az adapterből jönnek, és megvan a polaritás.
Linkeltem kapcsolási rajzot, ennél konkrétabban már nem tudom leírni a szituációt.
De már elmagyarázták 3-an, mindenki kb ugyanazt mondta, úgyhogy a titok már nem titok többé.
Sziasztok!
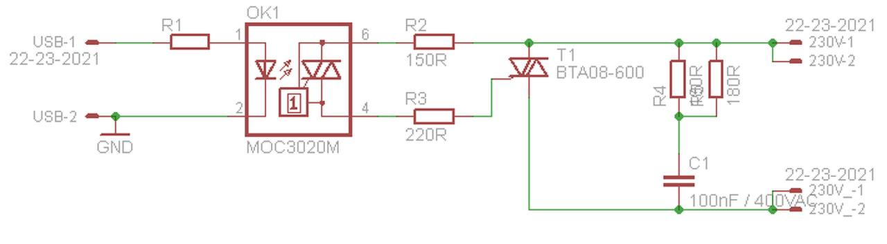
Szeretnék építeni egy olyan áramkört, ami figyeli, hogy van-e feszültség az adott USB portban és ha nincs, azaz le van állítva a PC, akkor a rákötött 230V-ot is leválasztja. A mellékelt áramkör szerintetek megfelelő lenne erre a célra?
Egy db. SSD is elég, már ha hajlandó vagy áldozni rá. USB-s automata kapcsoló.
Az SSD picit más
Amúgy amit linkeltél kb 6000 Ft, amit a kérdező rajzolt még 600 sincs, és tök ugyan az.
Igaz és igaz.
SSR Így jár az, aki egyszerre több fórumba írogat.
Segítesz abban hogy hogyan kellene kinéznie a kapcsolásnak? Nézegetem a példákat, de nem jutok előrébb.
6 ezer? íbéjen a buy it now kategóriában ez a 25A-es 900 Ft szállítással együtt. Nem fáradt ma kicsit mindenki?
Köszönöm a segítséget mindenkinek. Tehát ez a kapcsolás jól működne? A 230V-nál lévő 2 ellenálláshoz milyen terhelésűt használjak?
Sziasztok, megépítettem a csatolt képen látható kapcsolást, de sajnos minden áram a fesz. szabályzón át folyik, a tranzisztoron keresztül pedig semmi.
Pont azt szerettem volna, hogy az áram inkább a tranzisztoron át follyon és csak max kb 500mA a fesz. szabályzón át.
Kár volt átrajzolni az eredetit: Bővebben: Link
|
Bejelentkezés
Hirdetés |







Pont azt szerettem volna, hogy az áram inkább a tranzisztoron át follyon és csak max kb 500mA a fesz. szabályzón át. 
