Fórum témák
» Több friss téma |
Fontos: PICKit2 klón építése tanácsok
Van valami rajzod arról, ahol tartasz a gondolkodásban? Nemigen sikerül követni néha
![]() Egyébként ha ilyen macerás, akkor nem jobb lenne az eredeti koncepció szerint megépíteni az egész áramkört? Az "5V only" megoldás rémesen leegyszerűsödött, emellett tényleg jól működik is, szerintem az érdeklődők 99%-ának tökéletesen elég lenne az a verzió. Ha viszont az alacsony feszültségű PIC-ek kezelését is meg akarod tartani, akkor lehet, hogy jobban járnánk az eredeti, feszültségszabályozott verzióval, akkor még a firmware-be sem kell beletúrni. És ezt tényleg lehetne SMD alkatrészekkel megépíteni, aki a 3.3V-os PIC-ekkel foglalkozik, az úgyis közelebb kellett már, hogy kerüljön az SMD technikához. Ennek az utánépítésnek meglátásom szerint az lenne az értelme, hogy (lehetőleg olcsón) beszerezhető alkatrészekből, bármikor gyártatható paneltervvel készüljön el.
Tulajdonképpen egyet kell értsek veled.
Most azon vagyok, hogy egy olyan megoldást találjak, ami kiváltaná a gyári opa+fet párost(ami túl kicsi terhelhetőségű, ami sok gondot okozhat(nagy kondi miatti rossz detektálás stb.)). Ilyen lehet az MP2104 ha sikerül úgy beintegrálni, hogy a Vdd/2 PWM kimeneti értékből Vdd értéket tudjunk szorozni. (ebben szívesen venném segítségeteket!) Azért lenne jó ez az IC, mert még ON/OFF bemenete is van, és 600mA-es ami bőven elég, valamint ki tudja kapcsolni a input feszkót teljesen(100% kitöltésre képes) Abban is igazad van, hogy a fejlettebb verzió legyen csak SMD. Ennek fényében haladok tovább! Köszi a segítséget!
A Pickit2 klón témában szeretnék hozzászólni, úgy gondolom, hogy a saját tapasztalatom sokak számára felhasználható lesz. Elöször az Oshon féle soros, prof. programmozót építettem meg (minimális költség), és használtam sokáig. Késöbb azonban át kellett állnom egy notebokk használatára, ahol csak USB volt, ezért körbenéztem a neten és nemzetközi szinten is a Pickit 2-t dicsérték. Olcsó, egyszerű, profi szoftver, firmware, debug, support, rengeteg tipus, választható égetőfeszültség.
Kalkulációt végeztem, és kiderült, hogy 4000 Ft.-ből utána építhető, furatszerelt alkalrészekkel. Mindenki eldöntheti, hogy megéri-e elkészíteni, vagy választja a boltit. Engem hajtott a kiváncsiság ezért megépítettem. Könnyen beszerezhető furatszerelt alkalrészekkel 120x70x30-as dobozba belefér. Az eredeti kapcsolai rajz szerint készült egyszerű egyoldalas nyák (gyorsan készült, ezért lehet még rajta egyszerűsíteni), könnyen beszerezhető alkatrészek. Elsőre működött, de némi bizonytalankodást volt a BS250 PFET használatával, ezért ezeket SMD FET-el váltottam ki. Féltem az SMD-től, mert még sohasem használtam. Egy kis fia-nyákra forrasztva, és azt behelyezve a nyákra, a Pickit2 tökéletesen működik, úgy ahogyan a "nagykönyvben" meg van írva. Nagyon gyors, többféle feszültségen éget. 16, 18-as picekkel is kipróbáltam, az EEPROMokat is tökéletessen kezeli. Tájékoztatásul két képet csatolok róla.
Szepen sikerult eszkoz! Szerintem sokan szivesen latnanak esetleg a nyak tervet is es nemi utmutato alkatresz valasztashoz.
Találtam egy még olcsóbb és nagyobb áramú(még, ha nem is szükséges) példányt, ez is kapható, MChip)
MCP1612 Azt hiszem OPA mindenképpen kelleni fog, de a FET helyett teljesen megfelel. Ez így nem áteresztős kapcsolás lenne, így nem fog melegedni, és nagyon kicsi! Persze ki kell még próbálni, hogy működi-e, de elvileg igen.
Sziasztok!
Lefotóztam közelről a gyári Pickit2-t... hátha érdekel valakit.
Szilva!
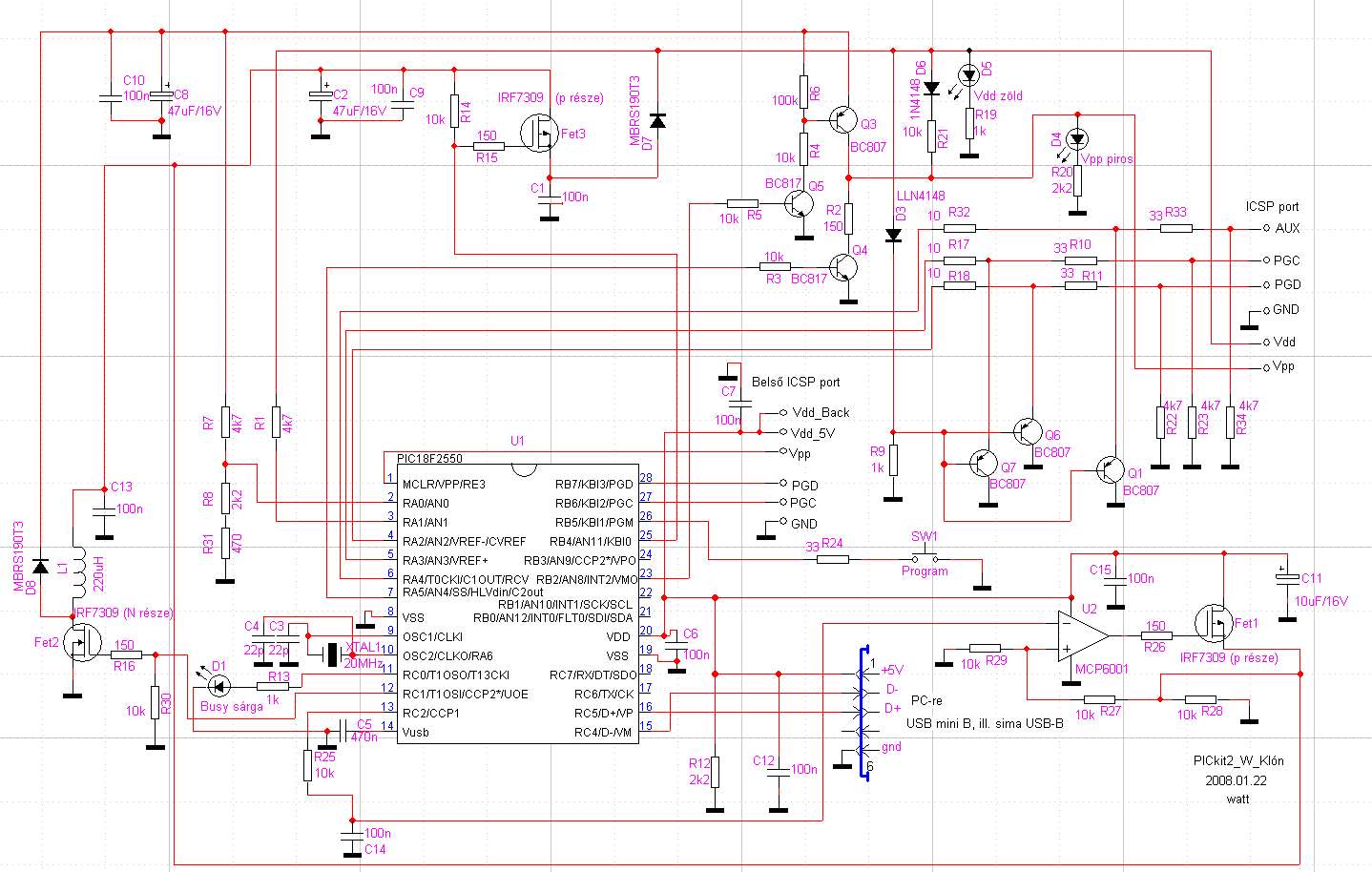
Eszembe jutott az a FET duó, amit korábban ajánlottál. Ezen alapozva jelenleg ott tartok az áramkörrel, hogy kapható alkatrészekből felállt az SMD klón. Megrendelem hamarosan(2300Ft alkatrészár komlett, postaköltséget és nyákot nem számítva). Csatoltam a rajzot, még béta verzió, nincs kipróbálva! Ha hibát találnátok jelezzétek!
Nézem a rajzot, ha jól látom, gyakorlatilag az eredeti funkcionalitást alakítottad ki. Azaz a szabályozott Vdd-ből megy a Vpp pumpa is. Hirtelen ezek merültek fel bennem:
- Az IRF7309-eket kipróbáltad ilyen körülmények között, vagy ez most "vakrepülés" lesz (gondolok itt pl. arra, hogy a 3V körüli tápfeszültségnél megfelelően nyitnak-e)? - Az egyik IRF7309-ben van még egy N-FET, az egyik NPN kapcsolótranyót ki lehetne váltani vele, eggyel kevesebb alkatrész. - Emlékeim szerint az AUX lábon nincs 4k7 lehúzó, csak a PGD és PGC lábakon. - 2k7 értékekkel mi bajod volt, hogy a Vpp osztónál is 2-ből raktad össze? ![]() - R21 D6 tag funkciója nem világos számomra. - Látom, hogy a visszajelző LED-ek a Vdd-re és a Vpp-re kerültek, ami egyrészt jó, mert a valós helyzet látszik rajtuk, másrészt változni fog a fényerejük, ami nem biztos, hogy nagyon komfortos. Ez ízlés dolga. - Az eredeti PICkit2-n van egy zöld LED az USB tápfesz jelzésére, egy sárga a kimenő Vdd bekapcsolt állapotára és egy piros a "busy" jelzésre. Ezt nem akarod így megtartani? Amúgy jópofa, biztos, hogy összerakok egyet, ha véglegessé válik.
Köszi, az észrevételeket!
A 2k7 nek egy nyomós oka van, nem lehet ilyet kapni ott, ahol a többi alkatrészt néztem. A másik lehet az, hogy be lehet vele állítani a pontos osztást, ha nagyon muszáj, bár ez csak erőltetett magyarázat. Az R21, D6 tag a MCLR-t húzza fel, hogy be lehessen kapcsolni egy olyan áramkört ahol nincs ilyen felhúzó tag, mondjuk egy szűz PIC-et lógóban rávezetékelve is lehet debuggolni ill. kipróbálni. Az igaz, hogy nem tudom, hogy ilyenkor a Fware rákapcsolja-e a Vpp-t úgy, hogy az csak a Vdd-t juttassa ki(azaz a pump ilyenkor áll). Ha igen, akkor erre nincs szükség. Erről tudsz valamit? Az biztos, hogy ha a Vdd ON pipát beteszed, akkor a Vpp nem kerül ki! A második FET-et én is gondoltam elhasználni, igazából két ok miatt nem tettem meg eddig. Az egyik, hogy feleslegesen sok az a 4A, aztán meg az, hogy a BC817-ből a minimum rendelés 2db, így az egyik pocsékba maradna. A nyák szempontjából viszont valóban ésszerú lenne, így valószínű, hogy a Q4 vagy a Q5 helyére beteszem. A Vpp LED fényereje valóban változik, de ahogy írod, legalább azt mutatja ami a valóság, azaz, hogy kimegy-e a Vpp és kb. azt is hogy az mennyi. Egyébként egy nagy fényerejű példánynak elég az ereje. De ki fogom próbálni, és ha nem megy akkor átrakom a vezérlés lábra. A LED-ek színét nem ismert em az eredeti vezióban, nekem az tűnt logikusnak, hogy zöld a Vdd, piros a Vpp és sárga a busy. Mindenki olyan színűt tesz be amilyet akar. Az USB 5V jelzése felesleges, mert konnektáláskor a PC jelzi annak megtörténtét, és ha működik az áramkör, akkor a Busy ezt jelzi a többi LED-ről nem is beszélve. Szerintem felesleges áram pocsékolás. Lehet, hogy az AUX-on valóban nem kell a 4K7, mert az RA4 az OPD-s ha jól emlékszem. Leszedem. A FET 2,5V-os kérdésnél szerintem nem lesz gond. A Vdd szabályzó körben nem lehet baj, mert ott a visszacsatolás miatt a gate úgy is annyit fog kapni, hogy a Vdd meglegyen. A többi pozíció nem kritikus. A Vdd ON-nál pedig a 400mA nem egy nagy igény. Ekkora áramnál, ha kicsit nagyobb is a maradékellenállás, nem okozhat gondot. Az adatlapokban a kimeneti karakterisztika ebben a tartományban hasonló, ha a 4,5V-os gatefeszt nézed, ebből lehet következtetni, hogy a másik hogyan fog viselkedni(azért annyira nem tudnak eltérőt gyártani). Jó a gyári FET jobb, csak itt nem biztos, hogy szükséges az a nagy áram, amit egyébként tud, ilyen kicsi gate fesz mellet! Mindenesetre majd kiderül. Ha nem lesz jó, nem nagyon tudok helyette másikat, mert ilyen paraméterekkel pláne nem találni FET-et! Akkor marad a tranyó. A nyákgyártás előtt mérek egy párat...
Végre sikerült feltölteni a topikot azzal a rengeteg hozzászólással... kb. 3-4 órámba került, mire az összes hsz-t egyesével átpakoltam ide
Innentől megnyílt az út előttetek, ki lehet vesézni az egész PICKit2-s témát, meg a klónt, meg mindent!
Szia Watt,
A 2550 programozasat szolgalo csatinal a Vdd Back-nek mi a funkcioja? Nem fog az problemat okozni ha megprobalod egy masik, eredeti PicKit2-vel ratolteni a firmware-t? Masik, egy elvetemult 5let, lehet nagy ostsobasagg lenne, de nem lehet megoldani, hogy az ICSP csati es a PciKit2 sajat felprogramozasara szolgalo hasonlo csatikat valahogy egybe hozni? Azt hiszem a Vpp-vel lehet kis gond, de ha azt sikerulne valamilyen modszerrel levalasztani, tehat, amikor a klon programozni akar egy masik eszkozt akkor a sajat MCLR-jere ne adja ra a feszt... Lehet nem eri meg a veszodes, csak egy gondolat...
Vdd back, ott maradt véletlenül!
Természetesen itt semmi funkciója és a végleges rajzon nem lesz ott! A korábbi konstrukció szerint lett volna létjugosultsága, de mivel egy csomó dolog ellene szólt el lett vetve! Itt is felhívom mindenki figyelmét, hogy a közölt rajzok fejlesztés alatt vannak, senki ne kezdjen neki ez alapján! A végleges kivitel fenn lesz az oldalamon, vagy itt lesz egy cikkben! Idézet: „nem lehet megoldani, hogy az ICSP csati es a PciKit2 sajat felprogramozasara szolgalo hasonlo csatikat valahogy egybe hozni?” A gondolat megér annyit, hogy foglalkozzunk vele, de gondolj bele, ha közös a PGD, PGC vezeték és nincs leválasztás, akkor azok szembe fognak kapcsolódni.
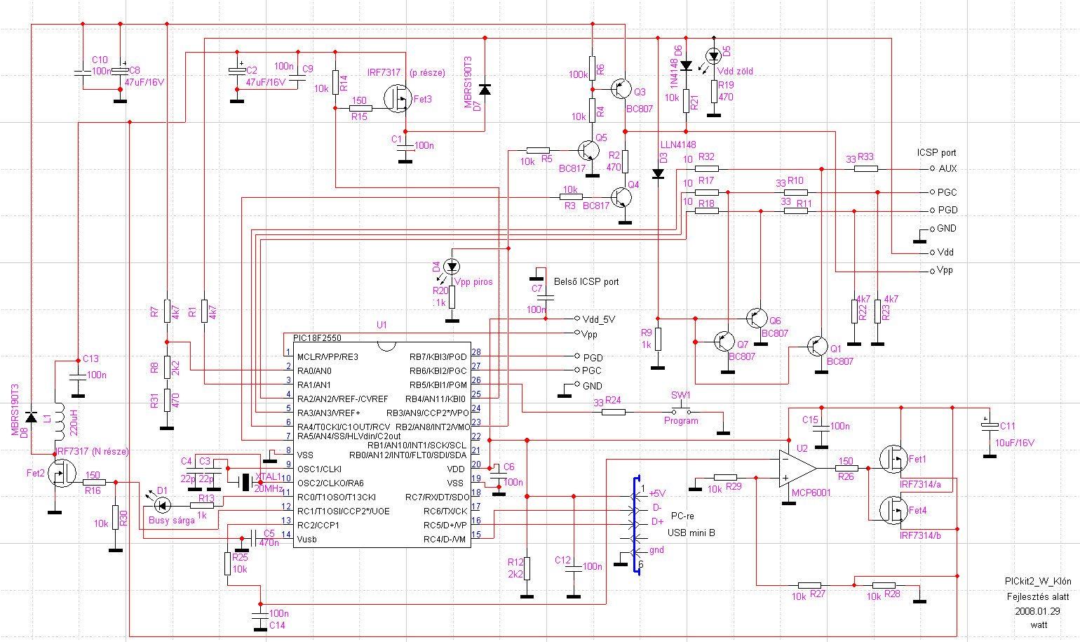
Folytatom a klón építésével kapcsolatos ismertetést. Nyilvánvalóan itt az aktív alkatrészek az érdekessek.
Az eredeti kapcsolási rajz szerinti megfeletetések: D1 1N4148, D3,D4 1N5817, A PNP tranzisztorok 2N3906, az NPN-ek 2N3904 tipusúak. Az L1 tekercs 680uH 0.1A gyári (Lomex) Az U2 Op.amp MCP6002 DIP (duál, Chipcad) A Q1 az eredeti adatlapja után az általam elért (Bp.) alkatrészüzletek kínálata alapján az IRF7314-et választottam, ez is duál és SMD. Ebből kéttőt vettem rögtön, hátha elszúrom. Az U5 helyett 2N7000-et használtam az NFET helyett, PFET-re elöször BS250-t választottam. Működött ezzel is, de valami baj lehetett vele, mert úgy érzékelte, hogy külső táp van rákapcsolva és nem lehetett a tápfeszültséget változtatni. Elővettem a maradék IRF7314-et, már előzőleg két példányban készítettem el a fia-nyákot, és beforrasztottam a PFET helyére. Minden tökéletesen működött. A kondik feszültsége rajta van a kapcsolási rajzon, az ellenállások 1%-ak. Az USB csatlakozónak az A tipusut választottam, olcsóbb és könnyebb beforrasztani, na meg az is lényeges volt, hogy ilyen kábelem volt otthon. A doboz 120x70x30 mm két félből áll, egymásba pattintható (Lomex vagy Conrad). Egy két szó a konstrukcióról. Az U1-es Op.Amp. DIP verziója duál. A nem használtat az adatlap szerint, a kissebb zaj és fogyasztás miatt a következőképpen kell lekötni. A negatív bemenet a kimenetre, a pozitív bemenetre egy-egy 10k ellenálláson keresztül a GND-re és a +5-re kell kötni. Mellékelem a nyák terv szkennel másolatát. Nem valami jó minőségű, de talán használható. Magyarázatként csak annyit, hogy én a nyákokat Alfaset forrasztószemekkel és filctollal készítem közvetlenül a nyákra, ezért a tervet kockás papírra, ceruzával készítem. A kissebb változtatásokat, módosításokat még a nyák rajzolásakor is lehet eszközölni. Kétszeres nagyításban készítem a tervet, ceruzával, radirral, ha kész pauszra fénymásolom fele nagyságra, a tükörképet használom. Primitív módszer, de hamar megvan. Még van egy-két ív Alfasetem addig használom ezt a módszert amíg tart, utána technológiát kell válltanom. A rajzon az A és A' pontokat alul össze kell kötni. Beépítettem egy biztosítékot is, nehogy a tesztelés során rövidzárt csináljak, ezt a véglegesből eltávolítottam, mert 1-2 tized voltot leszedett az USB feszéből. További egyszerűsítések: 1. Az EEPROM-oknak csak a helyét alakítom ki, állítólag most még nem használja a Pickit, majd a második ütemben veszem meg, és helyezem a helyére (majdnem 1000 Ft. spórolás). 2. Másodszorra már úgy tervezném, hogy a V_TGT-t előállító részt ez eredeti SMD Op.Amp-al és a Q1-el (IRF7314) + a passzív elemekkel együtt egy bedugaszolható kis nyákra tenném. 3. Az is megoldható, hogy a duál SMD P Powerfet- ből csak egyet használjak, de akkor alapossan át kell tervezni a nyákot, viszont ez is minusz 100. A PK2v0210000.hex-et töltöttem a PIC-be, és a Pickit2V2.exe-t használom. Debugolásra még nem használtam, egyszerűen még nem volt szükség rá, csak úgy próbaképpen pedig még nem volt rá időm.
Elvégeztem a javasol módosításokat és körülnéztem a listában, és találtam jobban idevaló FET-eket. (most látom, hogy az egyik példányt fzs is használta, tehát biztosan jó ide!)
Csatoltam a rajzot és az alkatrész listát. Ha esetleg kihagytam volna valamit szóljatok! Köszi az észrevételeket! (lassan tényleg eljutunk a nyáktervezéshez is! )
Tudom nem egészen ide tartozik a dolog de nem akarok új témát nyitni.Van egy Pickit2-m(ennyiben idetarozik
)Viszonylag régi,a panelján ez ál: 04-01827 Rev 5 érdekelne hogy ezzel lehet e dubuggolni vagy csak programozni?Ha lehet akkor valaki légyszi mondja el hogyan. Egy 16F690est szeretnék vele duboggolni. Vagy itt vagy privátba vagy E-mailben vagy MSNen, mind1 Előre is köszi Elektroman
A 16F690-ben nincs benne a debug támogatás, ahhoz egy speciális eszközt kellene megvenned (16F690-ICD jelűt), amit csak ún. header board-ban lehet kapni, nagyon borsos áron. De ez nem a PICkit2-től, hanem a PIC-től függ.
Itt megnézheted, hogy milyen PIC-eket támogat a 8-as MPLAB a PICkit2-vel: Bővebben: Link
Masik azonkivul amit Szilva mondott, hogy a regebbi PicKit2-kben hianyoznak a PGC/PGD vonalakrol a lehuzo ellenallasok, es ezert olyan debug header kell ami ezt tartalmazza (vagy neked beforrasztani ezt akar a debug headerbe akar magaba az eszkozbe - en ez utobbit kovettem el egy meglehetosen reszletes Microchip dokumentacio alapjan)
Hello Trudnai!
Eltudnád küldeni a Microchipes doksit! Nekem is régebbi PicKit2 van és jó lenne benne. Peppe "es ezert olyan debug header kell ami ezt tartalmazza (vagy neked beforrasztani ezt akar a debug headerbe akar magaba az eszkozbe - en ez utobbit kovettem el egy meglehetosen reszletes Microchip dokumentacio alapjan)"
Szia Peppe,
Nem tudom igazandibol mekkora a max meret amit ide felrakhatok csatolmanynak? Megprobalom csatolni a PDF-et (200k). Amugy meg itt egy szoveges leiras is - remelem ezuttal megbocsajthato, hogy csak angol nyelven van meg ez a leiras: 1) RESISTORS R35 AND R36 ADDED. ------------------------------ These are 4.7k Ohm pulldown resistors to GND on PGC and PGD (ICSPCLK/ICSPDAT). These resistors are necessary for proper operation during debugging with PICkit 2; it was previously required that they be added to the target board. Prior versions did not have the pulldowns as the PICkit 2 was originally designed with only programming in mind. 2) RESISTOR R34 ADDED. --------------------- R34 is a 2.7k Ohm resistor between +5V_USB and GND. This prevents the "unrecognized device" USB error by bleeding voltage from the C5 capacitor (among others) when the unit is unplugged, ensuring a proper POR the next time it is plugged in. Brown-out detect is not used as it interferes with target VDD error detection. 3) RESISTOR R21 VALUE CHANGED. ----------------------------- R21 was changed to a 1k Ohm value from a 10k Ohm value. The lower value increases the amount of current that can be sourced form the VPP charge pump. This helps programming robustness and ensures compatibility with future products that may require more VPP current.
Köszönöm!
Nekem is a példában szereplő rev. van Még a gyártási nap is ua. . Már orvosoltam a javításokat.
Kicsit haladtam a klónnal:
Azt nem vette észre senki, hogy a korábbi rajzon a P-s fetek fordítva vannak?
Ez, ahogy le van fotózva, most az alkatrészoldal felől lenne? Az eredeti PICkit2-n az ICSP csatin mintha pont fordított sorrendben lennének a lukak, azaz ha pont így leteszem az asztalra, akkor a jobb oldalra eső csatinál legfelül kezd a Vpp-vel.
Vpp-Vdd-GND-PGD-PGC-AUX a sorrend.
A PGD és PGC-t felcseréltem véletlenül. jó hogy szólsz, majdnem kinyomtattam! Javítom...
A további sorrend jó, csak én szoktam egy üres tüskét betenni, hogy ne lehessen fordítva rádugni. Mivel a gyárin ilyen plusz nincs, én az egyik oldalra tettem(0. pozíció). Nincs jelentősége melyik oldalon van, ha a céláramkörön ugyanúgy van kialakítva az ICSP aljzat. A belső ICSP pedig a WPB-hez lett kiosztva, ezt nézzétek el nekem! Nekem úgy is szükség lesz egy fordítóra, ez nem okoz gondot.
Lehet, hogy félreértjük egymást, de ha így lenne összerakva, ahogy a képen látszik (USB csati felfelé, a hüvelysor jobb oldalon), akkor szerintem pont fordított sorrendben lennének a csatlakozási pontok, mint az eredetin (lásd fájlmelléklet).
Mivel több kártyának a szélén derékszögű ICSP csati van, hogy a PICkit2 mellé tudjon "feküdni", ez azt jelentené, hogy "fejjel lefelé" kellene odafektetni. Már ha jól értelmezem a dolgokat.
Amit most felül látsz, az az alja. Ha megnézed az SMD LED-ek is a túloldalon vannak és a csati is a túloldalon van, bele is van dugva, kikandikálnak a lábai.
Egyébként meg olyan lapos lesz mindkét oldala, hogy ennek nincs teteje meg alja. Én még nem tettem a panel szélére vízszintesen ICSP csatit, az mindig a PIC mellett szokott lenni állítva, de ha ez neked szempont, akkor most véletlenül pont jól áll a panelen a csati. Ez a panel olyan kis méretű, mint a leválasztott WPB_F18-am leválasztó része(a kisebbik panel), amit közvetlenül szoktam rádugni a céláramköreimre. Az USB mini B kábel még flexibilisebb, mint az UTP, amivel a WPB szerelve van, így még konfortosabb lesz a használata. Ha valahová nem fér oda(eddig ilyen nem volt még), akkor van hozzá egy 20cm-es hosszabbító is. Ha félre is értettelek, azért jól jött a kérdésed, mert különben fordítva lett volna a PGC és a PGD, úgy hogy köszönöm mégegyszer!
Ok, így már stimmel. Köszi, hogy tisztáztad.
Ha megnézed a gyári Microchip demo paneleket, azok is mind olyanok, hogy az élükön vannak a derékszögű tüskesorok. Mivel én tőlük tanultam a PIC-ekkel bánni, én is ezt szoktam meg a fejlesztői, "csupaluk" paneljeimen. A véglegeseken természetesen célravezetőbb az álló tüskesor, remélhetőleg úgyis ritkán kell hozzáférkőzni. A nagy kritizálásban el is felejtettem megdícsérni: nagyon profi kis cucc lesz ez, igen tetszetős! |
Bejelentkezés
Hirdetés |












)







