Fórum témák
» Több friss téma |
Van kint a műhelyemben két 2106-ból való trafó. 2x33,5VAC és a szekunder huzalátmérő 1mm.
A készülék 8 Ohm-ra 7*90, míg 6-ra 7x125W-ra specifikált. Ha 2,5A/mm2-rel számolunk akkor 130W körüli a trafó....
Én is úgy olvastam, hogy ez az adat a kivezérlés nélküli átlag alap áram felvétel..
Nekem egy kicsit kevésnek tűnik ez a 290W kivezérelve, tekintve ha vesszük a kijelzőt, hatásfokot...stb Ez valahogy szinte minden HM erősítőnél így van, és nem csak az olcsóbb kategóriára gondolok.. Az AVR 2805 is 250 ezer volt anno, de a nagyobbik 3805 is csak 390W van feltüntetve, holott az meg kb 18-20 Kg.. Nekem is van egy régi JVC HM erősítőm bazi nagy trafóval, és annak is 250W van a hátuljára írva, igaz nincs elé írva hogy Max..Sztereóban az is igen csak nagyot szól, és két álló 150Wattos/8Ohm ládát mocsok mód megjárat.. Ezért gondolom én is hogy ez egy átlag áram felvétel lehet, persze azt sem hiszem hogy igaz ez az adat, amit mellékeltem, de az a 290 meg szerintem kevés kivezérelt áramnak..
És hova megy ez az irdatlan energia? A doboznak nagyon melegnek kellene lennie. Ha nincs vezérelve, akkor ez az összes energia hővé alakul, a dobozon belül.
Persze, ez is világos, nyilván alapból nem hiszem hogy közel 300W a fogyasztása, mégha azért elég meleg is a teteje még "nyugalmi" helyzetben is..
A vicc a dologban hogy ugyan ennek a típusnak ugye van 120Voltos verziója, az Amcsi, és annak a hátulján 5,6 amper van feltüntetve.. Okés, ott csak 120Volt van, és ha megnézem, akkor a trafó mérete, a készülék súlya...Minden ugyan az.. Ha az Európait meg elosztja az ember, akkor 1,2 amperre jön ki..Azért ez érdekes..Akkora trafóból elég kevés lenne.. Igazából ha ennyi is a max. akkor sem kevés, hisz mondjuk ha leosztom 5 csatornára mondjuk 5*30Watt is elég filmezni..Sztereóban meg elég nagyot szól két csatornán.. Azért érdekes eltérések vannak.. Hallottam már újabb modelt is, ami Made in China, de közel sem szól ilyen jól, és ekkorát, hiába vesz fel 500W-ot.. Fene se érti..
Mondjuk azt sem értem, hogy van két Denon modell..Az egyik az AVR2106, a másik a 3805, ami két kategóriával nagyobb készülék, még ha egy évvel fiatalabb is..
Ha hinni lehet a 2106-os manualjanak és tényleg 450W a teljesítmény felvétele, akkor kb. másfélszer akkora trafóval hogyan lehet a 3805-ösé 390W? Elismerem, hogy gyártók sokat kevernek teljesítmény felvétel ügyben, de hogy egy márkán belül sem egységesek a dolgok, az elég furcsa. Tudom, hogy egy erősítőt nem a hátuljára írt adatok minősítenek, hanem a hangja és tudása (elsősorban a hangja), ennek ellenére szerencsésebb dolog lenne, ha a gyártók a készülékeken valós adatokat tüntetnének fel. Lehet hogy a Japánban gyártott erősítők végfokai hatékonyabbak, azért nem esznek annyit??Persze lehet hülyeség, csak eszembe jutott, mivel érdekes módon a Japánban készült modellek vesznek fel kevesebbet..
Ez nem hit kérdése. Fogni kell a műszert, meg lehet mérni a kimenő, és a hálózatból felvett teljesítményt is, és máris nem kell találgatni.
Igen, valóban ez lenne a megoldás, és lesz is..
A kérdésem inkább a cég által feltüntetett műszaki adatokra, és az egyes modellek közötti eltérések felé irányult! Gondoltam érdekes, illetve érdekelt mások véleménye, tapasztalata, de nyilván valós válaszokat természetesen mérésekkel fogok kapni..
Egyszerűen más adatok alapján írták rá a maximális felvett teljesítmény,t vagy az egyiken a maximális vna feltültetve, míg a másikon az átlagos, zenei terhelés mellett felvett teljesítmény, vagy a designer aztí ír rá, amelyik gomb éppen közelebb van az ujjához.
Igen, én is erre gondoltam..
![]() Egyébként sok jelentősége számomra nincs, hiszen egész jól szól a masina, és ahhoz képest hogy HM Erősítő az AVR-2805 egészen jól szól sztereóban is, egész jó a hangminősége, pedig van mellette egy B5 dual mono végfokom is, amit építettem..
Hello, hátha tud valaki segíteni Philips fa 920-as erősítőt lehet előfoknak használni???Vagy csak az equalizert lehet belekötni?
Hello!
A kapcsolási rajz alapján nem lehet előfoknak használni a bontható ki/bemenet a bemenet választó után, de a hangerő szabályzó előtt helyezkedik el, tehát csak az EQ csatlakoztatható rá. Bővebben: Link
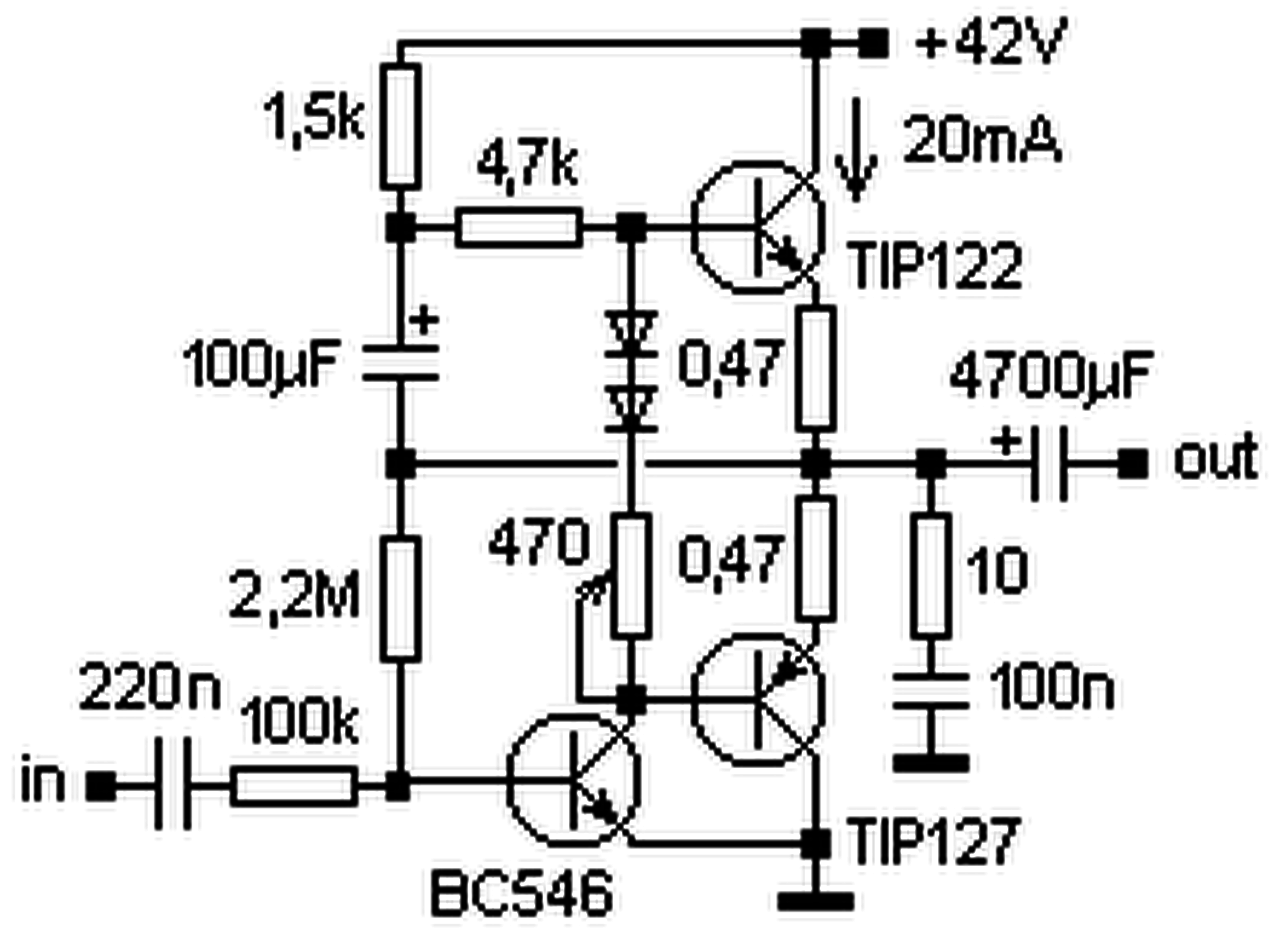
Sziasztok, ezen van valami kifogásolható vagy jó így ? Mert lenyűgöző természetességel és folyékonysággal zenél. Nagyon jól sikerült szerintem.
Szia! Sima alapkapcsolás, itt a klasszikusnak számító változata. Kicsit torzít, kicsit DC labilis. Ami hiányzik belőle azt megtalálod a HTA-30-ban. A bemeneti 10µF csatoló értéke majd két nagyságrenddel mellészaladt.
Jaja, pont a hta30 hangját akarom egyszerűbben elérni
Szerinted mekkora legyen a bemenő kondi ? A redcircuitos kapcsi egyszerűbb változatában max. teljesítménynél 0,15%-ot ír. Majdnem ugyanez pedig. Bővebben: Link A hozzászólás módosítva: Jan 21, 2015
100k bementi ellenállást nem célszerű 220nF-nál nagyobb kapacitással csatolni.
Amit linkeltél sajnos több sebből vérzik. A HTA-30-ból nem nagyon lehet, de nem is igen van mit kispórolni.
Helló, na kicseréltem a bemenőt 220n fóliára, természetesen jobb lett, és megmaradt a mély is, igazad volt. De fenntartom hogy nagyon jó hangú, biztosan nincs 4% torzítás mint ahogy valaki írta. Otthon heed obelisk pm végfokaim vannak zsolt audio stand-art 1 hangfalakkal úgyhogy tudom milyen a jó hang. És ez bizony hasonlít rá
Nyilván nyersebb és nem olyan finoman részletező de ugyanolyan hangulatos és életteli. Ana Alcaide zenéjén pl. a hangszerek szinte kézzelfoghatóak. Ha van kedved és időd próbáld ki és próbáljunk már finomítani kicsit még a hangján. Úgy hogy az egyszerűsége nagyrészt megmaradjon... A magasátvitel felső határát pl. vissza lehetne még fogni kicsit mint az obeliskben is. A hozzászólás módosítva: Jan 22, 2015
Na kicsit finomítottam a rajzon de ténylegesen az erősítőben még nem csináltam meg. Mi a véleményed ?
Már az alapoknál elakad a dolog. Az első földelt-emitteres tranzisztor ezzel a visszacsatolási eljárással nem képes egyformán erősíteni a pozitív és a negatív félperiódust. Nem jelenti azt, hogy a kapott hang kellemetlen, de ha elkezdjük javítgatni máris ott vagyunk a HTA-30-nál.
Miert van ez ? Illetve alacsony teljesitmeny eseten is ez tortenik ? Es ebben Bővebben: Link miert nagyon alacsony a torzitas ?
Nem a nyugalmi aramot beallito taggal parhuzamos elko oldja meg ezt a problemat ? ( Bocsi de nincs ekezet ezen a gepen. ) A hozzászólás módosítva: Jan 23, 2015
A linkkel kapcsolatban csak azt tudom mondani, hogy "Messziről jött ember azt mond amit akar."
![]() Annál a topológiánál a visszacsatolás még a hangsugárzó impedanciamenetétől is függ! Nézd, egy darab PNP tranzisztor megspórolásáról szól a történet. Az kijavítja a nagyjelű erősítő linearitási hibáját, normális impedanciaviszonyokat létesít. A bekerülési költsége igazán jelentéktelen. A mostani összeállításod harmonikus torzítása semmi esetre sem számít bűnnek, ennek a hangzásnak is meg van a maga helye és ideje. Ha tetszik, így ebben az állapotában érdemes meghagyni, színesítve az erősítőpalettádat
Én is hasonlót mértem, csak nekem nem hitt a kolléga.
![]() Alapvetően problémás a kapcsolás
Reloop mester ezt magyarázd el nekem: elvettem a bootstrap-et és felére csökkent a torzítás... illetve ha már torzítás, játszadoztam egy kicsit. Majd még folytatom...
Megcsináltam a +1 tranyóval HTA módon és erre meg 25% lett a torzítás... nem értem. Pedig minden jónak néz ki.
Ja megvan, csak 1V-os jel már durván túlvezérelte, 0,4V-os bemenő jellel 0,22%.
De így az egytranyós meghajtással is csak 2%, bootstrappel, anélkül 1,19% ! Hm. A hozzászólás módosítva: Jan 27, 2015
Vedd ki az árammérést, ezzel is csökkenni fog a torzítás...
Na a jelenlegi minimálerősítőm bootstrap nélkül, max. kivezérlésen is csak 3,7%, kis jelnél 0,4%. Na milyen profi vagyok a tinában?
Szia!
A Clipboard02 -es rajzot szimuláltam én is. Szimuláld le 8kHz -en és meg fogsz lepődni. Néhány probléma: - a nyugalmi áram nem állítható, jelenlegi beállításban 1,4 Amper - nem hőkompenzált a kapcsolás - nincs rövidzárvédelem - A T3 -as végtranzisztornak nagyobb kivezérlésnél elfogy a vezérlő árama, az R8 -on keresztül nem kap elég áramot (csatolva) - kevés a kapcsolás érzékenysége, még a másfél voltos jel sem hajtja (hajtaná) ki. Ez egy "mezei" visszacsatolt kapcsolás, nem is a jobbak közül, Te nem ezen az úton szoktál járni, nem ilyen kapcsolásokat szoktál tesztelgetni. |
Bejelentkezés
Hirdetés |
















