Fórum témák
» Több friss téma |
A bemeneteken lévő kondenzátorok lebegnek, nincs semmi ami valamilyen potenciálhoz rögzítené. Ez még valami kárt is okozhat, de egy fesz alatti csatlakoztatásnál egy nagy reccsenést biztosan. Ha egy-egy ellenállással a földre kötöd, akkor ez így kivédhető. Az ellenállás 10K-s nagyságrendű legyen, hogy ne terhelje a meghajtót.
Tisztelt hobbi elektronika és fórum tagok!
Szeretnék egy áramkört építeni, melynek egyszerű szerepe volna. 8 nyomógomb (nem kapcsoló) vezérel 8 LED-et úgy, hogy az adott nyomógomb megnyomása után a hozzá tartozó LED felgyullad és addig világít, míg egy másik gombot meg nem nyomunk, de ekkor természetesen a szintén az aktuális LED világítson. Előre is köszönöm a segítséget!
Szerintem ezt legegyszerűbben/leggyorsabban talán mikrokontrollerrel lehetne megoldani.
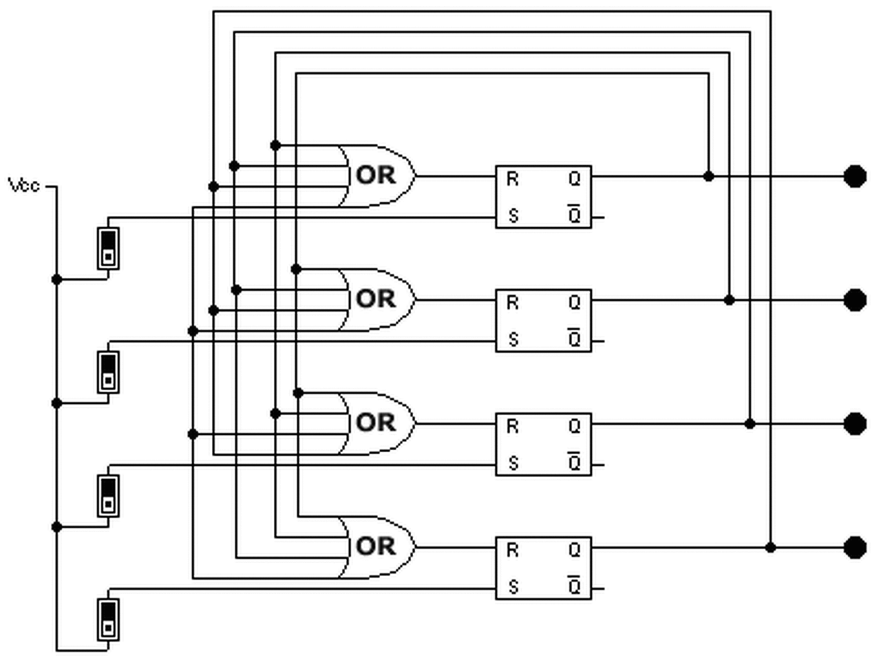
Talán egy élvezérelt 8 bemenetű D tárral meg lehet oldani. Minden gomb az adott bemenetre megy , valamint az összes gomb összediódázva az órajel bemenetre.
Talán valamely bemenetválasztó kapcsolásos topicban megvan a pontos rajza is.
Erre gondolsz:Bővebben: Link
Link javítva. Használd a link gombot! -moderátor- A hozzászólás módosítva: Jan 25, 2015
Szia FuSzE.
Fölteszek pár képet ezeket évekkel ezelőtt megépítettem erősítő bemenet jelkiválasztóként azóta is jól működnek. A 2-es kép bővíthető. Üdv:villkaresz. UI: Ha nem látszik jól írj és beszkenelem. A hozzászólás módosítva: Jan 25, 2015
Kedves villakaresz!
Köszi a segítséget, én ... a könyv itt figyel a polcon! ![]() Szép napot!
Kedves villakaresz!
Már csak a szovjet alkatrészek mai megfelelőjének beazonosításában szeretnék segítséget kérni! Üdv.
A könyvek végén szokott összehasonlító táblázat lenni.
Szia FuSzE.
Még annyit hozzá tennék (kadarist.) válaszához,hogy az SN 74xxx sorozatnak magas az áramfogyasztása. Javaslom a 74LSxxx vagy a 74HCxxx vagy a 74HCTxxx sorozatú ic-ket. K155LA1 = 7420 K155LA3 = 7400 K155LE1 = 7402 K155TM2 = 7474 K155AG1 = 74121 K155LA7 = 7422 Ha elég tapasztalatod van az építésben és türelmed.Az SN sorozatú IC-k kiválthatóak CMOS IC-kel, ez esetben figyelni kell az IC-k lábkiosztására És a felhúzó ellenállások értékei módosulak. Üdv:villkaresz. A hozzászólás módosítva: Jan 25, 2015
Nem. Talán egy 74373 van benne. Egy egy gomb az adott bemenetre +5V -ot kapcsolt. A bemeneteken egy egy dióda volt az órajel felé.Ha lenyomtak egy gombot, az a bemeneten magas szintet okozott, mellékesen a diódákon keresztül a tároló órajelet is elküldte. Ez által a többi tárolt értéket törölte, önmagát meg beírta.
Valami ilyesmi volt.
Egyszerű nyomógomb, vagy távirányító? Mert 4-ig távirányítóból is kapsz ilyet - fillérekért, négy relékimenettel. Ezekből van mikrokontrolleres is. M, L és T üzemmód közül az egyik ugyanez. Talán a "L" mód... Elektronikusan is elég egyszerű megoldani - anno kilogikáztam én is - csak elő kell keressem a konkrét kapcsolást az archívumból. DQ tároló volt az alapja.
Kedves kameleon2! Megköszönöm a segítséget!
Szia! Bevallom - a végén nem építettem meg, de egy nagy TTL bőrönddel összehuzaloztam - igaz ennek több éve. Az eredményeket mellékelem. Időközben találtam egy LCD-s változatot a neten. Az egyszerűen kivitelezhetőnek tűnik 10 bemenetig diódás decimális-BCD kóderrel : 10-es bemenetválasztó Ha van valamilyen digit szimulátorod, szerintem pillanatok alatt összedobható a hagyományos TTL vagy CMOS áramkörökből is (nekem ezek vannak itthon dögivel).
Még valami... Itt többen írják a forgókapcsolós (Yaxley) vagy éppen az Isostat változatot. Én abban a szerencsés helyzetben vagyok, hogy van itthon Isostat készletem, azaz bármit össze tudok rakni belőle, bármilyen függéssel. mégsem szeretem, mert viszonylag nagy erő kell a megmozdításához. Egy mai erősítő nem túl nagy vagy súlyos - könnyen arrébb lehet pöckölni. Ugyanígy a gorgótárcsa is egy idő után kemény tud lenni. Ha azonban egy könnyed mikrokapcsolóval van megoldva a választás, akkor minimális erőkifejtéssel is stabilan kapcsolható az összes bemenet. Tény, hogy áramszünet esetén törlődik minden - de éppen erre lenne jó a mikrokontrolleres megoldás. Én a magam eszközeivel talán eljutok addig, hogy befejezzem, az első erősítőmet (van már több is). Aminek a gombjait plexiből tudom szögletes, kalap formájúra marni, mögé led és mikrokapcsoló. Sokkal kellemesebb lesz a feelingje, mint a mechanikus társainak. Csak támogatni tudlak!
Talán a képen látszik a gomb megvalósított változata. Ebben a led oldalról világítja meg a plexit. A plexi, hogy ne legyen áttetsző szemből - hátulról és borításként belülről is kapott egy öntapis alu szalagos hátteret és fényzáró árnyékolást. A hozzászólás módosítva: Jan 26, 2015
Időközben találtam egy ilyen oldalt is - mikrokontrolleres kialakításra.
Kedves kameleon2!
Köszönöm a segítséget, még annyi, hogy Te hogyan oldanád meg, ha nem 5V-ról, hanem 12V-ról kellene meghajtani a LED-eket? Mind a 8 kimenetre egy LM2577-et rakjak?
Elég lenne egy-egy tranzisztor. Szerintem.
Hello, valami ilyesmire gondoltál? Ez szimulálva jó, megépítve breadboardon jó, beépítve még nem próbáltam ki. Szenzoros és nyomógombos is lehet.
Ha 12V-ról kell hajtani a ledeket, akkor az őket meghajtó tranzisztorok kollektorait kell csak felemelni 12V-ra. Esetleg Használhatsz ULN 2803-at is. Nem tudom milyen tápfeszeid vannak? Valamit leskiccelhetnél - mire is gondolsz pontosan.
Üdv.
Szükségem lenne egy olyan bemenetválasztóra, amely 4 bemenetet kezel, továbbá kellene egy kimenet is, továbi készülékek felfűzéséhez. . (Sajnos amit én "találtam" már a kapcsolás is hibás, így azt a projektet ki is zárom.) Lehet relés, IC-s... Csak PIC-es ne legyen mert azt nem tudom megépíteni. Előre is köszi!
Ezt megépítette már valaki? HA igen, megbízható?
Bocsi a tripla postért... De találtam még egy kapcsolást... CMOS-al... Ez az!
Szia kameleon2!
Nagyon egyszerűen kellene lennie, mert van 8 db olyan nyomógomb beépítve egy asztalrendszerbe, melyeknek beépített lámpái vannak (12V) és ezeknek a lámpáknak kell égve maradniuk, ha megnyomjuk a választott gombot. Ha egy másik gombot nyomunk meg, akkor az előző elalszik az aktuális felgyullad. Üdv. |
Bejelentkezés
Hirdetés |














