Fórum témák
» Több friss téma |
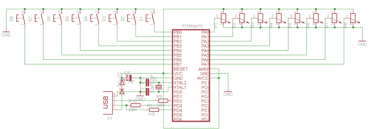
Fórum » NYÁK terv ellenőrzése
Ha megnyitod a Höm.külö...spl-t, mindenre fény derül.
Azért felteszem a javítást , a három forrfül két jumper helye ahol a relé müködtető feszültségét lehet kiválasztani 12v stab. vagy a puffer kondezátor.
Nyitnám én ..... de spl. fájl és nem bír vele a gépem
Próbálkoztam és töltöttem le hozzá programot de az regisztrációt kért én pedig bizalmatlan voltam és nem regiztem.
Így már nekem is müxik
Köszönöm!
Ha ez a kapcsolás rossz, akkor keresnem kell helyette valami megfelelőt... A francba
Dehogy, ha már Kokozo dolgozott vele. Csak ki kell javítani..
Akkor ez a kapcsolás és Kokozo álltal készített nyák már használható?
Értelem szerűen, ki kell javítani a nyákot ez alapján..
Akkor majd Kokozo-t meg kérem, nem akarok belenyúlni a nyákjába. Ha belenyúlok tuti elrontom
Javítva, legjobb tudásom szerint.
- Természetesen jó az 1N4148.
- Most nézem, hogy a rajzon a Reset és a Q4 lábszáma is fel van cserélve! Nem vettem észere, mert nem szoktam ilyen IC-t használni, de ugyan úgy van bekötve mint a 4017-nél..
Hihi... Akkor meg kell fordítanom a diódát... Jól gondolom?
Nem csak a diódát kel megfordítani, hiszen most a Q4-re megy a Reset jel.
De megkérjük a kedves moderátort, hogy cserélje le a rajzot, hogy ne maradjon bent a rossz..
Elvileg még jó is lehet, bár én az átkötés helyére tettem volna a diódát..
Azért nem tettem oda, mert nézzen már ki valahogy az a panel.
De a működésében ez nem befolyásolja elméletileg. (Alkotó úr tanácsaira hallgatva igyekszem ugy elrendezni hogy szép is legyen, ne csak jó.)
Szia! Vagy lehet így is csinálni.
Hello! Nem nézted az "új" rajzot. A 15 a Reset bement és a 11 a Q4 kimenet. Az eredetin hibásan volt felírva..
Azt nem vettem észre.. Itt a javítás.
Ahan! Meg van és javítva. Az 1k és 100k ellenállásokat össze kötöttem.
Érdeklődni szeretnék, hogy a bemenetválasztó ic-ék menyire éreztetik hatásukat a jelútban, a relével megépítettekhez képest.
Sziasztok.
Első NYÁK tervem elkészült, azt hiszem. Szerintetek jó így. Vasalni akarom.(tükrözve még nincs) Sprint 6.0-val van, az "automatic ground plane"-t földet annak függvényében rakom be hogy foltos-e vagy sem a nagyobb fekete felületeken, illetve azt nem "kötöttem" be csak dísz.Az áramkör nem igényes működés szempontjából. Mehet vasaló alá? P.S.: kedves modik: elnézést, benéztem a topikot.Legközelebb jobban figyelek. A hozzászólás módosítva: Feb 3, 2015
Hello! Ezt tőlem hiába kérdezed, mert én nem építek erősítőket, mindössze az áramkör-technikai hibákat szoktam javítani. De úgy gondolom mind kettőnek meg vannak a maga hibái. Kapcsolójel behallatszása, áthallás, torzítás, ha ilyesmire gondoltál volna.
A hozzászólás módosítva: Feb 3, 2015
|
Bejelentkezés
Hirdetés |




Próbálkoztam és töltöttem le hozzá programot de az regisztrációt kért én pedig bizalmatlan voltam és nem regiztem.
Köszönöm! 

De a működésében ez nem befolyásolja elméletileg. (Alkotó úr tanácsaira hallgatva igyekszem ugy elrendezni hogy szép is legyen, ne csak jó.) 









