Fórum témák
» Több friss téma |
Elég rossz a képminősége de most ilyenre sikeredett. A számok jók, hibák -van egy vékony csík felül- a jobb oldali játékos nem kezelhető player 1 RA1, nem éléggé érzékeny a potira. de hagyjuk ha a 12F675-ből ki lehetne a hangot venni akkor szerintem jó lenne csak nam lenne hang ami amúgy is nagyon halk!
Akkor talán ez..?..
Csak most vettem észre, hogy a 16F88 ADCON0 regiszterében egy bittel arrébb vannak a bemenetválasztó bitek.
Nagyon szépen köszönöm most tökéletesen működik!!!
Szia!
Szívesen... Itt egy csomag, van benne hex 16F886, 16F88 -hez, kacsolási rajz valamint egy panel terv. 8 és 14 lábú kontroller tehető bele, a két játékos és a hang 3.5 mm -es, stereo Jack, a video RCA alj. Mérete 42x45 mm. A panelen levő stabilizátornak köszönhetően 9 - 12V DC tápról járatható... (8 lábú kontroller esetén a 150pF kondenzátort a RA2 és a hang kimenet közé kell tenni.)
Köszönöm a fáradozásodat az én verzióm is kész lett!
Sziasztok!
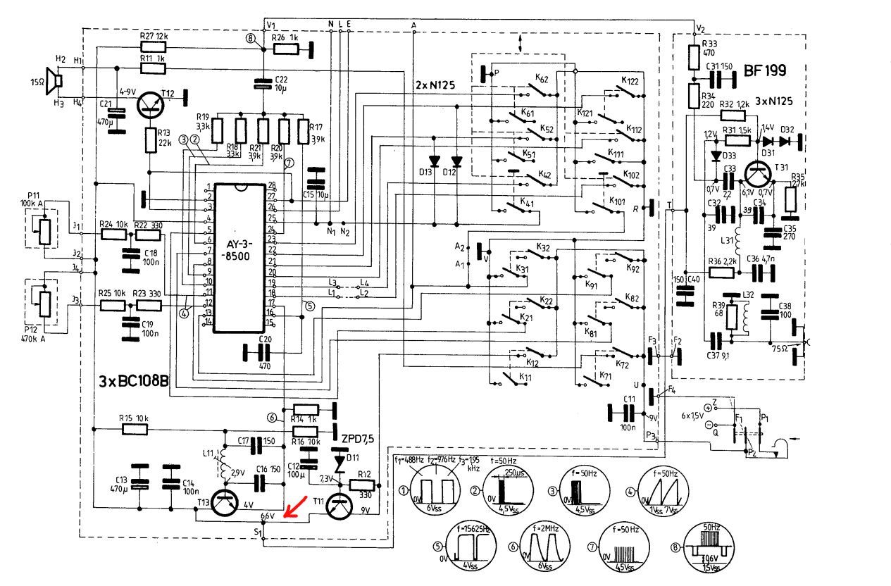
Van egy Videoton TV játék készülékem, ami régen működött, de most persze nem hajlandó bekapcsolni. (sem hang, sem videójel, áramfelvétel közel nulla.) Elkezdtem méregetni, hol lehet a gond. A képen látható t11-es tranzisztorra gyanakszom. az s1 pontban, a bc108b emitterjén a 6,6V helyett 0V-ot mérek (bekapacsolva). A kollektorhoz eljut a 9V, a bázison pedig bekapcsolás esetén 7,8V körül mérek feszültséget. Itt kellene leellenőriznem a tranzisztort, vagy menjek tovább, mert nem ez lesz a hibás? Valamelyik oldalon olvastam, hogy a tápkörben lévő npn tranzisztor "be szokta magát áldozni"... Elviekben, cserélhetem ezt egy másik típusra, pl BC182-re? Előre is köszönöm a segítséget.
Szia!
Igen, kicserélheted arra a típusra.
A D11 es zéner diódán meg van e a +7,5 volt ? Ez a T11 bázisa lenne.
A C13 mas kondenzátor lehet még hunyó. És a T13 mas tranzisztor.
Szia! Zéner-en (T11 bázisán) 7,83V-ot mérek.
Holnap kiforrasztom, megmérem a T11-et.
Cseréltem bc182-re, most a gép tökéletesen működik.
Köszönöm a segítséget.
Szia! Úgy működik a kapcsolás ha a 150pF-es konditól kezdve lehagyom a hangkimeneti részt? Nekem nincs szükségem a hangra.
Nekem is van egy ilyen gépem. Hiányzott belőle az IC és a stabilizátor áteresztő tranzisztorát kellett cserélni. Most éppen BC337 akadt a kezembe. Most már tökéletesen működik.
A hozzászólás módosítva: Jan 27, 2015
Srácok, nem akarja valaki átírni Hi-tech C-re ezt a "Pong" játékot?
Szívesen tanulnék belőle...
Sziasztok! Én is szeretném ezt utánaépíteni. (majd ha odáig eljutok-egy két segítséget (kérdést) biztos fogok kérni. Gondolom a TV-nél az Ant in be kell majd csatlakoztatni. (az új Smart tv-n fog menni? Üdv!
Szia! Nem az antenna bemenetre. Ebben nincs modulátor. Sima video in bemenetre. (sárga RCA) Ha nincs ilyen akkor a scart bemenetre átalakítóval.
Szia! Köszönöm a választ!
Sziasztok! valamit nem értek a két rajzból. ez a nyákterv nem ehhez a rajzhoz van készítve?
A kérdésem stornó,észrevettem hogy a rajz 16F688 ra van tervezve.
Sziasztok! Csak szeretnék kérdezni.
Ebben a rajzban a 10 K poti? vagy a 4K7-es lesz az amit majd tekergetni kel játék közben. Baloldalt a kapcsoló "1-2 player speed" az gondolom 1vagy 2 játékosra fog szolgálni. A Fire az csak egy nyomógomb gondolom az mi célt szolgál? A fire azt tudom hogy tűz de ebben a játékban az is a fogantyúban kel lennie? vagy csak a potméter? A válaszokat előre is köszönöm!
A 4k7 trimmer csak a maximális kitérés beállítására szolgál, a 10k potenciométer mozgatja az ütőt. Gól után a kezdéshez kell a nyomógomb, a fogantyúkra kellene szerelni.
Anno vagy 30 éve én is megépítettem az AY3-8500-al, sajnos már nincs meg. Nekem a 4 ütős játék tetszett leginkább belőle. Tudtok olyan mikrovezérlős verziót ami ezt is tudja? Az sem lenne rossz, ha ehhez a labda mozgásirányának szöge is 4 féle lehetne, mint az eredetinél.
Sziasztok ! Aki megépítette rakna fel róla képet? mármint a markolta érdekel inkább,hogy mi is lenne a legideálisabb eszköz amibe be lehet építeni ezt a kis potit nyomógombbal együtt.
Üdv!
„Sziasztok! Után építettem én is ezt: Upong Egyenlőre csak dugdosós panelon.
Van egy olyan benne hogy a kép egy picit vibrál, de a másik hogy ha az ütők fent vannak mint a képen látszik is akkor kicsit az ütő teteje balra el van csavarodva. Ezt lehet valamivel korrigálni? A képfelbontást próbáltam mindhárom változatnál a TV-nél 4:3 , 16:9 meg automatikus széles. A hiba mindegyiknél előfordul. Valamivel lehet orvosolni? Válaszokat előre is köszönöm!”
Szia! Szerintem semmivel. LCD-tvje válogatja. Nálam kivételesen jó volt LCD tv-n. Képcsövessel 3 készülékkel próbáltam azikkal is jó volt. Lehet a sok drót is probléma.
Építettem egyet a klasszikus AY-3-8500-as IC-vel. Igaz vagy 30 évet késtem vele.
Szia! Köszönöm! Megépítettem rendesen,(mármint nem dugdosós panelon),ugyan az a mese.
És végül csak akkor görbül meg az ütő mikor legfölül van. Egyenlőre csak LCD- tv n próbáltam. (még kipróbálom rövid kábellel is). Üdv! |
Bejelentkezés
Hirdetés |



















