Fórum témák
» Több friss téma |
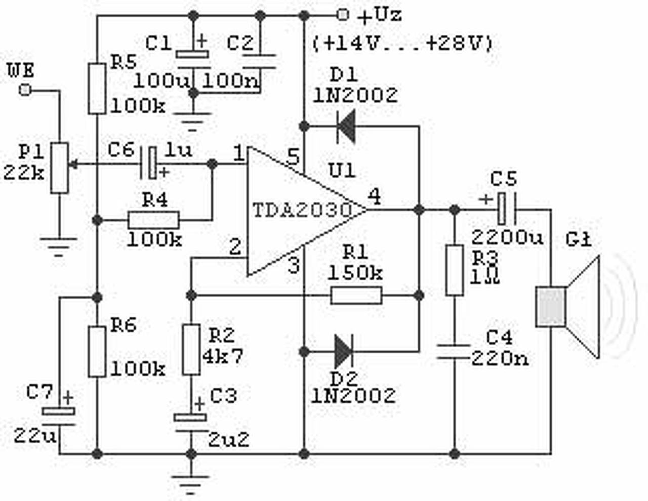
Szia, itt van pár újabb kép, jó lenne ha találnátok szarvas nagy hibát rajta (szakmailag nem nyugtatna meg, csak amúgy ha jó lenne végre a dolog....). Lefotóztam egy "rendes" combos 60VA trafót (Ok, nem toroid, de legyen már jó! :o) - hozzáteszem, hogy ez még a 2040-eket hajtotta, elvileg a 2030A-knoz is jó kell legyen (+- 17,2 V-ot kapok a pufferelés után, ez a gyárilag 22-őt kibíró 2030a-nak bőven meg kellene feleljen. Max a régi 18V-ig tűrő síma 2030-as sokallaná. Sajnos a valóságban egy-két MAR-os 2030A csont nélkül durrant ki tőle. A piros áthidalós panel az, ami MINDEN 2030A-val működik (már amelyik jó), nem válogatós. A másik (transzparens hangfalkábellel elkerült) a problémás, az válogat, alig 1-2 IC szólal meg benne jól. A rézfóliát, alkatrészeket is átnéztem, gyanúsakat cseréltem. Mint írtam az előzőekben, sokat variáltam a kritikusnak ítélt alkatrészek értékeivel is, nem sok eredménnyel. Viszont feltűnt, hogy Reloop tervén sok érték eltér pl. a gyári ajánlástól, nyilván tapasztalati úton tökéletesíthette a kapcsolást.
Az általa küldött (köszönet érte megint!) doksi alapján igyekszem megcsinálni a nyákot illetve elkészíteni azt a verziót (szimpatikus, hogy sztereo illetve hidalható is lehet könnyen a terv, így valóban egy 2.1 rsz-t 2 panellal meg lehet oldani). Illetve az adatlapon szereplő viccesen "hurkás" rajzolatú panelt is próbálom lemásolni (ez nem egy helytakarékos layout, de legalább elég távol a két ellentétes szélen vannak a be- és kimenetek. Várom észrevételeiteket! A hozzászólás módosítva: Feb 6, 2015
A TDA2030 Fan Club minden tisztelt tagjának küldeném ezeket, hátha akad benne újdonság...
Az első file a klasszik alappanel, én mint jó kiscserkész ezt (is) megcsinálom, mert mindent a legelejéről ugye. A továbbiakat változatos helyekről és időben lőttem, jó lenne kísérletezni velük. Van, amit próbanyárkra lehet megcsinálni, na ott aztán olyan a jelvezetés, amilyenre épp sikerül - valószínűleg mégis működik. Valahol ott van az a hosszúkás keskeny panel is, ami a hídbakötött 2030-ak végtranyókkal című dolog. Ehhez nagyon hasonló a Diszkónikás rajz meg panelterv, én azt megcsináltam már nyákilag, csak nagy levegővel be kellene ültetni és kipróbálni. Olvastam valahol, hogy az működőképes, volt már aki megcsinálta. Vannak butítottabb verziói, azok gerjedékenyek...merthogy állítólag hiányzik belőlük pár kondi és ellenállás tag a tápok környékén... A BSS elektronika lapján is szoktam nézelődni, bár ott néha találkozni sajtóhibás dolgokkal, érdemes átnézni, időnként felülbírálni - van hogy a kommentekből is derül ki egy-két helyesbítés. A hozzászólás módosítva: Feb 6, 2015
Szerintem ez a panel így ahogy van oszcillál.
A panelen lévő két tápszűrő kondi ki onnan majd helyére 100mikró azzal párhuzamosan egy -egy 100nanós kerámia. Illetve javasoltam a hűtőborda testelését amennyiben el van szigetelve az ic. Jajj majd el felejtem hogy a 100 nanó legyen az ic lábához legközelebb. A panelen lévő kondi értéke ne legyen nagyobb mint 220mikró de inkább 100 mikró az ajánlott. Sajnos mostanában tapasztaltam én is hogy 470mikrós kondi inkább pufferelt mint szűrt volna , de hogy mi a frázért nemtudom. 220mikrót téve a helyére meg rendbejött. A hozzászólás módosítva: Feb 6, 2015
Ójajj! Nem a NYÁK-rajzolat keret nyírja az IC-idet?
A 4-es láb mellett abban a gyantakupacban bármi megeshet, a GND-vel meg gyanúsan összeér. A jó panelen szakadozott a keret, az viszont megy is.
Nézd csak meg jobban a rossz panelen a jobb (szemből nézve a forrasztási oldalt jobb ) oldalon az a két alsó forrasztást!
Hmmm, köszönöm a sok ötletet, lehetséges....érdekes, hogy pont a Mikroshop-on írták, valahogy így, hogy "...a gyártó ajánlását túlteljesítve 470µF a tápszűrés és nem hagyható el..." valami hasonló. Ezek szerint akkor mégsem jobb a nagy kondi? Bevallom, én 1000 mikroig elmentem vele próbaképp (hátha a nagyobb a jobb, de persze nem lett pozitív változás....).
Azért még egyszer mellékelem a gyári papírt (igaz, ez a 2040-é, de azt hiszem a kimeneti RC-tag kivételével minden (még a panel is) ugyanaz. Ott van párhuzamos 100-100nF a 470-es kondiknál. Akkor ezeket teszem majd közelebb az IC-hez, meg lecsökkentem az elkók értékét 100-220µF-ig.
Hát basszus....de lehet, hogy ez a baj!
Néztem én, hogy mi a frásznak az a csík (nyilván maratás után a kis panelek darabolását segítené, mint keret (?)), de ez így tényleg veszélyes lehet. Le is satírozom Dremellel, minek az oda? Gyantakupacok tényleg csúnyák, át is forrasztok mindent rendesen (idegességemben valószínűleg "nagyvonalúan" adagoltam a cint, meg volt amit nem akartam sokáig melegíteni - de persze ez nem mentség...). Nagyon köszönöm az építő javaslatot, tisztázom!
Biztos, hogy nem szabad megszakítani a földet. Munkapont elszáll.
Nem igazán értem, hogy mit szerettél volna közölni ezzel a hozzászólással.
Pixelsnek válaszoltam... A nyilat nézd felül.
De az ő javaslata szerint megmarad a föld, csak a topológiája változik, mert a jelenlegi panelen ez a megoldás nincs a helyzet magaslatán.
Ez a nyák nem annyira rossz topológiailag, hogy ne működjön. Szombathelyen ez a Pedro féle bolt? Garantálom hogy a nyák működik. Ismerem az embert, saját maga tesztelte az összes KIT-et amit árult. Bővebben: Link
A hozzászólás módosítva: Feb 6, 2015
Újra végig néztem a képeidet. A föld megszakítása a bemeneten nem helyes. a " külön földelővezeték" rossz helyre van forrasztva, egyértelműen látszik a képen.
A hozzászólás módosítva: Feb 6, 2015
És jó hír! Siker, az erősítő rész újra működik.
Viszont további probléma merült fel, mégpedig a bemenet választó(5.1-2.0) körül nem érkezik a panelre jel (ha kötök a panelre akkor működik rendesen) de még üzem szerűen nem. Hétfőn lesz csak időm akkor átnézem hogy ott mi van.
Kedves Reloop, a Jóisten áldja meg a szemedet, az a nyavalyás csík okozta a bajt, mostmár egyértelmű!
Körbe leegyeltem Dremellel, és láss csodát, elmúlt ez a gerjedős-torzításos jelenség a panelen. Tanulság mindenkinek, aki ilyen kit-et rendel (némileg meg fogom követni a Mikroshop-ot, de nem 100%-ban, lásd majd alább...) Az ilyen panelekről lehetőleg még beültetés előtt (kifúrás környékén, még a végső zsírtalanítás, megcsisszantás előtt), mindenképpen ajánlatos ledarálni az a (valószínűleg a tömeges gyártás miatt, a nyákok szétvágását megkönnyítendő) vékony - és persze szintén vezető! - vonalkát! Ilyen galibát tud okozni, mint nálam tette (pedig azt hittem nem ér hozzá sehol a forrasztás, dehát ezek szerint mégis...) Természetesen azért nem hagyom ennyiben a sok építő javaslatot, és szisztematikus ember lévén mindent ki fogok próbálni.
Nos tovább ütve a vasat, megcsináltam a javaslataidat.
Talán valamivel stabilabb lett a cuccos, ez úgy nyilvánul meg, hogy teljes kivezérlés környékén sem száll el annyira - magyarán nem grízesedik be a hangja ott, ahol már az adatlap szerint is megnövekedne a tok torzítása....legalábbis én ilyesmit hallok a modifikálások után. Persze minden az előzőekben írt javaslatotokat is kipróbáltam így, a megfejtett panellal. A 3-mas és 5-ös láb közé javasolt, teljes tápvonal szűrést bitosító elkó-fólia kondit benthagytam. A hűtőborda is a földre került (nem, végül is nem odavágtam, hanem leföldeltem:o) A hozzászólás módosítva: Feb 6, 2015
Igen, ez a Mikroshop és a Pedro boltja szerintem egy és ugyanaz. Déri Csaba, Szombathelyen, most költöztek, szegénynek eléggé a feje tetején állt mindene, de összeszedte a kiteket mikor nála jártunk.
Ő is és a boltja is komolynak tűnt, én eléggé kivoltam, hogy miért nem megy a kit. Annyit elismerek, hogy én voltam balfácán, amiért otthagytam csapdának azt a keretező vonalat körben....de úgy vélem, erre nekik is oda kellene figyelniük, mert így a nálam is lámább srácok nagyon meg fognak szenvedni az élesztéssel (hacsak nem olvassák végig ezt ugye...) Ami azonban továbbra is gáz, hogy kaptunk a csomagban pár tök rossz értékű alkatrészt, pl. pont a kimenő pár ohmos ellenállás helyett ugyanannyi kiloohmosat, a párszáz-nanos fóliakondi helyett pedig elkókat (kezdők megint hátrányban, de OK, ezt a bolt költözésének számlájára írtam). De a mindkét 2030A eldurranását (max. tápfesz közelében sem, és nem zárlat, mert a cseredarabokkal működött, semmi sem változott közben) nem tudom, csak alkatrészhibával magyarázni. Ennél a pontnál kezdtem gyanakodni a marokkói csodákra, ebből még 2db szállt el ezek után, érthetetlen körülmények között...hmmmm. Alább egy összehasonlító fotó, balról kezde a MAR-os, középen a CHN-es és végül jobbra a mittudomén-milyen de majd' duplaannyibe kerülő 2030A. Utóbbi elég atom, még a gázos panelban is másképp szólalt meg (strapabíróbb? ill. jobb a specifikációja, nem annyira háklis a környezetére? rejtély...) Szóval összességében jó tanulópénz egy ilyen, amit megtanultam, hogy nem éri meg megspórolni a nyák készítés munkáját, mert esetleg jobb eredményt érhetünk el egy saját, átgondolt topológiával illetve ha nincs ennyire összezsúfolva minden, még kivitelezni is könnyebb...
Nincs ezzel baj, de akkor már látod miért írtam hogy nem életszerű a hamis IC-vel kapcsolatban lévő feltételezés. Mindenesetre keretet nem fogok tervezni a nyákjaimra
. Jó zene hallgatást!
OK, gondoljuk át...most ugye a bementetnél a fólia megszakítása miatt azon a bizonyos kék kábelen megy a föld az árnyékolt kábel földje mellé a csokiba, méghozzá a táppanel nagy elkóinak közös földjétől.
Ha ez nem jó, akkor hová kössem?
Szia! Örülök, hogy végül sikerült kideríteni a hibát, és hogy jól működnek most már a paneljaid! Jó tanuló kör volt, de sok tapasztalatot szerezhettél a történtekből, és nem utolsó sorban zenét is tudsz már hallgatni
.
Brummos? Ha nem és jól szól akkor hagyd így.
Ha fa dobozba teszed, akkor árnyékolt vezetékkel mehetsz az RCA-ig és akkor jó a nyáknál a föld.
Tök igazad volt, nincs ennyi hamis meg rossz ICm (most összegyűlt jónéhány, majd lesz mit építeni....). Mondjuk 4 mínusz, de abból a szériából már nincs több...a Konthás és a HQs adag viszont jó.
Igen, a keret az rossz...:o( És biztosan lesz jó kis zenehallgatás, egy erősítő a barátaimé lesz Pécsre, egy meg a kislányomnak amolyan asztali bluetooth-os boom-boxba (mint a holland Thodio, csak persze egyszerűbb és nem olyan szép famunkával)... meglátjuk - és köszönöm a tanácsaidat!
Hát meglett végre a rákfenéje, pedig gondolhattam volna én is rá előbb....Nektek köszönhetően kiderült, és mellé még sok más hasznos dolog is!
Annyira nem vette el a kedvemet, hogy belevágok más konstrukciókba is (pl. a Reloop-féle verzió), van még ezen kívül 1-2 STK077-em a középkorból, és be fogom fejezni 2030-ból a végtranyós meg hídbakötött változatot is... A zene pedig csak szól és szól....:o)
Nem, egyáltalán nem brummos, még az a kis alapzaja is elmúlt, ami volt eddig...igen, fadoboza lesz, legalábbis az egyiknek (Thodio-klón), úgyhogy úgy lesz, ahogy írtad.
Valaha mintha erre ment volna a TIP35/TP36 páros. A BD-k elődje ...
Nekem mindenképpen olyan megoldás kellene, ami szimmetrikus táppal megy.
Magyarul - legalább 2x15 V-al. A tápegységem magában már készen van, a trafója egy orosz 5 A-es (és középleágazásos) KEDR akkutöltő trafója.
Sziasztok! Van egy kis Sony "hifim", dvd-s mindenes, nagyon szeretem, de a hangja nagyon gagyi. A végfok D-osztályú TDA7492. A hifi egyébként Sony HCD DX400A. A segítségeteket abban kérném, hogy milyen végfok IC-re lehetne ezt kicserélni, ami egyrészt nem D osztályú, másrészt THD 0.1% nem pedig 10%. Más szóval milyen végfokkal szólna sokkal szebben? Előre is köszönöm mindenkinek aki próbál segíteni! Üdv, István
Szia! Látom nagyon foglalkoztat a kérdés, hogy ide is beraktad.
Sem a táp, sem a rendelkezésre álló hely nem teszi lehetővé, hogy komoly átalakítást végezz. A végfok forrásjele szerinted van olyan minőségű, hogy érdemes egy kategóriával jobb erősítőt építeni hozzá? Esetleg kihozhatod C220 és C221-től és meghallgatod külső erősítőn.
Nézd meg hogy hol lehet kihozni belőle RCA-n a jelet. Utána bármijen kit jó lehet, de én építenék hozzá egy pár wattos külső erősítőt. Ez táp miatt is kérdés.
|
Bejelentkezés
Hirdetés |



















Viszont további probléma merült fel, mégpedig a bemenet választó(5.1-2.0) körül nem érkezik a panelre jel (ha kötök a panelre akkor működik rendesen) de még üzem szerűen nem. Hétfőn lesz csak időm akkor átnézem hogy ott mi van. 






