Fórum témák
» Több friss téma |
Fórum » Egyfázisú villanymotor fordulatszám szabályozása
Témaindító: mikado, idő: Okt 25, 2005
Témakörök:
Ezt miből tudom majd megállípatni, hogy milyen is a motor? Nem tudom van-e rajt adattábla.
Ilyen: Bővebben: Link motorhoz keresek fordulatszám szabályozó rajzot. Mert még az ezer liter/óra is sok amit tud. Köszi!
Köss vele sorba egy megfelelő teljesítmény ellenállást. A páraelszívókban is van egy direkt és 2 ellenállás a 3 fokozathoz és passz. Nem érdemes sokat szenvedni vele.
Ha váltakozó áramú, akkor egy megfelelő nagyságú dióda is megteszi.
Idézet: „Ha váltakozó áramú, akkor egy megfelelő nagyságú dióda is megteszi.” Csak, ha szénkefés a motor.
Sziasztok! Pc vízhűtéses pumpát szeretnék szabályozni ventilátor szabályzóval . A gondom az, hogy a szivatyú 20W-ot vesz fel, a szabályzó viszont kb 7-8 w csatornánként. Megoldást jelenthet-e az, ha a hűtőbordát nagyobra cserélem, a vezérlőn?
Hali,
Sokallom azt a 20 wattot. Nekem ami van vízhűtő rendszerben pumpa, az 4,2 wattos és tökéletesen teszi a dolgát, és még 3 volttal is forgatja a vizet szépen. Maximumon is csak 8V-ra korlátozva egy DCDC szabályzóval a venti és a pumpa feszültsége, és így is bőven jó. Igaz a venti is még jól fújja a levegőt 3 volton. Csak a ventiknél kérdés melyik megy 3 volton, mert a vízhűtő gyárija már nem ment 6V alatt. Ezt mindent ki kell próbálgatni.
sziasztok!
A tervezési munka gyorsítása érdekében szeretnék segítséget kérni. Van valakinek ötlete és/vagy kész kacsolása, 0-5V bemenőjellel vezérelhető fázishasításos szabályzóra. Előre is köszönöm!
Szevasz!
Teljesítmény mindegy??? Vannak motorok, amik nem szeretik ezt az üzemmódot, és 40% alá nem vihető semmilyen körülmények között a fordulat. Üdv: StMiklos
Egy kb. 30W-os elszívó ventillátorról van szó.
Ezek a motorok tapasztalatom szerint jól bírják a lassítást. Közel állóra lehet lassítani őket. Csak nem akarom megvenni a gyári szabályzót. Elvben minden van a fiókban. Néhány ötletem is van, csak keresem a legjobb megoldást. Általában a legbonyolultabb végén fogom meg a dolgokat.
Szervusz!
Egy közönséges dimmert akként kell átalakítani - csökkenteni a poti értékét - hogy a színusz csúcsától és ne a nulla átmenettől induljon a szabályozás. Párszáz wattos elszívó motorokat szabályoztam vele, tökéletesen működik. A gyárin megnéztem a hasítás mértékét és ennyi... A triakot RC taggal és VDR-el át kell hidalni az induktív pofozkodás kivédésére.
Szervusz!
Van kifejezetten motorok hajtására tervezet gyári dimmerem. A problémám annyi hogy a potit ki akarom dobni belőle, és feszültség jellel akarom vezérelni.
Próbáld ki a fényellenállásos optocsatolót potméter helyett: Bővebben: Link. Tokozott optocsatolót is találsz, ami fényellenállásos kiviteltű.
A hozzászólás módosítva: Dec 27, 2014
Egy kis szervo és 1-2ms közti vezérlés neki... Ő majd tekeri a gombot.
Sziasztok! Egy kis segítség kellene. Van egy mosógép motorom. Csúszógyűrűs 380 w 15000 fordulattal, ha jól gondolom 3 tekercs van benne 1 mosás és két centrifuga. Ebből a legmagasabb fordulat kellene úgy, hogy tudjam fokozatmentesen állítani a fordulatát. Kérdésem, lehet-e valamely fúró, illetve porszívó elektronikájával ezt szabályozni? Ha nem akkor kérhetnék egy nem túl bonyolult rajzot, amit talán eltudnék készíteni, 800-1000 w kellene!
A segítséget előre is köszönöm.
Szia!
Ha szénkefés, akkor egy egyszerű porszívószabályzóval állíthatod a fordulatszámát.
Ennek nagyon örülök! Még egy kérdés tudnál ajánlani egy strapabíró poti fajtát ami nem kopik el egyhamar?
Idézet: „Csúszógyűrűs 380 w 15000 fordulattal” Kizárt dolog. A csúszógyűrűs motor (bár vannak leszedő keféi) az asszinkron (legfeljebb szinkron) motor, legnagyobb fordulatszáma 50 Hz -es hálózaton 2800, 2900 ford/perc, és mosógépben ilyet még nem láttam, már a méreteinél fogva sem. Valószínűleg összetévesztetted a kommutátoros motorral, aminek szintén vannak keféi, de gyűrű helyett kommutátor szeleteket használnak, és univerzális soros motornak hívják. A hozzászólás módosítva: Feb 28, 2015
Igen igen, igazad van kommutátoros!
A hozzászólás módosítva: Feb 28, 2015
A csúszógyűrűs asszinkron motorok általában nagyteljesítményű motorok (50 kW, és felett), amiket a nagy indítási áramfelvétel miatt még csillag deltában sem lehet elindítani. A csúszógyűrűkre kapcsolt ellenállásokkal viszont szépen, lágyan lehet indítani, és mikor elérte a névleges fordulatszámot, akkor zárják rövidre a forgórészt.
Sziasztok!
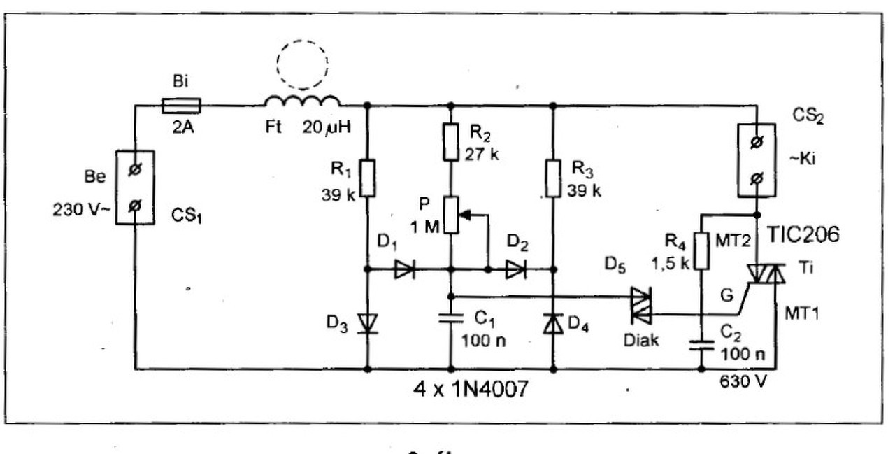
Varrógéphez kellene fordulatszámszabályzót építenem. A géppel hímezni szeretne a tulajdonosa. A beállított (kitapasztalás után) fordulatszám menet közben nem változik a pedál csak be/ki kapcsolás funkcióját látja el. A motor kommutátoros, kb 90W teljesítményű (nem asszinkron). A kérdésem az lenne hogy a mellékelt kapcsolás alkalmas lenne-e a feladatra. Ha esetleg valaki épített már hasonlót, hasonló célra, és megosztaná a tapasztalatait az is segítség lenne. Ilyesmi a motor
Szia!
Ehhez, ilyenhez van szabályozó pedál, érdemes lenne megnézni a használtpiacon. 5-6ezerért van. A pedálos ki-be kapcsolás a biztonság miatt is fontos. Maga a mutatott kapcsolás minden bizonnyal megfelel, ez ugyan nem nyomatéktartó, de nem is igazán szükséges varrógéphez, egyszerű munkára - anyagvastagságra gondolok. Kipróbálnám aszt is, mi van, ha 1 db diódán keresztül táplálom meg a motort, hátha jó. ...és 10.-Ft-ból megvan. kb. 70%-os fordulatot eredményezhet.A szabályozós pedál esetében meg egy mechanikus határoló - csavar - és már mehet is... A hozzászólás módosítva: Márc 4, 2015
Hímzéshez fontos a megfelelő, kényelmes fordulatszám beállítása. Pedállal ezt nehéz tartani, ha ütközöcsavar van a padálon akkor azt menet közben nem tudja megfelelőre állítani, illetve nagyon körülményes. Egy kéznél lévő, dobozba épített, elektronikus szabályzó potméterrel a megfelelő megoldás. Az illető használt világításhoz készült gyári szabályzót, de az tönkre ment. Ahhoz hasonlót szeretne. Ha a mellékelt kapcsolás jó, akkor megépíteném.
Porszívóból kitermelt szabályzó is megfelelne talán, de olyanom sajnos nincs.
Hello! Az R4 ellenállást cseréld (egy testes) 100ohm-ra. Mert a másfél kiló semmit nem ér..
Köszi a tippet.
2W elég? Gondolom akkor szerinted működőképes a kapcsolás.
Ha gondolod, a világítás szabályozót is megjavíthatod, valószínű egy triakcsere, és egy RC tag kell pluszban, hasonlóan a rajzhoz...
A párhuzamos RC tag fontos, valamint egy VDR ellenállás se árt, rossz PC tápokban van olcsón.
Azt mindenképpen megnézem hogy javítható-e.
De attól függetlenül megépítem.
Ránézésre működnie kellene.. Ellenállásból igazából impulzus tűrő kellene, de szerintem elég lesz.
|
Bejelentkezés
Hirdetés |





