Fórum témák

» Több friss téma
Fórum » Motor forgásirányának megváltoztatása
Lapozás: OK   2 / 15
(#) patexati válasza Balázs hozzászólására (») Dec 29, 2007 /
 
Ja csak én álltalánosítottam!
(#) semseyp hozzászólása Dec 30, 2007 /
 
Üdv Mindenkinek!

Ismét lenne egy megoldandó problémám, mégpedig:
Egy DC motor forgásirányát kell változtatni, mégpedig úgy, hogy adott egy állandó +7 V, és egy-egy test kapcsolása, a forgásiránynak megfelelően. A gyakorlatban ez úgy néz ki, hogy van 3 drótom, egy fix +7 V-tal és amikor a táviányító botkarját felfelé nyomom, akkor az egyik dróton van test, amikor lefelé húzom, akkor pedig a másikon.

Készítettem egy kapcsolási rajzot, ami egy relés megoldással cseréli a polaritásokat a motor csatlakozóin, de nem vagyok benne biztos, hogy működőképes... és abban sem, hogy lesz-e elég hely a tank tornyánaban a két relé elhelyezésére. Esetleg ez megolható tranzisztorokkal is?
(#) Norberto válasza semseyp hozzászólására (») Dec 30, 2007 /
 
FET-ekkel ez simán megoldható feladat!

(A FET is tranzisztor.)
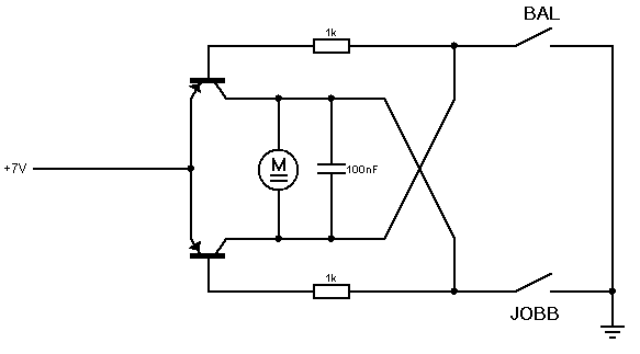
(#) kobold válasza semseyp hozzászólására (») Dec 30, 2007 / 4
 
Ha a botkar érintkezője elbírja a motor áramát (valószínűleg igen, elég kis motor lehet egy tank tornyában, gondolom, modell), akkor a csatolt ábrán lévő kapcsolás elég, és alig kell neki hely.
Két tranzisztor kapcsol, a vezérlésüket ugyanúgy a botkar végzi. A motor tranzienseinek levágására van benne egy nem polarizált kondenzátor, azt célszerű beletenni, nehogy a tranzisztorokat tönkretegye.
Tranyót aszerint kell választani, mekkora a motor áramfelvétele üzem közben (7V / motor tekercsének ellenállása, meg a biztonság kedvéért 1.5 - 2-szeres szorzóval túlméretezés).

motor.gif
    
(#) Lucifer válasza semseyp hozzászólására (») Dec 30, 2007 /
 
Vazz...
Van tizenhétezer H-Hidas topik, van még ugyanennyi motorvezérléssel foglalkozó topik. De neked muszáj volt most újat nyitni. Továbbá ott van Mspike cikke ami pont erről szól. Nem hiszem el, hogy ennyire nehéz használni a keresőt. Másrészt meg fel kellene nőni... Relé, relé. Mondjuk ezt 2007 végén.... Olvasd el Mspike cikkét, vagy a codexonline.hu-n az LPT portos cikksorozat ide vonatkozó részét.
(#) semseyp válasza kobold hozzászólására (») Dec 30, 2007 /
 
Köszönöm kobold! Megcsináltam és tökéletesen működik!!! Bár nem is kételkedtem benne, hogy nem fog.

Kedves Lucifer, elolvastam a cikket, és megnézegettem az erről szóló topikokat, de az én nagyon minimális hozzáértéssemmel egyiket sem tudtam alkalmazni az én problémámra. Gondolom azért az kiderült neked is, hogy még véletlenül sem vagyok szakmabeli. Csak az alpfogalmakkal vagyok tisztában. Szóval elnézésedet kérem, ha ezzel inzultáltalak.
(#) devil2006 hozzászólása Jan 26, 2008 /
 
Szisztok.

Lenne egy megoldandó problémám. Adott egy Seagate ST-225 vinyó motorja és elektronikája. A motor forgásirányát szeretném ellenkezőjére változtatni ha lehetséges.

Előre is köszi
üdv: devil2006
(#) kobold válasza devil2006 hozzászólására (») Jan 26, 2008 /
 
A motor kibontásával, vagy kompletten (az elektronikát is használva) szeretnéd?
Az első esetben a tekercsek polaritásával kell játszani, ehhez ki kell mérned, hogy konkrétan milyen jellegű motor van benne.
Ha meghagynád az egészet, és kívülről vezérelnéd, akkor megoldást nem biztos, de kiindulópontot adhat ez a lap, meg az ott található linkek. Ha működik az ott leírt módszer, akkor az IDE-csatlakozón keresztül tudod a motort hajtani (persze a táp is kell neki).
(#) devil2006 válasza kobold hozzászólására (») Jan 26, 2008 /
 
én fixen meg akarom fordítani a fordulatott. Nem akarok játszani vele utána, csak az a bajom hogy az óramutató járásával ellenkezően forog és nekem megegyezően kéne hogy forogjon.
Meglesem adatlapot azé THX
(#) Dióda hozzászólása Feb 5, 2008 /
 
Szevasztok!

Egy problémám ugrott be hirtelen.Van egy régi centrifugából bontott motor ami felhasználásra vár csak épp a forgásiránya nem jó.A motor kondenzátoros de akárhová kötöm a kondit , értem én fázis vagy 0-ra mindenképp ugyanarra forog. A motorból 3 vezeték jön ki és próbáltam már a közvetlen tekercsek fordított bekötését is de ez mindig ugyanarra indul el.
Találkozott már valaki ezzel a problémával?
(#) kaqkk válasza Dióda hozzászólására (») Feb 5, 2008 /
 
Azt próbáld meg hogy a kondin lévő (fázis vezetéket )
kösd át a kondi másik kivezetésére

1- be-0
2- be- fázis+kondi
3-be -segéd fázis+ kondi
ha a bejövő fázis vezetéket átkötöd a segéd fázis tekercsre meg kell fordulni az iránynak.
(#) Dióda válasza kaqkk hozzászólására (») Feb 5, 2008 /
 
Nem tudsz ehhez egy skiccrajzot legalább?
(#) aflmor válasza Dióda hozzászólására (») Feb 5, 2008 /
 
ITT is olvashatsz róla


Rajz
(#) Dióda válasza aflmor hozzászólására (») Feb 5, 2008 /
 
Aham , jelentem ezt megcsináltam de ez akkor is ugyanarra forog.Vagyis én úgy csináltam hogy a kondi eggyik kivezetése rajta van a középsőn és a másik kivezetést tettem a 0-hoz és a fázishoz de mindkettőnél ugyanarra forog.
(#) proba válasza Dióda hozzászólására (») Feb 5, 2008 /
 
A segédfázis fixszen az egyik kivezetéshez van kötve a motoron belül (szerintem) akkor csak szétszedés után forog korrekten a másik irányba.
(#) Dióda válasza proba hozzászólására (») Feb 5, 2008 /
 
Nem értelek !
Kijön a vezeték a motorból és virít rajta a kondi de a másik végét a kondinak ha a 0-ra ha a fázisra teszem ugyanugy forog.
(#) kaqkk válasza Dióda hozzászólására (») Feb 5, 2008 /
 
A betáp 1 csak magában van.kék ez marad.
a 2 .a kondi egyik kivezetése és a motor, barna
ezt kösd át a kondi másik kivezetésére
(#) Dióda válasza kaqkk hozzászólására (») Feb 5, 2008 /
 
Magyarul fordítsam meg a kondit?
(#) proba válasza kaqkk hozzászólására (») Feb 5, 2008 /
 
Ha ez van a motorodba forgathatsz mindent mindenhova csak akkor változik a forgásirány ha a középső összekötést szétszeded (szerintem )

motor.JPG
    
(#) Sebi válasza Dióda hozzászólására (») Feb 5, 2008 /
 
proba jól írja. Meg kell keresni a segédfázis-tekercs (amire a kondi eredetileg kötve volt) másik végét is, ami lehet hogy már a motortesten belül van összekötve a főfázis-tekercs egyik végével. Tkp. ennek a segédfázis-tekercsnek a két végét kell felcserélni.
(#) Dióda válasza Sebi hozzászólására (») Feb 5, 2008 /
 
A fene egye meg .

Mindig ennyire bonyolult dolgokba botlok .

Valami más megoldást esetleg nem tudtok rá?
(#) kaqkk válasza Sebi hozzászólására (») Feb 5, 2008 /
 
A -0 van a két tekercs közös kivezetésére kötve.
A másik 2 kivezetés közé van kötve a kondi .
Ha a felső kivezetésre kötöd a fázist -bal
Ha az alsóra -jobb.
(#) Dióda válasza Dióda hozzászólására (») Feb 5, 2008 /
 
Apropó mi van ha az állórészt ami egy gyűrű végülis megfordítom a motorban?
Attól megváltozik a forgásirány?
(#) kaqkk válasza Dióda hozzászólására (») Feb 5, 2008 /
 
Kár szétszedni ! Csak a bejövő vezetéket tedd át a kondi
és a motor másik közös kivezetésére !
(#) Dióda válasza kaqkk hozzászólására (») Feb 5, 2008 /
 
Rajzold meg lécci mert így nem vágom hirtelen hogy gondolod.
Most elmondom mégegyszer . van a 3 kivezetés ezek közül egyen rajta lóg a kondi ez esetemben kék színű, plussz van egy fekete és egy piros amire megy a 220.
Akár a 220-at kötöm fordítva akár a kondit teszem vagy a piros vagy a feketéhez mindenképp ugyanúgy forog a motor.
(#) aflmor válasza Dióda hozzászólására (») Feb 5, 2008 /
 
B+ Elnéztem az előbb :eek2:
Ha belül "el van kötve" akkor nincs rá mód. Az áram irányát kell megváltoztatni a tekercsekben, egymáshoz képest. Ezt a segédfázistekercs végeinek felcserélésével érheted el. Csak a tekercs végei, jelen esetben nem elérhetőek... BONTÁS :yes:
(#) Dióda válasza aflmor hozzászólására (») Feb 5, 2008 /
 
De lehet hogy egyszerűbb az állórészt megfordítanom nem?
Mivel ez a motor most volt szétszedve és azon filóztam hogy a belseje egy sima tengely és körülötte van a tekercs mint egy toroid amit a két motorvég"csapágyház" rész fog össze. Mi változna vajon ha megfordítanám a tekercset kompletten?
(#) kaqkk válasza aflmor hozzászólására (») Feb 5, 2008 /
 
Ne bontsd meg mérd ki a közös kivezetés és a másik két vég között kb egyforma ellenállást mérsz ,íde kötöd az egyik betáp vezetéket (kék)
a másik kettő közé bekötöd a kondit és attól függ a forgás irány hogy a kondi melyik végére kötöd a betápot (barna)

De az is elő fordulhat hogy 3 tekercses csillag bekötésű a motor akkor
2 kivez közé a kondi .az egyedül maradóra az egyik (0)
Akondi és a motor közös kivezetése egyik oldal egyik irány
másik oldal másik irány
(#) aflmor válasza kaqkk hozzászólására (») Feb 5, 2008 /
 
Idézet:
„az is elő fordulhat hogy 3 tekercses csillag bekötésű a motor”
Nem fordulhat elő! A centri 2 fázisra van tekerve.
(#) kaqkk válasza aflmor hozzászólására (») Feb 5, 2008 /
 
" 2 fázis" kérdezz meg egy tekercselőt ! 1- 3 fázis de 2??
El hiheted hogy van 3 tekercses centrifuga motor !
Következő: »»   2 / 15
Bejelentkezés

Belépés

Hirdetés
XDT.hu
Az oldalon sütiket használunk a helyes működéshez. Bővebb információt az adatvédelmi szabályzatban olvashatsz. Megértettem