Fórum témák
» Több friss téma |
Azt még nézd meg a szupresszor adatlapján, miféle előírt hűtésnél érvényes a PD... - a lábakra hány cm2 fólia kellene..
- nemám csak úgy...Esetleg megteheted azt is, mert nem drágák, hogy 2 db-ot használsz 2x akkora és fele wattos ellenállásokkal és a 2 egységet párhuzamosan rakod be.. megoszlik a tüske teljesítménye.
Jó kis tölcsér kialakítás. Grat!. Én most jelenleg tölcsérbe szereléssel küszködök (eddig minden variáció égett vagy olvadt prespán/bakelit kombó is...). Ha valakit érddekel: Az RF árnyékolást 1mm vastag vas rostalemez kalitkával oldottam meg mely a védőföldbe van kötve. Így jelentős csillapítás érhető el és lényegében nem zavarja az AM sávot.
Ezt a diódát vettem Bővebben: Link kb 20-30 másodperc után nagyon felmelegszik és egy kicsit elkezd füstölni is.
"a lábakra hány cm2 fólia kellene" ezt, hogy értetted ? Bocs nem vagyok annyira jártas ezekben a dolgokban de nagyon érdekelnek és szeretném megérteni meg még mindig nem állít semmi észlehetőt az R9-es poti pedig kicseréltem 25K-s ra és zajos is még mindig
Próbáld meg ezzel majd... P6KE180A
Az adatlap 3. oldalán látsz egy ábrát, arról beszélek.. lead temperature. Az R9 poti a frekit állítja, változatlan marad a kitöltés arány... próbáld a 4 lábra menő potit variálni, DTC... holtidő, kitöltés beállítás. A hozzászólás módosítva: Jan 24, 2015
Mi ez az alkatrész temető a primerrel párhuzamosan? Oda 1 darab ellenirányú dióda kellene, meg esetleg egy kis szűrőkondi.
Ja értem, köszönöm!
+ ventilátorral meg küldöm remélem úgy jobb lesz. Zajra valami megoldás ?
Ha próbáltad a másik potit és semmi hatás, akkor nincs.
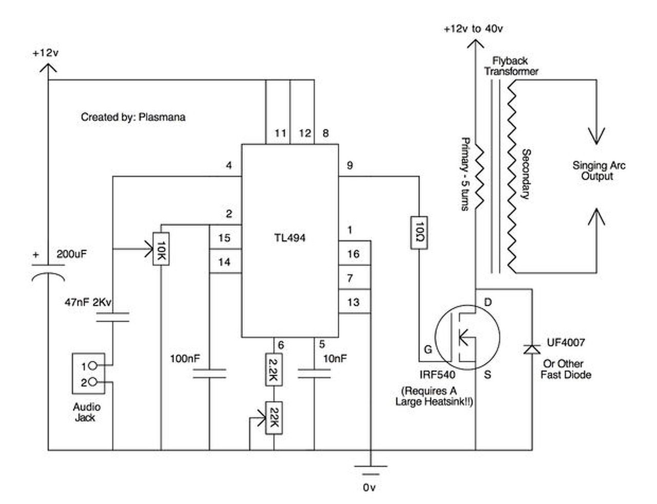
Helló meg építettem a plazmahangszórót és nem akar működni nem is gyúl ki az ív és két táp szükséges hozzá
Rajzold le rendesen, mit alkottál, feszültség és áramértékekkel, esetleg szkópképpel, ne totózni kelljen. Hiába linkeled be egy már üzemelő rajzát, a tiéd valamiért nem ugyanaz, mint az.
Ebből aztán sok nem látszik... egy jól működő prototípus után beraknám már az smd IC-t, de így?
Senki nem fogja feltérképezni, a kapcsrajz szerint alkottad-e meg az egészet. A "nem működik" egy dolog - elolvastad, amit kértem? Mások is ezt fogják mondani, kérdezni... Próbáld meg mégegyszer értelmezni és válaszolj mindenre. Még beteheted a felülnézeti fotót is ráadásul. A feten pedig legyen vmi hűtőborda is, ha nem lenne. Jöhet esetleg egy freki érték is a TL kimenetén, egyáltalán megy-e.. A hozzászólás módosítva: Márc 10, 2015
Hűtő borda van rakva csak nem tudom hogy milyen feszültségen működik
??? milyen tápot kap az IC és milyent a fet?
A fet 10A és az ic pedig 3A körül és a 10A trafó pedig rögtön zúg mint az őrült mikor rákötöm és milyen vastagságú kábel kell az 5 tekercsnek
Az IC 3 amper körül már rögtön szétrobbanna, rosszul mérsz vmit..
A fet 10 ampere pedig valszín azt jelenti, hogy vagy nincs impulzus a gate-n, hanem DC és tkp. rövidrezárja a trafón keresztül a tápot, vagy túl nagy a kitöltés, kicsi az induktivitás és alacsony a freki nagyon. A primerbe elvileg elég lenne kezdetnek 1 mm^2 keresztmetszet. Mérj frekit FET nélkül a TL kimenetén és normálisan mérd meg a tápjából felvett áramát.. A hozzászólás módosítva: Márc 10, 2015
Megjegyzéskét hozzáteszem, hogy mikor először ilyen problémába ütköztem, hogy zúg a trafó akkor meghalt a FET, átment rövidzárba 10 másodperc üzem után (bármilyen kombinációban mértem multiméterrel diódaállásban mindenhol rövidzár volt). Snubber kör nélkül a 250V/35A FET simán feladja (párhuzamosan kötve kettőt valamelyest jobb a helyzet, de nyilván a jóval magasabb feszültségű tranziensek nem oszlanak meg, szvsz a feszültségtüskék "kinyírják" a tranzisztort.).
Snubber "mit, hogyan-t" ferci vagy az én előző hozzászólásaim között találsz. IRFP460-as tranziszor emlékeim szerint jól bírta a gyűrődést. A hozzászólás módosítva: Márc 10, 2015
Mostanra jutottam el odáig, hogy be tudtam szerezni szkópot. A feltöltött kép mutatja a drain-source (test) jelalakot és amplitúdót. Nem vagyok profi a kezelésében, de a feltöltött képen is látszanak a feszültségtüskék (aljától a tetejéig 280V!).
Gondoltam ismét kísérletezés céljából kicseréltem a FET -et IRFP200-ról FDA59N25-re. Az első FET-tel a működés stabil volt. A második típusúval viszont a snubberben kiégett a 130V-os varisztor ami meglepő módon tökéletes volt az irfp-vel. A feltöltött kép a varisztor nélküli állapotot mutatja. Ezek az eltérések az eltérő tranzisztor karakterisztikák miatt változhatnak?
Az nem látszik a lépen, hol van a 0 vonal.. gondolom, kétsugaras a szkópod..- nem ártana a másik csatornát gnd-re kapcsolni és odavinni, aztán messziről látszana a tényleges tüskeméret.
Na meg a V/div, 10:1 vagy sem. - csak sejtem, hogy az van bent a "280 volt " miatt.A varisztor ( vagy szupresszor ? ) kevés ide, mert a FET drain alá kell kicsit méretezni feszültségben - az harapja le a tüskét, ne a FET.. ![]() Utolsó kérdésedre majd úgy kapsz meggyőző választ, ha kisebb meghajtással nézed meg a két klf. fettel, mekkor a tüskék maradnak egy jobb snubber körrel, vagy éppen anélkül, de sokkal kisebb tápfesszel. Addig a szikrát ne nézd. Utána már jobban látod, melyik a jobb, de már a snubbert ne felejtsd ki.
Ha már újra van aktivitás a topikban akkor megosztom egy másik szó szerint füstbe ment tervemet. A képen látható kapcsolást próbáltam foganatosítani a TL494-es IC-vel + TC4420 gate driverrel. Mindkét fet gate-jét a driver kimenetére kötöttem 1-1db 10 ohm-os ellenálláson keresztül. Mire odaértem hogy csatlakoztatom a szkópot és a multimétert az egyik 10 ohmos ellenállás szétégett (érdekes a driver IC működik) és a szokásos módon a FET-ek (FDA59N25 250V/35A) is kárbavésztek. Szikra az viszont volt, 10 másodpercig. Pedig ahogy olvastam ésszerűnek találtam, hogy a 2 FET így egy fesz.osztó szerűség és megoszlanak a tüskék is. De vagy az elv a hibás, vagy az óriási tüskék tették tönkre ismét. Ehhez a megoldáshoz viszont sajnos nem tudom hogyan lehetne snubber-t közbeiktatni.
Ez a kapcsolás nagyon hasonlít egy aszimmetrikus, nyitóüzemű félhidas konverterre, csak hiányzik egy fojtó és egy dióda a szekunderből..
Érdekelne, hogyan hajtottad meg a TL-lel... főleg a két meghajtóimpulzus helyzete időben..
![]() Output Ctrl..
Józan paraszti eszemet vetettem be, lehet hogy tévesen
A TL494 "high" kimenetére tettem egy TC4420 drivert. A "low" kimenetre meg TC4429 -et ami invertáló, és ezekkel hajtottam a FET-eket. Mérni nem volt lehetőségem mivel tönkrement hamar. Beszerzek még 1 mérőzsinórt és megnézem egyszerre a két driver jel alakját.
Honnan vetted ezt a rajzot?
Kopizd be a meghajtó részt is. Az output ctrl ( 13. láb) hová van kötve? Nézd meg, hogyan tud áram folyni a tekercsen, milyen vezérléssel... A hozzászólás módosítva: Márc 11, 2015
Úgy csináld a meghajtást, hogy a két fet EGYSZERRE nyisson. A kimenetre pedig tedd rá a fojtót és a szabadonfutó diódát.
Részben innen:Bővebben: Link
Másrészt innen:Bővebben: Link szedtem az ötletet. A 13-as láb gnd-be van kötve. A kimenetre, tehát a nagyfeszültségre beiktatok egy ferritmagos tekercset a dióda után.(47 mH-s van itthon). Diódának megfelelő egy régi flybackből kioperált (kibírja a sokezer voltot? ) ?
Akkor az úgy nem okés... marad a kétfetes flyback, szekunder fojtó, szabadonfutó nélkül. Nem hinném, hogy találsz oda megfelelő diódát.
Elfelejtettem, hogy neked "szikra" kell.. Csak nem ártana elolvasnod rendesen, mire figyelj, mitől füstöltek el a fetek.
Még annyit hozzátennék, hogy nem mindegy, miféle diódákat teszel be... egyrészt gyorsak legyenek, mint mindegyik ilyen kapcsiba, másrészt az ampert se felejtsd el. Közel legyen a fet áramhoz - lehet, hogy zárlatba ment az egyik pl., mert túlmelegedett és arra kapcsolt rá a fet.
Snubber se ártana, gondolom, a példakapcsolás csak egy "elvi" eszmefuttatás és semmi konkrétum. Első lépésben kisebb tápfesz, 470 pF..1 nF 1 kV - 47..100 ohm RC tag a drain-source közé és teszteld a melegedéseket a diódáknál, szkópon meg nézd, mekkora tüskék vannak. Nem mindegy ám, hogy egy RCD snubberben van egy dióda vagy direkt a trafón. A hozzászólás módosítva: Márc 11, 2015
Helló csináltam egy új plazmát és az a gond vele,hogy recseg és nem igen hangos mi lehet az oka
Az "új" az mit takar? Kapcsolási rajz? Elektróda távolság? Frekvencia? Kitöltési tényező? Valami mérési eredmény?
|
Bejelentkezés
Hirdetés |




- nemám csak úgy...
? Bocs nem vagyok annyira jártas ezekben a dolgokban de nagyon érdekelnek és szeretném megérteni

+ ventilátorral meg küldöm remélem úgy jobb lesz. Zajra valami megoldás ? 



A 




