Fórum témák

» Több friss téma
Fórum » NYÁK terv ellenőrzése
 
Témaindító: Paso, idő: Okt 4, 2005
Lapozás: OK   134 / 202
(#) Redoxid hozzászólása Feb 18, 2015 /
 
Bocsi ezt ki hagytam! Ez majd ha minden jól megy egy erősítő lesz!
(#) Mircsof válasza Redoxid hozzászólására (») Feb 18, 2015 /
 
Én még átnézném párszor! Kezdetnek az a szerencsétlen IC 6-7 lába össze van kötve (rövid zár). Tovább nem is néztem, javaslom ess neki még egyszer kicsit jobban gondold át.
(#) rockersrac hozzászólása Feb 20, 2015 /
 
Sziasztok! Megnéznétek nekem, hogy jó-e ez a terv így? Előre is köszi!

uln2003.lay
    
(#) kaqkk válasza rockersrac hozzászólására (») Feb 20, 2015 /
 
Jó de a "táplábakon" nincs szükség a hidegítő kondikra ,az uln + lába nem tápfesz csak a beépített visszafutás diódák közös kivezetése . Ha + ra kötöd akkor az induktív visszarúgásoktól védi a kimeneteket, ha gnd re akkor "lámpateszt" (kigyullad a összes led ) ilyen ledes alkalmazásoknál nem kell bekötni sehová..
A hozzászólás módosítva: Feb 20, 2015
(#) rockersrac válasza kaqkk hozzászólására (») Feb 20, 2015 /
 
Kell a kondi, mert valami okból ,,kivágja" az összes bemenetet aktívra, és amint a 100nf kondit odatettem a tápkörbe, akkor megszűnt a probléma. De akkor csak a táphoz teszek kondit.
(#) kaqkk válasza rockersrac hozzászólására (») Feb 20, 2015 /
 
A + bemenet tulajdonságainak olvass utána az adatlapon ott van az eb elhantolva. Az mint már egyszer írtam nem táp láb ....
A hozzászólás módosítva: Feb 20, 2015
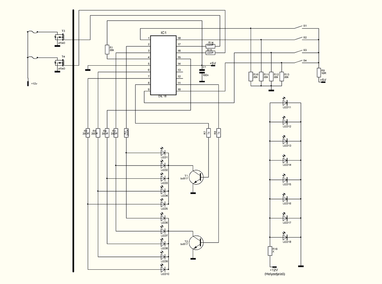
(#) Szebence hozzászólása Feb 25, 2015 /
 
Sziasztok!

Leellenőrizné nekem valaki a következő kapcsolást? A kapcsolási rajzon függőleges vonaltól jobbra lévő rész van csak rajta a nyákterven.

Üdv!
(#) erik001 hozzászólása Márc 1, 2015 /
 
Sziasztok.
Valaki átnézné hogy van-e benne valami hiba vagy hogy így fog e működni ?
Köszönöm szépen előre is.
Üdv Erik.
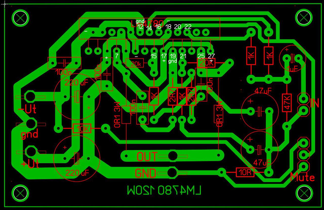
(#) kokozo válasza erik001 hozzászólására (») Márc 1, 2015 /
 
Szia!
Jobb lent a kondik egymásban vannak, GND vonal az ic-hez vékony. A +Ut oldali Kondi nincs az áram útjában tehát így zajos lesz. Egyenlőre ennyi. Mellesleg én vertikálisan építkeznék úgy kisebb lenne.
(#) kokozo válasza erik001 hozzászólására (») Márc 1, 2015 / 1
 
Én kb így csinálnám de lehet hogy van benne hiba..
(#) Meggyötört Pingvin hozzászólása Márc 4, 2015 /
 
Sziasztok!

Csatoltam egy komplett 10 csatornás kivezérlésjelzőt, amihez annyi lenne a kérésem hogy valaki ellenőrizze le nekem magát a vezérlőt és a ledes panelt is, mert sokszor átnéztem és már egy nagy gubanc van a fejemben És az agyam nem képes befogadni, de a hibákat rendre kiírja...
Tudna nekem valaki segíteni? Mennyire megbízható? Lehet belőle NYÁK tervet és beültetési panelt készíteni? Előre is köszönöm
(#) szucsistvan123 válasza kokozo hozzászólására (») Márc 11, 2015 /
 
Elkészült a mű! Kicsit lehetne érzékenyebb, de így is jó! 1000 köszönet a tervért (kokozo) és a sok segítségért! (Mircsof)
Pár kép: (bocs a rossz minőségért!)
(#) proli007 válasza Meggyötört Pingvin hozzászólására (») Márc 12, 2015 /
 
Hello!
- A Led panelen a 470µF nem jó helyre van bekötve. és minek a 8-as lábat a lábak között átvinni, mikor ott az út a 8k2 megkerülésével?
- A spekrum panelen az IC1a áramköre (+-) nincs befejezve. De itt is minek a 6-7 és 8-9 láb közötti átvezetés, mikor ott a szabad út. a két lábsor között. (Mint ahogy a 6-7 lábnál is a diódán "keresztül" vezethet a 8-9 lábnál is.)
(#) szucsistvan123 hozzászólása Márc 13, 2015 /
 
Helló!
ITT egy link egy erősítőről, és az a kérdésem, hogyan lehet ,,lemásolni,, a NYÁK rajzot, hogy pontos legyen? Ha simán kihúzom, és nyomtatom, akkor nagy lesz, mit lehet csinálni? Előre is köszi!
(#) Mircsof válasza szucsistvan123 hozzászólására (») Márc 13, 2015 /
 
Szia!
Elmentheted kép ként, amit beszúrsz egy "Microsoft Office Word dokumentumba" ott igaz macerásan, de ki lehet kísérletezni a méretét.
Vagy ha tudod a panel méreteit fejből akkor az irfanview nevű programban azt hiszem be lehet állítani a kép hosszúságát szélességét.
(#) szucsistvan123 válasza Mircsof hozzászólására (») Márc 13, 2015 /
 
Sajnos nem tudom a méreteket
Meg annyi pénzem, meg időm sincs, hogy szaladgáljak a könyvtárba nyomtatni.
(#) eyess válasza szucsistvan123 hozzászólására (») Márc 13, 2015 /
 
És akkor hogyan képzelted el a nyák kivitelezését ?Ha nincs megfelelő feltétel hozzá .
Probléma bármikor adódhat , akkor is szaladgálni kell majd nem ?
(#) szucsistvan123 válasza eyess hozzászólására (») Márc 13, 2015 /
 
Azért tettem fel a kérdést, hogy hátha tud rá valaki valami jó ötletet, de ha egyik sem válik be akkor bemásolnám az eredetit sprint layoutba. Én csak azt mondtam, hogy nem akarok rohangálni nyomtatni. (meg hát nem is olyan olcsó...) Milyen feltétel nincs meg?
(#) eyess válasza szucsistvan123 hozzászólására (») Márc 13, 2015 /
 
A lényeg a nyomtató.
(#) szucsistvan123 válasza eyess hozzászólására (») Márc 13, 2015 /
 
Én a könyvtárba szoktam nyomtatni, 1-2 lap nem olyan sok, de ha kísérletezgetnék, biztos lenne vagy 10... na az már sok, és szerintem akkor páros lábbal rúgnának ki onnan . Én csak ilyeneket nyomtatok, mást nem, tehát nem érné meg venni egy lézernyomtatót.
(#) eyess válasza szucsistvan123 hozzászólására (») Márc 13, 2015 /
 
Értem , és sprintben fogod tudni a valós méretet?
(#) Mircsof válasza eyess hozzászólására (») Márc 13, 2015 /
 
Scanned copy funkcióval ha beálitsa akkor az adhat jó méretet, a programban összehasonlista a tranzisztorok lábát, és már meg is van. De ha ezt el is menti a lay nem "viszi" magával, magában a kép filet, ez esetleg otthoni nyomtatás esetén működhet. De ebbe már nem avatkozok bele, ennyire még nem látom át a programot.
(#) eyess válasza Mircsof hozzászólására (») Márc 13, 2015 /
 
Ha picit vársz , akkor megcsinálom neked pdf be , ha úgy jó.
(#) Mircsof válasza eyess hozzászólására (») Márc 13, 2015 /
 
Oké, de ne nekem, mert nem nekem kell!
(#) eyess válasza Mircsof hozzászólására (») Márc 13, 2015 /
 
Ja bocs igen az illetékesnek.Persze , ha jó lesz neki.Bár még nem jelzett vissza ,
(#) eyess válasza szucsistvan123 hozzászólására (») Márc 13, 2015 / 1
 
Ugyan a minőségtől ne várj el nagy dolgot mivel képről lett csinálva, de ez már a valós mérete a nyáknak.

Pontosabban:7,7x9,1cm

Erről már tudsz jobb minőséget csinálni , ha éppen úgy kell.
(#) szucsistvan123 válasza eyess hozzászólására (») Márc 13, 2015 /
 
Az alkatrèszek már meg vannak,onnan tudnàm a méreteket, meg a katalógusukban is ott van a tokozás típusa. Amúgy haverom csinálja az erősìtőt,èn csak a Nyákot. Ha megcsinálnád, pdf be, megköszönnèm!
(#) eyess válasza szucsistvan123 hozzászólására (») Márc 13, 2015 /
 
Már fent is van .
(#) szucsistvan123 válasza eyess hozzászólására (») Márc 13, 2015 /
 
1000 köszönet érte!
Megkérdezhetem, mivel csináltad?
(#) eyess válasza szucsistvan123 hozzászólására (») Márc 13, 2015 /
 
Kézzel .
Következő: »»   134 / 202
Bejelentkezés

Belépés

Hirdetés
XDT.hu
Az oldalon sütiket használunk a helyes működéshez. Bővebb információt az adatvédelmi szabályzatban olvashatsz. Megértettem