Fórum témák
» Több friss téma |
Fórum » Muzeális készülékek-alkatrészek restaurálása
Témaindító: Kutyuli, idő: Márc 29, 2008
Témakörök:
Piszkálta a fantáziám, hogy mi a baja, miért néma a KAPSCH. Egy gyors mérés a rajz alapján. Sajnos a hangszóró gerjesztő tekercse szakadt. A kivezetéseket átforrasztottam, de semmi. Holnap lebontom a szigetelést remélve, hogy ott megtalálom a hibát. Ha nem akkor, gondolom csak az újra tekercselés segít. Hogy hogyan azt még nem tudom. Nem vagyok berendezkedve tekercselésre.
Nyugodalmas szép estét mindenkinek. A hozzászólás módosítva: Márc 22, 2015
Ha nem akarod pontosan eredeti állapotba hozni, akkor kimenőt cseréld EBL 21 kimenőjére, normál hangszóróval, ami méretileg is passzol. A gerjesztő tekercs helyett egy fojtót tegyél be. Jó lenne tudni, hogy a 2kOhm az egyenáramú ellenállás, vagy impedancia(hány Hz-en?).
Nyugodtan bontsd le a szigetelést, tapasztalatom szerint a tetején levő kivezetés szokott megszakadni. Ennek az az oka, hogy az évtizedek során a borító papír szétszárad, megmozdul, és eltépi a vékony huzalt. Ez látszik is a jobb oldali kivezetésnél. Meg a pára is jobban hozzáfér a tetejéhez, mint a tekercs belsejéhez, úgy hogy ott szokott leginkább oxidálódni. Remélem szerencséd lesz vele. De ha javíttatni akarod, keress meg privátban.
A hozzászólás módosítva: Márc 23, 2015
Hát ez nem nyert sajnos, nincs neki és egyenlőre nem is készít.
Esetleg valakinek más ötlete az Orion 442 skálanyomat ügyben? Köszi
Van egy másik skálaüveg készítő próbáld meg Benyovszky Pál
Pasó74@citrommail.hu
A függőleges Orion skálák beszerzése nehéz ügy. Ezért ha csak lehet a készülékben levőt kell megtisztítani. Sajnos eredetileg vízfestékkel készült, ezért árt neki a nedvesség, de azért a dolog nem reménytelen. Eredetileg Hatvanasjocó írta le pár éve, hogy fültisztító pálcikával kell az üveg nem festett részeit letisztítani, gondosan kerülve a feliratokat. Nagyon nagy meló, de meg lehet csinálni, nekem már többször sikerült. Kapni nem lehet, a következők miatt: A szitanyomás sablonjának elkészítése nagyon drága, 6-9 ezer ft-ot is elkérnek darabjáért és csak akkor éri meg, ha utána folyamatosan lehet vele nagy darabszámban gyártani. A 442-es ben 7 üveg van, ezért eddig még senki nem finanszírozta meg az első szitázás, sablon gyártás költségét, ami alapból is 50-70 ezer ft körül alakulna.
Persze utána a többi már olcsó lenne, kb 1000-1200 ft darabja, így is egy teljes üveg garnitúra egy 442-es re 8-10 ezer ft-ot tenne ki. Ennyiért meg egy megkímélt egész rádiót lehet kapni a piacon, hibátlan üvegekkel. Szükségmegoldás lehet még, hogy ki kell szerkeszteni számítógépen a skálákat, és fóliára kinyomtatni, amit az üveg mögé lehet tenni. Hátránya, hogy ez esetben nem működik az élvilágitás, vagyis nem látszik megvilágítva a skála, ha be van kapcsolva a készülék. És persze nem fehér, hanem fekete a betű. Hát ennyi.
Nem válaszol az email cím.
De azért köszönöm.
Köszönöm a hozzászólást keresem a megoldást de még csak ismerkedem a témával.
Sajnos a tény hogy nem lesz egyszerű. Ha a grafika meglesz majd meglátom egyenlőre az készül. Egy ötletem még van de azt még körbejárom.
Próbáltad a paso74@citromail.hu -t? Mert a megadott email cím helytelen az eredeti formában.
Persze csak így próbáltam, de nincs válasz.
Nem érdemes keresni a Benyovszkyt, neki sincsenek meg a szita sablonjai, sőt tőle származnak azok az összegek, amiket leírtam.
A vakerán valaki hirdet ("nosztalgia csöves rádiók") egy 442- ből származó előlapi fabetéteket, kérdezd meg, hátha megvannak a skálaüvegek!
Ha már így belemerültetek a skálaüvegbe, én Orion 344-hez keresek egy épet. Az enyémen a hullámváltó-állások rajzai kopottak. Zsoltnál nincs utángyártott.
Szia, most olvasom mire lenne szükséged. Nekem van egy garnitúra 442-es üvegem, kicsit koszos, de próbaképp az egyiket elkezdtem megpucolni, úgy tűnik sikerrel. Valamelyik nap megpróbálom az összes többit is, akkor fog kiderülni mind megmarad-e. Ha érdekel a dolog, keress meg privátban.
Ha már skálaüveg ,egy Orion 311-est keresnék hátha van valakinek gyártásban nincs. Sajna törött.
Egyben megkérdezném vállalja valaki a javítását.Privátban kérnék egy szakit. A hozzászólás módosítva: Márc 25, 2015
Nincs szívem kidobni ezeket a skálaüvegeket, ha valakit érdekel keressen privátba, hogy az üveg ne vesszen kárba
Sziasztok.
Nagyjából másfél éve jelentkeztem utoljára a TESLA Dalibor rádióval. Akkor alkatrészhiány miatt került a sarokba, azóta szereztem bele alkatrészt, csak nem volt lelki erőm nekiállni. Pénteken megjavítottam a kazettás magnómat, ezen a sikeren felbuzdulva újra elővettem az ,,öreg harcost". Beépítettem a hiányzó kondenzátort és átnéztem, hogy más nem hiányzik-e belőle. Leválasztottam a rádióról a trafót és az AZ12 kombinációt majd elindítottam. Az egyik működő skálaizzó felizzott jelezve, hogy a csövek fűtőfeszültsége meg van (ekkor még az egyenirányító kivételével a többi cső a dobozban pihent szivacságyban), 7V-ot mértem fűtőfeszültségnek. Ha a feszültségválasztó kapcsolót 245V-os állásba kapcsolom akkor beáll 6,3V-ra, de akkor hiányzik vagy 20V-t az anódfeszültségből. Az egyenirányító cső is szépen felfűtött, a kimenetén ott van az anódfeszültség. Ezután rákapcsoltam a rádióra a tápot, beleraktam a csöveket (a varázsszem kivételével), nagy levegőt vettem és átbillentettem a konnektoron a kapcsolót. Felfűtöttek a csövek és semmi sem durrant. Nagyjából fél perc után halk sistergés hallatszott a hangszóróból. Amikor hozzáértem a hangerő szabályzó potenciométerhez, éktelenül elkezdett sípolni. Hát fülig ért a szám, rég nem tökéletes, de már vannak életjelek. Lekapcsoltam a lámpát, hogy meglegyen a hangulat, akkor vettem észre, hogy az egyenirányító cső anódlemezén belül (felülről nyitott így belelátni) a fűtőszál körül halovány kékes derengés látható. A rádió amúgy működik. Vajon mi baja lehet a AZ12-esnek? Lehet hogy el van öregedve?Annó itt kezdődött:Persze azóta fejlődtem egy kicsit. A hozzászólás módosítva: Márc 29, 2015
Lehet, hogy enyhén már "gázos", ezért látod a kékes derengést. Ettöl még használhatod.
Folytattam a vizsgálódást. A HF fokozat működik. A hangerő szabályzó potenciométer erősen kontakthibás volt, szétszereltem, ecsettel és tiszta szesszel kimostam, megjárattam egy kicsit. A kapcsolós része szét volt esve, ezt is megigazítottam (a poti tengelye nem vezérelte a kapcsolót, csak szét volt csúszva). Visszaszereltem a potit majd bekapcsoltam. Működik a HF fokozat. A hátlapi bemenetre kapcsoltam egy hordozható magnót, szépen felerősíti a hangot, jó hangos. A rádió része sajnos még nem szól. A végcső anódján csak 180V-ot mérek a rajzon feltüntetett 265V helyett. A sasszihoz képest mértem.
Közben megint mértem. A pufferkondenzátor háza illetve lába között közvetlenül a szűrőellenállás után 200V-ot mérek. Gondolom azért alacsonyabb, mert már kicsit öreg az AZ12-es. (a rajzon 240V van ezen a ponton feltüntetve).
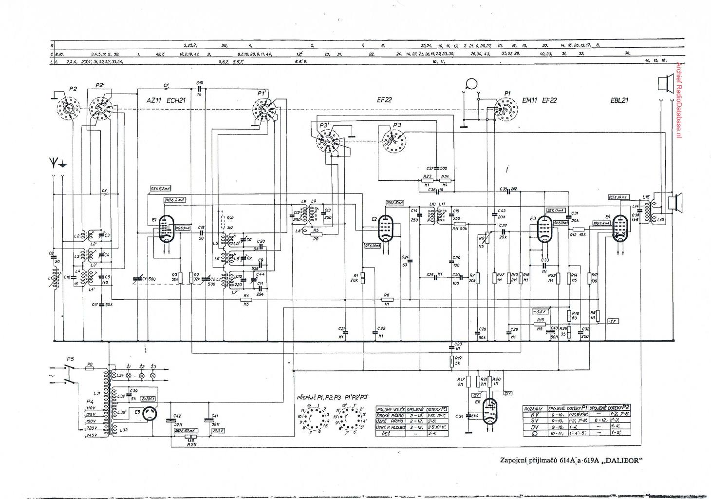
Itt a kapcsolási rajz.
Elképzelhető, egyszer már régen biztos kitörött a fejéből, mert ott ahol gyárilag vízüveggel ragasztják bele magát az üvegballont a bakelit fejbe most két-három réteg szövetbetétes szigetelőszalag van. Érdekesen néz ki.
Átmértem a rajzon feltüntetett feszültségértékeket. Mindenhol megvan a feltüntetett feszültség, csak hiányzik az a 20-30V körüli érték, ami már a puffernél sincs meg. Ezzel mit lehet kezdeni? Gondolom új AZ12-es kéne bele.
U.i.: A fűtőfeszültség leterhelve az összes rádióban lévő csővel beáll 6,5V-ra. A hozzászólás módosítva: Márc 29, 2015
Lehet, hogy már a puffered is gyengélkedik. Ha van hasonló értékü kondid próbáld meg, gondolom másik AZ12-d nincsen. Illetve lehet, hogy egy kondi formázás ráférne az eredeti kondikra. Próbálhatod még a pimer feszültség választót visszább venni, a fütőfeszültséget figyelve.
Valószínű gyenge már az AZ 12, de ne foglalkozz vele, 20-30 V anódfesz különbség még nem okoz komolyabb minőségi romlást, kicsit gyengébb lesz a hangerő, ha már szólni fog. A csőröl vigyázva bontsd le a szigszalagot, és műgyantával ragaszd be. ( eprorapid, univerrapid, stb).
A hozzászólás módosítva: Márc 29, 2015
Hát másik AZ12 nincs. Puffer se, de azt tudok talán szerezni eredetit, újat. A szivárgós kondenzátorokat már cseréltem. A feszültségválasztó 220V-os állásban van. A hálózati feszültség 230V-t (nem a szabvány, hanem a gyakorlati érték). Amúgy nem fuldokol a rádió maximális hangerőn külső jelforrásról, csak berecseg a hangszóró, mert nem bírja a teljesítményt (nem az eredeti hangszóró van rajta, azt féltettem a tesztekhez használni).
A hozzászólás módosítva: Márc 29, 2015
Köszönöm a megnyugtató választ. A HF fokozat már működik, csak feltekert hangerőnél a sávszélesség szabályozó egyik állásánál erősen sípol. A rádiórészt hamarosan tesztelem.
Közben folytattam. Visszakerült az egyik skálahúr. Jó nehezen. Vagy 10-szer szedtem szét és raktam össze mire jó lett. A rádió része is elindult részben, egy idegen nyelvű erőteljes adót sikerült befogni, sajnos nem tudom melyik sávban. A másik skálahúr még nincs visszarakva, az amelyik a vett sávot jelzi vissza a skálán. Ezen kívül semmi mást nem.
Az egyik tekercsben nincs hangolómag. Lehet, hogy kiesett. Egy másik rezgőkörnél a párhuzamos kondenzátort meg megrágta az egér, még a bakelitet is megette. Sajnos ezek speciális kondenzátorok, kapargatással lehet beállítani az értékét. Szerencsére mást nem bántott az egér. Ez a két alkatrész mellett csak a skálahúrt rágta el és a KF szívó tekercsét bántotta. Lesz ezzel még munka. A HF fokozat már működik tökéletesen. Ha elhangolódott, ami erősen meglehet akkor ezt egyenlőre megint nem tudom folytatni, nem áll a rendelkezésemre jelgenerátor. Visszakerül a dobozába és felteszem a polcra, csak még szerzek bele skálaizzót, mert kettő ki van égve a háromból. Ha meg elkészülök a jelgenerátorral akkor nekiállok újra. Ezt a hosszú projektet...
Végszükség esetén egy másik rádióból kivezetett KF jellel is be tudod hangolni. Ezek a projektek nem a gyorsaságukról hiresek, de ettől szép
Nem a KF-ekel van a gond, azok köszönik szépen jól vannak. Az RF rész tekercseinél van a gond, azoknál amiket a forgó az adóra hangol. Az L2, L3, L4, L5, L6, L7 amiknél a gond van (pontosan nem tudom melyik, de ezek közül). Nem gyors, nem gyors de azért két év kicsit sok nem?
Főleg úgy, hogy az érdemi munkát egy hétbe össze tudnám sűríteni. Közben kipróbáltam a varázsszemet, hát meglátszik rajta az elmúlt 50 év. Szinte teljesen elvesztette a fényerejét. Világosban megnézve a lemezt amin a legyező kialakul el van szürkülve. Ráadásul ez is ki van törve a fejéből, ezt is szalagragasztó tartja egyben. Na majd ha eljutok börzére nézek bele egy újat. A hozzászólás módosítva: Márc 29, 2015
RF rész hangolására is vannak egyszerűbb módszerek, de természetesen egy szignálgenerátorral az igazi.
Nem sok a két év sem, lényeg, hogy haladsz vele és örömöd leled benne. ![]() Varázsszemnél esetleg tudsz feszültséget vagy áramot emelni, ha már ennek úgyis mindegy nagy baja nem lesz. |
Bejelentkezés
Hirdetés |







Hát fülig ért a szám, rég nem tökéletes, de már vannak életjelek. Lekapcsoltam a lámpát, hogy meglegyen a hangulat, akkor vettem észre, hogy az egyenirányító cső anódlemezén belül (felülről nyitott így belelátni) a fűtőszál körül halovány kékes derengés látható. A rádió amúgy működik. Vajon mi baja lehet a AZ12-esnek? Lehet hogy el van öregedve?
Közben kipróbáltam a varázsszemet, hát meglátszik rajta az elmúlt 50 év. Szinte teljesen elvesztette a fényerejét. Világosban megnézve a lemezt amin a legyező kialakul el van szürkülve. Ráadásul ez is ki van törve a fejéből, ezt is szalagragasztó tartja egyben. Na majd ha eljutok börzére nézek bele egy újat. 