Fórum témák
» Több friss téma |
Egyeznek. És mind a 2-ben úgyanúgy be van állítva a 18f14k50 . A források meg nem térhetnek el mert másolatok. És már a minta könyvtárából az összes fájlt letöröltem csak a main hagytam meg meg a linker-t és ugyanúgy létrehozza ugyanúgy lefordul.. Amit én hozok létre ugyanúgy ugyanazokkal az meg ezt írja ki
A hozzászólás módosítva: Márc 27, 2015
Srácok, nem tudom hol tehetném fel a ezt a kérdést, szóval, ha van megfelelő topik, akkor pakoljuk át oda, vagy ha lehetőség van nyitok neki egy saját topikot.
A kérdésem a PIC-el történő PWM vezérlésű fázishatásos vezérléssel kapcsolatos lenne. Szeretnék egy fűtőtestet (kerámia vagy sima cekászos) fázishasításos módszerrel vezérelni mivel közvetlen hálózat kellene nekik. A vezérlést egy PIC-el gondoltam figyelni és szabályozni. A kérdésem ezzel kapcsolatban, hogyan és miképpen tudom ezt kivitelezni? Előre is köszi.. A hozzászólás módosítva: Márc 27, 2015
Igazad volt !! Csak az kavart be, hogy a másik projektestől kész volt. De igazad van, mert ez LF-es. Az LF-es és az F-es azok teljesen kompatibilisek egymással? Másik kérdés: az mitől lehet, hogy ez az egyszerű program fut, ha a wtf függvény nincs hívva. De ha van, akkor nemtudom hová kerül, de nem megy.
Ezt kifejthetnéd bővebben is.
Annyit tudok, hogy a fázishasítás hasonló elven működik mint a PWM, de azért ettől több kell, hogy meg is értsem és meg is tudjam építeni.
Na , a figyelmeztető üzenetekhez létre kellett hozni a mappákat , megvannak ,eltűntek. A kérdés már csak az , hogy miért 9kb -os hex fájlt hoz nekem létre a 38kb helyett? Valaki ötlet?
Mellékeltem a forrás csomagot.
optocsatolóval figyeled a nullátmenetet, és nullátmenetkor kapcsolsz addig "amekkora darab kell a fázisból"így vidékiesen
A fokozatmentes szabályzáshoz ez kevés lenne, nem?
A hozzászólás módosítva: Márc 27, 2015
Igazad van, csináltam már ilyet azóta is exemnél ez a tapskapcsolós lámpa tartozéka. És mivel igazad van így ott lehett valami elcsúszásom, azt hiszem a nullátmenet megszakította aztán empirikus úton beállítottam egy hullám hosszát és azt daraboltam.
A hozzászólás módosítva: Márc 27, 2015
Köszönöm, nyitottam egy témát: Bővebben: Link
Amit persze egyből töröltek ![]() Átkerült ide: Fúrógép fordulatszám szabályozó A hozzászólás módosítva: Márc 27, 2015
Nekem valaki ötlet ? Bővebben: Link
Ha én fordítom le a projectet mikroC-ben , akkor azt ha beégetem nem jó. De miért ?
Nincs benne.Eddig amit tapasztaltam :
- Az eredeti hex fájl mérete 38kb. - Amit én fordítok le forrást , annak a hexnek a mérete 9kb - Ha bekapcsolom a long hex funkciót a mikroC-ben , akkor 39kb lesz a hex fájlom És csak is kizárólag az eredeti letöltött hex fájlal működik a Picben a program. Gőzöm nincs mi lehet vele. A hozzászólás módosítva: Márc 27, 2015
Sziasztok. Összehoztam a bootloadert végre. A problémája az volt hogy a hi-tech c -ben a linker-t máshol kellett beállítani. Így most jó., de az ili9341-es kijelzőt nem tudom SPI-n Fosc/2-n hajtani. Most ugye a bootloader sebességével megy 48Mhz és Fosc/16. Nem tudja valaki mi ennek a maximuma, mert sehol sem találok erről infót.
A hozzászólás módosítva: Márc 27, 2015
Akkor csak az lehet amit Hp41C is említett, demo limited van és valószínű nem optimalizálja le kellő képen a fordítod.
Volt ilyen gondom nekem is amikor bootloadert akartam beégetni, de nem tudtam lefordítani mert mindig nagyobb volt a kelleténél.
A lényeg, hogy az SPI maximum 10MHz-et tud, ha az Fosc osztásod eredménye ez alatt van, akkor menni fog, ha ezt meghaladja, akkor nem fog elindulni.
Most szívtam én is ezzel a sebességes témával a grafikus kijelzőm miatt. Azt hiszem legalább is annál a PIC-nél amit én használok 4,16,64-es osztások vannak, szóval le van korlátozva a lehetőség. Keress egy ilyesmit az adatlapban: "SSPxCON1: SSPx CONTROL REGISTER 1" Ebben a regiszterben tudod beállítani a sebességét. A hozzászólás módosítva: Márc 27, 2015
Fázishasítást ott érdemes használni, ahol a periódusidőn belüli azonnali beavatkozásra van szükség.
Egy fűtőtest tipikusan nem ilyen. Szerintem elég azt néhány másodpercenként, vagy akár percenként egy PWM jellel kapcsolgatni. Egy szilárdtest relével például, ami megoldja a leválasztást is.
Köszönöm, de ki akarom próbálni mielőtt elvetném az elvet, kérlek látogass el a topikjába: Bővebben: Link
Üdv,
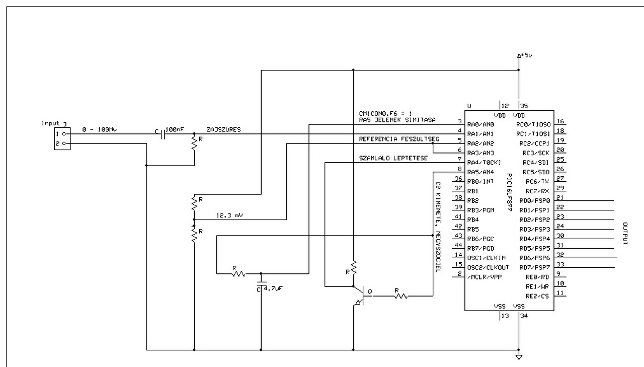
A következő egy digitális gitár hangoló. Alapelv: impulzus számlálás egy bizonyos kb 2 secundum kapuidő alatt. Hiába ugyanazon a pozíción pengetem a húrt mindig más értéket kapok a kimeneten, holott egyformát kéne ugye mivel ugyanaz a freki jön a gitárból. Nemhinném, hogy a gitárból jövő jel frekije válltozna. Már próbáltam mindent, de nem sikerült koorigálnom a hibát. Segítségeteket szeretném kérni. Alább látható a működés leírása, kapcsolási rajz, valamint a program szerkezet is ami C++ ban íródott. Előre is kösz! A működsé leírása: 1. A felerősített gitár jele (kb 100mV) az RC szúrőre kerül majd az RA1 bemenetre. 2 16F887 kontrollerben levő belső C2 komparátor négyszögesítést végez a gitár színusz jeléből, referencia 12,3mV. 3. A négyszögjel (0-4,88V) az RA5 kimeneten jelenik meg és két fele ágazik tovább. 3.1 Tranzisztor leválasztja az RA5 kimenetet az RA4 bemenettől további zavarok elkerülése miatt. 3.2 Négyszögjel egy RC fokozaton halad keresztül, mely a négyszögjelböl egy folytonos állandó 2.88 V feszültséget készít a CM1CON0.F6 = 1 feltétel teljesülése érdekében. Ez a jel az RA0 bemenetre csatlakozik és egy belső C1 komparátor biztosítja a megfelelő CM1CON0.F6 = 1 feltétel teljesülését. Erre a jelre azért van szükség, hogy a mérés a gitár pendítésével kezdődjön, valamint a mérés a gitár elhalgattatásával félbeszakítható legyen egyes esetekben. 4. A tranzisztor után a négyszögjel az RA4 bemenetre kerül, amely a TMR0 belső számláló bemenete. Minden egyes négyszögjel léptet egyet a számlálón. 5. A bejövő impulzusok addig léptetik a számlálót amig a kapuidő tart (i<2 lásd programban). A kapuidő lejártával megkapjuk az RD0-RD7 kimeneteken az eredményt és egészen addig látható míg a CM1CON0.F6 = 1 feltétel teljesül.
Előbb nemsikerült feltölteni a kapcsolási rajzot. Nos ittvan az is alább
Köszi. A regiszterekkel nagyon is tisztában vagyok ezeket állítom agyba-főbe. 64 es osztással indítom, aztán ha inicializált a kijelző aztán átállítom 16-ra. Eleve 16-al nem indul, de 16 így megy. Akkor nem is értem youtubon láttam valami 30Mhz-el járatni..
A demo limited volt a gond , köszönöm szépen!
Igen úgy látom neked is ezek az osztások elérhetőek:
Esetleg nézd meg, hogy a PLL jól van e beállítva és úgy nézem ha a 4xPLL-t használod akkor maximum 12MHz-es kristályt tehetsz rá. Ebben az esetben meg lesz a 48MHz-ed amit ha leosztasz 16-al akkor pontosan 3MHz-et kapsz. FOSC/16 == 48MHz/16 == 3MHz Ennek, így mennie kellene.
Nem teljesen ertem a kodotat, de az if (CM1CON0.F6 = 1 ) az nem == akar lenni?
Azon felul a PIC osszes VDD es VSS labat be kellene kotni, valamint az MCLR-re sem artana legalabb egy felhuzoellenallas.
A masik problema a megvalositassal, hogy 2 masodperc alatt egy 440Hz-es jel 880 impulzus, aminek te csak az also nyolc bitjet teszed ki a D portra.
Az meg a "PIC kezdoknek" topikba jol illik, hogy ha jot akarsz magadnak, akkor sosem deklaralsz i, j, a es hasonloan rovid, gyakran hasznalt nevu valtozokat globalisnak. Azon felul, ha egy valtozot interrupt is es a foprogramod is hasznal, azt jobb, ha volatile-nak deklaralod. Ha ezt a valtozot ezen a forrasfile-on kivul mashonnan nem akarod elerni, akkor deklarald static-nak:
De persze ne 'i' legyen, hanem mondjuk kapu_ido. Mert a valtozok neve egy egyszeru ciklusban tok mindegy, de mas esetekben valahogy utalnia kell arra, hogy mire valo, mit tarolsz benne.
Egy gyárilag készitett Debugg express próbapanelt használok tesztelésre amin gondolom gondoskodtak a VDD,VSS, MCLR lábak megfelelő kezeléséről. Elnézést azokat én nem tüntettem fel.
2 másodperc alatt 440 HZ = 880 impulzust úgy gondoltam, hogy mikor végig ér a 255 akkor újrakezdi, vagy inkább használjam a TMR1- es időzítőt ami elvileg 16 bites és képes 65 535 külömböző esetre? A válltozókat áttdeklarálom. Kösz!
A modul katalógusa szerint a maximum 10Mhz.
Tapasztalatom szerint (DsPic33-al járatva) 15Mhz-ig gond nélkül fut, igaz csak az inicializálás után.
Valakinek lenne valami ötlete az előző oldali hozzászólásomhoz?
Bővebben: Link Egy másik topic-ból helyeztettem át ide, de valamiért az előző oldalra került...
Ha a LED driver regisztereiben nem lehet más mint amit oda kiírtál, korrektnek tűnik, hogy a buffered tartalmát változtatod és kiírod.
|
Bejelentkezés
Hirdetés |







