Fórum témák
» Több friss téma |
Csak úgy bedobtam egy régi cseh triacot, tápról dc-vel vezérelve, 230 leválasztóval és gyönyörűen megy 5 és 60 wattos izzóval, teljes és félhullámban is...
Mégcsak nem is vibrál.... MAC12N pl. kuka.... az csak félhullámban gyújt így. A hozzászólás módosítva: Nov 21, 2014
Szia! Tudom - elsőre is megértettem, sőt ma rámértem a kimenetre - valóban csak a fele gyújt. MOC nincs itthon, más triak gyújtó sem volt - tettem egy utolsó próbát. proli007-nek: Nem veszett el a műszerem, mértem is. Csak nem annyi időm van mindig, mint amennyire szeretném. Tudod ha dohányos lennék, az ilyen pillanatokban kimennék, rágyújtanék és amíg lehiggadok gondolkodnék. Ehelyett a munkák között, amikor éppen rá tudok szánni kis időt, az adott lelkiállapotomnak megfelelően és a fiókom tartalmának megfelelően megpróbálom a legjobbat kihozni a dologból, csak gyűlölök 240V mellett nyúlkálni egy pici panelon még a mérőműszerrel is. A múltkor rajtam volt a nagyítós szemüvegem egy kapcsolóüzemű táp javításánál és sikerült kikapcsolt állapotában az asztalon lévő dolgoknak egy kisülést produkálni a fő tápkondin. A villanás hagyján, de szemüvegen keresztül különösen nem esett jól. Gyűlölöm az erősárammal kombinált gyengeáramú berendezéseket. Úgy vagyok vele mint az egyszeri ember a 200 kilós nővel - tudom hogy mit hol kellene találnom, csak nehéz igazán jól hozzáférnem. Sajnos ráadásul ez az infa olyan, hogy ha nincs rajta az optika - nem működik korrekten, nem látom, mikor kapcsol rendesen. Így minden kísérlethez rá kell tennem ismét a búrát. Úgy meg még macerásabb mérni.
Szia! Külső, leválasztott tápról nekem sem vibrál. De ez a táp nincs leválasztva. Graetz és kondis előtét, meg zener. A MOC ezért lehetne jó, mert az optós leválasztás miatt földfüggetlen. De mint említettem - az nincs itthon. Pedig van pár tízezer alkatrész...
A hozzászólás módosítva: Nov 21, 2014
Félreértettél... a 230 van leválasztva ( trafó ) és csak azért, hogy minél kevesebb kóboráram legyen a gate-t meghajtó táp és az között.
Nyúlkálni nem kell azok után, hogy rajta van a 230... előtte kell beműszerezni. Szóval... a BT139 se gyújt be így... ott viszont vibrál az 5 wattos picike. Nehezen fogsz találni olyan triacot, az az érzésem, ami jó lenne ide dc gyújtással... + még az áramkörödhöz illeszteni. Az igazsághoz tartozik, hogy az enyém, ami jó így is, az KT729/900-as és cseppet nagyobb, mint az előző 2 említett példány..
Én is előtte aggattam rá a műszert, csak a panelen egy smd alkatrész lábaira ráerőltetni a mérőszinórt, nem volt egyszerű. Akkor marad a "B" terv. kiveszem a relét, bebugyolálom egy hangszigetelő anyagba és berakom az infra mögötti dobozba kattogni. Vagy a "C" terv: Eleve egy LED-es lámpát kapcsol - kiküldöm a 12V-ot direktbe, csak 3 led-et kell elvigyen. Elegánsabban akartam megoldani az eredeti panelon - de feladtam. A MOC-hoz és az optóhoz is már fóliát kellett vágni stb. Kell ez nekem?
Maradj akkor a "C" tervnél... 3 LED-et simán elvisz az a kis tranyó ( vagy 3x3-at is, 10-10 mA-rel..) és van akkora fényerő éjjel, hogy bőven elég..
Sziasztok! Ezzel a kapcsolással villogtatni nem lehet az égőt ha az R1 vagy C1 értékét növelem? Mit kellene tennem,hogy ezt is tudja?
Ezzel legfeljebb csak egy félperiódus (10 ms) idejére lehet felvillantani az izzót leghosszabban, ha beteszel egy 1N4007 diódát az ellenállásokkal sorba és az ellenállásokat sok-sok megohmra növeled, hogy meggátold az egy periódusidő alatti C1-feltöltődést a diac gyújtófeszültségére. Többet így nem lehet kihozni belőle, ha ennyire egyszerű megoldásra gondoltál. Az a 10 ms égésidő is csak ritkán fog összejönni, mert nem mindig fog beletalálni a diac gyújtása a félperiódus kezdetébe.
Köszi a választ!
Esetleg ha a kérdőjel helyére egy másik TIC206 vagy egy kis relé kerül és azt vezérlem?Azt szeretném elérni,hogy egy futófény vezérléssel kombinált vényerő szabályozóm legyen.Jó lenne úgy villogtatni az égőket,hogy közben beállítható legyen az égők ereje külön is.
Hello! Az még elképzelhető, hogy megtartod ezt a kapcsolást, a 330nF-ra egy egyenirányító hidat teszel és annak DC kimenetére egy optocsatoló tranzisztorát. Ha az opto be van kapcsolva, akkor az söntöli a 330nF-ot, és nem tud gyújtani a diac-triac. Tehát annyi az egész, hogy fordítva fog működni. Ha az opto Led világít, akkor lesz a lámpa sötét. A mikor meg nem világít a Led, a lámpa a beállított fényerővel világít. A futófénnyel az opto Led-et vezéreled.
Relével is meg lehet oldani, de nem lenen hosszú életű a relé. A hozzászólás módosítva: Márc 25, 2015
Szia!Erre gondolsz?
Vagy ez a jó megoldás?
Nyilván az első.. "330nF-ra" nem azt írtam, hogy sorba.. Az optónak célszerű nagyobb CTR értékűt választani, vagy is amiben darlington van. De a puding próbája az evés..
A hozzászólás módosítva: Márc 25, 2015
Köszönöm,indul az anyagbeszerzés.....
Az opto tranyóval lehet hogy sorba kell tenni egy pár száz ohm-os ellenállást, nehogy a 330nF "beakasszon" neki. De ez CTR kérdés is.
Szia!
Néhány észrevétel: Jó lenne, ha a hálózati feszültségen lévő pontok között 5mm-es kúszó utat tartanál. Bár elvileg elég a 2 raszteres sorkapocs, de ha megteheted inkább használj 3 rasztereset. Elég nagy áramok fognak folyni, nem kellene a nagy áramú részeket olyan hosszan vezetni. Jobbról barra haladva; az jó lehet, hogy ott vannak a nagy áramú sorkapocsok. Legyenek a közelükben az RC tagok, a tiakkok a hűtővel. A panel bal szélére a vezérlő elektronikát és a a potméterek sorkapcsait. A C1, diak, triak gate kört a lehetőségekhez képest minél kisebb hurokkal, a minél nagyobb di/dt kedvéért
Sziasztok!
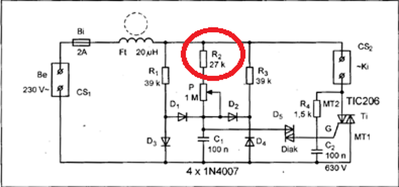
Megípétettem EZT a fényerőszabályzót 4 csatornában, és van egykis gondom. Már 60W-al terhelve is szép lassú füstölgés tapasztalható. Ez a 27K ellenállás a terhelt csatornákon szépen füstölög (tíz percig járattam). Szétszedtem, fekete. Ami fura, hogy először nagy volt a potik hiszterézise. Majdnem félállásnál kapcsolt. Ez tizperc alatt lecsúszott nulláig. Eltűnt a hiterézis, viszont megfőttek az ellenállások. Mi okozhatja? 100nF - nak tárcsakondi vanbennt. 32V -os. A hozzászólás módosítva: Ápr 9, 2015
1n4007 diodák nincsenek fordítva?
A hozzászólás módosítva: Ápr 9, 2015
Tegyél be kicsit nagyobb wattos ellenállást, mert ha már nincs poti, csak arról töltődik a 100 n.
A kondi legyen csak 630 voltos, mert esetleges diac hibánál az csettenik és az ellenállás leég. A diac ha pl. 32 volt körül billeg, olyan kis feszültségű kondi azért sem egészséges.
Kicseréltema kondikat 400V 0,1u -ra. 27k -ból is raktam bele nagyobbakat.
20 másodperc után is már süt. Nemtudom migondja lehet. Ami egymásmellett van 3 ellenállás eszméletlenül fűt. A nyákot lemostam alkohollal.
Az R1, R3 legalább 1W-os legyen, az R2 nem annyira kritikus.
Azótais szórakozok vele. R2 megsül. Kivettem minden diodát egycsatornából. Akkor is csinálja. R2 nagyon melegszik, r1 ; r3 kevésbé. Nemtudom milehet vele.
Talán valamivel hűvösebblett a buherált csatorna. Mindez félperc alatt. MInden alkatrész a nyák szerinti értékű. Naigen. A triakok BTA08 -ak... Amúgy szépen szabályoz. A hozzászólás módosítva: Ápr 9, 2015
Ami fontosmég, hogy mínimumra vett potinál is ez a helyzet. A potik 1Mohm -osak. Terheletlenül is csinálja. . Hollehet zárlat? Mertmárcsak erre tudok gondolni. Kisípoltam. Lehet az gond, ha több kiloval átvezet valamelyik sáv?
Mind a négyhelyen? A triak nemokozhatja? Nem TIC ment bele, hanem BTA. A hozzászólás módosítva: Ápr 9, 2015
Az R2 sorba van kötve a potméterrel, az nem melegszik, pedig nagyobb feszültség esik rajta? Ugyanaz az áram folyik át mindkettőn.
A következő a problémád: így rossz az egész..... állandóan megy a gyújtás.
Az indítást ( R1-R2-R3 közös pontja ) a terhelés és a triac közé kell kötnöd, mert a mostani állapotban teljes fényerőnél ( poti rövidzár környéke ) a 27k a töltőellenállás és a diac is folyamatosan adja az impulzusokat a már begyújtott triac felé, feleslegesen. Ha viszont átkötöd és begyújt a triac, a félperiódus további részében már nincs is igénybe véve. Ezt így szokták csinálni. - és nincs melegedés.
Kicsit mórickás, nézdd el nekem.
Sárgával jelöltem. Így jólenne?
Átkötöttem a rajz alapján, visszaraktam a diódákat. Megszűnt a melegedés. Kézel érezni, hogy langyos, de azmár semmi. Ezlessz akkor a megoldás. Átkötöm mind a négy csatornát.
Akkorviszont nemértem a cikket. Hibásan közölték a folyóiratot? Más is utánaépítette gondolom. Nekik nemmelegedett? Mégegy utolsó kérdés. Melyik potihelyzetben terhelem legjobban azokat az ellenállásokat?Max? A hozzászólás módosítva: Ápr 10, 2015
Rossz helyre rajzolták a terhelést a cikkben. Bővebben: Link
Nyilván az a max "terhelés" az ellenállásnak, amikor véghelyzetben van a poti... de az nem sok, mert msec nagyságrendnyi idő után begyújt a triac és az egész gyújtókörön pár volt lesz csak.
Ahogy a kondi feltöltődik 32 voltra pl, máris gyújt a diac és nincs tovább feszültség. Biztos másnak is megsült, hacsak nem rakta tele a panelt hatalmas ellenállásokkal... .. durva hiba...Jó a sárga jelölés. A hozzászólás módosítva: Ápr 10, 2015
|
Bejelentkezés
Hirdetés |





Esetleg ha a kérdőjel helyére egy másik TIC206 vagy egy kis relé kerül és azt vezérlem?













