Fórum témák
» Több friss téma |
Gyakorlatban ami nekem pontos volt vasmagon az a uH tartomany, es az NWT500 programjaval szamoltam (van egy ilyen tab benne), gondolom a hagyomanyos modszert alkalmazza ez is. nH tartomanyban soha nem az volt ami kellett volna, pedig szamoltam en mindenfelekeppen. Kozelitesnek jok ezek a programok (ami neten talalhato).
A hozzászólás módosítva: Ápr 10, 2015
Lehet nem pontos, mert elég nehéz induktivitást számolni, de ahogy mondondod úgyis hangolni kell. Különben is az, hogy három, vagy négy menet, majdnem mindegy, húzogatással, vasmag tekergetéssel beállítható. Persze jó, ha van egy műszer, pl LCM3, akkor lehet hidegen is próbálgatni. Meghát úgyis kell lenni trimmerkondinak is. Nem egy nagy sávszélesség, sokat babrálni nem kell.
A hozzászólás módosítva: Ápr 10, 2015
Igen, azt nem kétlem, nem is próbáltam, uH tartományban ha kell keresgélek méricskélek, ritkán kell készítenem oda tekrencet. Kering itt, vagy lehet valahol a neten egy rezgőkör.xls számoló, azt elég jónak találtam nanoH tartományban is, többször sikeresen készítettem az alapján rezgőköröket.
Egyben Pucuka hozzászólására is reagálva, uH tartományban én is inkább LCM3-at használom, elégedett vagyok vele. Persze még 0.5 uH elég pontosan mérhető, de 100nH körüliket méricskélni már nem való. Mikor bizonytalan vagyok és kényes a dolog, akkor próbatekerésekkel, próbatekercsekkel, összerakok egy rezgéskeltőt, és vevővel - frekimérővel levadászom a helyzetet. Max.: 2-3 próba, ha fix kondenzátor kell trimmer helyett, és megvan a kívánt tekercs. Rezgéskeltőnek megteszi 2 pnp UHF tranzisztor és egy ellenállás meg egy 3 voltos gombelem és működik szinte minden párhuzamos rezgőkörnél. Ez miatt még nem építettem meg komolyabb adaptert ezek méréséhez, mert ilyen egyszerű ák. levegőben is megáll a mérés ideéig
Ennek a rezgéskeltőnek a rajza érdekelne, elkérhetném? Persze csak ha nem áll szabadalom alatt.
Előre is köszönöm.
Persze, hogy nem. Illetve, lerajzolom, de oly egyszerű talán le is tudom írni
Én 2 darab (szerk.) BF680 pnp tranzisztort alkalmazok, az összekötésük olyan, hogy 1sz. tranz. bázisa a 2sz. Tr. kollektorára, 2 sz. tr. bázisa az 1. tr kollektorára. Mindkettő emittere közösítve, erre csatlakozik az ellenállás, aminek a másik vége meg a tápfesz pozitívra. Nos, marad kettő pontja így az áramkörnek, amelyek az összekapcsolt tranyók közösített bázis- kollektor pontjai. egyiket a GND-test, ill. negatív pontja a az áramkörnek. Természetesen a rezgőkör egyik pólusa is ez a pont. A rezgőkör másik pontja meg a fennmaradó szabad bázis -kollektor pont. igen alacsony áram ill. feszültségről is működik. A tápfeszültséggel és az ellenállás(330ohm tól -több tíz kiloOhm-ig) értékével tág határok között állítható a rezgési amplitúdó. Persze a Tr.ek határadatán beül. De ha rákeresel a nanoHenry adapterre, akkor megkaphatod ennek a kiforrott kapcsolási rajzát, én csak a lelkét vettem használatba, és leírásba. A hozzászólás módosítva: Ápr 11, 2015
Köszönöm.
Erre gondolsz? Találtam hasonlóan egyszerű rezgéskeltőt egy régi könyvben, de ősrégi germánium tranzisztorokkal. Szándékoztam megépíteni, ha szerzek Ge tranzisztort, de inkább akkor ezt.U.i.: Gondolom ha az ellenállás helyére beteszek egy potit akkor könnyen beindítható az oszcilláció. A hozzászólás módosítva: Ápr 11, 2015
Ez bizony. Magánvéleményem szerint lebeszélnélek a régi germániumokról. Csak ha önkínzás a szándékod, akkor nem szóltam. De bocsánatot kérek mindenkitől, mert jelentősen offolódik a téma általam.
(szerk: Igen ez a kapcsolás lelke, szerepel egy GDO leírásban, ott 100KOhm poti csuszkájával soros 330KOhm táplálta a BF-eket, ez pár mikroamper tápáramot jelent és nulláig levehető jelszintet. A hozzászólás módosítva: Ápr 11, 2015
Részemről nem lett Off, nagyon segítő áramkört csatoltatok be. Holnap ki is próbálom!
Ehhez hasonló a superregenerativ gdo is . Ha nem emlékeznél rá a GDO építési "ingerenciád idején" linkeltem , vk2zay nagyon kedveli ezt a oszcillátor fajtát.
Emlékszem rá és arra is, hogy nem indult el. Ott van a panel az ablakban, keresek/szerzek bele nagyfrekis tranzisztort, utána újra próbálkozom. Ezzel is azzal is. Most éppen egy kristályoszcit indítottam el a műhelyben (pár perce) mindjárt közlöm a helyén, csak letisztázom a rajzot.
Köszönöm, ezt nem tudtam, hogy már van induktivitás számoló is a segédprogramokban (régóta nem jártam már ott). Valóban nagyjából 3-4 menetes légmagos tekercsek jöttek ki eredmények, úgyhogy azt fogom használni.
Értem, akkor a tekercsek nagyjából rendben.
Még annyi hogy a BF245-ös tranzisztoros rész (pirossal bejelöltem a kapcsoláson) csak a frekvenciamérőhöz (meg esetleg PLL-es hangoláshoz) kell, tehát annak a kihagyása esetén működőképes marad a vevő, igaz? Ezen kívül a TBA120S3 jó a sima S változat helyett? Amennyire néztem az adatlapjukat azonosak a lábkiosztásuk is. --- más: Illetve amíg az alkatrészek megjönnek, addig megpróbáltam áthangolni egy 1 IC-s egyszerű rádiót is (TA8127N), ami valamennyire sikerült is, mert a légiforgalmi adások közül néhány bejött, viszont nekem nem az kell. Annyit csináltam, hogy az L1 modulátor tekercsről és L2 oszcillátor tekercsről leszedtem 1-1 menetet, illetve a velük (és a forgókondenzátorral) párhuzamosan kötött járulékos kondenzátorokat (33pF és 15pF a rajzon) eltávolítottam. Szerintetek ha a vevő elé kötnék egy BF961/ BF981-es RF erősítőt és az oszcillátor frekvenciáját feljebb tudnám hangolni még egy kicsit lehetséges lenne valahogy a műholdat venni? Azt tudom, hogy a sávszélesség itt sokkal kisebb mint a műsorszóró CCIR sávban, tehát a minőség sokkal rosszabb lenne, de végülis működhet, nem? Elvégre van akinek egy TDA7000-el is sikerült: Bővebben: Link
TDA7000 nem megy el 137 MHzig ...max 110 adatlapja alapján.
Inkább mint KF vevő és demodulátor működik.Jobbesetben valami válogatott példány lehet de ez elégé kérdéses.
Lábkiosztás kevés tba120nál.
Ki bemenetti impedanciák, ajánlott detektálási mód lc rezgőkör vagy kerámia rezonnátor legyen a kvadratúra / fm demodulátor körben .
Na kezd alakulni a rádió áthangolása, mivel sajnos a szignálgenerátorom csak 30MHz-ig megy, ezért kénytelen voltam máshogy megoldani a problémát:
Rákötöttem a rádió antennacsatlakozását a kábeltévére (UPC-nél még van analóg adás az alsó sávban is) és megtaláltam rajta az első TV adót (pontosabban a hangvivőjét) ami 147,25MHz-en jön (ezért a hang a 152,75-ön), tehát az oszcillátorral nincs baj, viszont a műholdat továbbra sem sikerült hallanom, viszont szerintem egyszer az 2 méteres amatőrsávot (145MHz) igen. Szerintetek egy dual-gate Mosfet-es antennaerősítő segítene venni a műholdat? Kera_Will: Mire gondolsz pontosan? Arra hogy a rajzról hiányzik valamilyen alkatrész vagy maga a rajz helyett inkább másikat ajánlanál amiben nem TBA120 KF IC van? Azért választottam ezt mert itt több fórumtársnak is bevált. Egyébként több TBA120-as kapcsolásban sincs ennél több rezgőkör, 1db kerámiaszűrő általában 10,7MHz-esés a hozzá kapcsolódó KF tekercs (a 7-es és 9-es lábra).
Írod, hogy a szignálod megy 30 Megáig. Akkor szinte minden frekvenciát elő tudsz állítani. Vételi célokra lehet, hogy termel annyi harmonikust a generátor, hogy elég lehet. Ha nem, mert esetleg szűrözött a kimenete, vagy esetleg szuper szinusz, akkor meg egy diódás vágóval lehet dúsítani a spektrumát. Így 27.4 - 13.7MHz szignáljellel a ötödik - tizedik felharmonikusa 137 MHz kívánt jel előáll. Ha mérési célokra nem is, de indikációra tökéletes lenne.
Amatőr sávon általában kis sávszélesságű modulációkat alkalmaznak.
NBFM ami kb.: max 3-5 KHz löketű. TV hang és a WBFM müsor szóró rádió sokkal nagyobb FM lökettel rendelkezik. NOAA holdak 36KHz "szélesnek kevés de már nem annyira keskeny" lökettel dolgoznak. Tehát a te rádiódat is erre kellene optimalizálni. TBA120 nak vannak olyan alverziói amik csak rezonátorral hajlandók működni LC körrel kevésbé. A 30 MHz generátorod kimenetére tegyél 1 diódát ami mint majd felharmonikus generátor működik. Vagy 2 - 3 db diódás / tranzisztoros kétszerező áramkört. Akkor 4szer vagy 6szor magasabb frekit fogsz kapni. Tranzisztorosnak némi erősítése is lesz. Lehet a 30 MHzig menő generátorodnak kicsi a max kimenőjele 10-100 mV lehet. Az nem nyitja ki a diódákat rendesen. Tranzisztort már jobban. Folyt köv ... diódás tranzisztoros duplázóról ... De azt lehet , hogy a RF műszerek topicba teszem be ...
Ebben nem értünk egyet. Youtubeon van video komplett beüzemelt TDA7000-es vevőről, ami előtt BF981 van.
Rendben jöhet mindkét kapcsolás jöhet. Az egyszerűbb diódás és a tranzisztoros is. Akár az Rf műszeres topikban is. De szerintem itt sem nagyon off ez a téma.
dokidoki: jó ezt kipróbálom, ez egy nagyon régi elektroncsöves szignál. (Orion emg-1166/b pontosan) egyébként, mélyrehatóbban a hétvégén lesz időm ezzel foglalkozni.
Ok . Azzal keverhetnek + előerősítő is
...
Diódás frekvencia duplázók:
Link Ha Nem csak duplázni kell hanem szintet is emelni akkor tranzisztort használhatsz ugyan úgy mint a diódákat. Oscilator unit körül sok sok tranzisztoros duplázó Triffiláris trafó kell, gyűrűmagra tekerve. A csöves generátornak akár voltos RF kimenője is lehet akkor nem kell tranzisztor mert az kinyitja a diódákat érdemes schottkyt használni. Persze ha kisebb a kimenő jel akkor erősíteni kell. A linkelt oszcillátor unitban sok a hangolt rezgőkör, ezek elhagyásával szélesebb sávú frekvencia duplázó készíthető.Legjobb ha csak fojtó tekercs van a kimeneti körben. Furier sor alapján a kimenőszint nagysága fokozatonként feleződik ha csak diódás duplázót használunk.Előfordulhat , hogy a 3.-ik fokozat diódáit már nem nyitja meg rendesen. A hozzászólás módosítva: Ápr 14, 2015
Agyaltam műhold emuláló célműszeren. A BA1404-es áramkör jutott eszembe, amit az ember kicsit feljebb hangol. Nem tudom kvarc jellel betáplálható-e az áramkör. 15.22 Mhz-es követ kilencszerezve, jó freki jön ki. Modulálni lehetne valamilyen HF csippel, de jó lenne egy sima MP3 is. Bővebben: Link
Na végül is addig próbálkoztam, hogy sikerült megtalálni a NOAA 18-at ma délután 16:50 körül, viszont nagyon gyenge volt a jel, úgyhogy a következő lépés, hogy megépítem azt a kapcsolást a SA612+TBA120 IC-vel, ami direkt erre van tervezve.
Ez az FM-rádió áthangolás járható út, az erősítést kiegészítő KF-erősítővel és tranzisztoros antennaerősítővel fokozhatod. Annak idején én is ilyen áthangolt tunerrel vételeztem.
szendi001: Az áthangolt rádióval, de nem volt egy túl jó minőségű vétel.
kadarist: Igen, nekem is úgy tűnik, csak ez egy elég gagyi 1 IC vevő (sima forgókondis hangolással, nem varikappal) amiben minden integrálva van, úgyhogy elég rossz volt a vetél éppen ezért nem is csináltam felvételt a hangról. Ez tulajdonképpen csak arra volt jó, hogy adjon egy kis sikerélményt. Viszont most már leadtam a rendelésemet a HAM bazárnál és külön vettem MosFet pakkot is (6 db BF961, 6 db BF964, 18 db BF982 tranyót tartalmaz), úgyhogy megépítem a fentebbi vevő kapcsolást és külön néhány antennaerősítőt is, hogy tudjak kísérletezni a rádióval is. Egyébként a légiforgalmi adók szépen jönnek rajta, csak pont nem az kell nekem. Ha az antennaerősítővel javul a vétel akkor kap egy ilyen: Bővebben: Link BF245-ös KF erősítőt is a rádió, bár nem tudom hogy fogom beügyeskedni, mert elég rendesen ösze van zsúfolva nyákja.
Közben gondolkoztam a KF erősítős részen, és arra jutottam, hogy kipróbálom mert találtam hozzá minden alkatrészt itthon.
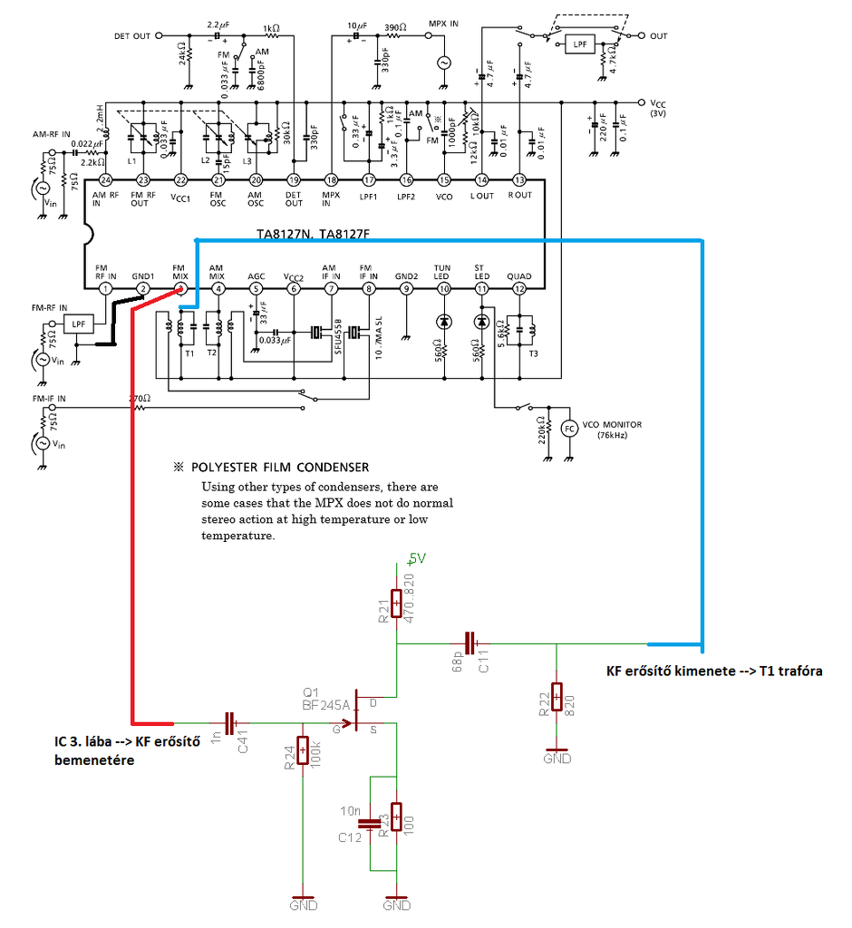
Viszont a beépítésével kapcsolatban lenne egy kérdésem: melyik variáció lenne a legjobb: ha az erősítő bemenetét az IC 3-as lábára kötöm a kimenetét pedig a T1 trafó bemenetére (1-es kép) vagy a másik, hogy a KF erősítő bemenetét a T1 kimenetére kötöm a KF erősítő kimenetét pedig a 10,7MHz-es kerámiaszűrőre kötöm (2-es kép)?
Jól értem hogy plusz fokozattal akarsz KF jelet erősíteni? Ennél szerintem jobb megoldás lehet az antenna tövébe tenni egy BF981-et egy hangolt körrel.
Én nem tranzisztort használtam, hanem TBA120U-t vagy S-t. Az erősített jelet a 9-es vagy 7-es lábról vettem le és az L2-t ilyenkor nem kell beépíteni és az L1 helyett egy 500 ohm-1kohm-os ellenállást lehet beépíteni. Bővebben: Link.
Ha van turelmed, akkor belathato idon belul oda tudom adni az en verziomat, esetleg ha epiteni akarsz, es szorakozni :] Ha erdekel, meg irj privatban, kb egy het mulva, hogy ne felejtsem el.
|
Bejelentkezés
Hirdetés |




Előre is köszönöm.



... 







