Fórum témák
» Több friss téma |
És szerinted amúgy a töltő az usb kábelben van, vagy pedig a helikopterben? (Egyszerre töltés és használat nincs, tehát gondolom a ki/be kapcsoló az akku + pólusát kapcsolgatja a töltő és az áramkör között, a töltő pedig az usb-n van, mert így kevesebb súly van a helin.)
Csatoltam képet. A hozzászólás módosítva: Márc 30, 2015
Ezzel a képpel semmit nem igazolsz. A helikopterekben használt akkumulátorok rendszerint 10C-20C-30C áramot is elviselnek, ehhez képest az USB legfeljebb 150-500mA árama nudli.
Súly szempontjából meg mindegy, hogy az akkumulátorra, vagy a helikopterbe van építve az a töltőáramkör.
2A-es töltővel töltöm, így kb. 20 perc a teljes töltöttség. A képpel semmit nem szerettem volna igazolni, csak arra lettem volna kíváncsi, hogy ez milyen áramkör.
Ez ránézésre legfeljebb egy feszültségszint visszajelző lehet.
Sziasztok!
A napokban kaptam egy Parkside PAS 3.6 A1 akkus csavarhúzót, de sajnos a töltője nélkül. Ehhez várom a javaslatokat valami egyszerű töltő kapcsolásra. A letöltött kézikönyve alapján az akkuja 3,6V / 1350mAh Lithium (hogy hány cellás az nem derül ki) Szintén a kézikönyv alapján az eredeti töltő kimeneti feszültsége 6,2V áramerőssége 400mA.
Hello!
Ugyan én itt más értékeket olvasok: "Battery charger output voltage: 6,8 V DC Battery charger output current: 550 mA Charging time: 3 hours Battery type: Li-Ion/1.5 Ah" ...de a töltő elektronika a gépbe lesz beépítve, a "töltője" meg csak egy sima tápegység. Legalábis az én más gyártmányú hasonló gépemnél így van... A hozzászólás módosítva: Ápr 2, 2015
Az nagyon valoszinüleg nem lithiumos akku!
A 3,6V egyöntetüen NiCd vagy NiMh-ra utal..... de lehet, hogy ezen olcso gépek gyártoi még a cimkét sem tudták rendesen átirni. A hozzászólás módosítva: Ápr 2, 2015
A régi típus meg ilyen. Az újabb kék színű...
A hozzászólás módosítva: Ápr 2, 2015
Csak most vettem észre, hogy: PAS és a PASS !
Ilyen "USB-s töltő" miatt ne tudd meg, hogy hány heli fordult meg már nálam felfújódott akkuval. A panelen van egy dióda sorba az USB 5V-jával, vagy mint esetedben a GND-vel, és töltéskor ezen a diódán eső feszültség nyit ki egy pnp vagy npn tranzisztort, ami vagy bekapcsolja a LED-et, vagy söntöli, ez is kivitel függő, mint ahogy a dióda elhelyezése is, így vagy akkor világít a LED ha folyik áram az akku felé, vagy akkor, ha már nem folyik áram. Némelyikben van egy 2-5 Ohm közötti ellenállás is sorban áramkorlátozás képpen, hogy az esetlegesen mélykisütött akku (találkoztam olyan helivel is, ami még 1,8V-os akkufesznél is ment volna) töltőárama ne haladja meg az USB áramkorlátját. Az ilyen töltők kb. 4,5V-ig akarják tölteni a szerencsétlen akkukat, mivel a heliben semmi töltőelektronika nincsen, a ki/be kapcsoló kikapcsolt állásban a töltőcsatlakozóra kapcsolja az akkut, bekapcsolt állásban értelemszerűen a heli elektronikájára. Az ilyen helikhez a pici kínaiaktól szoktam occó töltőelektronikát rendelni, amiben a Microchip cég 5 lábú SMD töltő IC-je van.
A hozzászólás módosítva: Ápr 2, 2015
Rá kell mérni a töltőcsatlakozóra, ha mérhető rajta az akkufesz, akkor egy egyszerű töltőáramkör készíthető hozzá 2db stab. IC-ből, általában az ilyen olcsó gépekben az adapterben van a töltőáramkör. a 3,6V még nem biztos, hogy kadmium vagy metálhidrid akkura utal, a régi Li-Ion akkuk még 3,6V-osak voltak, az én modellezős töltőmön is van a Li-Ion akkuknál egy olyan beállítási opció, hogy "Li-Ion type: 3,6V/3,7V". Ha esetleg szétszeded a gépet, és teszel fel a belsejéről képet, akkor tudok komplett kapcsolási rajzzal és akár paneltervel is szolgálni. Sok modellezős társamnak alakítottam át a régi csavarozójukat, a 3 AA méretű kadmium akku helyett kaptak egy laptopakkuból bontott cellát, és a mai napig tökéletesen mennek, az gépfüggő, hogy melyikben van annyi hely, hogy a mélykisülés elleni védelem is beférjen az akku mellé. Rosszabik esetben figyelni kell használat közben, ha kezd lassulni a gép, tölteni kell.
Még a régi, a zöld színű. Az értékeket innen olvastam:
Bővebben: Link
Rámértem de nem tudtam mérni rajta feszültséget. Szétszedni még nem volt időm, de elvileg a képen a gépben lévő akku látható.
Ok, akkor beszerzek én is egy töltőt. Esetleg egy kulcsszót tudsz adni, hogy mire keressek ebay-en?
Sziasztok!
Van egy mio gps-ből egy mélymerült lion akkum. Csak próbaképp kéne feltölteni egy kicsit. Manuálisan a piros és fekete vezetéken lehet adni neki feszültséget? Rendelnék bele újat ha ez a készülék baja, de feleslegesen nem akarok! Az akku: bp-lp1230/11-A00001 U 3,7V 1230mah Köszönöm a válaszokat! A hozzászólás módosítva: Ápr 15, 2015
Áramot adj neki, úgy 50-60mA környékén. Inkább kevesebbet, mint többet. Ha elérte a 3.0 V feszültséget, eredeti helyén is töltődni fog. Valószínűleg a védelmi elektronika tilt. Erősen csökkent kapacitással számolj, mert a mélykisütést nehezen viseli... Nem árt kipróbálni, mielőtt hosszabb úton számítasz rá.
Csak teszt erejéig kell, veszek majd új akkut, ha jó a gps.
Helló!
Ez az MCP 73832T link 2Kohm-os ellenállással létezik hogy sohasem tölt egy cellát a beállított 500mA-rel, vagy én hibázok hogy sorba kötöm a multimétert? 0,15A a maximum amit eddig sikerült mérnem. A hozzászólás módosítva: Ápr 17, 2015
Az áramot a táp és a töltő között mérd, különben összezavarod az IC-t.
Ha teljesen le van merülve a cella, akkor lehet csökkentett áramról szó, a beállított áram tizede van gyárilag megcélozva...
Hol méred ezt az áram értéket?
Most már a táp és az IC között mértem, de így sem több 0,22 ampernél ami egyre csak csökken.
Csak odaérintéskor egy pillanatra láttam 0,44A-t a műszeren. Az IC hőre amúgy kézzel érinthetetlen, rossz az áramköri terv (nem én terveztem). Létezik hogy ennyire kompenzálna? Kieg.: Akkufeszültség ügyben 3,85V-os töltöttségi szintűvel teszteltem. A hozzászólás módosítva: Ápr 18, 2015
Szia. Mennyi a bemenő feszültség? Ha melegszik az IC, az lehet normális is, ilyenkor közbelép a hővédelem, és csökkenti az áramot. Forraszthatsz valami nagyobb hűtőfelületet az IC közelében levő egyik legvastagabb vezetősávra. Az viszont furcsa, hogy 220mA folyik be, és 55-60fokos az IC. Folyik a cellába is valami?
Én egyszer egy soros 0.1ohm-on keresztül töltöttem egy cellát, pont monitoroztam az áramot, és a feszültséget, és a töltés vége felé észrevettem, hogy nem áll le a töltés, a feszültség csökken, az áram pedig szép lassan nő... A cella elkezdett melegedni, a töltő IC nem tudta detektálni, hogy a cella fel van töltődve, mert a 0.1ohm-on esett feszültség. Ezért kell normális vezetékkel csatlakoztatni a cellákat a töltőhöz!
Szia!
6V-os tápra kötöttem. Az IC-hez multiméter mérőszondáját érintve (hővezető paszta nélkül, nem akartam összekenegetni) bár 50°C körül mértem, kézzel érintve melegebbnek tűnik. 220mA áramfelvétel mellett valószínűleg közel annyi megy a cellába is, csak ugye úgy bekötvén biztos megzavarom az IC-t és emiatt nem annyit mérek neki.
6V-ról ennyit kell elfűtenie, az 50fok normálisnak mondható. Rakj a környékére nagyobb réz felületet, és/vagy 5V-ról tápláld. Bőven elég neki ennyi is, és nem fog melegedni ennyire.
Én speciel ezt használom már régóta, nekem tökéletesen bevált.
A hozzászólás módosítva: Ápr 20, 2015
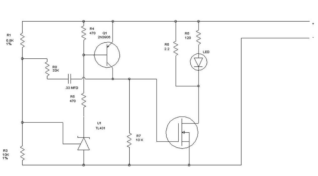
Sziasztok! Építeni szeretnék egy 11,1V-os akku pakkot. A kérdésem az lenne, hogy valaki megépítette e már a mellékletben lévő balancert? A balancer nem zavarja be a védelmi áramkört? Úgy szeretném megépíteni, hogy a töltő-balncer-védelmi áramkör egy dobozban vannak az akkumulátorokkal, a balancerben csak a tl431+ellenállás osztó fogyaszt ha nem aktív a töltés-kiegyenlítés? Válaszokat előre is köszönöm!
A hozzászólás módosítva: Ápr 22, 2015
Köszönöm!
Sziasztok! Van egy li-ion akkum, amit egy mikrokapcsolón keresztűl használok. Abba a problémába ütköztem, hogy mikor fel szeretném tölteni, szükséges nyomjam a kapcsolót, hogy zárja az áramkört. Úgy döntöttem, hogy a kapcsolót áthidalom egy diódával, ami majd megoldja a problémát, de nem így lett
. Mellékeltem egy képet ahol jobban látszik ez az egész. Tudnátok valami egyszerű megoldást ami kicsi helyen is elfér és megoldja a problémát?
Üdv.
Ami a rajzba szerepel az egy nyomógomb... A nyomógomb helyére iktass be egy kapcsolót és akkor nem kell folyamatosan nyomkodnod..
Vagy miért nem kötöd a töltőt a nyomógomb után? A fogyasztó meg menne a nyomógombról, mint eddig is.
|
Bejelentkezés
Hirdetés |











. Mellékeltem egy képet ahol jobban látszik ez az egész. Tudnátok valami egyszerű megoldást ami kicsi helyen is elfér és megoldja a problémát? 





