Fórum témák
» Több friss téma |
Fórum » RIAA korrektor
Témaindító: Ghost Rider, idő: Aug 25, 2006
Húú! Ez nagyon ott van! Végül sikerült kiváltani a FET-eket?
Szia!
Köszönöm! Van egy ideiglenes tápom, de azon a nagyfesz. stabilizátoron kívül semmi más nem hasznosítható, úgyhogy tervezek majd neki valamit. Az eredeti elég bonyolult, és feleslegesnek is tartom hozzá.
Köszönöm Mester!
![]() Maradt a BF 245! 2 ellenállás csere után beállt a 3mA! Még a differenciákkal lesz nagy szívás úgy érzem, nem akarok új csöveket venni bele.
Sziasztok!
Felmerült bennem egy kérdés...lehet,nagyon amatőr lesz,akkor előre elnézést... Azt tudjuk,hogy a hanglemez vágásánál egy szabványos korrekciót alkalmaznak (RIAA),melyben három törésponti frekvencián korrigálják a frekimenetet. Ezek sorban:50Hz(3183us), 500Hz(318us),és végül 2122Hz(75us). /az"us"mikroszekundumot jelöl,de "mikro"-jelet nem találtam/. Ez idáig tiszta és érthető...nade(!!) Akárhány korrektor rajzot megnézek,mindegyiken két RC-tagot látok mindössze a visszacsatoló hálózatban.Joggal merülhet fel a kérdés:hogyan állítanak be két RC-taggal három törésponti frekvenciát?? Erre ezidáig sem sikerült rájönnöm. A hozzászólás módosítva: Ápr 20, 2015
Mert nem sok értelme lenne 1:1-ben leképezni a vágási karakterisztikát ( amugy közben a már emlitett 3 idökonstanshoz jött egy 4. is, ami 20Hz alatt vágja a hangot, hogy kiszürje az infrahangokat.). A vágási elökompenzácio egy bonyolult mechanikus berendezést kezel ( lemezvágot) igy az elektronikai jellemzök csak áttéve válnak a lemez valodi jellemzöivé.
A képen láthatod a RIAA frekvenciamenet inverzioját ( kék vonal) rátéve az elméleti vágási elökorrekcio számolt frekvenciamenetére. Az eltérés a sarok frekiken 3 dB alatt van ami elfogadott hiszen számolt értéket hasonlitunk valos frekvenciamenethez.
Ez tiszta és világos,mi több...meggyőző is.De így nem szenved csorbát a minőség? Nálam az LP a legtöbb esetben mélyhiányos volt,és itt is sokszor találkozni hasonló panasszal... Vagy ilyenek lennének a lemezek? Ahogy látom,az ARC-kapcsolások is két törésponttal operálnak mindössze.Szintén egy ARC-recepten hallgatok én is lemezt,toronymagasan jobb a HFM-I,revox,NAD,és hasonló szintü tranyós cuccoknál.Azért arra kíváncsi lennék,ha számítanánk hozzá egy harmadik RC-tagot (a 20Hz-es vágás nyilván hanyagolható,sőt...),mennyiben javulna a mélyátvitel. (az a 3dB adott esetben nagyon is sokat tud jelenteni,mivel1-1,5dB már hallható).
A hozzászólás módosítva: Ápr 21, 2015
Ez tul bonyolult ahhoz, hogy egyöntetü válasz legyen.
A lemez hangja elsösorban a cuttertöl függ, mennyi idöt, energiát szán rá és milyen tapasztalatai vannak. Szoval elöször is rajta kell lenni a lemezen azon mélyeknek amit hallani szeretnél. ( ez néha nagyon bonyolult feladat az elötolást helyesen megválasztani - ez a lemez kapacitására is kihat). A vörös görbe mint ahogy irtam egy számitott frekvencia menet, ami egy mechanikus szerkezetet hajt meg. Nem hiszem, hogy a mechanika 2-3 dB-nél szorosabban tudná követni az elektromos jeleket, igy csak a tapasztalat adja, hogy ki higyan állitja be a vágoberendezést a jelek követésére. A klasszikus német iskola szerint nyilván a maximális linearitást veszik célba, az angolszászok meg lezserebben inkább a jobb szubjektiv hangzásra mennek. Szoval abszolut nem biztos, hogy a londoni lemezvágo frekvenciamenete lineáris mint egy vonalzo. ( ez a probléma megvolt a rádioadoknál is, a szalagoknaĺ is meg mindenütt ahol kritikus a moduláció. A következö gond a vinil és a technologia megválasztása, itt is vannak kihivások és gazdasági kérdések. Ha ugyanaz a lemez az egyik lejátszo rendszeren jol szol a másikon nem, akkor a hiba az Ön készülékében van ( nagyon ritkán a RIAA korrektorban). Szoval ilyenkor már olyan akcentusok jelennek meg, mint a csöves verzus félvezetös készülék, visszafogott vagy szabadabban " lengö" hangszorok, a szoba akusztikája stb. Itt abszolut nem ama 1,5-2 dB-röl van szol, hanem a rendszer - fizikai paraméterekkel alig leirhato jellemzöiröl. ( más szoval, ha azt a néhány dB-t ki is egyenlitenéd nem biztos, hogy meg lennél elégedve a hangzással). Néhány éve vettem egy magyar CD-t, fiatalkorom kedvenc és igényes zenekarátol. Van tölük néhány fekete lemezem is, söt egyik másik dal felvételén is jelen voltam. Egészen megdöbbentem, hogy a CD milyen rosszul szol ( se alja, se teteje, és a modulácio is jo 6 dB-lel alacsonyabb, mint amit a CD elbir!). Sokkal rosszabbul mint a ~40 éves fekete lemez, és sokkal rosszabbul, mint más zenék ugyanabbol a korbol, ugyanabbol a studioból. ( külföldi zenékröl nem is beszélve). Számomra érthetetlen az ilyen igénytelenség mikor manapság már akár otthon a PC/MAC-n is remekül lehet masterelni.
Sziasztok! Egy régi Tesla lemezjátszó RIAA csak passzív alkatrészekből áll. Ez milyen előnyökkel/hátrányokkal jár, miért ilyet építettek bele?
Rendben,köszönöm a kimerítő választ.Van néhány LP-m,ami tkp. "jól szól",abban az értelemben,hogy a magas-közép-mélyhang arány tökéletes,vagyis a rendszer végülis tudja reprodukálni,-ha van mit reprodukálni. Sajnos,ez a lemezek cca.20%-a mindössze.
Elönye, hogy kevesebb zajjal jár, de attol még nem biztos, hogy zajtalan, mert az elötte és az utánna levö lineáris erösitö zajos lehet. Egy biztos, hogy a szüröt nem lehet tul modulálni, igy nem lesz rajta rosszabb a torzitás.
Ezt a vitát kb. örökké folytathatnánk. Akkor döbbentem rá nagyon, amikor a holland Pink Floyd - Wish You Where Here lemezem mellé kaptam egy indiai (MHV számára gyártva), majd vettem egy "eredeti angol nyomást. Ezekre cáfolva a holland fényévekkel szebben szól, de két hete vettem az ebay-en egy német nyomást is, az angol rosszabb volt, mint a német. Az indiai nyomást már csak a lengyel, vagy a jugoszláv verzió tudná alul-szárnyalni. Az angol nyomásnál hiányoznak a mélyek és sziszegnek a magasak, meg az ének is ... . A német nyomással az a bajom, hogy nincsen dinamikája. Olyan, mintha agyon kompresszorozták volna.
Kissé utánanéztem,a régi szakirodalom mit "szól"ehhez.nos... Csabai Dániel, Hangtechnika amatőröknek című,1985-ös kiadású művében ekképp ír erről; "...a gyakorlatban használt előerősítők az alsó töréspont megvalósításához többnyire nem tartalmaznak korrektül méretezett RC-tagot az időállandó pontos betartására,mivel a használt csatolókondenzátorok,és bemeneti impedanciák ezt önmagukban megvalósítják."
Hjaa,kérem... ![]() Meglátásom szerint régen rossz,ha a korrekció ily módon,a lezáró,-és forrásimpedanciák által kialakuló,ellenőrizhetetlen töréspontokra épül... A hozzászólás módosítva: Ápr 30, 2015
Azért ne vedd készpénznek egy szerencsétlenül megfogalmazott mondatot. Már akkor is voltak jo müszerek, amikkkel, ha akarták, nagyon pontosan bemérhették ama kétséges alkatrészeket. Általánosságban igaza volt, mert ki a fene fog mérecsgélni a tömegprodukcioban 1-2 dB-ért (meg akkor miröl irnának a vájtfülü szakirok a mindent tudo szaklapokba?
. Ráadásul a pontosabb korrekcio nem biztos, hogy jobb hangzást adna, mert arra sok minden nagyobb hatással van mint a preciz frekvenciamenet. (Ahogy te is irod, azokra a jellemzökre meg nincs a mai napig semilyen szabvány. Ezt láthatjuk manapság is. A CD-k abszolut lineáris frekvenciamenettel rendelkeznek mégsem tetszik mindegyik hangja). Ennek ellenére még a legdrágább profi berendezésekben sem futottam össze 3 pontos RIAA korrektorral. Ilyen egyedül a lemezgyárban fordult elö, ahol ugyanazt a korrektort használták ( invertálva) a lejátszásra, mint a felvételre ( igy tudták ellenörizni a mechanika linearitását). Máshol volt néhány mérölemez, azok segitségével a profi studiokban beállitották az RIAA korrektort ( ismét kihangsulyoznám a különbséget a kontinentális és az angolszász hozzáállás között) és ennyi volt ( ellentétben a magnokkal, a lemezjátszokat jo ha évente egyszer piszkálták a kollégák).
Sziasztok!
Ebben a már megépített kapcsolásban szeretném lecserélni az LM324-est valamilyen jobb audio releváns paraméterekkel rendelkezőre. Amit kinéztem az ON-féle MC33240P de az a kapcsolás kvalitásaihoz mérten szerintem aránytalanul drága (kis tételben legalábbis) és viszonylag nehéz beszerezni. Fontos, hogy alapból asszimetrikus tápellátásra legyen tervezve, mert már kész a panel és így nem tudok módosítani rajta. TL074-es is ezért esett ki sajnos, pedig oda csak pár plusz ellenállás kellett volna. Melyik lábkompatibilis típust ajánlanátok? Köszi!
Próbáltam én is, de gyakorlatilag nem szólt. Bekapcsoláskor szinte azonnal elhallgat, és utána pár másodperc múlva ugyan elkezd szólni de nagyon torzítva. Szerintem kellenének még 1:1 arányú feszültségosztók a neminvetáló bemenetekre a bias miatt, ha nem szimmetrikus tápról üzemel a kapcsolás.
A hozzászólás módosítva: Máj 9, 2015
R9/R5, R10/R6 ellenállásokat 47k- ra cseréld, most vettem észre, hogy a rajzon nem így van.
Köszi! Hát, ezt én is igazán észrevehettem volna... Amúgy 10k van itthon csak ami a legnagyobb de oda gondolom jó lesz az is, ha kerül nagyobb max lecserélem.
Osztó ellenállásai egyformák legyenek 47k-100k között ..
Megpróbálok ilyen értéktartományban keresni ellenállásokat. Ha esetleg csak ettől kisebb értékűek állnak rendelkezésre (azért 10kohm-os nagyságrendűekre gondolok) akkor az milyen nemkívánatos hatással volna az áramkör működésére?
Bemeneti impedancia fog csökkenni, 100K ellenállást vegyél. MM hangszedők ideális lezárása kb 47k.
Köszi az infókat és a segítséget. Én mozgó mágneses hangszedőt használok, akkor 47k-t teszek bele inkább.
100k, ahogy CHZ írta.
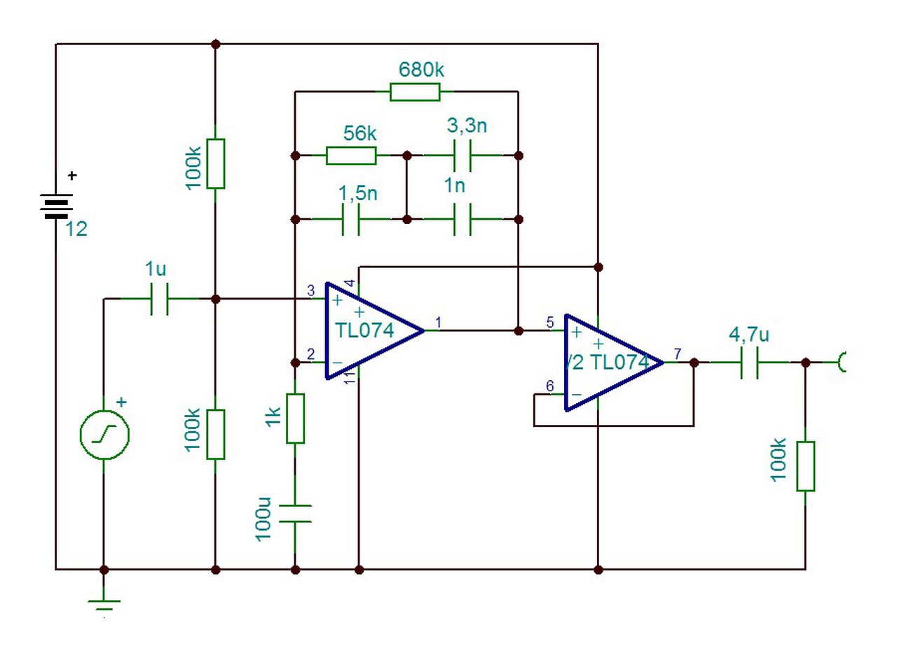
Ha szeretnéd, hogy mélyhangok is legyenek lemezhallgatásnál, akkor így módosítsd a kapcsolást. Az eredeti alkatrészekkel több mint -5dB-el tért el a mélyhang tartomány a lineáris átviteltől.
Köszi a tippet lehet, hogy ki fogom próbálni majd ezt is, csak akkor ahhoz már esélyes, hogy másik nyák is kell majd. Amúgy mindezek ellenére egészen korrektül szól ez pl. a keverőm phono előfokához képest ami feltűnt az eredei OA-val az a nagyobb alapzaj kivezéreletlenül. Melyik programmal szimláltad amúgy?
Miért kellene másik nyák?
Ugyanaz a kettő, csak másak az alkatrész értékek. A 4,7nF helyére meg be lehet azt a két kondit párhuzamosan is tenni. A mélyek azért is kevesek nálad, mert többen, többször írták, de mégsem 100kOhm -okat tettél a bemenetre, tápfesz felező ellenállásoknak. Ne felejtsd el, hogy jel szempontjából párhuzamosan van kötve a két ellenállás, vagyis 10kOhm -ok esetén, amit te akartál oda tenni, az eredő bemenő impedancia 5 kOhm -nál kisebb lett volna. Ahhoz meg kevés az 1u becsatolónak.
Ez a kapcsolás még azelőtt elkészült, hogy itt kérdezősködtem volna a bemeneti feszosztó értékeiről, szóval egyelőre hozzá sem nyúltam még, nem raktam be 10k-s ellenállásokat s így már nem is fogok mert tudom miért nem lesz úgy jó. Mindezt előre tudva nyilván 100k-s ellenállásokat tettem volna be inkább eredetileg is. Amúgy a becsatoló kondenzátor értékét milyen megfontolások alapján határozhatom meg? Hogyan szokás azt számítani?
Tina-val lett szimulálva. A diagramon lehet látni az eltérést.
Nem kell új nyákot készítened, csak azt a pár alkatrészt kell cserélni.
Hát igen, a Tina miatt sírom vissza csak a Windows-t. Az új nyákot csak azért mondtam mert nem igazán szeretek utólag felforraszgatni alkatrészeket a pad-ekre de persze nyilván be lehet tenni úgy is. Elképzelhető, hogy mégis azt fogom csinálni. Volna még néhány kérdésem csak azért, hogy értsem is mit miért. Az invertáló bemeneten le lett cserélve a 1,5k 22µF páros 1k 100µF-ra, ezt mi alapján határoztad meg és mire van kihatással? A kimeneten még látok egy 100k-s ellenállást pluszban az feltétlen szükséges? A 47µF-os kicsatoló kondenzátor lecserélésre 4.7µF-osra, milyen pozitív hatással lesz majd a hangzásra?
A hozzászólás módosítva: Máj 10, 2015
|
Bejelentkezés
Hirdetés |














