Fórum témák
» Több friss téma |
Üdv!
Nem tudom, hogy állsz a témával... . de a rajzon 220/12 V-os trafó van. Szerintem 12/220V a helyes, hiszen 12v-tal eteted szaggatva és 220 v-ot egyenirányítva küldünk a gyújtótarfóra szaggatva(impulzus), hogy jónagy feszkó legyen a kimeneten (nem kifejezetten a deley a fontos), hogy messziről átüssön- csípjen.
Kapcsolóüzemű 12 voltos 1A-s táp miért nem jó inverteres villanypásztor üzemeltetésére.
Bocs mellé nyomtam, de nem volt kedvem módosítani.
Ezért most írok egyet. ?
Tisztelt hozzászólók!
Valaki írjon már le egy olyan tekercselést, amivel ki lehet váltani az autós gyújtótrafót. Értem én ezalatt hogy primer és szekunder tekercs huzalátmérő, menetszám és vasmag átmérő és hossz. Az ereje meg jobb legyen az autós gyújtótrafóénál.
Szia Thomson!
Ez a kapcsolás milyen hosszú vezetékkel működik? Érdemes megépíteni?
Próbáld meg,tegyél egy diódát (1N4007) sorosan a pozitív ágba nyitó irányba,esetleg még egy 1000µF/25V kondenzátort a dióda után.
Szia:Lehet tudni,hogy melyik kapcsolásról van szó?Esetleg képet tudnál felrakni róla.
A hozzászólás módosítva: Máj 25, 2015
Olvastam egy hozzászólást miszerint az autós gyújtótrafós megoldástól ne várjunk csodát. Ezért kérdeztem ezt a tekercselős megoldást. Viszont ilyen kapcsolás nincs fenn az oldalon.
Szia!
Én építek kicsit, ami a visszajelzések alapján kb. 4-600m-t tud és nagyot, ami a visszajelzések alapján kb. 1,5-2km-t tud és nagyon erős. Szerintem jók nagyon, nem volt még rá panasz sose. Én is szeretnék nagyobbat, de ez a tekercselés nem az én műfajom.
A villanypásztorod, mivel azt írtad nem jól működik.
Igazából nem az enyémről van szó csak azt hallottam, hogy a a kapcsitáp és az inverteres pásztor nem igazán kedvelik egymást.
Nekem az ég egy adta világon sosem volt ilyen jellegű problémám, pedig nem egyet teszteltem arról.
A tesztelés nekem is működött, de az (olcsó) kapcsolóüzemű táp szénné égett később, és szénné égette az inverter részt is a pásztorban... Pedig 12V 1A-es táp volt, és csak 100mA körül vett fel átlagban, lehet, hogy nagyobb puffer kellett volna rá, mert megrángatta, vagy valami plusz szűrés, esetleg dióda.
Lehet, de többen is panaszolták, hogy a kapcsolóüzemű tönkrement villanypásztorral. A magam részéről, ilyen mostoha környezetbe inkább a sima trafósat raknám, kevesebb alkatrész, kevesebb hibalehetőség.
Hello!
Az Horizont villanypásztorok gyárilag kapcsolóüzemű tápokkal működnek. Nekem semmi bajom nem volt még az efféle tápokkal, trafóssal viszont igen. A 12V helyett 17-18V-ot is leadtak ha minimálisan voltak terhelve és ebből voltak problémák. Márpedig egy pásztornál nekem szempont, hogy keveset fogyasszon.
A magyar gazdák gondosságát ne felejtsd el, hoztak már olyan pásztort javítani, amiből 2 deci rozsdás vizet öntöttem ki, így a benne lévő elektronikából csak a trafó maradt meg, legalább az impregnált volt.
A horizontnál szeretik elbonyolítani a dolgokat, az invertert, kisütést is CMOS IC-kkel oldották meg abban, ami nálam járt. A trafósnál persze rendes tápra gondoltam, nem dugasztápokra, ha azt jól megcsinálja az ember, nem kell stabilizátor se, nem nyírja ki az 555-öt. És ezzel is lehet visszacsatolást csinálni, szóval ha feltöltődött a kondi, leállítja az invertert, nem fogyaszt feleslegesen.
Szia-sziasztok!
Nálad nyomtam meg a válasz gombot,de amit leírok azt mindazoknak szánom kiket érint vagy érdekel.Igazából nincs probléma a trafós tápokkal csak jól kell méretezni.A 12 voltos tápok csak a névleges terhelésen adják a 12 voltot,kisebb terhelésnél természetesen a feszültség megemelkedik.Válasszunk egy olyan trafót,mely bírni fogja a kellő áramot a pásztor ellátásához,az üresjárati feszültségét 9,5-10V-ra állítsuk be (lehet letekerni a szekunderből vagy éppen rátekerni),ezt egyenirányítva és egy 1000µF kondenzátorral pufferelve a kimeneten max. 13,5V mérhető üresjáratban.Ez a feszültség és kb. 4-500mA áramig terhelve (inverteres kapcsolás,impulzusos áramfelvétel) olyan 1,2V-ot ingadozik és bőven el tudja látni a pásztort,nem megy tönkre az 555 IC sem,feszültség szemponjából ez a "legkényesebb" alkatrész.Az inverterbe válasszunk olyan kis trafót ami 230V-ról üresjáratban 9-10,5V feszültséget ad le,elég lehet 2-4W teljesítményű,ezzel már egy 16µF/450V AC motor kondenzátort fel lehet tölteni 400-420V-ra,ha az impulzusok sűrűsége nem kevesebb 1mp-nél.Ezt a feszültséget rásütve egy autó gy. trafóra elég szép szikra keletkezik.A nagyfeszültségű kimenet és a test között ott kell lenni a max. 10mm szikraköznek !! Ezzel már el lehet látni 6 hektár birtok kerítését.Egyéb alkatrész értékeket pár oldallal előrébb már leírtam. Javítottam gyári pásztor,mely beázott,meghótt,csak a trafó és a kondi maradt.Ezzel az inverteres kapcsolással töltöttem a kondiját 600V-ra (volt egy eredeti működő,ott mértem,az volt az alap,ezt kapta az eredeti trafó,olyan szikrát adott,hogy rá lehetett volna gyújtani róla.Ami a lényeg,a tulaj szerint ugyan akkorát üt a sok hektáros kerítésén mint eredetileg s máig hibátlanul működik. Sokat beszélünk róla,de igazából még senki nem mondta ki.Az egyik legfontosabb alkatrész a nagyfeszültségű trafó,ha ez gyenge vagy csak éppen elfogadható (autó gy. trafó mert nincs más) és nem képes a kellő teljesítményre,akkor építhetünk akármilyen kacifántos inverteres részt a várt eredmény elmarad,mert nincsenek csodák. Elnézést kérek az okoskodásért,senkinek nem kioktatásként szántam!
Én is erre akartam kilyukadni, hogy a kapcsi tápok nem bírják azt a áram ingadozást amit a pásztor töléts-kisütés közözt végez.
Az meg, hogy egy gyári pásztor azzal van üzemeltetve arra meg szerintem a dobozon belül csinált valami varázslatot a gyártó...., lehet, hogy ezek a készülékek viszont a normál trafós adaptertől köszönnének el. Azért egy gyártónak sem piskóta olyan készüléket előállítani ami birja a szélsőséges üzemeltetést értem itt az olyat mint pld 9 voltos szárazelemről megy a gép, de a paraszt ráteszi a 12 voltos aksit és ugyan ez értendő az adapterekre simán ráteszi a 15voltos fúrógép tölő adaptert, mert hogy azzal IS megy. Nem beszélve arról amikor váltó áramú adaptert tesz rá, mert, hogy a csatlakozója megyegyezik és akkor az már jó lehet címszóval.
A legkorrektebb megoldás viszont az, ha az 555-öt egy külön zeneres vagy stabkockás áramkörrel tápláljuk, az inverter boldogabb, ha nagyobb bemenő tápot kap.
Ha csak hálózati üzem kell, akkor viszont a leválasztótrafó, graetz, ellenállás, motorkondi és a szokásos diac-os relaxációs oszcillátoros megoldás a legjobb, az egyszerűség jegyében. Tudnék tervezni mikrokontrolleres okos, tanítható, okostelefonnal vezérelhető pásztort is, de lássuk be, hogy erre a feladatra tökéletesen felesleges. ![]() Nekem is egy gyári gallagherből mentett trafóval megy 10µF-os kondival 500V-ról, pont tegnap próbáltam, 4-5 réteg fénymásoló papíron átüt, de úgy, hogy közben szikrákat is szór.
A minap került hozzám javításra a képen látható készülék ami hálózati üzemű azaz 230 voltról üzemel.
Igazából azt a részét kellene górcső alá venni ami a 230 voltos hálózati feszültséget több mint 500 volt fölé emeli. A hozzászólás módosítva: Máj 31, 2015
Ja, és ez töltés alatt sem esik 330 Volt alá.
Azigen! Nem lehetne visszarajzolni? Bonyolult kapcsolás? Esetleg lefényképezni mindenhogy, hogy később vissza rajzolhatnánk?
Készítek majd egy fotót már csak azért is hogy a doksi meglegyen erről a típusról is.
Sziasztok!
Nem bonyolult a kapcsolás, úgynevezett feszültség kétszerező-vel töltik azt a kondenzátort. De gyári technika, átalakítani, klónozni nem szabad. A hálózati feszültségtől nincs galvanikusan leválasztva, előfordulhat olyan meghibásodás ami miatt kikerül a hálózati feszültség.... Ha javítod, csakis az eredeti alkatrészeknek megfelelőt használj! üdv.kila ui.A fénykép jó ötlet, a doksi sosem árt!-köszi A hozzászólás módosítva: Máj 31, 2015
Üdv,
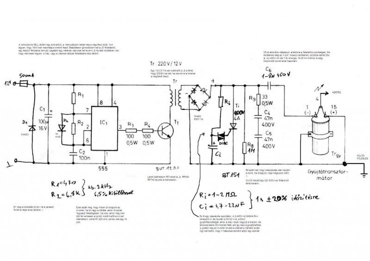
Szakértő véleményeteket kérném a mellékelt kapcsolásról...
Szia:Ha egy kapcsolásra gondolunk (kép mellékelve) én nem rég csináltam egyet belőle,és 15 ha területet véd.Azt mondta a tulaj,hogy tökéletesen működik persze egy kis módosítással készítettem el.
Én is ezt építettem meg. 6µF-os kondival, de a kerítésre ráakasztva csak 2KV-ot ad le. Hogyan lehetne növelni a teljesítményt?
Idézet: „persze egy kis módosítással készítettem el” Szabadna erről kicsit bővebben hallani? Erre a kapcsolásra gondoltam,amiket én változtattam,azokat már leírtam. |
Bejelentkezés
Hirdetés |




A horizontnál szeretik elbonyolítani a dolgokat, az invertert, kisütést is CMOS IC-kkel oldották meg abban, ami nálam járt. 







