Fórum témák

» Több friss téma
Fórum » Villanypásztor
 
Témaindító: bernardo, idő: Feb 5, 2006
Témakörök:
Lapozás: OK   183 / 306
(#) zosza18 válasza mikado hozzászólására (») Márc 26, 2015 /
 
Szia!
Ez lenne az, csak az alkatrészek más típusúak és vannak benne visszajelző LED-ek. A képek között megtalálod a kész áramköröket is.

Kapcsolási rajz
(#) Hali79Laci hozzászólása Márc 29, 2015 /
 
Sziasztok!

Vadak ellen szeretnék villanypásztort. Olvasgattam a fórumot és találtam két hasonló inverteres áramkört. Képeknél beültetési rajzokat is. A TO3-as BU326 vagy T0220-as BUT12, 2SC2626-ös a jobb? Akkuról szeretném, 12V-os (6VA-es) trafóm van és egyenlőre kaptam egy 12V-os Trabant gyújtótrafót.
Itt a két rajz melyet látok a fórumon:
Bővebben: Link
Bővebben: Link

Találok a fórumon nyákrajzot is? Persze a beültetésiből meg tudom oldani.

Előre is köszönöm!
A hozzászólás módosítva: Márc 29, 2015
(#) Vackor válasza exorcist hozzászólására (») Ápr 5, 2015 /
 
Fémkeresővel. A Pi-detektor még 500 méterről is jelzi a villanypásztort.
(#) thecyrus hozzászólása Ápr 8, 2015 /
 
Szép napot mesterek! Van valakinek ötlete vagy rajza a képen látható visszajelzőnek? Hogyan is működik? Csak a karámon van nincs földelve és úgy jelez!
Válaszokat előre is köszönöm!
(#) mikado válasza thecyrus hozzászólására (») Ápr 8, 2015 /
 
Bővebben: Link
de nem vagyok biztos benne, hogy villanypásztorral is működhet-e...
(#) thecyrus válasza mikado hozzászólására (») Ápr 8, 2015 /
 
Hasonlóra tippeltem volna én is de ezzel nem tudom menne e. Milyen dióda lehet ez? Nem bírtam még hozzá jutni ilyenhez hogy szétszedhessem pedig jó lenne.. Várnék még ötleteket!
(#) mikado válasza thecyrus hozzászólására (») Ápr 8, 2015 /
 
Mellékelve
A hozzászólás módosítva: Ápr 8, 2015
(#) thecyrus válasza mikado hozzászólására (») Ápr 8, 2015 /
 
És ez működne is egy 10kv karámon is? Ha elvileg ilyen "egyszerű" akkor boltba miért 7-9 ezer egy belőle? Más dióda nem jó csak ez?
(#) flajosf hozzászólása Ápr 9, 2015 /
 
Sziasztok! Tönkre ment a villanypásztorunk impulzustrafója (? - a primer oldal két vezetéke ellenállás nélkül vezet). A kérdésem az lenne, ezen konstrukció megépítéséhez használhatok-e fénycső gyújtó trafót? Azt olvastam, hogy a nagy teljesítménye miatt "nagy körültekintést igényel" a használata, na de ha 9/230v-3,6w nyáktrafóról üzemelem, akkor is veszélyes? Vagy egy teljesen más konstrukciót kellene választanom a megépítéshez? Még annyi, hogy a gyújtó kondenzátor 25µF-os, remélem ez nem gond. A segítséget előre is köszönöm:
Lajos
(#) Cavalier válasza flajosf hozzászólására (») Ápr 9, 2015 /
 
Biztos a trafó rossz? Elég kis menetszámú, viszonylag vastag huzalból van az a primer, nem kell, hogy jelentős ohmos ellenállást képviseljen.
(#) Wegg válasza flajosf hozzászólására (») Ápr 9, 2015 /
 
Szia . Több sebből vérzik ez a panel így ránézésre is .
A D19 dióda egyik lába kicsípve .A töltő trafó (fazékvasmagos ) felső fele szintén hiányzik (letörve ) . De még több baja is lehet ezek után .
(#) flajosf válasza Wegg hozzászólására (») Ápr 9, 2015 /
 
A D19-t én csíptem ki, mert zárlatos volt, amit egy ún. szakember nem vett észre, viszont kicserélte a nagyfesz tranzisztort és már ő sem tudja milyen volt benne. Vsz. ő feszegette a trafót, ami egyébként működik. Számomra nagyon bonyolult ez a kapcsolás, ráadásul két oldalas a nyák, így hetekbe telne, mire le tudom rajzolni a sémáját, ezért szeretnék inkább egy újat építeni.
(#) Wegg válasza flajosf hozzászólására (») Ápr 9, 2015 /
 
Én is inkább újat készítenék . Itt vannak fent kapcsolások is meg ,írott anyag is bőven érdemes rá időt szánni sok hasznos infót lehet összeszedni.
Én az inverter ,triak, autó gyújtó trafóst tartom viszonylag a legjobbnak.
A saját pásztor azért is jó mert azt tudod szervizelni míg élsz
Üdv
(#) frob válasza mikado hozzászólására (») Ápr 10, 2015 /
 
Kipróbáltam, kiválóan működik a mobiltelóval , elég 1 dióda meg egy kis plusz drót antennának na meg persze a led és már is működik, de sajna a villanypásztorral nem, vag yis annyira picit villan hogy nem mérvadó.
Közben néztem a kicsit fentebb linkelt képen lévőt, és kiderült hogy az biza elemes, azért tud akkorát villanni...
(#) Wegg válasza frob hozzászólására (») Ápr 10, 2015 /
 
Glimmlámpa a pásztor vezetékére erősítve, szintén egy kis antennával .Kipróbált működő dolog.
üdv
(#) ROBIN666 hozzászólása Máj 1, 2015 /
 
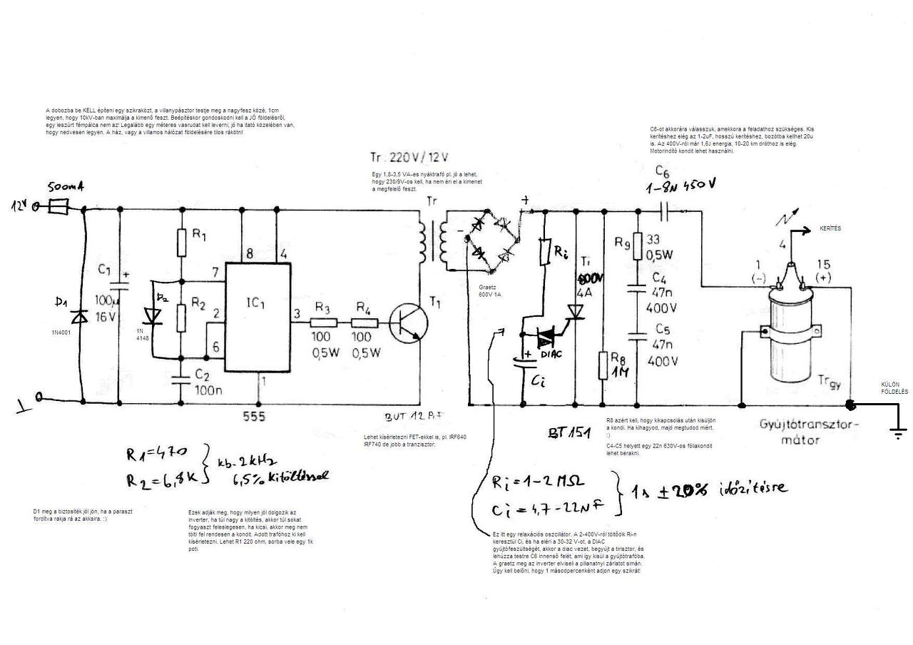
Megépítettem ezt a kapcsolást amit mellékeltem képnek. Az első fele tökéletesen megy 2,8khz-en (nyáktrafó).
A második részében már valami gond van,és nem tudom hogy honnan ered a hiba. A Diak és a Thyristors cseréltem benne. A Diak szépen 30-32V körül vezet. Thyristors (BT151),most cseréltem helyesen raktam bele az áramkörbe.
Az Ri-nek egy 1M ellenállást és egy 1M potmétert kötöttem sorba.
A 22µF-kondenzátoron csak a Diak feszültségét mértem.
Szikra egyáltalán nincs.
Valaki aki összerakott egy ilyet,vagy tapasztalt hasonló esetet,mondja el ha tudja mi lehet a hiba oka.
(#) zosza18 válasza ROBIN666 hozzászólására (») Máj 1, 2015 /
 
Szia!
A trafó 230-as oldalán hány V-ot mérsz?
(#) ROBIN666 válasza zosza18 hozzászólására (») Máj 1, 2015 /
 
195V van.
(#) zosza18 válasza ROBIN666 hozzászólására (») Máj 1, 2015 /
 
Akkor valami szakadás lehet, ha a tirisztor helyesen van bekötve. A diak begyújt, akkor a trisztornak is mennie kell. Van glimm izzó kontroll lámpának bekötve? Csak ellenőrzés végett, hogy a gy.trafót kizárjuk, mint hibaforrást.
(#) ROBIN666 válasza zosza18 hozzászólására (») Máj 1, 2015 /
 
Párhuzamosan a c6 kondi után és a föld között? nincs,és még csak glimm izzóm nincs. Majd szedek valahonnan (tudom honnan tudok),és a holnapi nap folyamán írok újra. De tegyük fel,ha izzó világít de szikra nincs? Mert a 1-es és a 15-ös pont között mértem a gyújtótrafónak a tekercsének ellenállást.
(#) zosza18 válasza ROBIN666 hozzászólására (») Máj 1, 2015 /
 
Én a 230V-os kimenettel párhuzamosan szoktam tenni, így amikor üt akkor kialszik. Szerintem vagy szakadás van valahol, vagy a tirisztor rosz esetleg mégis hibásan van bekötve.
(#) ROBIN666 válasza zosza18 hozzászólására (») Máj 1, 2015 /
 
Tirisztort most cseréltem egy újra,az nem lehet hibás. A bekötése (Bt151)
1. Láb test
2. Láb táp
3. Láb diac
Így van nálam bekötve. érdemes lenne megpróbálni egy másik gyújtótrafóval?
(#) zosza18 válasza ROBIN666 hozzászólására (») Máj 1, 2015 /
 
Az így jó. Mekkora kondit töltöl?
(#) erdgab válasza ROBIN666 hozzászólására (») Máj 1, 2015 /
 
A C6 kondin kicsit keveslem a 195V feszültséget,bár ez is elég lehet kisebb karámhoz.A C6 kondin stagnál,beáll a 195V vagy kb. 1mp időközönként leesik,majd újra beáll?Ha csak beáll és nem változik akkor nem megy a kisütőkör,nem vezet a tirisztor vagy szakadt a trafód.Ha autótrafó akkor az egyes és 15-ös kapcsok között mérj ellenállást,csak pár ohm lehet,aztán mérj valamelyik kapocs és a gyújtókábel kivezetés között ellenállást,olyan 5-7 kohm kell legyen.Keress átvezetési,zárlati hibát a panelon.
Innen folytatjuk.
(#) kozso31 válasza ROBIN666 hozzászólására (») Máj 1, 2015 /
 
Szia:Szerintem mérd le a gyújtótrafót mert lehet,hogy szakadt.Azért mondom mert én is ugyan ezt az áramkört raktam össze és nekem sem volt szikra(vadi új lada trafófal jártam így)
(#) -Thomson- hozzászólása Máj 2, 2015 /
 
Üdvözlök mindenkit!
Olyan problémával küzdök most, hogy a BSS-en található villanypásztor 2, kapcsolást megépítettem már egy jó párszor, de eddig nem használtam nagyfrekvenciás tápot hozzá, de most muszáj vagyok. A probléma az, hogy egyszerűen megöli a nagyfrekis tápokat, 3x bedugom és a tápnak annyi is! Azt néztem, hogy a 9/230-as trafó ami csinálja a 300V körüli feszültséget, ennek a trafónak a mostani primer tekercse a nagyfrekvencia miatt visszahathat a nagyfrekis tápra és ezért hal meg! Ezt hogyan lehetne kiküszöbölni, hogy a tápra ne hasson vissza? Én arra gondoltam, hogy egy 0,1 Ohmos ellenállást sorba kötni a pozitív ágba és erre az ellenállásra párhuzamosan egy pár nF-os kondit tenni és így hátha nem öli meg a tápot, csak jó lenne tudni az értékeket, ki lehetne mérni, de így oszcilloszkóp nélkül nehézkes! A válaszokat előre is köszönöm!
A hozzászólás módosítva: Máj 2, 2015

villanyp2.gif
    
(#) ROBIN666 hozzászólása Máj 2, 2015 /
 
zosza18: 22µF kondi töltődik.
erdgab:A 195v nem a kondin van,hanem a trafó kimenetén,a Greatz híd előtt.
Ránéztem a gyújtótrafóra,és a Kimenet és egyik (1-es,15-ös),ponthoz se mértem ellenállást,valószínűleg a gyújtótrafó megdöglött. Holnapi nap folyamán kicserélem én elmondom hogy mi változott.
A trafónak a kimenetét ami most 195v mivel növelhetem? Nagyobb frekvencia?
(#) zosza18 válasza ROBIN666 hozzászólására (») Máj 2, 2015 /
 
Akkor a trafó kuka! Az alkatrész értékek mik az 555-ös körül? Én erdgab értékeit javaslom Neked, amik: R1=500-600R R2=2,2k D1-et vedd ki! Ezekkel az értékekkel kb.: 300VDC lesz a kimeneten.
(#) ROBIN666 válasza zosza18 hozzászólására (») Máj 2, 2015 /
 
Én a D1-et sorba kötöttem,nem párhuzamosan. És az kell csak a fordított polaritás ellen,mert ha rosszul van rárakva,akkor megfekszik a cucc.
r1:1k
r2:2k
c2:2db párhuzamosan 100nF kondi =200nF
Tévedtem,rosszul emlékeztem, így csak 1.443Khz-en nyom.
Vegyem ki a másik 100nF kondenzátort? Mert akkor felmenne 2.886Khz-re.
Hagyományos nyák trafó van benne.
(#) zosza18 válasza ROBIN666 hozzászólására (») Máj 2, 2015 /
 
Én nem teszem be a D1-et, Te dolgod. A kondit csereld ki kisebbre.
Következő: »»   183 / 306
Bejelentkezés

Belépés

Hirdetés
XDT.hu
Az oldalon sütiket használunk a helyes működéshez. Bővebb információt az adatvédelmi szabályzatban olvashatsz. Megértettem