Fórum témák
» Több friss téma |
Köszi, hogy linkeltél egy ilyet, azt hiszem ezt holnap meg is rendelem. Ha jól értelmezem a leírást még a KF eltolást is be lehet rajta állítani.
Annyi kérdés azért felmerült bennem, hogy ilyenkor kell valamennyi VÁM-ot fizetni?
Jól látszik a rádiód kis sávszélességéből adódó torzítás. Legalább 40-50 kHz-es KF-sávszélességű vevő kell a jó minőségű megjelenítéshez.
Végül nekiálltam fülre hangolni. 3-4 adó bejött. De a legjobb vételnél is zajos a TBA120S3. Lehet jobbra állítani a rezgőkörrel, de nem az igazi. Csökkentettem az ellenálláson a belső hangerőnél, valamivel jobb lett. Végül bekötöttem a BF982-őt is. Elválasztás működik, a bemenetre antennát kötve jobb a vétel. Eddig kb. 3 munkaóra van benne és szól. Az elsőnél kb. 2 hónap volt ugyanez pár éve
. Holnap készre hangolom és mehet a keresztdipólra.
A 120S-nel sem mindegy a bemeneti jel nagysaga, lehet hogy tulhajtod, vagy tul alacsony. En az sa612 utan nehany dB-t erositettem csak, a szuro elott ( ha jol emlekszem
Itt alacsonynak tűnik mert nagyobb térerőnél valamivel jobb helyzet. Hagytam helyet a nyákon egy BF199-es fokozatnak. Kicsit Manhattan-es lesz. Korábban más IC-vel kisérleteztem (TA sorozat), azok síri csendben lesznek, ha kapnak jelet. Az volt eddig a legjobb KF-em. Amúgy zajt leszámítva jól szól, a varicap is hangol.
Amugy az egesz analog radiozas sikerenek nagyresze az impedancia illeszteseken mulik. Es hogy az adott IC, vagy tranzisztor a megfelelo munkapontban, megfelelo be/kimenojelekkel dolgozzon.
Megy a TBA120 is, lehet hogy nem a legjobb, de nem is rossz. En azert nem valtottam masra mert van vagy 100 db belole :]
Több rajz is volt a topicban. Én a kockás papírossal kezdtem. Ott nem volt lezárva a kvarc szűrő bemenete. Ezt próbálom ki előbb, 1 nano után 800 ohm.
Nem tudom milyen keverod van a bemeneten, de ha diff bemenetu akkor erdemes hasznalni a diff bemenetet. Trafo kell neki, IC feloli oldalon hangolt korrel. A lezaras csak a karakterisztikat befolyasolja. Nem muszaj lezarni, ha trafoval (hangolt kor) illeszted. Akkor zarjak le, ha nincs illesztve, de van akkora a meghajto teljesitmeny, hogy a lezaras mellett is megfelelo a jel szintje.
Wfm-t is tudja. Legnagyobb sávszélessége 50 Khz.
Akkor pedig kapcsold 50kHz-re, ha eddig nem arra volt!
A neten elérhető adatlapok alapján ez olvasható ki
50 KHz az a legnagyobb lépésköz amivel frekvenciát tud változtatni. WBFMben inkább műsörszóró rádiók vétele miatt van benne. Ekkor pedig 150-200KHz lesz a sávszélessége. Habár a kétszer transzponáltnak van írva. Első az 60-70 MHz közt van , második 450KHz. 450KHz szűrűben nem nagyon fér bele a 150 KHzes WFM FM demodulálása. Persze a készülék adatlapok szemérmesen hallgatnak KF sávszélességéről .(ami azért lényeges szempont lenne annak az eldöntésére mire is használható ez a megfigyelő vevő) Nagy valószinűséggel csak keskeny FM van benne, vagy van egy 10.7 MHz KF is benne és ott történik a WBFM demodulálás.(erről nem írnak feltélezhető hogy akkor az I. KF frekin végzik el ) A problémát az APT jel "közepes" FM lökete okozza. Se NBFM , se WBFM . Így az egyik szűrőből kilóg (NBFM), a másik(WBFM) esetben pedig kicsi jelet produkál. Így mindkét vételi eredményed zajos, életlen, torz lesz .
Ezzel vitatkoznék, mert kommersz 10,7MHz-es szűrővel tökéletes képet produkál, ha nincs Orbcomm és egyéb zavaróműhold a szomszédban. Torzítást a kisebb sávszélesség okoz, amikor a nagyobb löket "kilóg" a sávszélből.
A hozzászólás módosítva: Jún 1, 2015
Sohasem kedveltem az ilyen semmire sem jó szkennereket. Meglehetősen ellentmondásos, és szűkszavú az elérhető adatlapja is. Úgy látszik, a legfontosabb adata az övcsipesz felszerelésének módja.
Minden sávra 0,5 uV érzékenységet ír, ami nyilvánvalóan a műsorszóró vételhez szükséges 180 (300) kHz ssávszélességnél lehetelen. Ahogy mondod, a 455 kHz -es II. KF be sem nagyon fér bele. A széles frekvencia tartományban venni képes vevők I. KF frekvenciáját igen magasra szokás választani, akár 21,4, 45, (75) MHz -re is, (ezekre a frekikre vannak szűrő, és keverő kristály készletek, ahogy a 10,7 MHz -re is. 10,245 MHz) a tükörfrekvenciás csillapítás miatt. A 70 kHz -es I. KF esetén azt sem lehet tudni, hogy éppen mit veszel, olyan közel van a tükör. (4 db 20 kHz es csatornánál közelebb. A 450 MHz -es sávban ez van, a 446, -nál belefér majdnem az egész sáv) A fentiekből gondolom, hogy a vevő sávszélessége max 10 - 05 kHz lehet, ami a vett képeken is jól látszik. Szerencsére a 137 MHz -es sávban nincs annyi műhold, hogy a tükörfrekvencia zavaró legyen. A hozzászólás módosítva: Jún 1, 2015
Tisztában vagyok vele, hogy tökéletes képet nem fog adni. Inkább az antennára voltam kíváncsi, hogy mennyire fog beválni. Van egy vevőm, ami egy hordozható Tesla Mercury tv tuneréből épül fel. Ne602 keverőből és egy Tda1220b demodulátorból. Persze a tv tunerek nem az érzékenységükről híresek, de ez valóban széles sávú. Majd összedobok dual mosfet és fet tranzisztorokból egy vevőt.
A lényeg, hogy a vevő sávszélessége, és az érzékenység szoros kapcsolatban vannak egymással. Meghatározzák a kimeneti jel/zaj viszonyt. Minél szélesebb a vevő sávszélessége, annál nagyobb a saját zaja, az azonos kimeneti jel/zaj viszonyhoz nagyobb bemeneti hasznos jel tartozik.
Nem a bemeneti sávszélesség számít, hanem a vevő teljes sávszélessége, amit a legutolsó szűrő sávszélessége határoz meg. Ezeknek a műholdaknak a optimális vételéhez 30 kHz(3dB) -es sávszélességű KF szűrőt kellene használni, de ilyen az általános célúak között nincsen. Ezzel lehetne a legérzékenyebb vevőt készíteni. A hozzászólás módosítva: Jún 1, 2015
BF982, NE612, BF199, LM386. Ma belegányoltam a BF199-et. Így van tisztességes vétel, és eltűnt a masszív zaj. Halkabb lett az eredmény, de 6 adót sikerült vennem. Nekem is összegerjedt az eleje, mindenképpen kell az árnyékolás. Az LM386-on, ha nincs az 1-8 láb között kondi, túl halk. A bemenete a KF IC-nek nem szimmetrikus. Szerintem átvezetem a módosításokat a nyákra. Egyértelműen csinál valamit a bemenő erősítő is, de csak fülre hangoltam.
Ha tervezel neki NYAKot, tedd 2 retegre, telifoldre. Szinte biztos hogy nem fog gerjedni. Persze ha a VCO induktivitasa nincs arnyekolva, akkor...
Rendben köszi így azért nyugodtabban fogok rendelni.
Még erre a frekvenciamérős témára visszatérve, találtam egy kicsit jobbat (semmi lényegi különbség, csak van rajta háttérvilágítású LCD kijelző és nagyobbak rajta a nyomógombok). Erre gondoltam: Bővebben: Link Szerintem ez is jó erre a célra, de azért megkérdezem a nálam tapasztaltabbaknál, jó lesz ez is?
Lényegi eltérés hogy nem LED-es. Egyébként jó.
Rendben köszi, már meg is rendeltem egy ilyet: Bővebben: Link (kicsivel olcsóbb mint az előző 4600 helyett 3900Ft )
és egy ilyen Murata keramikus szűrőt is: Bővebben: Link, mert tervben van hogy építek egy komolyabb kétszertranszponált vevőt MC3362P-vel. Ehhez is lenne egy kérdésem, a 455KHz-es KF trafót valahonnan be lehet szerezni itthonról? Mert az ebay-en van az is, de a szállítás Angliából majdnem 2x annyi mint maga a tekercs. Szerk: Sajnos a HAM-bazárban már nincs, pedig néhány éve még emlékszem hogy szerepelt az árlistában, de most már csak 10,7MHz-es tekercsük van. A hozzászólás módosítva: Jún 2, 2015
455 KF tekercset zsebrádióból termelhetsz ki legkönnyebben.
De van a HAMBAZÁRBAN más NEOSID "szűz" cséve 0,5-1MHz körülre , arra "csak" pár menetet kell feltekerni tizedes - fél százados drótból .Ez alapján válogathatsz: NEOSID HAMBAZÁR Ezen kívűl pár boltban az elfekvő készletek közt ... vagy e-bay
Az akkor pont jól jön, mert van nálam elfekvőben 2 kisrádió panel is amiben vannak rendesen KF trafók.
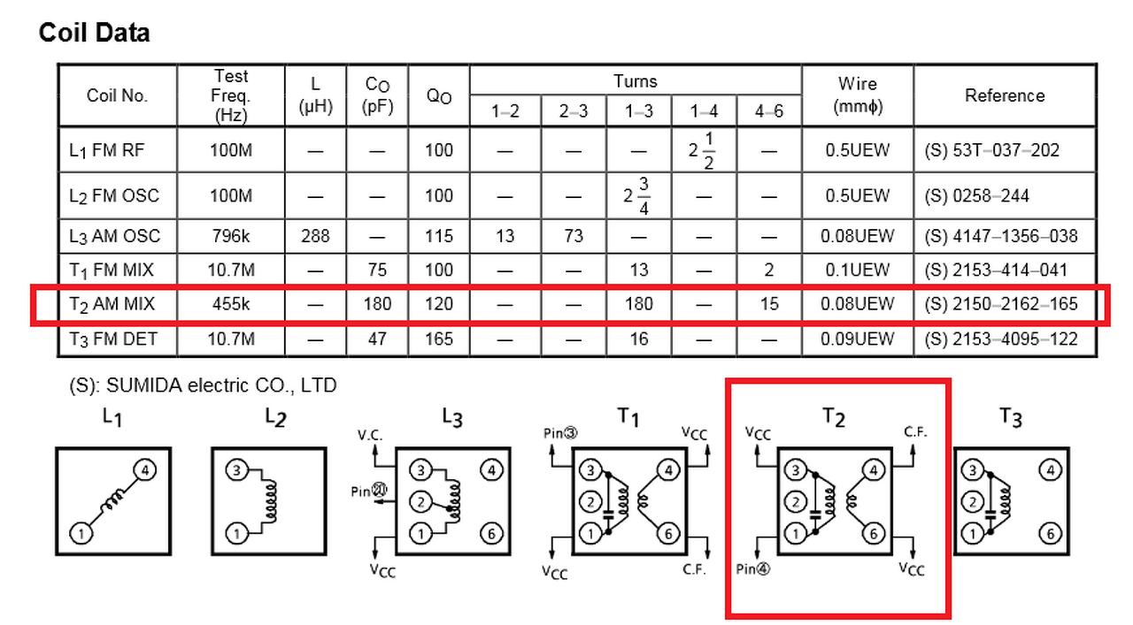
Amit kinéztem az TA8127N IC-re épül, ami a kapcsolási rajza szerint pont 455KHz-es KF-et használ középhullámon (AM 520-1600kHz). IC adatlapja: Bővebben: Link A rádió panelén pedig az IC 4-es lábára (ez az AM keverő rész) valóban csatlakozik egy sárga színű hangolómagos KF tekercs és közvetlen mellette pedig van egy LPU455B típusú szűrő is, úgyhogy szerintem meg is van a tekercs ami még kellett. Persze azért még kérnék egy megerősítést is tőletek, mielőtt nekiállok megbontani a panelt. Azért mellékelek néhány képet, hogy biztos legyen. És a tekercs adatokról is egyet a PDF-ből kivágva. Ha ez a tekercs megfelelő akkor pedig van valakinek valamilyen tippje arra, hogy lehet ezeket a trafókat kiforrasztani roncsolás nélkül?
Szia!
Ezt a kétszer transzponált vevőt felesleges ide keverni, mert ez úgysem lesz alkalmas APT vételére a maga 20 kHz-es sávszélességével.
Szerintem csak donorként lesz felhasználva
.
De ő építeni akar 455 kHz-es kerámiaszűrővel. Ide nem lesz jó.
Igen a e-bayos és a donor szűrőnek valóban karcsú a szélessége
, KF trafó jó lehet.
Meg persze sok értelme sem lenne a kétszer transzponálásnak ehhez az üzemmódhoz, de ő tudja.
Kész lett az új terv. Ez tartalmazza az alábbi módosításokat: LM386 kapott kondit az 1-8 láb közé. TBA120 erősítése trimmer potival állítható. A szűrőt BF199 hajtja meg, ez nagyon sokat segített. Kapott varicapot a bementeti fokozat és minden kör kerámia trimmert is. Ez a verzió egész jól szólt de kicsit sérült a nyák a teszteken.
|
Bejelentkezés
Hirdetés |




. Holnap készre hangolom és mehet a keresztdipólra.
. 









