Fórum témák

» Több friss téma
Fórum » DC-DC konverter
 
Témaindító: Placi84, idő: Nov 10, 2005
Témakörök:
Lapozás: OK   7 / 133
(#) Sallala hozzászólása Júl 29, 2007 /
 
Borvendég: igen, ezeken a motorokon az elektromágnest 15-20 menet vastag vezeték képezi, hogy jó nagy áram folyhasson rajta. Nagy áram -> erősebb mágnese tér -> nagyobb nyomaték.

Lucifer: a sazbályozóra világosan rá van írva, hogy max. 7 NiXX cella. Az max. 10V-ot jelent. A három cellás LiPO akku feltöltve pontosan 12,6V, ami azért 20%-al magasabb, mint a szabályozón megadott érték.
A sérülékenységgel egyet értek. Úgy láttam az automodellekbe szánt LiPO akkukat külön fémdobozba teszik. Ezek a LiPO akkuk rendkívülk gyúlékonyak.. (Sérülés, túltöltés, megengedettnél nagyobb áramú kisütés) Ezen valóbvan el kell gondolkodni.
Mélykisülés védelmére értettem, hogy olyan DC-DC átalakító kellene, ami mondjuk lelövi a motort, ha 9V alá esik a bemenőfesz. (Azt észreveszem, és akkor lekapcsolom. A repcsis szabályozók is így működnek. Persze a kormányzás és a rádióvevő továbbra is kap áramot, hogy le lehessen szállni, de a motort lekapcsolja)

Ferci: 1. jó ötlet, én rögtön kapcsolóüzemű táp-ic-ket kerestem, és azok sok külső alkatrészt és hozzáértést igényeltek. Most nézegettem step-down konvertekerek. Azok jóval egyszerűbbnek tűnnek. De az alkalmazási minták között nem találtam fetes kiegészítésre példát, én meg magamtól nem igazán tudnám megvalósítani.
2. ha mindent jól értek, ez valamivel egyszerűbbnek tűnik és még tán meg is bírkóznék vele.

Köszönöm a visszajelzéseket!
Sala
(#) roland8lsm hozzászólása Szept 28, 2007 /
 
Szisztok!
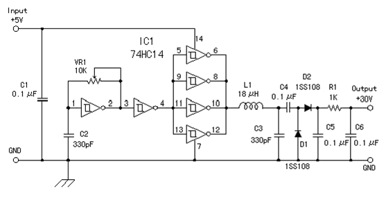
egy olyan kapcsolásra lenne szükségem ami +12V-ból 30-40V-ot csinál max 20mA mellet, találtam is 1 rajzot, probléma annyi hogy ez 5V ról megy. 7414 cseréje 4011-re gondolom nem oldaná meg a problémát.
Előre is kösz.
(#) potyo válasza roland8lsm hozzászólására (») Szept 28, 2007 /
 
MC34063 chip, és az adatlapjában találsz kapcsolást is.
(#) roland8lsm válasza potyo hozzászólására (») Szept 28, 2007 /
 
köszi! ez asszem jó is lesz.
(#) Ricsi89 hozzászólása Szept 28, 2007 /
 
Helló!
Egy erősítőhöz kellene nekem egy 150 W-os kapcsolóüzemü táp ami 230V-ból csinál +-30V-ot. Találtam itthon tl494-es IC-t. Ehhez kellene valami rajz.
Üdv Ricsi.
(#) potyo válasza Ricsi89 hozzászólására (») Szept 28, 2007 /
 
A kapcsolóüzemű tápnál a rajz a legkevesebb. Olvasd végig a Kapcsolóüzemű táp 230V-ra című témát, ott találsz rajzot is, de nem a rajzon múlik a dolog.
(#) bancsi15 hozzászólása Szept 30, 2007 /
 
Sziasztok!

Szeretnék egy olyan DC-DC konvertert készíteni, ami DC 7,5V-ból csinál DC 12V-ot.

( a 7,5V innen érkezik= 220V~ -ból DC7,5V 400mA adapter)

Tudnátok ebben segíteni?
(#) potyo válasza bancsi15 hozzászólására (») Szept 30, 2007 /
 
Idézet:
„Tudnátok ebben segíteni?”


Persze
(#) denes44 hozzászólása Okt 6, 2007 /
 
Lenne két kérdésem:
1. Szabályozni akarom a kimenő feszültséget. Az úgy jó, ha az R2-t kicserélem egy 5K-s helitrimmerre?
2. A 300uH-s induktivitásnak hány amperesnek kell lenni? Gondolom 1A, de ilyen nem nagyon találok sehol. A legnagyobb amit találtam, az 0.6A. Hol kapok megfelelőt?
(#) denes44 válasza denes44 hozzászólására (») Okt 6, 2007 /
 
A rajz lemaradt

tl2575adj.jpg
    
(#) Norberto válasza denes44 hozzászólására (») Okt 6, 2007 /
 
Hali!

1. Szerintem jó lehet!
2. Meg kellene kérdezned telefonon! a ChipCAD-et, hogy van-e nekik raktáron ilyen (mármint 330uH és 1A-es vagy afölötti) tekercsük. Ha van, akkor SMD kiszerelésű lesz, de nem kell tőle megijedni, elég brutál méretűek így is, simán lehet forrasztani őket, elég nagy láb-felületük van!
(#) mik hozzászólása Okt 16, 2007 /
 
Szintén DC-DC konverter.
Peremfeltételek: van egy aksi 6 vagy 12 voltos max 10 Ah (méretkorlát miatt) és erről kéne menni egy elektronikának minnél tovább 3,3 volton.
Sima stabilizátor elég pazarló lenne, mert az megeszi a fölös feszt.
Szóval kéne egy step down DC-DC ami 5-12V bemenő feszültségről állít elő fix 3,3V-ot. Minnél nagyobb hatásfokkal.
Kerestem és rengeteg IC-t találtam, az érdekelne, hogy van-e valakinek tapasztalata ezzel, van-e valami tuti tippje. Olyan, ami kapható is Mo-n.
Segítségeteket előre is köszönöm.
(#) papptamas01 válasza mik hozzászólására (») Okt 17, 2007 /
 
mekkora teljesítményt akarsz kivenni?
(#) Norberto válasza mik hozzászólására (») Okt 17, 2007 /
 
ChipCAD-nél szó szerint több tíz félét kaphatsz step-down konverterből...csak győzz választani! :yes:

De én mégis ajánlanék egyet, egész jó hatásfokot ki lehet hozni belőle: MP1580

És az áram-igényt valóban lehagytad
(#) mik válasza Norberto hozzászólására (») Okt 17, 2007 /
 
Ja igen, bocsi.
Szóval áram az nagy gond, ugyanis kb max 20 mA-t fog fogyasztani az egész elektronikánk. Ilyen pici áramnál az általam eddig talált dc-dc konverterek hatásfoka kb 10-30%, a legtöbb datasheet ilyen pici áramokhoz nem is rajzolja már ki a hatásfok görbét. Szóval valami olyan megoldás kéne, ami ilyen pici áramokra is legalább 60-70 százalékos hatásfokot tud, különben asszem nem éri meg foglalkozni vele. Egyszerűbb akkor már hagyni a sima feszstab IC-t.
Csakhát fáj a szívem, hogy kitalálunk egy extra kis fogyasztású berendezést, gondosan összeválogatjuk hozzá a cuccokat és akkor az egész amit nyertünk elfüstöl hővé a feszültség stabilizátor IC-n.

(#) gulyi88 hozzászólása Okt 17, 2007 /
 
kondezátorpumpa nem jó?
PWM jellel kapcsolgatsz egy fetet, ami töltöget egy kondit, utána pár szűrőtag..

(Capacitor Charge Pumps)
pl
és még ingyen is "akarják" adni..
hatásfokról nem tok mit mondani, nem használtam még ilyet, de egy próbát megér..

vagy esetleg benézel a DC/DC step-down részbe..

csá
(#) mik válasza gulyi88 hozzászólására (») Okt 19, 2007 /
 
sajnos a kondenzátorpumpa számomra eddig teljesen ismeretlen fogalom volt és most nincs nagyon idő az ezzel való barátkozásra. Step-down konvertert építettem már legalább. Ha nem is ilyen picit. Végül találtam, csak a megfelelő szavakat kellett beírni a google-ba. (ja azért két teljes napom így is ráment) de találtam.
Megosztom veletek is, hátha valakinek lesz még ilyen jellegű gondja:
MAX640 és ez kapható is a RET-nél. 1800 nettó
vagy MAX1836
vagy a TPS62007 Farnellnél 3.09 Eur

ezek közül az első néz ki a legjobbnak, tudniillik ez még kapható is (na jó az utsó is)
(#) gulyi88 válasza mik hozzászólására (») Okt 19, 2007 /
 
MAX640 van itthon kb 4-5 db
még régebben néztem ki én is egy kis Pjű (10W) DC/DC be,
de maradtam a TL494 mellett...
jó dolog ez a mintadarab rendelés cucc, csak 2 hét mire megjön, viszont ingyen..
csá
(#) mik válasza mik hozzászólására (») Okt 19, 2007 /
 
Bocsánat TPS62102 az aminek elég nagy a bemenő feszültsége (Vinmax = 9V). És az is kapható a Farnell-nél.
A TPS62007 csak 5.5V bemenőfeszig bírja.
(#) _Peti_ hozzászólása Feb 15, 2008 /
 
Sziasztok!! Szükségem lenne egy olyan áramkörre, ami 9V-ból csinál stabil 12V-ot. Nem kéne nagy teljesítményű, max 50mA-t akarok kiszedni belőle. És ilyen speciális IC-ktől mentes legyen. Van valakinek ilyesmi kapcsolási rajza??
(#) potyo válasza _Peti_ hozzászólására (») Feb 15, 2008 /
 
Mit értesz az alatt, hogy speciális IC?

Link
(#) kobold válasza _Peti_ hozzászólására (») Feb 15, 2008 /
 
Ha az 555-ös időzítő nem minősül nálad speciálisnak, akkor megoldható.
Ha kell 12 V a 9-ből, akkor elő lehet állítani -3 V-ot; a 9 V és a -3 V közé kötve pedig megkapod a 12-t.
Ha stabilra kell, akkor kb. -6 V-ot kellene csinálni, hogy egy stabkockát elvigyen, mert azon is esik (esetleg Zener-es stabilizálás is szóba jöhet, 50 mA nem sok), a lényeg, hogy a táplált áramköröd GND-je nem a bemeneti GND, hanem a -3 vagy akármennyi feszültségű kimenet.
Elv csatolva, -6 V-ot állít elő (stabkockához így lesz 15, ami elég), néhány század V-ot ugrál 50 mA mellett.
(#) _Peti_ válasza kobold hozzászólására (») Feb 15, 2008 /
 
Köszi, kipróbálom
Azt az MC ic-t, meg a TL494-et értem spec ic-nek
(#) watt válasza _Peti_ hozzászólására (») Feb 15, 2008 /
 
A TL az nem ide való, de az MC-nél jobbat és olcsóbbat nem kapsz. Erre van kitalálva! Az 555 időnként meghal az ilyen alkalmazásban. Nemrég nekem is. Többet nem tervezek ilyennel...
(#) kobold válasza _Peti_ hozzászólására (») Feb 15, 2008 /
 
Két jelzés lemaradt, ha megépíted, erre figyelj: a 47 és 1000 µF-os kondik polarizáltak; a 47-es pozitív pólusa az 555 kimenetére van kötve, az 1000-es pozitívja pedig az eredeti GND-re, ami a 9 V-hoz "tartozik".
(#) _Peti_ válasza kobold hozzászólására (») Feb 15, 2008 /
 
Igen köszi! Közben rájöttem és is, valamint lemaradt a 8-as és a 4-es láb átkötése. A frekvenciával variáltam, mert audiós cucc táplálásához kell, és szól benne az 1kHz-es kapcsolófrekvencia
(#) SZIA hozzászólása Márc 16, 2008 /
 
Üdv,
Szeretnék egy olyan DC-DC konvertert, ami kb 5-60V közötti bemenő feszből 12,5-13 (14?!) V-ot csinál, aksi töltésre kellene!
A lehető legjobb hatásfokkal, és azért ne ilyen 2-3 A -es kéne, lehetőleg minél nagyobb!

Előre is köszönöm!
SZ!A.
(#) AMD hozzászólása Márc 17, 2008 /
 
Ennél a kapcsolásnál a diódát mivel lehet helyettesíteni? Van nekem: 1N5819, 1N4007, 1N5395.

kapcs.gif
    
(#) potyo válasza AMD hozzászólására (») Márc 17, 2008 /
 
1N5819 jó lesz. Az 1N4007 az inkább 50Hz-re való, az 1N5395-öt meg fejből nemtudom milyen.
(#) kissadam hozzászólása Máj 5, 2008 /
 
Hello!
Azt szeretném tudni, hogy az EI 33 tipusú vasmag alkalmas e ehhez a kapcsüztáphoz?
Következő: »»   7 / 133
Bejelentkezés

Belépés

Hirdetés
XDT.hu
Az oldalon sütiket használunk a helyes működéshez. Bővebb információt az adatvédelmi szabályzatban olvashatsz. Megértettem