Fórum témák

» Több friss téma
Fórum » 7 szegmenses kijelző léptetése
Lapozás: OK   10 / 10
(#) Béla74 hozzászólása Máj 1, 2013 /
 
Sziasztok Fórumtársak. Olyan kérdésem lenne hogy a DA36-11ewa típusú hét szegmens kijelzőmet
milyen ic-vel tudnám vezérelni. a kijelző adatlapját felteszem.
(#) proli007 válasza Béla74 hozzászólására (») Máj 1, 2013 / 1
 
Hello! Mondjuk mikroprocesszorral. Mert ez közös anódos, és időmultiplexer meghajtást igényel. De azt sem írtad, mihez használnád, vagy mi a szándékod vele.. üdv!
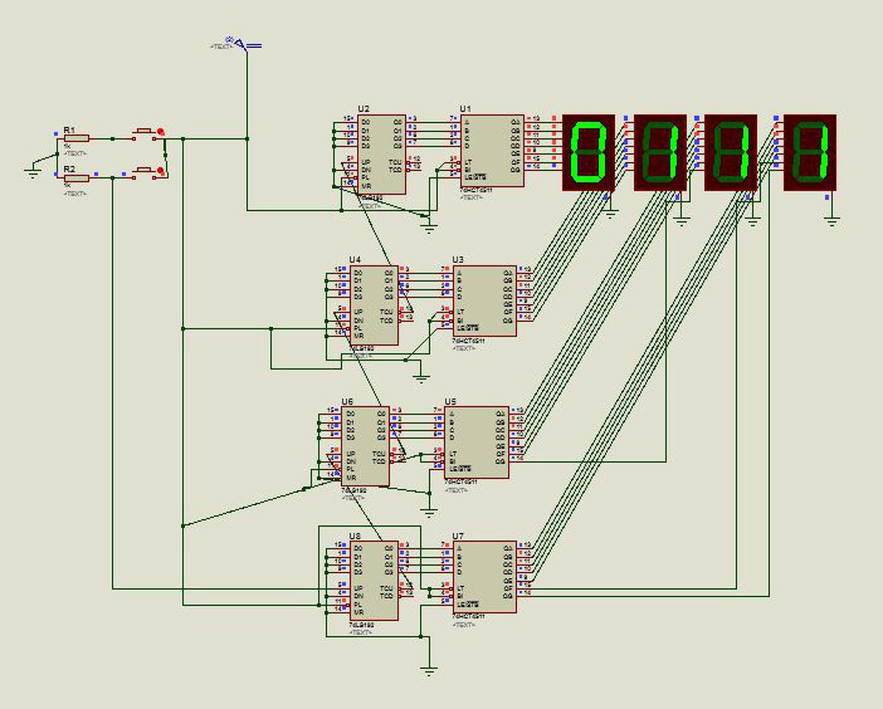
(#) zsolt58 hozzászólása Júl 11, 2015 /
 
Hello!
Leszimuláltam ezzt.
Minden szépen működik csak amikor rakok be egy másik kapcsolót akkor csak az első kijelző megy lefelé de a második nem!
így köttem:
TCU-UP
TCD-DN(DOWN)
Miért nem jó?
(#) pont válasza zsolt58 hozzászólására (») Júl 11, 2015 / 1
 
Arról kellene egy kép ,ahogy nem működik, ott mi van mivel összekötve. A melléklet működik.
A hozzászólás módosítva: Júl 11, 2015
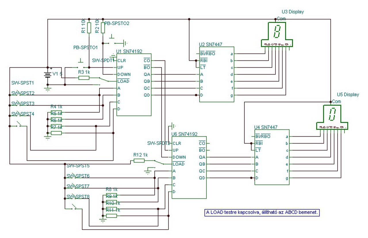
(#) zsolt58 hozzászólása Júl 12, 2015 /
 
Így kötem!
(#) pont válasza zsolt58 hozzászólására (») Júl 12, 2015 / 1
 
Pont a lényeg nem látszik, hogy a nyomógomboknál mi van.
(#) zsolt58 válasza pont hozzászólására (») Júl 13, 2015 /
 
Így néz ki!
De meg egy kérdés!
lehet 74LS193-al?
(#) pont válasza zsolt58 hozzászólására (») Júl 13, 2015 / 1
 
Ha ugyan úgy van bekötve az UP mint a Down, ugyan úgy is kell viselkednie.( a korábbi rajzodon a 4. pin-hez ment átlósan. most az 5.-hez, és van is ott egy "csomó") A 193-as 0-15-ig számol, és utána fordul, 10-től 15-ig elég furcsaságokat ír ki a hétszegmenses, de 16-os számrendszerben jól számol...
(#) zsolt58 válasza pont hozzászólására (») Júl 13, 2015 /
 
Akkor a 193-as nem jo ehez ugye!
(#) pont válasza zsolt58 hozzászólására (») Júl 13, 2015 / 1
 
Normál, decimális felhasználásban nem.
(#) zsolt58 válasza pont hozzászólására (») Júl 13, 2015 /
 
Köszi!
De akkor hogy?
Mit kellene változtatnom?
A hozzászólás módosítva: Júl 13, 2015

7 seg.pdsprj
    
(#) Bakman válasza zsolt58 hozzászólására (») Júl 13, 2015 / 1
 
Jó lehet, de akkor további kapukat igényel, ami 10-nél nullázza és a következőt lépteti.
(#) zsolt58 válasza Bakman hozzászólására (») Júl 13, 2015 /
 
Köszi!
Akkor milyen alkatrész kell?
(#) pont válasza zsolt58 hozzászólására (») Júl 13, 2015 / 1
 
A fájlt nem tudom megnyitni. De végül is mit szeretnél? Szimulálni egy számláló működését vagy egy valós számlálót építeni, ha építeni akkor pontosan milyen feladatra stb...
(#) zsolt58 válasza pont hozzászólására (») Júl 13, 2015 /
 
Először leszimulálni utána megcsinálni tekercselőre szeretném!
(#) pont válasza zsolt58 hozzászólására (») Júl 13, 2015 / 1
 
Próbáld meg, az ellenállásokkal felhúzni tápfeszre, és a nyomógombbal közvetlenül a negatívot kapcsolni, ahogy az én rajzomon van. (és esetleg emeld a tápfeszt a szimulációban, bár a valóságban 5 volt a határ) Megépíteni egyszerűbb, olyan ic vel ami egy tokban számlál és meghajtja a 7 szegmenst Pl.:cd 40110 és a jeladótól függően szükség lehet még prellegés gátló megoldásra is. De egy darab mikrovezérlővel lenne megoldható a számlálás a legegyszerűbben.
(#) zsolt58 válasza pont hozzászólására (») Júl 17, 2015 /
 
Csak is ilyen ick-böl szeretnék csinálni : CD4511 és LS193!
Ehhez hasonlót!
És én 4 kijelzőt szeretnék!
Mert tekercselőre menne!
És kellene hogy felfelé és lefelé is menyjen!
Üdv
(#) pont válasza zsolt58 hozzászólására (») Júl 17, 2015 /
 
Mint már írtuk, a 193-as nem 9 után vált nullára, hanem 15 után. Még további kapuzó ic-k kellenének, de minek ha pl. 40110-esben minden benne van egy tokban. Gondolj arra is, hogy ehhez majd nyákot is kell tervezni, elkészíteni stb. minimum a 192-est kellene választanod. Ahhoz, ha kell tudok többszörösen után épített nyák tervet is.
(#) zsolt58 válasza pont hozzászólására (») Júl 17, 2015 /
 
Oké!
Milyen hidak kellenének a 193-as után?
(#) pont válasza zsolt58 hozzászólására (») Júl 17, 2015 /
 
Nem tudom mit értesz hidak alatt
(#) zsolt58 válasza pont hozzászólására (») Júl 17, 2015 /
 
Kapukra gondoltam amit te írtál!
(#) pont válasza zsolt58 hozzászólására (») Júl 17, 2015 /
 
Felfelé számoláskor egy kétbemenetű AND kapu bemenetei a QB, QD-re, kimenete egyszer a resetre utána egy inverterrel a következő digit UP-ra, persze mindenhova felhúzók kellenek. Lefele egy négybemenetű AND kapura QA QB QC QD hogy érzékelje a 15-öt kimenetével kapcsolni a loaddal a kilencet, közben a következő digiten a DOWN-t. Szóval ezt így megcsinálni hülyeség lenne, tele van buktatókkal, sajnos ebben nem tudok/akarok segíteni.
Következő: »»   10 / 10
Bejelentkezés

Belépés

Hirdetés
XDT.hu
Az oldalon sütiket használunk a helyes működéshez. Bővebb információt az adatvédelmi szabályzatban olvashatsz. Megértettem