Fórum témák
» Több friss téma |
Fórum » Csöves erősítő készítése
Ne feledd betartani a fórum viselkedési szabályait, és a topik megmaradásának feltételeit. [link]
A téma átmenetileg fagyasztva lett, hozzászólni nem tudsz!
Hát ezt nagyon elkavartam valahova. Pedig csak 2 éve volt. Mindegy, keresem tovább. Idővel biztos előkerül.
Hy!
Nekem is van itthon egy csöves erősítőm. tesla music 130 2x100W 4db Tesla EL34 van benne és van vagy 20-30kg! annyi baja van hogy nagyon torzít és halk. ezt a lámpa hibálya okozhatja? csináltam róla két videót.(sajnos rossz minőség...) üdv
Hangfal nélkül esetleg a kimenő trafód üt át ,de attól a cső ne száll el.
Készits push pull parallel-t RT é.k. 1979 (egy hosszú erősítős cikk legvége)!Ennek nagyon egyszerű a kimenője, és hangszóró nélkül sem lesz baja.
Ráadásul tv sorkimrnővel megy ami olcsó ;az el36 helyett jó a pl500,pl504,pl509 csak a fűtése nem 6.3 hanem 50v. Vagy építs williamson kapcsolást annak is egyszerű a kimenője. Az ezüstkondis legendákat meg ne vedd véresen komolyan az enyémbe sincs. Javaslom az olaj -papír kondikat csöves tv-ből még ma is tökéletesek.
Egy időben volt szerencsém 1-2 csöves erősítőt építeni, és a hangzásuk pozitív voltát én is csak alátámasztani tudom. Pedig érdekes módon a torzitásuk sokkal nagyobb, gyakran eléri a 10%-ot is. Viszont ez a torzitás más mint a félvezetősök torzítása, ez sokkal humánusabb. Az ember valahogy észre sem veszi, mert olyan meleg és telt hangzást ad, amit egy ic sosem fog. Sokan azt mondják, hogy ez a kellemes hangzás elsősorban a torzításnak köszönhető, másodsorban meg a kimenőtrafónak.
A Push Pull kapcsolást én is kipróbáltam mert tetszett, hogy nem kell bele kimenőtrafó. Viszont ebben a kapcsolásban (alacsonyimpedanciás) valahogy elveszett a melegség, sokkal IC-sebb lett a hangzása... szóval ezt gyorsan elfelejtettem. Aztán vettem 2db EL34-et, de sjnos csak orion gyártmányút kaptam (ez is 6000Ft volt 10 éve). Szóval már elsőre látszódott ezeken a csöveken, hogy nem az igazi... ugyanis a foglalathoz képest az üvegbúra eszméletlenül ferdén volt betéve (ennyit a magyar precizitásról). Persze próbáltam "kiegyenesíteni", de letörtem a szívócsonkot Ez volt az a pont, amikor abbahagytam a csöves erősítők építését... nem sokkal később pedig az IC-seket is. Most, hogy újra felhoztátok, próbálok visszatekinteni, és felidézni a tapasztalataimat (10 éve)... ha eszembe jut valami majd szólok :yes: Régebben antik rádiókat javítgattam, és elég szép csőgyüjteményt halmoztam fel... a legrégibb csövem 1926-ból való és még ma is működőképes! A Tesla erősíővel kapcsolatban... rá kéne mérni a fűtőáramra, hogy minden okés-e. Aztán meg kéne nézni az egyenirányító csővet, amennyiben az van benne és nem diódás. Ha itt minden okés, meg kéne vizsgálni a kondikat, hogy nem-e húz át valamelyik. Végül pedig jöhet a csőgenerál. Utóbbi lényege, hogy a csövet impulzus szerű nagyfeszre kapcsolják, ezáltal az anódról levállik az évek alatt rákerült oxidréteg. Hogy pontosan hogy csinálják azt nem tudom.... utána kőne nézni Sok sikert mindenkinek, aki belevág egy csöves erősítő építésébe, ebben az agyondigitalizált világunkban. Üdv!
értem. nem nagyon láttam benne diódákat úgyhogy szerintem csöves egyenirányítású! ki kéne találni melyik az! van benne egy, ami zölden világít az elején és hangra szét/össze megy a fény! van benne 4 El34 és kettő még valamilyen majd megnézem. még 4 rohadt nagy kondi! 2 300Vos, 1 50V és majd megnézem pontosan a 4-et, és a többi adatot. ahogy a lámpa világít az összefügg a működéssel?
Indulj a hálózati trafótól, és az első cső lesz, amibe belebotlasz
Bizony, kicsit komoly dolog ez a csöves erősítő. És teljesen érthető a rajongás, meg a lelkesedés, ami körülveszi. Némely gyártó ezt ki is használja, csak az a gond, hogy a rajongás és a vastag buksztárca ritkán találkozik egy embernél. Van ismerősöm, aki szinte bármit megengedhet magának, de nem érdekli. Mindennapos dolog nála pl. a kefírrel nyakonöntött 110 centis plazmatévé. Mert nem érdekli, letakarítja a bejárónő, ha meg bekrepál, (mármint a TV
), vesz egy másikat. Na most egy ilyen ember nem fog csöves erősítőt venni, az tuti. Azt se tudja, mi az. Vagy nézz meg egy kispénzű autóst. Szinte családtagként kezeli az öreg járgányát. Nagypénzű autósok, 10ből 9nek olyan koszos az A8 Audija, hogy azt se tudja milyen színű. És ezek közül kinek lenne pénze egy gyári, mondjuk Rotel csöves erősítőre? Amiből a csúcs kábé 1millió200ezer, vagy hasonló. Orosz csövek, ohne hangszínszabályzó, csak egy darab Power gomb, meg egy akkora hangerőszabályzó forgatógomb, amiből egy 18cm-es NAB fémorsót lehetne esztergálni szalagos magnóhoz. Ha megtehetném, megvenném. És én tudnám értékelni. De hát ez van...
Nagyon szépek ezek a csöves erősítők.
Itt egy Telefunken 1953-ból.
Szerintem még a belsejük is sokkal szebb...
Ja, aminek a belsejét mutattam, jelenleg 4000(!) Ft-on áll egy árverésen... állítólag működik. Ennyiért ingyen van, nem?
Amikor leönti a plazmatévét és vesz másikat, a régit hová teszi? :yes:
Erre még nem volt precedens, de amikor kérdeztem, hogy nem sajnálja-e, azt mondta, nem baj, majd kidobja ha elromlik, és vesz másikat. Amúgy sem nézi, meg csak fogja a port.... no comment.
De ha mégis kidobna egy kefíres plazmatévét, akkor én szívesen elhozom tőle!
Hibásan elviheted, Javítása biztos nem drága....egy plazmatévének...
Majd jó lesz alkatrésznek...
:banplz: :taps:De ez már régen offtopic, úgyhogy befejezem!
Ha az Apt/apx 100 -ról van szó,akkor az 100 v-os rendszerű hangositásra szolgál.(pl iskolai zajdobozok a falon).Ebben át kell tekercselned a kimenő trafót, és mono;úgyhogy mindjárt kettőt vegyél. 2x100 w csövesben durván hangos... De vidéki iskolákban 500 ft-ért hozzádvágják a padlásról.
Én is úgy tippeltem, hogy 100 Voltos, de leinfóztuk az eladót, és azt állítja, hogy ez már át van alakítva, közvetlenül használta normális hangfalakkal, valami gitárt erősített ki vele.
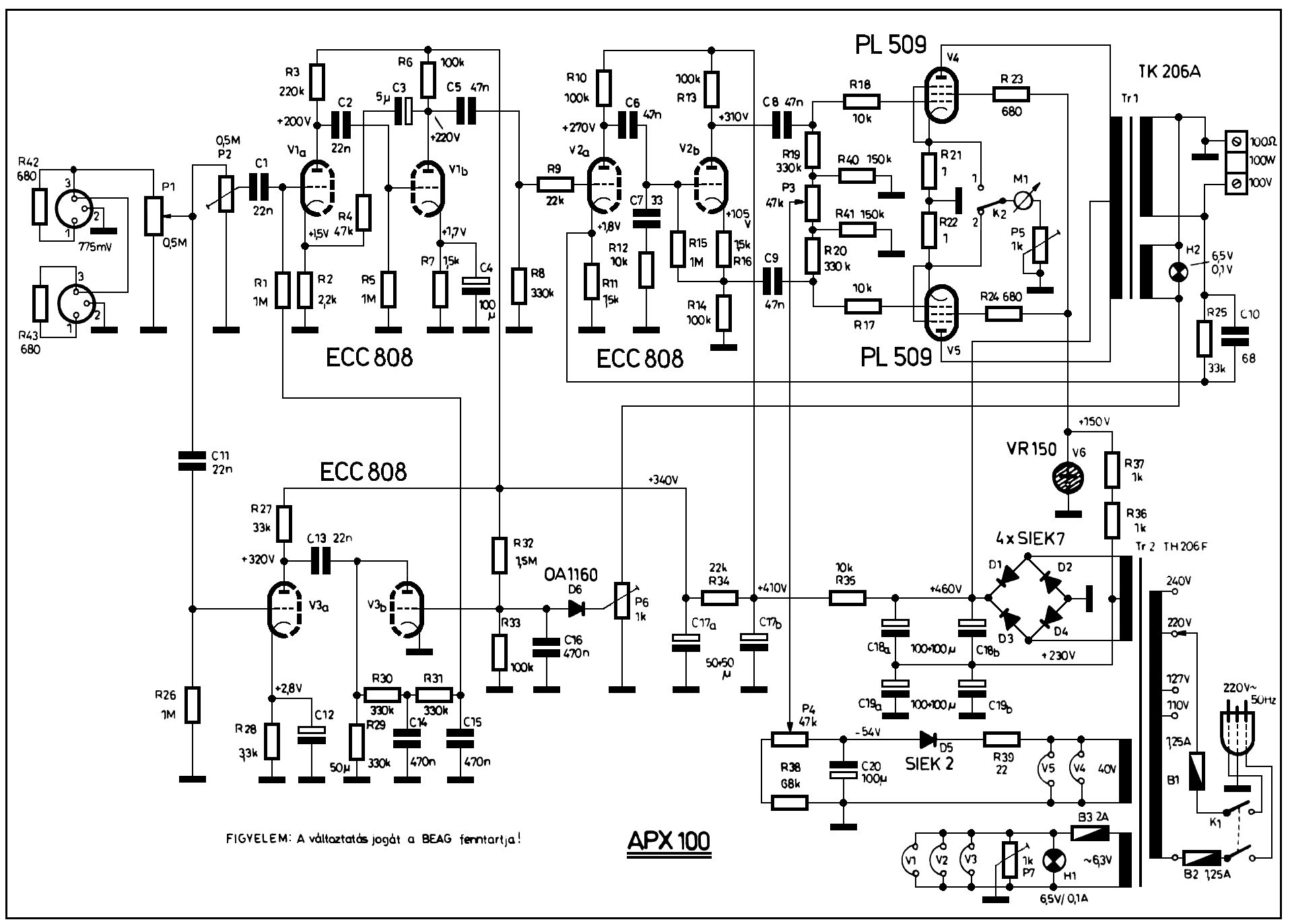
Na, egy sitt-telepen kikukáztam egy APX-100-as csöves erősítőt. Van valakinek valami ötlete, hogy mit kezdjek vele?
Köss a kimenetre hangszórót és a bemenetre jelet. ha szól akkor OK, ha nem akkor vidd vissza és vágd hozzá a földhöz. Megjavítani sokba kerülne szerinetm.
Jah! És annyit zabál áramból hogy rámegy a gatyád is, de télen jó vele fűteni.
Itt az általam feljavított minőségűrajz hozzá, hátha kell... Amúgy a 100V 100W az 100ohm, jó sok hangszórót rax 1 hangfalba hogy kiadja és szépen szól (voltak ilyen BEAG hangoszlopok). Azonkívül vannak illesztőtrafók, amik visszaalakítják mondjuk 8ohmra. Valahol van átalakított kimenőtrafórajz is, de nem tudom hol, az biztos, hogy az egészet le kell tekerni hozzá először, mert a szekundert legalább 8 részre osztva kell a primer megosztások közé tekerni, hogy jó legyen.
Miért érzik sokan, hogy szebben szól a csöves a méréseknek ellentmondva? Az én véleményem az, hogy addig amíg a csövek határfrekije a trafóval együtt igen jó esetben is alig éri el az 50kHz-et, a tranyók közt ma már nem nagyon találni olyan példányt, ami ne menne 3MHz-ig. Könnyen belátható, hogy az intermodulációs termékek széles skálája kerül(het) ki a hangsugárzóra, megváltoztatva a hangképet. A másik dolog a kimenőtrafó, melynek szekundere "keményen" fogja a hangszóró mozgását.
Ja, azt gondoltam, hogy zabál, két 220V/1.25A biztifoglalat van a hátán...
Nem hinném, hogy működne, szerintem jó párszor elázhatott már, meg fel van feszítve a teteje, valami szakbarbár belenézett, de gondolom nem javítási szándékkal, ha arra is lusta volt, hogy még kettő csavar kitekerésével normálisan levegye a fedelet... Mit hitt, arany van benne? Na mindegy. De gondolom nem kéne rákötni egy hangszórót natúrban a 100 Voltra, nem? Vagy kössek sorba vele egy izmosabb ellent?
A csöves erőlködők kimenetét akár rövidre is zárhatod, attól nem lesz semmi baja, de ha nem raksz rá hangszórót és szabadon hagyod a kimenetet akkor szépen elszállnak a végcsövek.
Sebi, köszi a rajzot, jó fej vagy, hálám üldözni fog...
A hozzászólásod másik részére pedig annyit tudok mondani, hogy én is csípem a csöves erősítők hangját, talán mert én még nem a hájtek-korszakban nőttem fel. Ráérős időmben 20-25 éves szalagos magnókkal piszmogok, van belőlük 3 is, tip-top állapotúak, de van itthon jó pár 40 éves, vagy annál is öregebb, működő tranyós zsebrádióm a hőskorból. Én szeretem ezeket a régi dolgokat. A csöves erősítő hangjáról meg annyit még, hogy talán éppen azt szeretik bennük sokan, ahogy szólnak, a torzítás is ennek a része. Nem hiába vannak olyan hájtek erősítők, amelyek "mesterségesen" állítják elő egy csöves hangzásvilágát, közben meg tele vannak IC-kel, meg processzorokkal. Meg gondolom tudod, hogy ma is gyártanak csöves erősítőket nagynevű cégek, otthoni használatra is.
Ja, jó hogy említed ezt a dolgot, én is hallottam, hogy terheletlenül nem szabad kísérletezgetni egy csövessel. De pl. egy 4 ohmos hangszóró kibírja a 100V-ot?
hát nem kell max hangerőre állítani.
A mostani csoves erőlködőket meg az újgazdagolnak találták ki! x száezer forint vagy talán még milla is meg van egy jobb fajta. |
Bejelentkezés
Hirdetés |





Nem hinném, hogy működne, szerintem jó párszor elázhatott már, meg fel van feszítve a teteje, valami szakbarbár belenézett, de gondolom nem javítási szándékkal, ha arra is lusta volt, hogy még kettő csavar kitekerésével normálisan levegye a fedelet...
A hozzászólásod másik részére pedig annyit tudok mondani, hogy én is csípem a csöves erősítők hangját, talán mert én még nem a hájtek-korszakban nőttem fel. Ráérős időmben 20-25 éves szalagos magnókkal piszmogok, van belőlük 3 is, tip-top állapotúak, de van itthon jó pár 40 éves, vagy annál is öregebb, működő tranyós zsebrádióm a hőskorból. Én szeretem ezeket a régi dolgokat. A csöves erősítő hangjáról meg annyit még, hogy talán éppen azt szeretik bennük sokan, ahogy szólnak, a torzítás is ennek a része. Nem hiába vannak olyan hájtek erősítők, amelyek "mesterségesen" állítják elő egy csöves hangzásvilágát, közben meg tele vannak IC-kel, meg processzorokkal. Meg gondolom tudod, hogy ma is gyártanak csöves erősítőket nagynevű cégek, otthoni használatra is. 