Fórum témák
» Több friss téma |
Egy előző teszternél (LCD1602 kijelzős) simán kiolvastam, illetve egy frissebb verziójú magyarított programot raktam fel. Az valóban nem volt védve.
Reménykedjünk, hogy valakinek van jól működő 2.07 verziójú szoftverrel működő változat, és veszi a fáradságot hogy kiolvassa és feltegye ide a .hex-et.
Én is ebben bízom. Én nekem is van egy LCD1602-es kijelzöjű példány (távolkeleti). Nekem kiválóan működik, - kollégám nálam látta, és ő is rendelt a haverjával kettöt. Megtetszet neki a grafikus kijelzés, - pechére, mind a kettő hibásan működik, így került hozzám az egyik, mert én sem akartam elhinni hogy egyformán rossz mindkettő. Mivel áramköri hibát nem találtam, ezért a szoftver lett nekem gyanus, mint tudjuk távolkeleten nem fordítanak sok időt a gyártás utáni tesztelésre, max. bekapcsolják és annyi. Várok még hátha valakinek van egy 2.07-es hex-e.
Ha csak ezen múlik . kellene a kijelző pontos típusa , és utána nézek.
Egyébként , ha jól sejtem , akkor ő lenne az. A hozzászólás módosítva: Júl 15, 2015
Valóban erről van szó, nagyon megköszönöm a fáradozást és a segítséget.
Sikerült kiolvasnom a vélhetöen hibas tartalmat, hátha segít.
Sziasztok !
Lehet volt már a kérdés, de miért van hogy néha egy-egy tranzisztort a tesztelő JFET-nek mér ? Kösz !
Hello! Vásároltam az interneten a fent nevezett kit-et. Bővebben: Link Az összeépítés után belfutottam egy olyan hibába miszerint a bekapcsolás után lefut a teleptest. Ha bekötök valamilyen alkatrészt akkor azt megméri, de utána kiírja hogy "Time out". Ha most akarok mérni vele valamit akkor nem történik semmi csak ha az S1 gombot meg nyomom, viszont akkor újra lefut a test s "Time out"-al megáll.
Kedves itteni Fórumtársak!
Szükségem lenne egy jó főként a félvezetőkre kihegyezett teszterre, mivel LCM3-am már van. Itt olyan sok fajtát láttam már, és nincs erőm végigrágni a fórumot, a számomra megfelelő kiválasztása miatt. Ezért kérnék ajánlatokat tőletek, mit érdemes venni vagy építeni! Válaszokat előre is köszönöm!
Pedig , ha jót jól akarsz építeni , akkor csak át kellene magad rágni ezen a fórumon.Sok olyan információ le van írva , ami az építés során elengedhetetlen .
Tulajdonképpen egyetlen áramkörről van szó, aminek a szoftvere folyamatosan fejlesztve van. A fejlesztések és némi plusz alkatrész által bővíthetők a funkciók, mint pl. feszültségmérés, frekimérés, stb.
Egyszerűbb lenne venni mint építeni, de nekem is az a bajom vele hogy olyat amilyen nekem kellene senki nem árul (bugyuta kijelzővel van szerelve vagy dobozolva van amikre nekem nincs szükségem stb.), illetve a szoftvert sem az én igényeim szerint fejlesztik. Nekem még a legelsők közül van egy, az működik is rendesen évek óta, de jó lenne mellé egy olyan is ami többet tud. Talán a télen lesz majd időm összerakni egy olyat is. Ha valóban kihegyezett tesztert akarsz akkor azt magadnak kell elkészíteni, mivel ez nem fog neked több A-es áramon végtranyó bétát mérni, és nagyfeszdiódát sem aminek jóval nagyobb nyitófeszültsége van. Az a jó benne hogy egyszerű és sokoldalú, több műszered van egyben. De van az a mondás hogy ami mindent tud, az igazából nem tud semmit.
Kivéve , ha az úgy van megépítve ahogy kell.
Elsőnek találjam meg azt a verziót amit majd megépítek! Aztán majd jöhetnek az építési problémák!
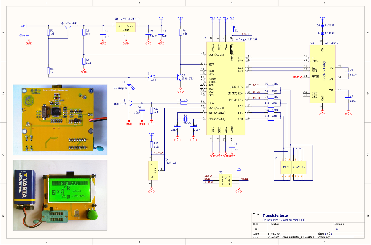
Ge Lee! Nem áll tőlem messzire az építés sem. Nézzük hogy miben gondolkodom: Asztali műszer lesz tehát a telepes mizériák nem érdekelnek. Csak félvezetőket kell hogy tudjon minél szélesebb tartományban mérni, nem gond ha a zénerhez, spec dolgokhoz külön csatlakozópont kell, csak tudja. Nem kell csicsás kijelzés, de egyértelmű legyen, Lehetőleg avr, és nyilt forráskódú legyen.
Ma már elég széles a választék a 2x16 karakteres kijelzőtől kezdve a grafikus , vagy az O led kijelzőig .Az alkatrészek tesztelésén túl már frekvencia , és még lehetne sorolni ki ki hogyan fejlesztgeti saját teszterét.
Viszont egy , ami biztos mindenféleképpen jó minőségű 0,1-1% értéktűrésű alkatrészekkel legyen megépítve , akkor nem marad el a várt működése a teszternek.
Hogy zénert mér-e azt nem tudom, de ha jól emlékszem akkor pl. a visszáramos diódát rossznak látja, a kézi digitműszerek sok esetben nem, mert túl alacsony fesszel mérnek. Félvezetőkhöz szerintem jó, fetnél kiírja a lábakat, a body dióda nyitófeszét meg talán a gs kapacitást.
Nekem az induktivitásmérője nem tetszik, mert henry-ket sosem mér az ember, viszont én uH-ket napi szinten, arra meg nem jó. Szóval nem értem hogy a fejlesztő miért felfele és nem lefele viszi a méréshatárt. Az elkók mérése viszont egész jó, bár én ott sosem az értékre vagyok kíváncsi, hanem ESR-t mérek egy másik műszerrel.
Köbzoli! wazzeee!!
Na, kijelzőnek van pl 4x20as karakteres. Induktivitás mérés nem érdekel, a kapacitás mérés kell a g-s kapacitás miatt. A freki mérés jöhet, de tudok nélküle élni. Amit hiányoltam de nagyon, mikor még figyeltem, követtem a témát, az hogy nekem mérni kellene R ds_on-t tehát hogy mekkora a vezetési ellenállása a fetnek. Ehhez viszont nagy többségben nem elég az 5 voltos Ugs, hanem el kellene menni 15voltig... ez nagyon fontos lenne!
Rds-on-t minek? Hogy pontosan mennyi lényegtelen, nagyságrendben meg ott van az adatlapon. Meg egyébként is hőfokfüggő.
Egy fetes alkalmazásban amúgy sem a vezetési veszteség szokott mérvadó lenni (néhány század vagy 1-2 tized ohm) hanem a kapcsolási. Analóg alkalmazásban meg pláne lényegtelen, ha éppen nem teljesen nyitott vagy zárt a FET.
Pl azért mert nincs (beazonosítható) típusjelzés a feten, így adatlap sincs..
És függhet a hőfoktól,de a nagyságrend akkor is meglenne. Ráadásul vannak olyan applikációk mikor a fet nyitott állapotában az Rds_on ellenálláson mérik az átfolyó áramot!
A 4x20 as kijelzőre meg kell írnod majd a szoftvert , mert úgy tudom ilyen kijelzővel a világon nem szerelte ezen alkatrész tesztert még senki. Egyébként meg mint írtam nagyon pontos értéktűrésű alkatrészekkel kell megépíteni , akkor tényleg pontos lesz .Ami ha az adatlapokat követve egyezik , akkor a többi tényező már onnan is megtudható.
A hozzászólás módosítva: Júl 27, 2015
RDS_on-hoz készíts inkább külön mohm mérőt. Ehhez nagyobb áramnak kellene folynia, hogy értékelhető legyen az eredmény, a teszter meg alapjában véve telepes szerkezet.
Szerintem pedig azért akad nem kevés 4X20 LCD-vel. Semmit sem kell megírni hozzá. Ott van minden fajta kijelzőhöz ami kell. Csak ugye tudni kell átírni a progit a megfelelő paraméterekre.
Mostanság már igen valóban , pláne , ha még orosz betű készlettel van megírva , akkor meg pláne.
A képen nincs is , viszont láttam már ezen fajta tesztert más karakterekkel is .
Szia!
Ezt hol találtad?
Hello!
Itt meg itt oroszul olvashatsz erről...és a "GoogleDrive"-on is... A hozzászólás módosítva: Júl 28, 2015
Sikerült megoldani a problémát, a "fuse-bitek"-hez nem nyúltak hozzá, így maradtak gyári alapon. Tehát a kiolvasott eeprom és memoria tartalom nem rossz, használható. Köszönöm a segítőkész hozzászólásokat. A "fuse-bitek": L=F7, H=D9, E:FC
Üdv a mestereknek!
Kis segítségre lenne szükségem megépítettem én is ezt a kis tesztert de a programozásnál elakadtam! A következő lenne a gondom AVRISP-mkII programozóm van ez lenne az első AVR programozásom vele a program amit használnék AVR studio 6.2 a programozót a gép felismeri rendesen a programban ki is lehet választani az atmega328P is ki lehet válsztani kiválasztom az ISP kommunikációt is de amikor csatlakoztatom a panelhez az ISP foglalatba Apply-t nyomok eddig jó utána read gombra kattintva fel kéne ismerni az atmegát de ez nem történik meg kiírja hogy 25.4V a feszültség meg hogy 1.8-5.5v-ig lehetne ezét nem is lehet tovább lépni már próbáltam minden hogyan de mindig ezt írja ki!Ha esetleg tudja valaki mi lehet a gond megköszönném ha válaszolna!Köszönöm!
A programozó gyári ?
Jól vannak az atmega 328 lábaihoz kötve a programozó pontok ?
Köszönöm a gyors választ a programozót a Hestore-ból rendeltem a nyákot meg ez alapján készítettem.Köszönöm!
|
Bejelentkezés
Hirdetés |












