Fórum témák
» Több friss téma |
Mert 3,7V esetén minden változik? Vagy csak a CMOS 555.
Próbapanel vagy nyomtatott áramkörrel lenne szerintem érdemes, hogy minél kisebb helyet foglaljon el, nem? Ha ez sikerül, utána már megpróbálhatom az irányjelzőt is?
Miért kérdezel vissza? Leírtam mindent ami számít, el kell olvasni. Előbb "tákold össze", hogy lásd hogyan működik. Aztán a "miniatürizálás".
Az irányjelző egy más buli. (Ezt is írtam, ha jól emlékszem és azt írtad nem az lesz.) De nem is folytatom..
Okés!
Ez, meg az irényjelző készítés két külön dolog. Azt is elkészítem, csak nem találtam hozzá kapcsolást.
Nos akkor tettem fel kapcsolást a "Led-es index" topikba. Nehogy munka nélkül maradj.
Köszönöm, így tényleg lesz min dolgozni.
Én is csatlakoznék a témához.
Hasonlót szeretnék én is csak úgy hogy van egy erősítőm és 2 oszlophangfalam(3 utas) és én úgy gondoltam h 6 ledet(oszloponként) és h a mélyre reagálna csak. Hogy ez valahogy kivitelezhető lenne? A válaszokat előre is köszönöm!
Valamit elrontottál. A kondenzátor jó polaritással lett beépítve?
Igen, ellenőriztem és a kondi is jó. Az 1M helyére 470K potit tettem, az lehet esetleg?
És ez volt a megoldás. Hálás köszönet már sokadszorra!
Annyira szaporán villogott, hogy nem láttad azt.
Helló!
Valaki röviden el tudja magyarázni nekem ennek a kapcsolásnak a működését? Bővebben: Link A kondi véletlenül nem fordítva lett bekötve?
Nem tudni miért gyomlál a modi, de a kondi polaritása rendben van. Annak a negativ végén vagy közel azonos potenciál lehet mint a pozitiv végén ( ha nem világit a LED), ha meg világit, akkor ott közel 0 Volt lesz, azaz negativabb mint a másik végén, ahol mindig közel Vcc van ( csak egy E-B átmenettel csökkentve).
Induláskor a kondenzátor energiamentes, olyan, mintha rövidzár lenne.
A 390KOhm és az 1,1KOhm leosztása miatt T1 E-B feszültsége kisebb lesz 0,6 Voltnál, így nem vezet. A 4,7 mikró addig töltődik az ellenállásokon keresztül, amíg T1 E-B el nem éri a nyitófeszültséget. Ekkor T1 és T2 vezetni kezd és a kondi 1KOhm -on és a két tranzisztoron ellentétes irányban töltődik. Közben T2 kollektorán - és így T1 bázisán is - a feszültség emelkedik, T1 és T2 is lezár. Azért van T1 bázisára kötve a kondi + pólusa, mert a másik vége ennél csak negatívabb lehet. Ha jól gondolom.
Huh, köszi, nem annyira egyszerű mint amilyennek látszik.
Valamikor épp ez a kondi polaritás tett kíváncsivá, emiatt építettem meg.
Valóban úgy indul az áramkör, mert a LED-en eső feszültséget nem vettem figyelembe.
Viszont amíg a 4,7 mikró töltődik, a töltőáram T1 bázisába folyik és nyitva tartja, nem lezárja (PNP). T1 majd akkor zár le, amikor a töltődési folyamat végén T2 kollektorfeszültsége emelkedni kezd így T1 B-E feszültsége 0,6 Volt alá esik.
Induláskor a 390K Ohm miatt T1 és T2 is vezet, T2 kollektora 0 Volt körül van. A kondi T1 bázisán átfolyó nyitóirányú árammal töltődik, így még jobban kinyitja T1-et.
Ez rövid ideig tart. Miért nem így van?
Talán félreérthető voltam:
Induláskor a 390K Ω miatt T1 és T2 is vezet, T2 kollektora 0 Volt körül van. A kondi T1 bázisán átfolyó nyitóirányú árammal töltődik, így a töltődés alatt T1 és T2 is vezet. Ez rövid ideig tart. Amint a töltőáram közelít a nullához, T1 bázis és kollektor árama csökken, T2 bázis árama csökken, T2 kollektor feszültsége emelkedik. T2 kollektora a feltöltött kondenzátor negatív pólusát megemeli, ezért T1 bázis feszültsége pozitívabb lesz, mint az emitter, T1 és T2 így már nem vezet. A kisütés 311,1 K Ohm -on és a soros LED-en történik és addig tart, amíg a T1 bázis feszültsége az emitterhez képest el nem éri a 0,6 Voltot. A kisütés nagyobb ellenállásokon át történik, így a LED hosszabb ideig lesz kikapcsolt állapotban.
Sziasztok!
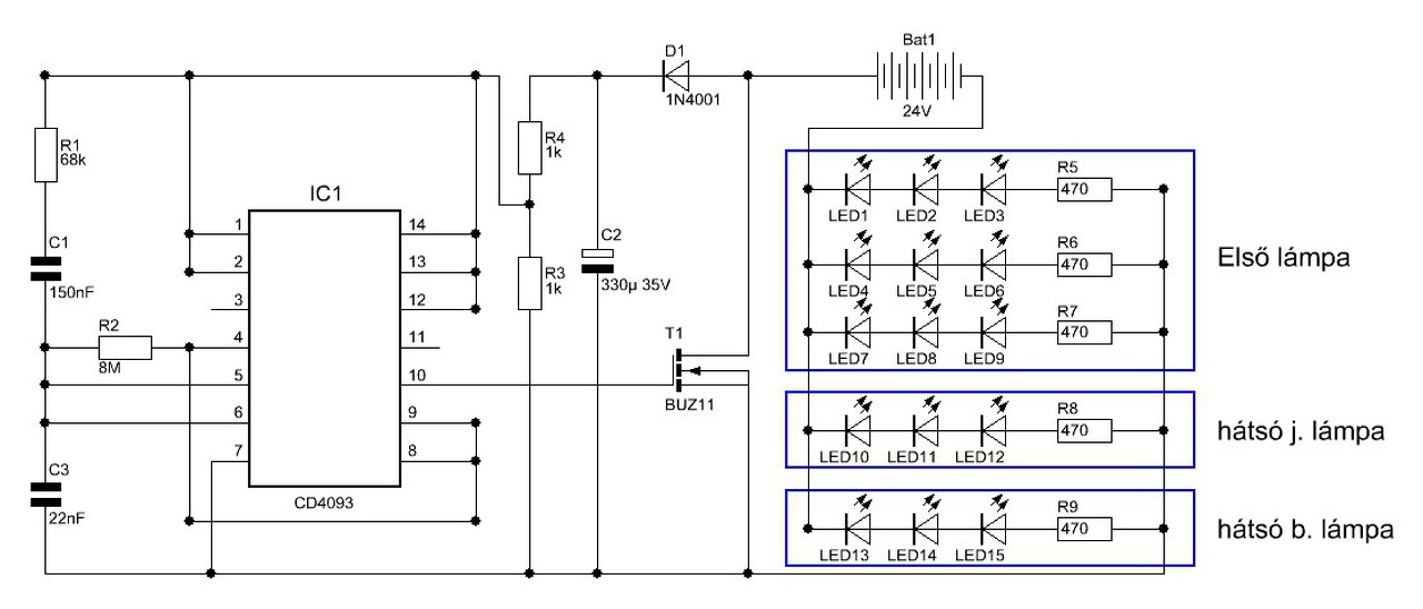
Több alkalommal megépítettem az alábbi Skory féle villogót, és tökéletesen működnek a mai napig is. De, most egy 24V-os mopedbe szeretném beletenni, viszont ez a villogó 12V-ról üzemel. Gondoltam, hogy a pozitív ágba a dióda és a tantál kondenzátor közé beteszek egy stab. Ic-t, így a 4093 megkapja a kellő táp feszt, a FET meg kapcsolja a 24V tápot a lámpáknak. De az elméletem hibádzik, mert a kimeneten nem 24V van, hanem a stabilizált feszültség. jelen esetben 8-9V. Így nem is úgy villog ahogy kellene, meg persze halovány is. Hol tévedtem? Köszönöm a segítséget!
Hello! Nem oda kell tenni a stabit, hanem a 100µF és az IC közé. És olyan stabi kell, aminek kicsi a fogyasztása, mert egy "sima stabi" fogyasztása itt már sok. (A kondi tárolja a töltést, míg a Fet be van kapcsolva és az izzók égnek.)
Szia!
Köszönöm a segítséged! Megcsináltam javaslatod alapján, és igen jó lett, bár még egy kicsit gyorsabban villog mint szeretném, de ez már csak szöszmötölés. Nem stabot tettem bele, hanem két 1k ellenálásal leosztottam. Így még belefér az IC tápjának tűrésébe (5-15V) és a ledek is kellően világítanak. Viszont lenne még egy kérdésem. Elképzelésem szerint ez úgy működne, hogy alapból a FET drain és Source lábát egy kapcsolóval rövidre zárnám és akkor a LED-ek folyamatosan világítanának, mint normál világítás. Ha viszont kikapcsolom a "rövidzárat", akkor villog az összes lámpa, mint elakadás jelző. Ez a rövidzár dolog a FET-el egészséges dolog, vagy keressek más megoldást?
Nyugodtan rövidre zárhatod, nem fog történni semmi. A tranyó, maga is ezt teszi..
Azért az alsó ellenállás (R3) helyett sokkal ügyesebb lett volna egy 12V-os zener diódát beépíteni.
A hozzászólás módosítva: Máj 30, 2015
Üdv!
Az elképzelésem az lenne hogy Ilyet építenék mert van sok felesleges ledem . A vezérlésnél el akadtam olyan vezérlést szeretnék hozzá ami vagy zene ütemére villog vagy egy be égetett program alapján . Esetleg valaki tud e benne segíteni vagy épített e már ilyesmit ?
Sziasztok!Egy 11 éves kisfiú vagyok,és nemrég kezdtem el elektronikával foglalkozni.Az lenne a gondom,hogy építettem egy 2 LED-es villogót(Bővebben: Link),de amikor rákötöm a 4.5 voltos elemre,csak az egyik világít folyamatosan.Igaz,hogy elektrolit kondenzátor helyett TANTAL kondenzátort használtam,de az értékek ugyanazok.
Előre is köszi! Dávid
Hello Dávid!
Elsőként vedd ki mind két kondit, és ha jól vannak az alkatrészek (főleg a tranzisztorok) bekötve, akkor mind két Led-nek világítania kell. Amíg ez nem működik így, ne tedd vissza a kondikat. A tantál jó, de figyelni kell a polaritás bekötésére, mert fordított polaritású bekötés esetén szinte vezet a kondi. Ellentétben a sima elkóra, ami azért úgy is működőképes. (főleg, ha a feszültsége jóval nagyobb, mint az áramkör tápfeszültsége.) |
Bejelentkezés
Hirdetés |













