Fórum témák
» Több friss téma |
Köszi a segítséget!!!
Még annyi gondom lenne,hogy kivettem a kondikat,és megfordítottam az egyik tranzisztort.Világít mind a kettő.Visszatettem a kondikat,de még mindig csak világít.
A tranyó "akkor működik jól", ha a bázis-emitterét rövidre zárod (vagy kiveszed a 10kohm-ot) és kialszik a Led. Mert ha a kollektor-emitter helyett, pld. a bázis-emitter van bekötve, akkor a Led világítani fog a nyitott bázis-emitter dióda miatt. Ellenőrizd, hogy a tranyó tényleg NPN-e.
Ha nem működik, egy kép nemártana..
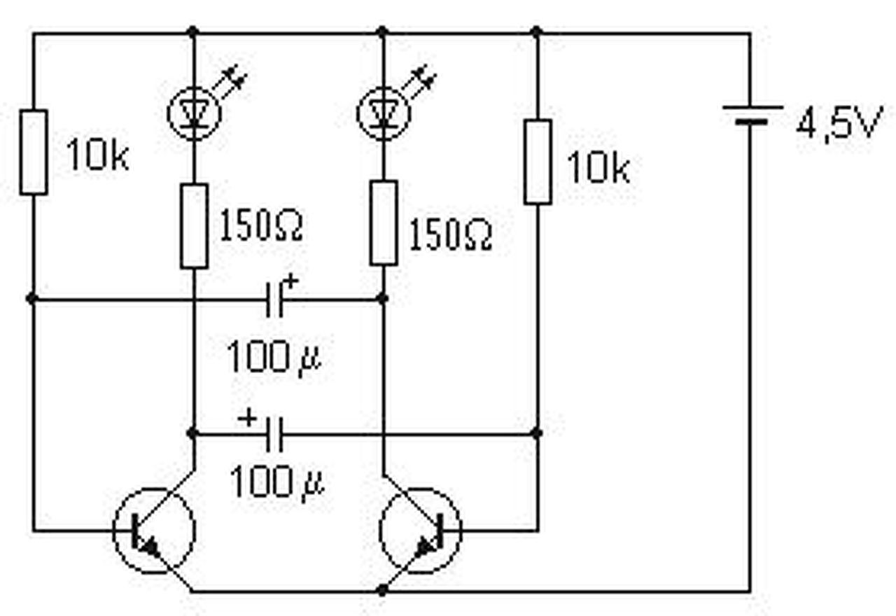
Ellenőriztem,a tranzisztor NPN.Raktam a mellékletbe 1 képet az áramkörről,és ahogy működik.
Én így nem sokat látok a képen, de gyanús, hogy a jobb oldali tranyó fordítva van benne.
Közelebbről kellet volna, és felülről, valamint a nyák mind két oldaláról. (Gondolom telefon, de egy 2es szemüveglencse is sokat javíthat. Nézz utána, van a fényképezésről leírás ezen az oldalon..) A kondin sem látszik így, a polaritás, mert a másik oldalán van. Amúgy nem kicsi a kondi kapacitása? Mert ha igen, oly gyorsan is villoghat amit szemmel nem látsz, csak az, hogy világít mind kettő. Nézd meg az adatlapon hogy van bekötve a BC182. Az emitterének (nyíl) kell a táp negatívjára menni. Általában a tápfeszültséghez piros-kék vezetéket használunk. Ha nincs, de pld. egyik kék (mint itt), akkor az a negatív legyen, ne a pozitív tápfesz.
Készítettem még pár képet,megnéztem a BC-182 adatlapját,és a kapcsolási rajzot.A kondiról nem tudtam képet készíteni,mert nem fókuszál a fényképező.De raktam a mellékletbe egy képet,ahonnan vettem.
BC-182 adatlapja
Hello! Úgy látom egyből meg van a hiba. Te a nyákon, szinte a kapcsolási rajzot valósítottad meg. Csak hogy a kapcsolási rajzon, ott van összekötés, ahol pont is van. Ahol csak kereszteződik a két vonal, ott az nem kötődik össze. A nyákon meg nálad a vezetősávok itt is össze vannak kötve. Pirossal bekarikáztam, sárgával, meg jelöltem, hogy merre kellet volna vezetni.
A hozzászólás módosítva: Aug 25, 2015
Oh,köszi a segítséget!Esetleg tudnál adni egy nyákra tehető rajzot?(mert hogy én nem láttam ilyet a villogó oldalán.)
Most vettem észre. Nem kell újat csinálnom.Csupán egy hidalást kell tennem.Holnap megpróbálom.Addig is köszi.
Közben megrajzolta, hátha még is kedvet kapsz hozzá.. A nyákon a ráírt szövegnek olvashatónak kell lenni. Akkor oldalhelyes.
A hozzászólás módosítva: Aug 25, 2015
Köszi!!!!Működik!Megmondanád nekem,hogy mivel rajzolod meg a nyákterveket?Nagyon jó lenne...
Én egy ókori DOS-os CIRCAD rajzolóval rajzolok. De ez számodra nem mérvadó..
És nem tudsz valami jó nyáktervező progit?
Helló!
Múltkor összeraktam és nem működött, de most már szeretném életre kelteni. ![]() Az ajánlott tranzisztorok valamelyik párja ahogy elnézem nagyon nehezen, vagy nem beszerezhető. Milyen új keletű párosításokkal működne biztosan?
Kapható persze, csak a párja már nem, és gondolom nem véletlen az ajánlás.
OK, köszi, akkor 546 meg 556 lesz.
Üdv! Ide nem kell pár, teljesen mindegy, amit találsz otthon hasonló paraméterűt, azt beteheted. A lényeg, hogy egyik NPN, a másik PNP. A lábkiosztásra ügyelj.
Hali!
Sajnos megint nem nagyon akaródzik működni.. BC 547 C illetve BC 327-40 akadt kézre az imént, a többi alkatrészt illetően 500Kohm, 100ohm, 10µF vagy 100nF, Li akku (~4V). Breadboard-on dugtam össze, a tápadó vezetéket mozgatnom kell kicsit hogy valamennyire működjön, mert egyéb esetben folyamatosan világít a LED, mozgatáskor sem alszik ki teljesen váltáskor a LED, hanem csak halványan világít. Nem vagyok benne biztos hogy összeforrasztva rendesen működne, de egyelőre nem is szeretném, mert máshova lesz majd szánva, más LED-del, más időzítésekkel. Egyébként ez üzembiztos állapotban is ilyen, hogy sötét állapotban halványan világít a LED? A hozzászólás módosítva: Szept 13, 2015
Igen, üzembiztos állapotában is világít halványan a LED.
Kár, így már kevésbé szimpatikus.
Viszont azt meg tudom oldani hogy olyan mértékben csökkentem a LED áramát, hogy ne lehessen látni ezt a halvány derengést és közben még működőképes az áramkör? Mivel a világítós szakaszban sincs nagy fényre igény.
Vannak egyéb, jobb megoldások. Azok nem érdekelnek? proli007 variációi a témára: Bővebben: Link.
De, érdekelnek, köszi.
![]() Viszont miközben ezt írtad, megkerestem ezt, hogy ide belinkeljem. Nekem ez szimpatikus volna, csak vajon hol vehetek itthon, vagy külföldről egyszerűen ilyen micropower-es Jameco CSS555-t? nem egy hétköznapi alkatrész.
Ez egy 555 -ös IC, kb. ez is a sarki fűszeresnél kapható.
De nem, mert micropower-es (aktív módban kevesebb mint 5uA az áramfelvétele), sima 555 nekem is van itt pár az asztalon..
A HEStore kínálatában van pár típus, válassz csillagot!
Megnéztem proli007 kolléga megoldásait is, de ezek közül a legjobb is csak 100uA-t vesz fel. Én pedig egy igazán low-powerest szeretnék építeni, amely a LED aktív állapotban fogyaszt ennyit.
![]() HES kínálatában pedig nem találok ehhez a CSS555-höz hasonlót sem, rengeteget fogyasztanak.
Csak most látom hogy ez az 555 akár programozható is link, így egy ilyen rendelése helyett, lehet hogy egyszerűbb lesz elkezdenem megtanulni egy egyszerű villogtató program írását. SPI flash IC-be adatot úgy is tudok írni párhuzamos portról, látom mikrovezérlőt is lehet hasonlóan...
proli007 megoldásai között van olyan, ami átlagban ennyi alatt van (2N6027 -es jelű alkatrész van benne). Egy normál LED-nek kell kb. 10 mA, hogy látható legyen a fénye. Kapható kis fogyasztású LED is, ami megelégszik 1,5 - 2 mA árammal is. Hogyan akarsz ez alá menni?
Hogyan?
Jelző LED-nek kell csak. Vak sötétben kis kék SMD LED-nek pár száz mikroamper mellett már zavaró fénye van. |
Bejelentkezés
Hirdetés |























