Fórum témák
» Több friss téma |
Mielőtt kérdezel, a következő két dolgot ellenőrizd!
I. A helyes tápfeszültségek megléte.
II. A kimeneten van-e egyenfeszültség.
Élesztés.
tudom. direkt ilyen
mert egyébként vágta a szinuszt alul.
Persze, mert már a 8 Ohm is kritikus, elfogy a meghajtó tranzisztor árama, visszább volt róla szó. Azzal, hogy kisebb a negatív oldalon a meghajtó emitter ellenállása, nagyobb áramot tud leadni. Viszont így a negatív oldal erősítése kb. kétszerese lett a pozitív oldalénak, vagyis aszimmetrikus lett a végfok. Az opamp korrigálja, de pluszban okoztál még egy problémát.
A hozzászólás módosítva: Aug 28, 2015
Üdv kollégák!
Ezt mivel tudom helyettesíteni vagy kiváltani? 2SA995 (SI-P DUAL 100V 0.05A 0.4W 100M)
Üdv..Egy Aiwa AV-D58EZ házimozi erősítő hibáról érdeklődnék.A hibája az hogy készenlét van, bekapcsol és utána 2mp után kikapcsol. Mitől lehet ez?Végfok hiba?
Nagy valószínűséggel az, mérj közvetlenül a végfokok kimeneti pontjain (nem a hangszóró csatlakozókon), ahol 1V feletti DC szintet találsz az a végfok hibás.
Szia! LF351N . Vannak kondik is 100µF 10UF 47UF
Sziasztok. Végre ki derült minek volt égett bakelit szaga.
A koppanás gátlom előtt volt 1 kohmos ellenállás.mivel 2x72v OM van és az csak 60-65v ig jó. A 1/4w os ellenálás égett kevésnek bizonyult. Tettem helyette 0.5w osat égős védelemel,probálva. Jó mükődik Másik érdekes dolog hogy a balbola. Égővel behuz a relé elhalványodik az égő.a jobb oldalt ha bekőtöm ott nem alszik el az égő. (ha csak azbazboldal van bekőtve akkor sem alszik ki) de megprobáltam szól. Lehet az alkatrészek nem egyformák és e miatt lehet ekkora külőmbség a 2 oldal kőzött?? Égő nélkül még nem lett kiprobálva. Ötletek??
1kohm füstőlt. 670ohmot találtam ami 0.5w os azt tettem helyette. Ógy eddig jó. Égővel...
Ez már új IC, nem a múltkori hibás darab?
A kondit, akkor értékhelyesen cseréld ki. A kimeneti egyenfeszültségnek még a 10mV-ot sem kéne meghaladni lezárt bemenettel. Ha makacsul marad a 600mV, akkor ismét töltsd ki a kapcsolási ábrát a tranzisztorlábak feszültségével.
Akkor jól tippeltem a nagy barna remix ellenállásra?
Igen ez már új ic, a100µF cseréjével egy kicsit jobb lett mert most szinte a poti minden beállítási tartományában meg-meg szólal egy rövid időre aztán újra lehalkul.
Sajnos a -600mV még mindig jelen van a kimeneten, lezárt bemenettel hangszóró nélkül.
Vizsgáld át a forrasztásokat! Mérd meg a feszültségeket Bővebben: Link
Szerk.: az IC tápfeszültségeit is. A hozzászólás módosítva: Aug 29, 2015
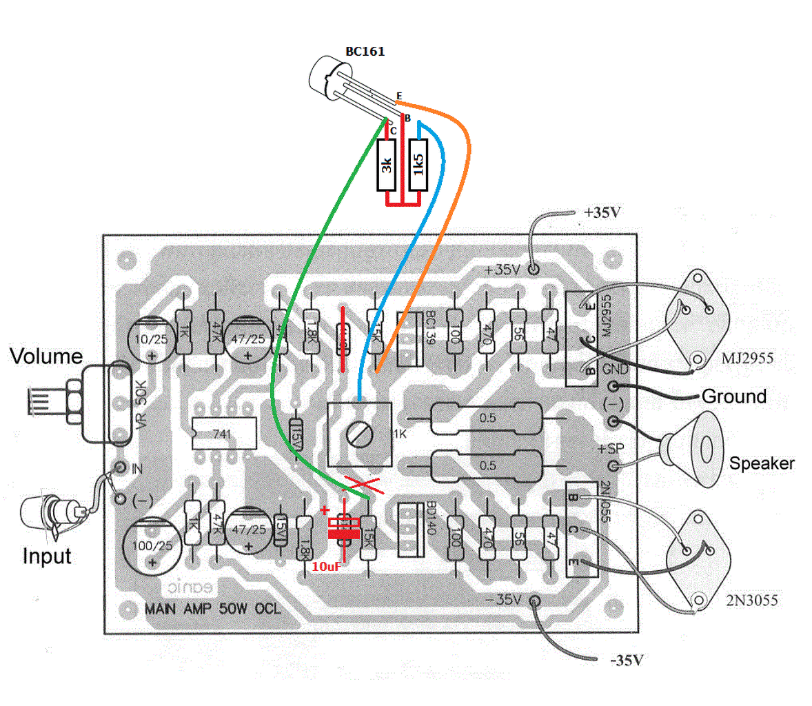
Az IC 6-os láb és és a BD139 bázis között egy 47 ohm-os ellenállás és egy átkötés van. Ekkora feszültség nem eshet rajtuk. Ellenőrizd őket!
Sziasztok!!
Lehetséges az egy erősítőnél, hogy a jobb oldalára kötött ugyan olyan hangfal egy kicsit gyengébben szóljon mint a baloldalára csatlakoztatott hangfal, hogyha a bal oldalába(hallásra kicsit erősebb meg láthatóan picit jobban mozog a membrán is) cserélve lettek a tranzisztor párok az eredeti 2SC1986-os helyett BD243C-re ? Mert van közte kis eltérés, a BD-nek 65W a Pd értéke míg a másiknak 40W, meg az fT 3Mhz a BD nél a másiknál meg 10Mhz, itt a Link lehetséges, hogy ezért lenne az észrevételem ? Mert amikor tönkrement a bal oldali tranzisztor pár, akkor csak az lett kicserélve, a jobb oldali nem.
Mint láthatod az átkötés révén egyenes út kell vezessen a 47 ohm ellenállásról a BD139 bázisára. Keresd meg hol van szakadás és javítsd ki!
Szia! A mély tartomány átvitele szempontjából a tranzisztor típusa közömbös, ha elviseli az üzemi körülményeket. Sokkal inkább a jel útjában és a visszacsatolásban lévő elektrolit kondenzátorokban keresd a hibát.
Tökéletesen átlátod a dolgokat, ugyanis a D1 -et rosszul értelmeztem, kivettem és nem hidaltam át. Azt hittem hogy a piros vonal csak kihúzást jelent.
Közben történt még egy baj, ameddig méregettem valami oknál fogva elfüstölt az R18 ellenállás (lehet hogy az áthidalás hiánya hazavágta a Q3-mat?
100w os égő is világut. Nem alszik ki. Mindent megmértem a másik oldalhoz képest. Lényegében egyforma kondik dioda állásban mérve átmennek szakadásba. Egyeszerűen nem értem mi lehet. (JAH ÉS MEGSZOLAL HA JELET ADOK NEKI)
Az áthidalás hiánya nem tehetett kárt semmilyen alkatrészben. Forraszd le a vezetéket Q3 bázisáról és emitteréről, multimétered diódavizsgálójával mérj rá ezen lábakra, majd ismételd meg a mérőcsúcsok felcserélésével is. Ezen leírás alapján magad is ki tudod értékelni az eredményt.
Sziasztok! Olyan problémával fordulnék hozzátok, hogy van egy daewoo dv-115 házimozim és 5-10 perc múlva elkezd magától váltogatni a bementek között, néha magától lemegy stand-by-ba is. Mi lehet a baj? A válaszokat előre is köszönöm.
Reloop nincs valami ötleted mi lehet a végfok modúlomra ? pls ?? egyszerűen semmi ötletem már
A hozzászólás módosítva: Aug 29, 2015
Eltérő a két csatorna nyugalmi árama. Nem tartom durva hibának.
Bölcs dolog, hogy nem adtad rá a teljes tápot. Megnézzük mennyi is a nyugalmi áram. A panel mögött ugye vannak emitter-ellenállások a végtranzisztorokon? Ha igen, milyen értékűek?
Pompás, mérj meg pár ilyen ellenállást mindkét oldalon, mekkora a feszültség a két lábuk között. Ebből aztán az I=U/R-rel kiszámoljuk az áramot.
Szerk.: 3-10mV tartományban várjuk az eredményeket. A hozzászólás módosítva: Aug 29, 2015
100-w os izzót ben hagyom és mérek feszkokat majd írom az eredményt
|
Bejelentkezés
Hirdetés |




mert egyébként vágta a szinuszt alul. 
A koppanás gátlom előtt volt 1 kohmos ellenállás.mivel 2x72v OM van és az csak 60-65v ig jó. A 1/4w os ellenálás égett kevésnek bizonyult. Tettem helyette 0.5w osat égős védelemel,probálva. Jó mükődik 






