Fórum témák

» Több friss téma
Fórum » Töltésszabályzó napelemhez
 
Témaindító: kokok, idő: Ápr 5, 2007
Témakörök:
Lapozás: OK   11 / 18
(#) hohanyojoe hozzászólása Jan 6, 2015 /
 
Hali!

Adott egy egyenáramú fogyasztó (jelen esetben fűtési keringető szivattyú 8-24V feszültségtűréssel), ami a folyamatos üzem biztosítása érdekében egy sima 12 V-os zselés/savas akkumulátorról üzemelne.
1. Szeretném ezt elsődlegesen napelemről tölteni/üzemeltetni, a hálózati áramfogyasztás csökkentése érdekében
2. Több napig tartó ködös idő, behavazott napelem, a tervezettnél nagyobb áramfelvétel stb. estén szeretném, ha az akkumulátor automatikusan feltöltődne hálózati töltőről mielőtt kritikusra csökken a töltöttség

Tehát pl 10-15 V akkufeszültség között csak a napelem dolgozik, 10 V alatt elindulna egy hálózati rátöltés teljes feltöltésig.

Sosem láttam még élőben sem napelemes töltésvezérlőt, sem automatikus töltőt, de amit eddig láttam róluk lehet hogy nem triviális a két dolog összehozása. Egyrészt úgy tűnik, hogy a hálózati töltőkön nem állítható be "ingerküszöb" hogy meddig ne lépjen működésbe, másrészt nem tudom kinyírnák-e egymást a napelemes töltésvezérlővel ha csak simán párhuzamosan kötöm őket...

Van ötletetek hogy hogyan lehetne ezt normális áron megkapható alkatrészekből összerakni?
(#) gergo55 hozzászólása Jan 10, 2015 /
 
Hohanyojoe!
Nézd meg ezt: http://www.hobbielektronika.hu/cikkek/szulfatoldo_automatikaval.html

ha ezt meg tudod építeni, akkor a többivel sem lesz gond. A napelemet -diódán keresztül- nyugodtan párhuzamosíthatod, kell még egy kiegészítés, ami majd indítja a hálózati töltőt. Néhány adat jó lenne, akku kapacitás, napelem telj., feszültség.
(#) Wind-Storm hozzászólása Jan 10, 2015 /
 
Helló!

De jó hogy belebotlottam ebbe a topikba.
Egy single lítium cellás napelemles lámpának amelyet tervezek, a napelemes része a legproblémásabb.
Tehát egy darab 18650-es cella legoptimálisabb töltését kéne valahogyan megoldani, de a részproblémák a következők:
1. Töltőáramkörnek egy MCP73832-es IC-re gondoltam, de nem vagyok benne biztos hogy ez lenne a legideálisabb választás ehhez az alkalmazáshoz.
2. Egy 17 centiméter átmérőjű gömb lenne a lámpatest, melybe egy négyzet alakú napelemet építenék vágott polikristályos cellákból, tehát az alapfelület adott, csak kérdés hogy mekkora üresjárati feszültségű napelem lenne az optimális (5V-os azaz 10 cellás vagy 6V - 12 cellás). A korlátolt hely miatt a több cellás nagyobb feszültségű lenne, míg a kevesebb cellából álló nagyobb áramot tudna leadni, a teljesítmény elviekben ekvivalens. A minél kisebb veszteség elérése volna a cél.
3. Az MPPT kérdése ilyen kis méretnél gondolom nem lényes, viszont az MPP környéke annál inkább az egyes ponthoz kapcsolódván, hogy az IC-nek bár széles a bemeneti feszültségtartománya, de a munkaponti feszültség már kérdéses hogy a napelemet egy ilyen IC-vel közvetlenül összekötvén hova állna be. További cél az is, hogy télen is működjön a töltés a szórt fényből.
(#) Wind-Storm válasza Wind-Storm hozzászólására (») Jan 14, 2015 /
 
Senkinek semmi ötlete?
Próbáljam ki két különböző feszültségű panellel is és lesz ami lesz?
(#) Laca13 hozzászólása Márc 23, 2015 /
 
Sziasztok!
Az fordult meg a fejemben, hogy a napkollektorom szivattyúját, napelemmel kellene működtetni. Az a gondom, hogy nem szeretnék akkumulátoros töltésvezérlős rendszert, mivel erre a célra értelmetlen és költséges. Az az ötletem támadt, hogy van egy kváziszinuszos inverterem, amivel a 230v-ot előtudnám állítani. Hiszen úgyis csak akkor van szükségem az áramra, ha süt a nap. Az a problémám, hogy nem tudom, hogy mi történik az inverterrel, ha nem kap elegendő áramot/feszültséget. Megoldható ez valahogyan? Én esetleg valamilyen áram/feszültség kapcsolóra gondoltam.
Üdv,
Laca13
(#) nrobert hozzászólása Ápr 23, 2015 /
 
Sziasztok!

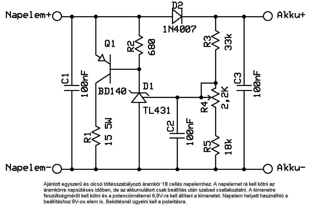
A mellékelt kapcsolást hogyan kellene átalakítani ahhoz, hogy alkalmas legyen egy 12 V-os akkumulátor töltéséhez. A kapcsolás alapján készült töltésszabályzóval jelenleg egy 6V-os akkut töltök egy 18 cellás 5W-os napelemmel. Az új napelem 10 W-os és 36 cellás.
Az áramkör működéséről a következő információm van:
A TS431 referencia lába ha eléri a 2,5V feszültséget az anódjához képest, akkor kinyitja a tranzisztort, ami rákapcsolja az ellenállásra a napelemet. Tehát az R3, R4, R5 alkotta feszültségosztó ha 2,5V-ra osztja le az akku feszültségét, akkor kapcsol a tranzisztor. Ha a potméter csúszkája a felső állásban van, akkor 2,5*(R3+R4+R5)/(R4+R5)= 6,58 voltnál kapcsol. Ha a potméter csúszkája az alsó állásban van, akkor 2,5*(R3+R4+R5)/R5= 7,38 voltnál kapcsol. Valahol a két végállás között lesz a beállítandó 6,9 voltos töltési feszültség.

Köszönettel!
A hozzászólás módosítva: Ápr 23, 2015
(#) proli007 válasza nrobert hozzászólására (») Ápr 23, 2015 /
 
Hello! Érdekes. Ha tudod hogy működik a kapcsolás, akkor miért nem tudod mit kell tenni? De láthatod is, a képletből, hogy a kimenti feszültség az R3-R4-R5 osztótól függ. Nyilván azt kell megváltoztatni. Pld. az R5-öt 6,8kohm-ra cserélve, már célba is értél.
(#) nrobert válasza proli007 hozzászólására (») Ápr 23, 2015 /
 
Helló!

Azt gondoltam, hogy az R3 és az R5 ellenállások értékét kell módosítani, de az nem, hogy milyen feszültségtartományt célszerű beállítani - mekkora feszültséggel kell tölteni a 12V-os akkut. Gondolom az R1 ellenállást is cserélni kell. Van-e esetleg más is amit még módosítani kell az áramkörben?
(#) proli007 válasza nrobert hozzászólására (») Ápr 24, 2015 /
 
Erre könnyű válaszolni.. Kétszer akkora feszültség, mint amekkora a 6V-osnak kell.
Az egész kapcsolás, egy "söntszabályzó", ez nem kapcsolgat ez, ahogy írtad, hanem szabályoz. Ha az aksi feszültsége eléri a szabályozási feszültséget, a Q1 elkezd kinyitni és a felesleges áramot az R1 ellenállás felé vezeti. A maximális áram akkora, emekkora át tud haladni az R1 ellenálláson a napelem feszültségéből.
(Hogy mekkora feszültséget tud termelni mekkora terhelőáram mellett a napelem, nem tudom, mert nekem nem volt ilyen napelemem. Vagy is azt csak a napelem karakterisztikájából lehetne megmondani.)
De mikor a tranyó szabályoz, az fűt is. A legnagyobb teljesítmény a tranyóban akkor van, mikor a kollektor feszültsége pont akkora mint az ellenálláson eső feszültségé. Az ellenálláson pedig akkor a maximális a teljesítmény, mikor a tranyó már teljesen ki van nyitva.
Tehát 15ohm 5W ellenállás esetében a maximális feszültség, 8,66V. Mivel itt 14..18V körüli feszültségre lehet számítani, vagy az ellenállás teljesítményét, és/vagy az ellenállását kell növelni. 15V feszültség mellett, 22ohm/10W ellenállást lehet pld. használni.
Amikor egyenlő feszültség van a tranyón és ellenálláson, a teljesítmény a negyede. Tehát a tranyót is pld. egy 10..12W/K méretű hűtőbordára kell tenni.
(#) nrobert válasza proli007 hozzászólására (») Ápr 24, 2015 /
 
Köszönöm a segítséget!

Az R5 és R3 ellenállásokat majd úgy fogom megválasztani, hogy a szabályozási tartományba beleessen a 13,8V feszültség, amire majd beállítom az áramkört a potméterrel.
A TS431-es adatlapja szerint a működési tartománya 1.24-6V között van, a napelem által maximálisan leadható áram pedig 0,57A. 22ohm-os ellenállással számolva a feszültség 13V körül jönne ki, ami már túl sok lenne. Nem lenne-e jobb egy kisebb pl: 10 vagy 6,8 ohm-os 10W-os ellenállás?
(#) proli007 válasza nrobert hozzászólására (») Ápr 24, 2015 /
 
Miért lenne a sok a 13V? A dióda is elvisz 0,7V-ot. De kipróbálhatod ha ráteszed az ellenállást a napelemre, és megméred a feszültséget. Használhatsz kisebb ellenállást, de akkor nagyobb teljesítményűt kell használnod..
(#) Wind-Storm hozzászólása Ápr 27, 2015 /
 
Helló!

Egy Li cella töltéséhez elegendő lehet egy 5V-os napelem is? Kis teljesítményű napelemről lenne szó, körülbelül 1 wattosról, tehát ez max 200mA-t jelentene.
A Li cella teljes feltöltése nem annyira cél, elegendő lehet 4V-ig is.
A töltés megvalósítását egy komparátorral gondoltam illetve a minél kisebb drop miatt FET-tel és nem schottky-val. A FET-et egy fényellenállással zárnám hogy ne legyen visszáram. Ez mennyire jó ötlet, vagy megoldható volna az is, hogy a FET a napelemmel legyen vezérelve plusz külső alkatrész nélkül?
A hozzászólás módosítva: Ápr 27, 2015
(#) nrobert válasza proli007 hozzászólására (») Ápr 28, 2015 /
 
Megnéztem még egyszer az adatlapot, a működési tartomány a kimenetre vonatkozik. Nem lesz sok a13V. Köszönöm a segítséget!
(#) szitko hozzászólása Máj 31, 2015 /
 
Sziasztok.

Gyári, nem MPPT töltésvezérlőnél a 12V-os led lápák villognak, ha az akku fel van töltve és csak "impulzus" töltés van.
Meg lehet valahogy szüntetni a villogást?
(#) otvenkilenc hozzászólása Jún 10, 2015 /
 
Sziasztok!

A kérdésem az, hogy az üzeletkeben forgalmazott napelemes akkumulátor töltő az működik az akkumulátor nélkül is? Csak a szabályozott kiemente kellene. Az alapgond az, hogy van egy 36V 7.6 A -t szolgáltató napelem. Kell egy olyan inverter, szabályzó ami 14V -t és 6 A terhelhetőséget tud teljesíteni.
A hozzászólás módosítva: Jún 10, 2015
(#) bgsf válasza otvenkilenc hozzászólására (») Jún 10, 2015 /
 
Bővebben: Link
Talán ez jó lenne.
(#) otvenkilenc válasza bgsf hozzászólására (») Jún 11, 2015 /
 
Köszi de hogyan tudom ezt megrendelni? Nekem nincs ebay számlám!
(#) JZoli válasza otvenkilenc hozzászólására (») Jún 11, 2015 /
 
Ehhez nem kell "ebay számla"! Sima bankkártyával is meg tudod venni regisztráció után.
(#) otvenkilenc válasza JZoli hozzászólására (») Jún 11, 2015 /
 
Szóval magyarországi bankártya jó? Ok köszi kipróbálom.
(#) Wind-Storm hozzászólása Jún 12, 2015 /
 
Helló!

Kis hobbi rendszerhez 4V-os zselés akkuban gondolkodom.
6V-os napelem elegendő lehet a feltöltéséhez? A töltési ciklus naponta ismétlődne.
Abból indultam ki hogy 12V-os akkuhoz 36cellás (18V) napelemet használnak, akkor 4V-oshoz elegendő lehet háromszor kisebb, 12 cellás, azaz 6V-os.
(#) ferci válasza Wind-Storm hozzászólására (») Jún 13, 2015 /
 
Szia!
Szerintem tegyél még hozzá pár cellát. Van a hobbin egy-két topik, ahol elég sokat olvashatsz a témában. Nem mindegy a beesési szög, irányszög és az az idő se, ameddig viszonylag optimálisak ezek a feltételek. A cellák jellemzői ( teljesítmény, kapocsfesz ) általában optimális feltételekre igazak.
Esetleg egy mini napkövetőt is csinálhatsz hozzá.
(#) Wind-Storm hozzászólása Jún 15, 2015 /
 
Köszi a válaszokat.

köbzoli: ban?

Ebay-en rengeteg 6V-os napelem van, több mint 5V-osból meg akár a következő 6V fölötti feszültségűekből is. Az elvi dolog pedig jó, mert kis fogyasztással összhangban lenne a csekélyebb töltés is.
Szabályozhatóság alatt mit értesz pontosan?
(#) pako hozzászólása Aug 29, 2015 /
 
Sziasztok!

A napokban érkezett nekem is egy adag (160W-nyi) napelem, és most agyalok valami töltésszabályzón hozzá. Mindenhol azt olvasom, hogy áramgenerátor jellegű, ebből adódóan egy dolog nyugtalanít, amire nem találtam választ sehol.
Kell nekik valami minimális terhelés? Vagy ha nincs szükség a cellákból áramra, nyugodtan terheletlenül hagyhatom őket? Van értelme berakni 15V-onként egy 1K ellenállást, hogy "ne ugorjon meg a fesz"? Ezzel csak 0,5W menne kárba összesen.
(#) cimopata válasza pako hozzászólására (») Szept 4, 2015 /
 
Ellenállás minek?

Vegyél egy MPPT töltésszabályozót vagy ha nincs pénz rá akkor valami egyszerűbb PWM es töltőt.
Az ócska kínai 3000ft-os MPPT töltőket nem ajánlom mert azoknak az égvilágon semmi köze a töltőkhöz.
(#) szitko válasza cimopata hozzászólására (») Szept 4, 2015 /
 
Idézet:
„Az ócska kínai 3000ft-os MPPT töltőket nem ajánlom mert azoknak az égvilágon semmi köze a töltőkhöz.”

Ezt tapasztaltad? Vagy mire alapozod a kijelentésed?
(#) pako válasza cimopata hozzászólására (») Szept 5, 2015 /
 
Csak a cellák élettartama miatt aggódtam, hogy nem-e okoz benne pl átütést ha nincs terhelve.
A töltésvezérlő az saját lesz majd, dsPIC-el a kapcsolóüzemű családból. Ezért is érdeklődöm, hogy hardweresen mikre figyeljek majd oda. Egyelőre még csak körvonalazódik a felépítése, de leválasztott DC-DC lesz majd (hogyha majd már több tábla is lesz, legyenek minél függetlenebbek, pl meghibásodás, vagy az egyik tábla éppen árnyékban van). Hogy pushpull vagy flyback még nem tudom, még utánna kellene néznem melyiknek jobb a hatásfoka széles bemeneti fesz. tartományon.
Sajnos még bőven ráérek ezen gondolkozni, még csak a keret készítésénél tartok, és fogalmam sincs mi legyen az alaplemez. Eddig a habosított PVC tábla (5mm) a legszimpatikusabb.
(#) ferci válasza pako hozzászólására (») Szept 5, 2015 /
 
Ha még csak a keret, az alaplemez a téma, gondolj az esetleges hűtésre is.
A hatásfokuk egyrész hőfokfüggő, másrészt nem rossz dolog a keletkezett hőt elvezetni, hasznosítani, ha majd nagyobb felületed is lesz.
(#) pako válasza ferci hozzászólására (») Szept 5, 2015 /
 
Annyira melegednének, hogy érdemes ezzel foglalkozni?
A cellák alja alumínium gőzölt, így pasztával meg lehetne oldani az elvezetést, csak így a cellák sorbakötése lenne nehéz. Valami vízhűtés (mármint vízfűtés ) szerűre gondolsz?

Illetve ha nem teljes felületben hűteném, hanem csak sávokban, nem lenne gond a hőtágulás? (Van alu zártszelvényem, amiben tudnék vizet keringetni.)
A hozzászólás módosítva: Szept 5, 2015
(#) ferci válasza pako hozzászólására (») Szept 5, 2015 /
 
Meg kéne nézned pár cella-adatlapot. Az biztos, hogy sok helyen vízhűtést is használnak, tovább is tart, meg bizonyos hőfok felett célszerű is. Egyszer mértem egy srácnak hűtés nélkül, rövid ideig 49 fokos volt nem spéci érintkezéssel.
Azt tudom, hogy a tömítés nem egyszerű dolog.
Van pár topik, ott is nézz körül, ki hogyan csinálta. Nagy tételben oda kell figyelni.
(#) erbe válasza pako hozzászólására (») Szept 5, 2015 /
 
Annyira melegednek, hogy nyári időszakban soha nem érik el azt a teljesítmény még a legerősebb napsütésnél sem, mint pl. a márciusi hidegebb, de napsütéses napokon. Hőszigetelőt semmiképpen ne tegyél a háta mögé, akár a tönkremenetelét is okozhatja. !!!
Következő: »»   11 / 18
Bejelentkezés

Belépés

Hirdetés
XDT.hu
Az oldalon sütiket használunk a helyes működéshez. Bővebb információt az adatvédelmi szabályzatban olvashatsz. Megértettem