Fórum témák
» Több friss téma |
Ha Led is lesz, akkor cseréld ki az R2-őt 10k-ra. A Led-nek legyen előtét ellenállása, de az R3 is maradjon meg. (Különben a Led nyitófeszültségével kisebb lesz a PIC 5V-ja.)
Azt elfelejtettem írni, hogy a Led fordítva fog világítani. De még egy tranyóval megoldható.
(Az csak áramot erősít. De a bázisárama kissé csökkenti a PIC 5V-ját, de a 4V is megfelelő.)
O.K. Már az előző verzió is tökéletes. A LED csak hab a tortán, nem létszükséglet.
A 3 tranyós verziót is megépítem, van még a BC128B-ből egy pár darab. Mindent nagyon köszönök, a PIC tanulás kezdetén is nagyon sokat segítettek a fórumozók, örülök, hogy most is sok kínlódástól mentettetek meg. Örök hála picipic
Most hétvégén egyéb ház körüli melók közben sikerült annyi időt rászánnom, hogy egy kis nyáklapon (hármasával előlyuggatott) elkészítettem az áramkört.
Minden nagyon szuperül működött külön az időzítő részben. Amikor összekapcsoltam a locsoló PIC résszel állandóan elindult a locsolás, az 5 volt megjelenése előtt. Sokáig kerestem a hiba okát. A megoldás: a PIC láb "föld" jelre ugrik a locsolási programra. A logika az diktálná, hogy az "1" jelre lépjen tovább a program. Már olyan régen írtam a programot, hogy ez teljesen kiment a fejemből. Többször kipróbálva, ha a "0" jelet viszek a lábra, akkor lép tovább. Most az lenne a kérésem: Hogyan lehetne az órakapcsolóban megjelenő + 5v DC-t invertálni, vagy a bekapcsolt állapotban egy föld kapcsolatot létrehozni a PIC lábával. A mostani áramkört megtartanám, mert nagyon jó, hogy a LED jelzi, hogy most kell indulnia a locsolási programnak. A hozzászólás módosítva: Szept 9, 2015
Akár egy egyszerű inverterrel egy tranzisztor, egy bázisáram korlátozó ellenállás a bázisra, egy munkaellenállás a kollektorba, másik vége tápra. De használhatsz inverter IC -t is.
Hello! Nem egy nagy kaland, elhagyod a második fokozatot, a T1 kollektorából viszed a jelet a PIC-re. A kollektor ellenállását meg 10kohm-ra cseréled.
Végre eljutottam a tökéletes működésig.
Az órakapcsolótól a PIC láb felé menő jelet egy kis 1 mm-es LED jelzi. Bármilyen időpontot beállíthatok egy héten belül és akkor elindul a locsolás, egy másik PIC menüben beállított időtartamig. (legjobb a hajnal 4 óra, akkor még nincs meleg, a locsolóvíz hasznosulása ilyenkor a legjobb) 9 perc első kert, 9 perc hátsó kert. (Azért csak kilenc, mert lusta voltam kidekázni az LCD kijelzőn a kétjegyű számokat, meg a kétjegyű perc visszaszámlálását másodpercenként a PIC-ben.) A régi kiépítést meghagytam, és még egy NPN tranyót bezsúfoltam az 5V DC invertálására, egy kicsit zsufi lett, de szuper módon működik. Most gyorsan dokumentálnom kell (rajz, leírás), amíg tisztán a fejemben van, mert biztosan még egyszer valamikor bele kell majd ásnom magam. Még egyszer ezer köszönet mindenkinek. A hozzászólás módosítva: Szept 9, 2015
Helló mindenkinek.
A múltkor nagyon gyors és kiváló segítséget kaptam itt. Ezért fordulok ismét ide. Van egy KTY83/120-as hőellenállásom. Ezzel szeretném vezérelni (majd tavasszal) a kinti medence napsütésre alapuló vízmelegítését. Az ellenállás 10-15 foknál 85-900 Ohm, 40-50 foknál 1100-1200 Ohm. Bemértem, nagyjából stimmel. Egy olyan áramkör kellene, ami a fenti különbséget érzékelve egy 5 Voltos relén keresztül addig hajt egy szivattyút, amíg a hőmérséklet le nem esik 10 fok köré. Az érzékelőt egy v. két fekete csőkígyóba illeszteném. Először egy 555-ös timer-re gondoltam, monostabil kiépítésben, de nem tudom kiszámítani a szükséges értékeket (R, C). Van egy progim erre, de abban csak a condik értékét lehet változtatni. Ha van valakinek más ötlete szívesen venném. rolleyes: A hozzászólás módosítva: Szept 9, 2015
Hello! Nem ártana átgondolni és újrafogalmazni a kérést. Egyáltalán mit szeretnél érzékelni és mire kapcsolni.
- Mert a "Van egy KTY83/120-as hőellenállásom" arra utal, hogy egy érzékelőd van. A "ami a fenti különbséget érzékelve" ez, pedig differenciál hőmérséklet mérésre vonatkozna. De ahhoz két érzékelő kell. - "Az érzékelőt egy v. két fekete csőkígyóba illeszteném." Kettévágod az érzékelődet? De ha differenciál érzékelés lenne, akkor miért két kígyó között érzékelnél? - "Az ellenállás 10-15 foknál 85-900 Ω, 40-50 foknál 1100-1200 Ω" Ez most a hőmérséklet kapcsoló beállítható kapcsolási tartománya, ahol a hiszterézis 10 fok, vagy a differenciál mérés működési tartománya és a differencia a 10 fok? - "Először egy 555-ös timer-re gondoltam, monostabil kiépítésben" Nos, ez egy időzítő, eddig pedig hőmérséklet érzékelő kapcsolóról volt szó. Logikailag hogy jön össze a kettő? - Miért jó az 5V-os relé megkötés? Kicsit a "gombhoz a kabát" jeligére hajaz a dolog. - Végső kérdésem pedig az, hogy hogy jön a téma ide a "Tranzisztor mint kapcsoló" témakörébe? Mert kapcsoló az van a működésbe, de így akár a kondenzátor topikba is fel lehet tenni a kérdést, hiszen biztos hogy kondi is kell a kapcsolásba.. Idézet: Szia! Túlkombinálod. „Ez most a hőmérséklet kapcsoló beállítható kapcsolási tartománya, ahol a hiszterézis 10 fok, vagy a differenciál mérés működési tartománya és a differencia a 10 fok?” A 10 foknál (10-15 kőrüli) és a 40 foknál (40-50 fok körüli) mérhető ellenállásértéket adta meg, ami a PTK -n mérhető. Ezek alapján kell vezérelni egy 5V -os relét, ami a megadott alsó érték (10 fok) felett bekapcsol egy szivattyút.A PTK alsó értéke el van írva, az 850-900 Ohm. Egy hőkapcsoló kell, ezzel a PTK -val, 10 fok felett ON, alatta OFF funkcióval. Egyébként a kérdésnek tényleg nem itt van a helye. A hozzászólás módosítva: Szept 8, 2015
Hőfok kapcsolós témával foglalkozó topic is van bőven, még kapcsolási rajzot is lehet hogy találsz pont megfelelőt.
A hozzászólás módosítva: Szept 8, 2015
A 10-15 fokhoz tartozó ellenállás értékét tényleg elírtam. (850-900 Ohm) Elnézést kérek.
Bocsi, hogy nem fejtettem ki érthetőbben a feladatot, nem akartam hosszú litániát írni. Vigasztal, hogy "steelbird" pontosan látja miről van szó. Az 555-ös timer, úgy látom nem nyerő. Arra gondoltam, hogy tranzisztorokból is talán össze lehet pakolni egy olyan áramkört, melyben egy ellenállás értékének változása (pl. 850-ról 1200 ohm-ra) egy kimeneten bebillenti az 5 Voltot, az érték visszaállása 850 Ohm-ra pedig elveszi az 5 Voltot. PIC-el meg tudnám oldani, abban járatosabb vagyok, de az túl macerás és hosszadalmas. (most lusta vagyok hozzá) A hozzászólás módosítva: Szept 9, 2015
Tudom, hogy néha értetlen vagyok, de egy feladatnak tisztának kell lenni. Nem kellet volna litániát írni, csak azt, hogy egy hőfok kapcsoló kellene, ami 40..50 fok felett kapcsoljon be, és 10..15 fok alatt ki.
(De pld. ez sem azt jelenti.."(10 fok) felett bekapcsol egy szivattyút") De talán erre gondoltál. (Előbb elmarháskodtam, mert az fordítva működött volna..)
Szia! Bedöglött a gépem, nem tudok rajzolni, egy komparátor ic -vel meg pár alkatrésszel megoldható lenne szerintem. A komparátor nyitott kollektoros kimenete egy relét közvetlenül is tud vezérelni.
proli007, kösazi a választ, meg hogy foglalkoztál a témával.
Egy kicsit összetettebb, mint amire gondoltam,, de még így is egyszerűbben összerakható a PIC alkalmazásához képest. A jelölt Voltmérő gondolom csak opció. A két műveleti erősítőnél a földre lekötött lábnak a száma lemaradt, de ezt biztosan ki lehet találni majd az adatlapból. A két LM358-t meg kell majd vennem, a többi alkatrész megtalálható a cuccaim között. Légyszi olvasd el a közben befutott "steelbird" hozzászólást, hátha az egyszerűbb megoldást ad. Ha azt is le tudnád vázolni, megköszönném. Mindenesetre köszi mégegyszer a közölt megoldásodat, mostmár nyugodt vagyok, összejön a dolog. Foglalkozhatok a projekt többi részével. * A hozzászólás módosítva: Szept 9, 2015
Proli007
Kezdtem összeszedni a cuccokat az áramkörhöz és találtam két műveleti erősítőt. LM324N és LM224N mindkettő adatlapja szerint ezek egy tokozatban lévő 4 különálló műveleti erősítőt tartalmaznak. Nem lenne ez megfelelő a rajzon szereplő áramkörhöz? A hozzászólás módosítva: Szept 9, 2015
Használd a válasz linket, hogy tudjuk, mire válaszolsz.
A hozzászólás módosítva: Szept 9, 2015
Ez egy elvi rajz, elvben működik.
Ha nem túl kicsi a relé tekercsének DC ellenállása, akkor a komparátor IC közvetlenül tudja kapcsolni, nem kell hozzá plusz tranzisztor.
Van egy "finder" márkájú (5 VDC) relém, adatlap szerint a tekercs ellenállása 70 Ohm.
Ez ebben az esetben túl kicsinek számít? Más lehet, hogy égő) de nem ismerem a rajzon lévő VF1 jelet, ez mit jelent?
Kezdtem összeszedni a cuccokat az áramkörhöz és találtam két műveleti erősítőt.
LM324N és LM224N mindkettő adatlapja szerint ezek egy tokozatban lévő 4 különálló műveleti erősítőt tartalmaznak. Nem lenne az egyik megfelelő a rajzon szereplő áramkörhöz? A hozzászólás módosítva: Szept 10, 2015
Mindegyik jó hozzá, mert a 224/324-ben négy műveleti erősítő van, ugyan olyan mint a 358-ban, csak abban kettő.
Akkor kell még egy pnp tranzisztor, kollektora GND -re kötve, bázisa az ic kimenetére, emittere pedig a relére.
A VF1 az egy mérőpont a szimulátor programban (Tina).
Mennyire kell pontosan a rajzon szereplő ellenállás értékeket kidekázni?
A 680, 820 Ohm a készletemben nem járatos. Proli007 áramkörénél is ez a problémám. Egy szurkálós panelom már megépítettem. A relét egyelőre egy LED-el pótoltam. A finom hangolással bíbelődöm. Nagyon hamar, - alig emelkedik a hőmérséklet és már - jelez a LED. (még 1000 Ohm alatt)
Valószínű, hogy finomításra szorulnak majd az értékek. Az én rajzomon a komparátor ic invertáló bemenetén a 2,7V -os referencia van. A zéner tipusától (teljesítmény, áram) függ az előtét ellenállás (R2) értéke.
A nem invertáló bemeneten pedig egy osztó van, aminél változik az osztóponton a feszültség PTK ellenállásától (hőmérséklet) függően. Proli rajza: Idézet: Én úgy emlékszem, ez volt a te kérésed. 10 fok felett (ami 850...900 Ohm) induljon be a kapcsolás. Hamar eléri az osztónál a feszültség a beállított teferenciát, amit az R5/R6 osztó állít be fél tápfeszültségre. Növeld meg egy kicsivel a P1, vagy az R2 értékét. „...alig emelkedik a hőmérséklet és már - jelez a LED. (még 1000 Ω alatt)” A hozzászólás módosítva: Szept 11, 2015
Működik az általad lerajzolt áramkör, nagyon örülök, és nagyon köszönöm a segítséget.
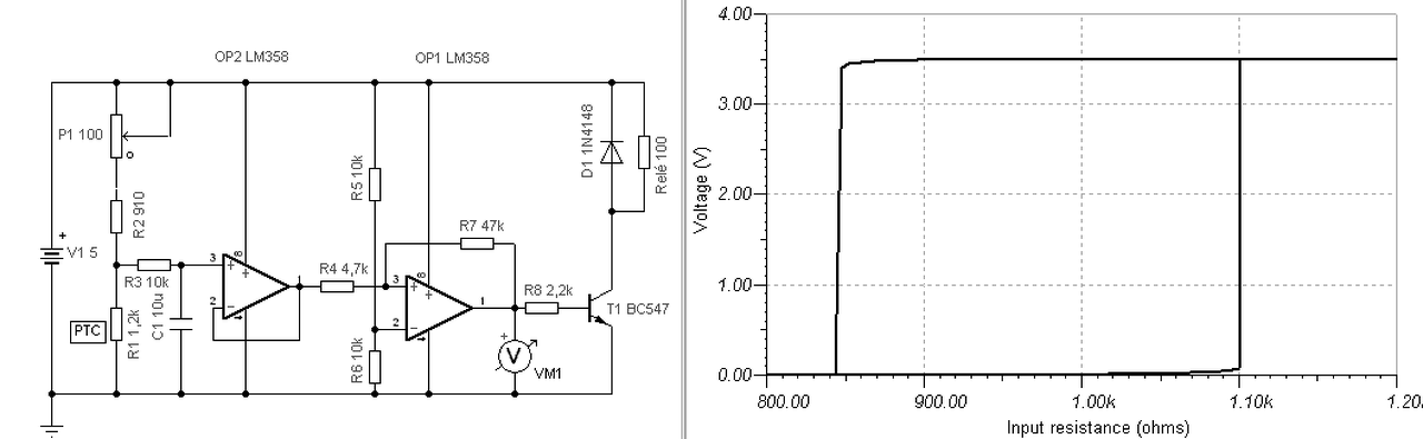
![]() A finom hangolásnál sajnos a hőmérséklet változtatása közben nem tudom mérni a PTC ellenállását, amit a rajzon jelöltél. Helyette folyamatosan figyelem a PTR és az R3 csomópontjában a feszültséget: 2,4 V alatt kikapcsolja, 2,7 V felett bekapcsolja a relét. ( a 100 K poti közel van a nullához) Ez elvileg jó. A fürdőszobai csap vizét változtatom. (Ez mostani beállítás szerint 15 és 40 C fok között változtatható) Kérdésem: Nem lehet-e a két változási pontot közelebb hozni egymáshoz, azaz a kikapcsolás a mért helyen már 2,45 V-nál, a bekapcsolás már 2,65 V-nál megtörténjen? Az ellenállási értékeket tekintve 900 Ohm és 1100 Ohm lehet-e a két szélső érték, ami a változást előidézi. Az igazi teszt majd tavasszal lesz, de addig szeretném megismerni az áramkör korlátait.
Hello!
- A PTC-t nem tudod mérni, maximum számítani. De próbára helyettesíteni is lehet egy ellenállás+poti kombóval és az már akár mérhető is. - Nem csoda, ha a 100kohm közel van a nullához, mert oda 100ohm-os potit rajzoltam.. - Gondoltam, hogy a hiszterézist csökkenteni fogod, mert nem egészen érthető, mire jó egy komparátor, ami ekkora tartományban kapcsol. A hiszterézist, a visszacsatolás csökkentésével lehet csökkenteni. Ha az R4-et 4,7k-ról 3,3k-ra csökkented kb. 900/1100 között lesz a kapcsolási pont. (Ugyan így az R7 növelése is ezt a hatást váltja ki.)
Sziasztok!
Azon gondolkozom, hogy az autómba lecserélném a bajuszkapcsolót. Mechanikailag nem probléma, az elektromos résszel kerültem némileg bajba. A kapcsoló vékony sávjai és drótjai nem tűnnek olyannak, hogy elbírnák az izzók/ledek áramfelvételét. Tranzisztorokkal kapcsolgatnám őket, van is itthon pár C4106, de én ezen nem találom, mennyi bázisáram kell a teljes nyitáshoz. Úgy számolom, max 5A kellene átengedniük. Segítségetek előre is köszönöm! Prom
A terhelőáramot elosztod az erősítésével és megkapod, mennyi bázisáram kell.
Na igen, azt se találtam meg, plusz a pontos terhelést se tudom.
Benne van az adatlapban, amit linkeltél. Nem túl jó a dolog, 10 - 50 között lehet valahol az erősítése. hFE adat.
A hozzászólás módosítva: Szept 29, 2015
|
Bejelentkezés
Hirdetés |






A 10 foknál (10-15 kőrüli) és a 40 foknál (40-50 fok körüli) mérhető ellenállásértéket adta meg, ami a PTK -n mérhető. Ezek alapján kell vezérelni egy 5V -os relét, ami a megadott alsó érték (10 fok) felett bekapcsol egy szivattyút.


lehet, hogy égő) de nem ismerem a rajzon lévő VF1 jelet, ez mit jelent?






