Fórum témák
» Több friss téma |
- Ez a felület kizárólag, az elektronikában kezdők kérdéseinek van fenntartva és nem elfelejtve, hogy hobbielektronika a fórumunk!
- Ami tehát azt jelenti, hogy a nagymama bevásárlását nem itt beszéljük meg, ill. ez nem üzenőfal! - Kerülendő az olyan kérdés, amit egy másik meglévő (több mint 17000 van), témában kellene kitárgyalni! - És végül büntetés terhe mellett kerülendő az MSN és egyéb szleng, a magyar helyesírás mellőzése, beleértve a mondateleji nagybetűket is!
Infras megoldasban nem gondolkodsz?
Inkább maradnék az rf megoldásban, egyelőre.
A rele kikabelezese antennakent funkcionalhat.
Probald meg a vevoegyseget elemrol jaratni, ami fuggetlen a halozattol. Ha igy megy, akkor a tap visz bele zavart. Ha igy sem megy, akkor a vevoegyseg a kulso zajra erzekeny, azokat valahogyan arnyekolni kellene (a vevot ugye nem lehet, mert akkor nem erzi a radiot
Csak akkor zavarodik meg, ha a led tápja is áram alatt van. Ha a vevőt elemről, labortápról hajtom, ugyanez a helyzet.
Kapcsolóüzemű a LED tápegysége? Ha igen, azt árnyékold, nem megfeledkezve a hűtésről.
A táp, mint korábban írtam, diódahíd, puffer, előtét.
Elnézést, figyelmetlen. Ha egyértelműen onnan jön a zavar, valagyogy szűrni és/vagy árnyékolni kell. Esetleg a vevőegység antennáját egy árnyékolt kábellel megtoldani, hátha.
Sziasztok! Tudtok nekem ajánlani olyan weboldalt, könyvet stb. ahonna tudnék tanulni az elektromosságról mint pl.: kondenzátor felépitése, mire jó pontosan, plusz természetesen minden más ami az elektronikához tartozik. Azért kérek segítséget mert érdekel a téma de az iskolában nem nagyon megyünk bele az ilyen dolgokba. Válaszokat előre is köszönöm!
Szia! Itt egy szakközépiskolás anyag, kattints az érettségi tételekre, és vedd őket szépen sorra. Amit esetleg nem értenél, azt kérdezd meg a Google-tól, vagy tőlünk
nagyon kezdő kérdés következik:
Vki le tudná rajzolni egy egyszerű LED bekapcsolását NPN, illetve PNP (érzékelő) kimenetével vezérelve? Köszönöm
3 vezetékes DC tápos esetén:
Sziasztok!
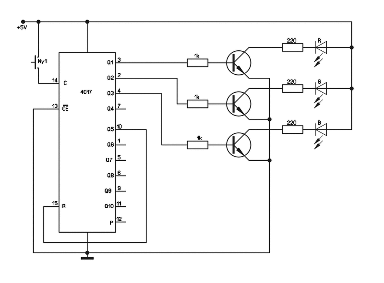
Egy darab közös anódú 5mm-es rgb ledet szeretnék 3V-os tápról egy darab nyomó kapcsoló segítségével kapcsolni. A kapcsoló funkciója hogy a 3 színt (rgb) külön tudjam égetni illetve kikapcsolni. Sajnos a leden kívül nem tudom hogy milyen alkatrészek kellenek hozzá. Várom segítségeteket hogy meg tudjam építeni! Előre is köszi!
Szia! Szerintem egy 4017+némi sallang megoldhatja a problémádat.
Szia! A rajz szerinti 5V-ról OK, de 3V-ról nem fog menni.Magasabb a ledek nyitófeszültsége.
Hello! Az órajel bemeneten ez a megoldás a nyomógombbal nem működik. A prellezés mellett a szabadon hagyott bemenet sem vezet jóra. Elé kellene tenni ezt:
Bővebben: Link
Szia! Igazad van, erre nem figyeltem, lemaradt. Valamikor régen raktam össze más célra, akkor be volt építve egy ellenállás a GND felé, és egy 100n kondi a nyomógombbal párhuzamosan. Stabilan kapcsolt.
Sziasztok!
Egy riasztót készülök építeni, és a mellékelt adatlapon található mozgásérzékelővel szeretném csinálni. Ahogy néztem két relé van benne, az egyik a riasztás a másik pedig valamilyen pánik relé. Mi lehet az? Piroelem is van benne. Lehet, hogy tűzesetet jelez a pánik relé? A hozzászólás módosítva: Szept 21, 2015
Szia!
A piroelem (PIR-sensor) maga a mozgásérzékelés szenzora, a testek hőkibocsájtását érzékeli. A pánikrelét pedig kézzel (gombbal) vagy más külső egység által lehet aktiválni, akkor, ha rablás vagy más vészhelyzet lép fel.
A szövegben ugyan szerepel a pánik szó, de szerintem a második relé a szabotázs jelzésére szolgál. A riasztórendszerekben szokott lenni valamilyen megoldás, ami jelzi, ha a rendszer valamilyen okból megsérült (rövidre zárták, vagy megszakították a vezetéket, felnyitották az érzékelőt). Ez lehet ugyanazon vezetéken különböző ellenállások alkalmazásával, vagy lehet úgy is, ahogy szerintem ebben van, hogy az érzékelő házának nyitásakor ez a relé elenged. Próbálj meg feszültséget adni rá, majd vedd le a burkolatot, akkor valószínűleg a TMP (tamper) csatlakozók között szakadás lesz. Más gyártmányú mozgásérzékelőkben csak egy kapcsoló van, amit a burkolat nyit vagy zár.
Szerk: A szabotázs jelzésére a riasztókban külön zóna szokott lenni, ami azonnali riasztást (csendes, vagy hangos) eredményez. A hozzászólás módosítva: Szept 21, 2015
Köszönöm szépen a segítséget megpróbálom összerakni utána jelentkezem!
Sziasztok !
Bosch PWS620 sarokcsiszoló kapcsoló szétszedhető, javítható valahogy ? Képet mellékeltem róla. Szép napot !
Egyszer biztosan szét lehet szedni. Próbáld szétnyitni az illesztéseknél.
Üdv!
Milyen kapcsolással lehet korlátozni egy DC motor áramfelvételét? A maximális felvehető áram 5A, a feszültség 5V. Ha valaki tud egyet akár fejből, ne kíméljen, nagyon sürgős a dolog. Előre is köszönöm!
Áramgenerátorra van szükséged. Itt tárgyalják:
Bővebben: Link
Szia! A linken megtalálod az RS232 jelszinteket!
Bővebben: Link A hozzászólás módosítva: Szept 23, 2015
Köszi!
Ezt Serial - USB konverteren keresztül használhatom a gép USB bemenetén is? Vagy mekkora lehet egy USB bemeneten a max bemenő feszültség?
Sziasztok!
Kapcsoló üzemű tápra köthetek ventillátort? Nem tudom, hogy az induktív terhelés meghúzhatja e az áromkorlát tranyókat vagy bármit a transzformátor alacsony feszültségű oldalán. Választ előre is köszönöm. A hozzászólás módosítva: Szept 24, 2015
|
Bejelentkezés
Hirdetés |













