Fórum témák
» Több friss téma |
Köszönöm..
De igaz, nem írtam, hogy a kapcsoló fix, és nem nyomógomb. Szétfúrkálni nem szeretném a műszerfalt, ezért használom az ablak fűtés kapcsolóját a tükör fűtéséhez is. Az új autókon nem tudom hogy oldják meg, de amint lehűl a menetszéltől vissza fagy rá a víz, ezért gondoltam arra az esetre, hogy vissza tudjon kapcsolni. Igen sajna ami nekem evidens, az másnak nem az, ha nem írom körbe rendesen mi a gond.
Szia, én a köbzoli által idézett áramkört építettem volna meg: de nem találtam 47 kilós hőellenállást csak 10 kilósat. Valaki segítene átértékelni a potit és az R1 ellenállást? Köszönöm szépen!
A hozzászólás módosítva: Nov 22, 2013
Szia, köszi szépen a választ, az előzőket olvasva arra gondoltam, hogy ha a hőérzékelő( ez egy hűtőből kiszedett darab) kb. 8 kilóohm és 12 kilóohm közt változik akkor a jobb beállítás reményében ne tegyek egy 7k-s ellenállást plusz egy 5k potit? Köszi a választ !
Sziasztok. Nem működő ülésfűtést javítok egy 2001es seatban. A hát és az alsó részben külön spirál van, ami sorba van kötve. Viszont külön lehet venni a két fűtőtestet egy konnektornál. A hátban lévő spirál szakadást jelez a mérőn, mindkét első ülésen. Az alső rész viszont jó mintkét első oldalon. Mivel az alsó és a hát spirálja sorba van kötve, és a hát szakadt, így egy dróttal rövidrezártam a hátit. Így a sofőr oldalon a spirál már melegszik, de ilyenkor nincs túlterhelve? 2 spirál áramát 1 spirál kapja. Viszont mértem, és magától lekapcsoll, tehát jól működik. Van benne egy termisztor, ami ha már meleg, és lekapcsolja a melegítést, akor kb 2,5Kohm. Ha egy kb 10fokos garázsban áll, akkor az ellenállása 8,5Kohm. Az anyósülésen ez a termisztor szakadást mutat a mérőn. A szakadt háti spirált rövidrezártam, mint a sofőroldalit, és itt az ülésfűtéskor az autó csak egy kis pillanatra rákapcsolja a 12Vot a spirálva, és rögtön le is kapcsol. Az autó az ellenállás értékét figyeli, és aszerint kapcsol. Így mivel az termisztor valahol szakadt, így ha bekapcsolom a fűtést, a termisztor értéke végtelen, így rögtön le is kapcsolja magát a fűtés.
Remélem érthető voltam. Kérdésem az lenne, ha ide betennék egy 4,7K ellenállást, akkor szerintem a fűtés mindig működne ha be lenne kapcsolva, tehát ha felmelegedne, nem kapcsolná le magát?.. Hőkapcsolónak meg betehetnék egy ilyet? Bővebben: Link
Sziasztok!
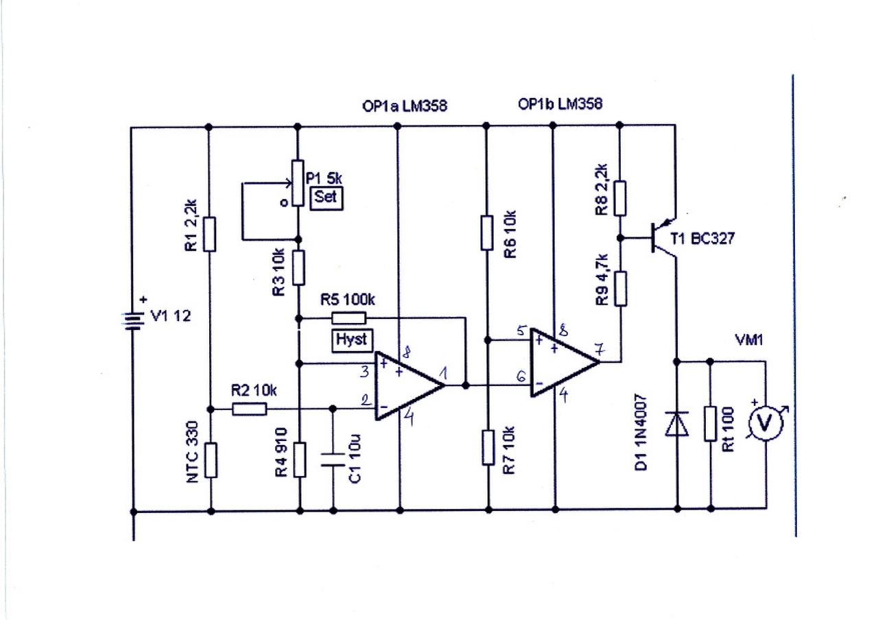
Adott egy autó hőmérséklet jeladója( hőmérséklet növekedésre csökken az ellenállása). Na most szükségem lenne egy olyan áramkörre amely bizonyos ellenállás elérése után kapcsol (az egyszerűség kedvéért egy relét), majd esetlegesen egy ennél kisebb ellenálláson pedig egy másikat is de úgy ,hogy az első nem kapcsol ki közben. (elsőt kapcsolja 600 ohm-on a másodikat pedig 350 ohm-on). Valakinek ötlete? A jeladóról amit tudni kell: szobahőmérsékleten 3 k ohm 100 Celsiuson kb. 300 ohm. A segítséget előre is köszönöm! ![]() Üdv.: Gábor
Hello! Megrajzoltam.. üdv!
Sziasztok. Megépítettem a képen látható hőkapcsolót de nem tudom 80 fok alá szabályozni, ha a potmétert nagyobbra értékre cserélem megoldja a problémát?
Szia!
Valószínűleg igen, de elég az R2-t kisebbre cserélni (120k) Mit használsz hőérzékelésre? A jó hőkontakt nagyon fontos! Üdv.kila
Ez egy régen "befejezettnek" tűnő téma, de hátha olvassa valaki és kapok segítséget. Egy olyan, nagyon egyszerű 12 V-os termisztoros kapcsolást keresek, ahol egy 220 ohmos NTC, érzékelve egy fémfelület kb. 30 C°-os hőmérséklet-emelkedését, a kapcsolás kimenetén 12 V-os jelzőfeszültséget biztosít. Alaphelyzetben, szobahőmérsékleten a kivezetésen ne legyen feszültség. A jelzőfeszültséget max 100 mA-es áram terhelné.
Hello! Ó milyen csoda.. Ha írsz bele, él a topik.
- "30 C°-os hőmérséklet-emelkedését" A gond az, hogy ez alatt mit értesz. Mert vagy abszolút értelemben a fém hőmérséklet 30°C fölé emelkedését, vagy a környezeti hőmérséklethez képesti (vagy akármihez képesti) 30°C emelkedését. Mert ha az utóbbi, akkor hőmérséklet különbségről van szó. (másik topik) - "Alaphelyzetben, szobahőmérsékleten a kivezetésen ne legyen feszültség." Ez azt jelentené, hogy ha szobahőmérsékleten van meg a 30°C differencia, akkor sem adjon jelet? De a kérdésed úgy érzem nagyon hajaz a "sörkollektor-napkollektor vezérléshez", aminek szintén van topikja.
Köszönöm az érdeklődésed, és pontosítok. A termisztor egy fémfelületre van erősítve (fémházas, csavaros kivitel). A fémfelület alaphelyzetben kb. 20 - 25 C°-os. A kapcsolás kimenetén ekkor ne legyen feszültség. Amikor a fémfelület hőmérséklete eléri a 45 - 50 C°-ot (tehát kb. 25 - 30 C°-os hőmérséklet-emelkedés következik be), akkor a kimeneten jelenjen meg a 12 V-os feszültség. Ezt a kimenetet azonban csak kb. 80 - 100 mA terhelné. Remélem így egyértelmű a leírás. Segítséged előre is köszönöm.
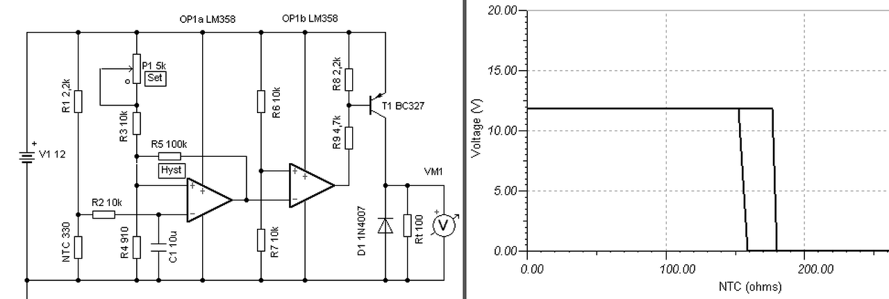
Ezt igazából elég sokféle képen meg lehet oldani, rajzoltam egy példát.. Egy LM358-as IC-t tartalmaz (természetesen csak két tápfesz lába van, nem kettő mint a rajzon). A Set potival lehet beállítani a kapcsolási hőfokot, a Hyst ellenállással a hiszterézist.
Köszönöm az elgondolást és a rajzot. Ki fogom próbálni. Mivel viszonylag hiányosak az elektronikai ismereteim, a kivitelezéssel kapcsolatban egyetlen kérdésem van:
- mivel a meglevő NTC 20 C°-on 220 ohm-os, a rajzon szereplő viszont 330 ohm-os, szükség van-e egy 100 ohm-os előtét ellenállásra, vagy ez nem érdekes ?
Ó dehogy! Én emlékeztem valamiért 330-as termisztorra. Használj az R1 helyett 1,5kohm-ot és jó lesz bele a 220ohm.
Minden világos. Kb. 2 héten belül elkészítem és kipróbálom. Az eredménnyel majd jelentkezem.
Még arra kérlek, vessél egy pillantást az általam jelzett IC lábkiosztásra. Rendben van?
Hello! Jó lenne a láb bekötés, de ez a két OPA egy IC tokban van. Vagy is a tápfeszt (4-es és 8-as láb) csak egyszer kell bekötni. (A két tépfesz, csak a szimulátor miatt van, mert abban csak egy fokozat van. Nincs a és b OPA)
Hello proli007! Végre sikerült elkészítenem az áramkört, de egyelőre nem működik megfelelően. A helyzet a következő. Az Rt ellenállás helyébe egy kis reed relét helyeztem, abból a célból, hogy egy kivezetésre kapcsolja a negatív pólust. Az a tapasztalat, hogy ha a termisztor szobahőmérsékleten van, ez a relé pereg, ami a hőmérséklet néhány fokos emelésével megszűnik. Viszont a negatív pólus nem jelenik meg. Más szóval a relé vagy pereg, vagy nyitott, tehát nem kapcsol. Van valami javaslatod, merre induljak el?
Üdv.
Hello! A pergést várhatóan az 50Hz okozza. Ez vagy a tápfeszültség felől, vagy az érzékelő felől érkezik. A tápfeszültségre én nem tettem kondit, de célszerű lenne egy 47..100µF-ot rá tenni. Az érzékelő felől a zajt az R2-C1 szűri. Ha onnan jön, lehet növelni az ellenállást, vagy a kondit.
Ha a tápfeszültség nem megfelelően szűrt, az gondot jelenthet. Mert úgy az R3/R4 osztó felől, mint az R7/R6 osztó felől bejuthat a tápról. Tehát célszerű az áramkört stabilizált 12V-ról járatni, ami nem fog zajt (hullámosságot) tartalmazni. (Egy Reed relé egyébként elég gyors, akár 100Hz-el is tud kattogni.) Továbbá hibát tud okozni, ha a hiszterézis nagyon kicsi. Vagy is R5 értéke túl nagy. Mert a bemenetre érkező zaj amplitúdójának kisebbnek kell lenni, mint a hiszterézis ablaka. Különben nem érvényesül (csökken) a hiszterézis és a bementi zaj, mindenféleképpen zavarja a működést. A zavarérzékenységet lehetne csökkenteni úgy is, hogy a második fokozatot integrátorrá alakítjuk. Pld. az első és a második fokozat közé (OP1a 1-es láb és OP1b2-es láb) egy 100kohm-ot teszünk, és egy visszacsatoló 470nF-os kondit az OP1b 7 és 6 lába közé. Ez már 47ms időállandót ad, ami a 20ms-os 50Hz-es jelet jelentősen szűri majd.
Köszönöm a gyors választ! Holnap kipróbálom a javaslataidat. A tápot 12V-os akkuról fogom kapcsolni, ugyanis a végső alkalmazásnál is akkuról fog működni.
A hozzászólás módosítva: Jan 13, 2015
Sajnos, az akkumulátoros táplálás sem hozott megoldást. A relé helyett egy LED-del teszteltem az áramkört. A LED alaphelyzetben (szobahőmérsékleten) villog, aztán az NTC hőmérséklétének növelésével a villogás megszűnik, de nem világít, vagyis a T1 tranzisztor nem vezet. Kisérleteztem a C1 növelésével és az R5 csökkentésével, de nem vezetett eredményre. Az áramkört egy autós hűtővízhőmérő meghajtására szeretném használni. Nincs szükség mérésre, csak kapcsolásra. A jeladó termisztor fém felületre van ragasztva, ami az akku negatív pólusára kapcsolódik. Csupán arra lenne szükség, hogy amikor ez a fémfelület kb. 25 C°-ról 50 C°-ra felmelegszik, a hőkapcsoló kimenetén jelenjen meg a testpotenciál. (Sajnos, az indító hozzászólásban tévesen írtam, hogy a kapcsoló kimenetén a +12 V jelenjen meg.). A megjelenő testpotenciál hatására a műszer a kellő jelzést adja. Ezt az elrendezést le is rajzoltam:
A kivitelezésben korlátot jelent, hogy érzékelőként csak fémházas, fémfelületre erősíthető NTC jöhet szóba. Éppen ezért nem tudok használni klasszikus hűtővíz jeladót. Láttam egy általad tervezett Schottky diódás kapcsolást, ami tökéletesen megfelelne, ha a dióda hűtőfelülete nem lenne a katódra kötve. Most már csak az a kérdés, hogy ez a kissé módosított követelmény (amit egy relével próbáltam meg megoldani), egyszerűsíti-e a kapcsolást. Mi a véleményed? Üdv.
Hello, ne fáradj! Én rontottam a nyák-on, sajnos. Egy felesleges vezetősáv kiiktatása után a kapcsolás kitünően működik. Köszönöm. (Pedig a nyák tervet legalább háromszor ellenőriztem.)
Tiszteletem!
Van >>EZ<< a kapcsolás aminek a képe fent van már ebben a topikban a második oldalon. Van 47kohm-os NTC-m ,meg 741-em. Ezekkel az alkatrészekkel kellene megoldani egy 70-60°C ki be kapcsolót. Tehát 70°C ki, 60°C be. Sajnos a DS1621-em a szobatermosztátot viszi, ha lenne biztos azzal csinálnám. De elég lenne egy analóg kapcsolás is. Segítségeteket szeretném kérni a témában. Köszönöm.
Hello! Kb. ezt kell tenned.
És Működik!!!
A hőfokot még nem lőttem be, de ha hozzáérintem az asztali lámpám izzójához, kis idő múlva kikapcsol a relé, majd be. Úgy elraktam a műszerem hőmérő zsinórját, hogy meg sem lett ![]() De majd holnap az elektromos sütőben tesztelem. Köszönöm!!!
Sziasztok!
Az autóm fűtését szeretném kicsit átalakítani, mivel a gyári háromfokozatúból csak a legnagyobb működik. Olyan kapcsolást keresek ami akkor kapcsolná a fűtőmotort, ha a hőmérséklet kb. 18 fok alá esik, ill ezt állíthatnám 18-23 fok között. Lenne erre megoldás? Köszönöm!
Üdv!
Én az ellenállás osztót nézném meg a motortérben, de találtam rajzot (rajzokat) az utolsót javaslom, talán ez áll legközelebb a feladathoz. Az elején kellene változtatni NTC-PTC párossal a 10k körüA link:l. |
Bejelentkezés
Hirdetés |


















