Fórum témák
» Több friss téma |
Fórum » Léptetőmotorok (vezérlése)
Ilyen "üzemmód" mellett nincs értelme léptető motort használni
Kipróbálni szeretném a működőképességet, nem cnc-t építek.
Akkor már értem , így nem kell más hozzá csak egy tápegyég és egy 555 ic egy pici panelkán ami a step jelekeket adja , a frekvencia változtatásával változik a fordulatszám.
A hozzászólás módosítva: Szept 15, 2015
Iránymutató a legegyszerűbb teszthez: Bővebben: Link.
Sziasztok!
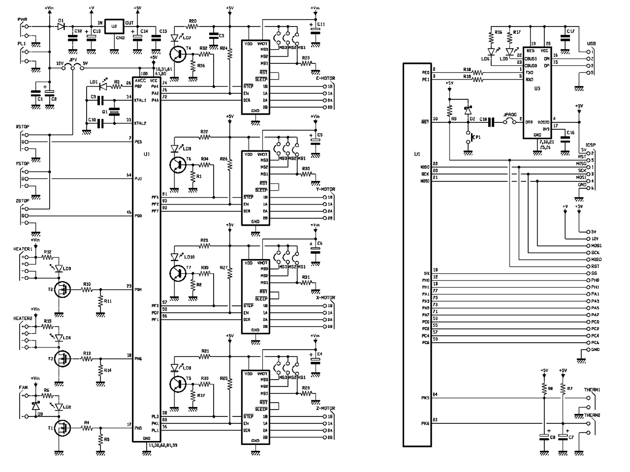
A képen látható két áramköri lap egy 3D nyomtató vezérlőelektronikáját tartalmazza, annak is azt a részét ami a léptetőmotorokat vezérli. A kis motorvezérlő segédáramkörök Pololu 1182 cikkszámú vezérlők. Mindkettő működik, de az általam készített bal oldalinál a vezérlőáramkörök erősen melegszenek. Sajnos pontosan nem tudom mérni a hőmérsékleteket, de 2-3 másodpercnél tovább nem tudom rajta tartani az ujjamat. Elektronikai szempontból különbség a két verzió között nincs, egyedüli különbséget a csatlakozósor típusában látok. A jobb oldali eredetinek sokkal masszívabb fém érintkezői vannak. Elképzelhetőnek tartjátok, hogy a gyári áramkör nagyméretű érintkezői hűtőbordaként hatnak és önmagában ez az egy különbség indokolhatná a túlzott melegedést? Tamás A hozzászólás módosítva: Szept 17, 2015
Kizárt, hogy a csatlakozók vinnék el a hőt a gyári panelen. Én első lépésként gerjedésre gondolnék. Oszcilloszkóppal körbe tudod mérni?
Köszönöm szépen a tanácsot, de sajnos nem tudom körbemérni. Három nyomós okom van erre:
1.) Nincs oszcilloszkópom. 2.) A régi elektronika már nem működik, így a méréseket nem lenne mivel összehasonlítani. Elégett a proci néhány bemenete. Ezért próbálok helyette újat gyártani. 3.) Eléggé korlátozottak az elektronikai ismereteim. Nem tudnám, hogy mit mérjek és a mérést hogy értelmezzem. Mit kellene szerinted leellenőriznem, mi az ami gerjedhetne? Jobban átnézve az áramkör ide tartozó részét, a C3 kondenzátort kihagytam. Ez 100nF-os, az egyik meghajtó áramkör 5V-os tápjához van kötve (az eredeti NYÁK jobb felső sarkában), a többitől nagyon messze van. Lehet ennek ekkora hatása? Az én áramköröm egy Arduino MEGA 2560-ra van ráépítve, aminek a széle látszik is a képen. Ebből következik, hogy a processzor és a meghajtók közötti vezetékhosszak sokkal nagyobbak lettek, mint az eredetin. A hozzászólás módosítva: Szept 17, 2015
A hosszabb vezetékek és a 100 nF-os kondenzátor kihagyása önmagában nem indok a gerjedésre, de elősegíti annak létrejöttét. Látok két diódát hosszú lábakkal, az is egy "zavarforrás" lehet. Természetesen egy sor egyéb hibaforrás is felmerülhet: szakadt, zárlatos fólaisáv, forrasztási hiba, alkatrészhiba, beültetési hiba stb. Így távolról nehéz többet mondani.
A 100 nF-os kondenzátorok általában zavarszűrőként vannak jelen az ilyen áramkörökben és/vagy az MCU működéséhez kell. Ha biztos, hogy a proci dobta le a láncot, akkor az az eredeti panelen cserélhető, nem is túl nehezen.
Egy jól felszerelt műhelyben egy tapasztalt ember számára lehet, hogy nem probléma egy ilyen processzor cseréje. Az én képességeimet egyelőre sajnos jelentősen meghaladja ez a feladat.
A két zener dióda az áramkörnek egy teljesen más részéhez tartozik. Az asztal és a műanyag fűtésének a szabályozásához tartoznak. A termisztoroktól érkező jel bemenetén vannak. Az a rész (fűtés és hőmérsékletmérés) hibátlanul működik. Megpróbálom az egyik léptető-vezérlőt kiemelni és egy próbapadon külön felépíteni. Hátha abból kiderül valami. Rákérdezek a nyomtató fórumán, hogy az eredeti elektronikán mennyire melegszenek a vezérlők. Köszönöm szépen a tanácsaidat, Tamás Idézet: Elnézést, nem szarkasztikus akartam lenni! Kb. a legjobb helyen vagy. Biztos, hogy van aki ez megcsinálja neked nem túl sok pénzért. Ajánlom az apróhirdetési részleget. Így utólag már lehet, hogy mindegy, de talán legközelebb jól fog jönni a fórum ilyen feladathoz is. „Egy jól felszerelt műhelyben egy tapasztalt ember számára lehet, hogy nem probléma egy ilyen processzor cseréje. Az én képességeimet egyelőre sajnos jelentősen meghaladja ez a feladat.”
Nem éreztem szarkazmusnak.
Amit írtál az jó ötlet. Lehet, hogy még most is érdemes megjavíttatni. Lesz egy tartalék áramkör ami hiba esetén bármikor bevethető.
Úgy látszik, hogy a probléma megoldódott (vagy legalábbis javult). Lehettem volna egy kicsit figyelmesebb és akkor talán elő se jött volna.
Végigmértem mind a négy léptetővezérlőt egy infra hőmérővel (néhány éve pár ezer forintért vettem Conradéknál). Kiderült, hogy csak az egyik vezérlő melegszik. A vadonatúj amivel a tönkrementet cseréltem. Bárhogy cserélgettem a vezérlőket mindig ez az egy volt nagyon meleg. Nem tudom mennyire pontos a hőmérőm, de alkalmanként 120 fokot is mutatott. Persze azonnal kikapcsoltam az áramkört. A léptetővezérlőn van egy trimmer amivel a kimenő áramerősséget lehet szabályozni. Ez volt túl magasra állítva. Az IC 2A-t bír, de csak hűtéssel. Ezeken a kis áramköri lapkákon nincs ilyen jó hűtés. Járulékos hűtés nélkül csak 1A-t javasolnak velük. Nálam 1.6-ra volt állítva. Lejjebb állítottam és sokkal lejjebb ment a hőmérséklet is. Még mindig magasabb a hőmérséklete a többinél, de ez talán már elfogadhatóbb. Az eredeti vezérlők 75 C-ig melegszenek, ez az új 85-ig. Ezt a különbséget se nagyon értem, erre lehet, hogy rákérdezek a Pololu fórumán. A fejlesztés során csak nem gyengítettek az új példányok paraméterein? Mindenesetre köszönöm a segítséget és a tanácsokat. Tamás
Remek! Nem tűnik olyan nagy panelnek, ha van lehetőséged, lógass fölé valahogy egy egyszerű 12 V-os ventilátort. Lehet, hogy csak ennyi hiányzik a boldogsághoz.
Sziasztok,
egy olyan kérdéssel fordulok hozzátok, hogy van egy Texas Instruments Launchpadom pontos típusa TM4C1294 és ezzel szeretnék meghajtani egy TB6560-as léptető motor vezérlést. Az a problémám, hogy a Launchpad az 3.3V-os kimentettel rendelkezik a TB6560-as pedig 4-5V-ig terjedő jelet fogad el és egy bizonyos frekvencia felett a motor meg áll és nem forog. Ez a frekvencia amin meg áll kb 1200Hz. Én szerintem a 3.3V-os jellel lesz a baj, ugyanis csatlakoztattam a TB6560-as vezérlőt LPT portra és ki próbáltam a Mach3-al, ott viszont 5V-os volt a jel és 12,5kHz-ig tudtam el menni vele. A kérdésem az lenne, hogy hogyan tudom megvalósítani a Launchpad-el ugyan azt mint a Mach3-al? Válaszokat előre is köszönöm.
Keress valami gyors optocsatolót a step kimenetre , a dir jel valószínűleg nem fog "okoskodni "a 3,3v miatt
Sziasztok,
Lehet venni szettben valahol különböző megoldásokra készen? (Nekem pl. 3 léptetőmotoros kellene, amivel 3D-ben lehetne fúrni/marni fa felületeket.) Tudtok ajánlani oldalakat?
Illetve egyéb alkatrészeket, mint tengelyek, csúszkák, rögzítők, szíj, stb.
Az ebay-n meg kinai boltokban halomra vannak az ilyen kész és félkész szetek.. Menj itt a CNC oldalakra ott minden megvan.
Olyan kérdéssel fordulok hozzátok hogy szeretnék vezérleni léptető motorokat, konkréten őket Bővebben: Link 2 felhasználási cél lenne (kb egy zsákkal van ) . Tudnátok segíteni benne hogyan tudnák össze hozni hozzá vezérlőt . A cnc-s része úgy ahogy meg van de a diszkó fény felhasználása valamiért nem nagyon akar össze jönni . Hangra és dmx vezérlős lenne majd de először a hangra vezérlés legyen meg .
Segítséget előre is köszönöm ! 1, Cnc gép lenne belőle 2, Diszkó fény robot lámpa és lézer gép .
Sziasztok!
Szeretnék készíteni egy léptetőmotor meghajtást PIC-el. Kezdetnek vásároltam egyet a képen láthatóból. Célom egyenlőre csak a kísérletezés, semmi konkrét. Amit eddig nem nagyon találtam sehol, hogy a legegyszerűbb egészlépéses vezérlésnél mennyi ideig kell a bemenetet magas szinten tartani és mennyi időt kell hagyni a következő bemenet kapcsolása között.
Szia!
Idézet: „a legegyszerűbb egészlépéses vezérlésnél mennyi ideig kell a bemenetet magas szinten tartani” Kompromisszumot kell kötnöd: ha rajta hagyod a következő lépésig, akkor van öntartás ( csiga kihajtásnál nem lényeges !), de melegszik ( melegedhet )!Idézet: „mennyi időt kell hagyni a következő bemenet kapcsolása között” Motor és terhelésfüggő --> próba ! Idézet: „Motor és terhelésfüggő --> próba !” Na jó, de mégis? Valahonnan csak el kell indulnom... 5 ms, 100 ms, 1000 ms ??????
Adatlap, egyébként próba
!Az 5 ms sem lehet rossz egyébként, mert az a 200 lépéses motornál 1 ford/s-os forgási sebesség, ez azért nem gyors ( de az adatlap a tuti!) ! Ha ennél hosszabbat teszel rá, akkor a lépés elvégzése után már csak a hőtermelésre és a rögzítésre fordítódik az energia.
Ami adatlapot találtam az szinte semmit sem ír erről. Az egyikben találtam 100 és 120 Hz-et frekire, de nem írja, hogy ez mire vonatkozik. Az ugye 10 ms pediódusidőnek felel meg. Csak még azt nem tudom, hogy az egyik tekercs kikapcsolása után kell-e időt hagyni vagy simán kapcsolhatom a következőt?
Simán kapcsolhatod. Fél lépeses üzemmódban a tekercsek egyszerre is kapnak áramot. Sőt, ha két kapcsolás közöt tnincs szünet, a motor tengelyét mindig fogja a mágneses tér.
A hozzászólás módosítva: Okt 15, 2015
Köszönöm! Hétfőn lesz nálam a léptecs, akkor tudok majd próbálkozni.
Sziasztok! Lehet e olyan léptetőmotort venni ami csak akkor forog ha az áramot kap és külső erőhatásra nem?
Az áttételeseket elég nehéz forgatni kívülről, de nem lehetetlen.
ÜDv ! Olyan kérdésem lenne hogy uln2003 lehet e bipoláris stepper motort vezérelni ha igen hogy ?
Bővebben: Link ez alapján akartam meg csinálni de valamiért nem jó , ilyenem van Bővebben: Link ebbe van bele dugva, kábelek át kötve valaki tudna segíteni ? |
Bejelentkezés
Hirdetés |










Amit írtál az jó ötlet. Lehet, hogy még most is érdemes megjavíttatni. Lesz egy tartalék áramkör ami hiba esetén bármikor bevethető. 





