Fórum témák
» Több friss téma |
Fórum » Csöves erősítő készítése
Ne feledd betartani a fórum viselkedési szabályait, és a topik megmaradásának feltételeit. [link]
A téma átmenetileg fagyasztva lett, hozzászólni nem tudsz!
A cső anódja és a segédrács soha nem a nagy feszültségtől izzik, attól legfeljebb átüt. A nagy áramtól/disszipációtól izzik. 400 V anód és G2 segédrácsfeszültséget a GU50 (ha egészséges
) hosszútávon kibír, többet én nem alkalmaznék fenti esetben. Tehát: 400V Ua és Ug2 még elmegy, áramot meg disszipációt MÉRETEZNI kell ehhez.
Szuper akkor hogyan oldjam meg?
Ha mindenképpen a motor-trafóval akarod csinálni, akkor az ott ügyesen forogni fog.
Csak úgy...
Vagy tesz rá lapátot, és kevergeti a levegőt az erősítő körül.
Ez jó ötlet (volt már hülyébb ötletem is)! Vagy esetleg nincs másik típusú ami jó bele mondjuk egy ilyen magnóé?
A hozzászólás módosítva: Okt 20, 2015
Ez nem lesz jó,mert nem csöves. Neked bármilyen csöves rádió/magnó hálózati trafó megfelel, a lényeg, hogy legyen rajta 6,3V és 200-250V közötti szekunder fesz.
Éppenséggel van, de annak jó úgy egyben. Ügysem bírna el két erősítőt. Inkább szerezz egy rendes hálózati trafót.
A hozzászólás módosítva: Okt 20, 2015
Van még egy pár trafóm de akkor azok végkép nem lesznek jók!
Melyek nemlesznek még jók?
Sziasztok!
APX100-ban Kb mekkora jel van a meghajtó fokozat kimenetén, hogy a végcsöveket ki lehessen hajtani? Van egy APX 100-am áttekert kimenővel, csal a meghajtó panelnak lába kélt.. a gyárit nem építeném után csövek hiányában, így inkább terveznék elé valamit.
Építsd meg az eredetit.Bővebben: Link
Inkabb sajatot tervezek bele
nem szeretek utanepitgetni Idézet: „mekkora jel van a meghajtó fokozat kimenetén, hogy a végcsöveket ki lehessen hajtani?” Akkor meg miért kérdezed, tervezd meg.
Keress megodlásokat 1600 ohmos Raa-ra. 4XEL34 pl.
Vagy csak a meghajtópanel csövei nincsenek? Nyomass bele egy Williamsont ECC82-esekkel. Cruisher csinált valami hasonlót évekkel ezelőtt.
Meg is van: Bővebben: Link A hozzászólás módosítva: Okt 22, 2015
Ötletelünk. Meghajtást keres, PL509 PP véghez. Az APX 100 eredeti meghajtása tankönyvi (primitív katodin). Mondjuk manapság ésszerű áron beszerezhető csövekkel pl. az ARC VT60 meghatórész, vagy bármilyen hasonló anódkövető+diff fázisfordító. Szükséges és elégséges.
A WILLIAMSON is jó! A hozzászólás módosítva: Okt 22, 2015
Kicsit tovább gondolva. Neki meghajtófesz kell, mert Ő akarja megtervezni. Tina nevű program megmondja, ha az elő fokozatot belerajzolja. Nyilván olyan csövekkel, amit a program ismer, vagy legalábbis igen közeli paraméterekkel rendelkezik a listában szereplőkhöz képest. A programon belül még modellezhető is.
PL519 lesz a vége, meghajtás megvan, már a kimeneti szint is hozzá.
Meghajtásban lesz minden jó, de nem osztom meg, mert megkövezés járna érte ![]() Most gondolkozom azon, hogy dc csatolt legyen e a végcső rácsa a meghajtófokozattal vagy maradjon a csatoló kondi..
Lehet DC. Ha sok pénzed, időd, tapasztalatod van...
FordPrefect-nek igaza van. Sima katodin fázisfordító. Ha az mégsem szolgál ki. Akkor.. : "Át kell térni más fázisfordítóra. Nézzük meg az alternatívákat. Van a differenciál-erősítő, több változatban is. A munkapontba állítása elég bonyolult, sok alkatrészt igényel. Előnye, hogy a két kimenet nagyjából azonos impedanciát képvisel, viszont a szimmetria beállítása elég macerás. Van még egy őskori, de nagyon frappáns megoldás, a „lebegő parafázisú”. Ezt könnyű az eredeti kapcsolás helyén kialakítani. Mellesleg ilyen található az Audio Note egyik kit-erősítőjében is, valószínűleg nem egy kutyaütő szerkezet. A kapcsolási rajzon látszik a végeredmény. " Megépítettem, de nem tetszett annyira mint a jól bevált katodin.
A hozzászólás módosítva: Okt 23, 2015
Köszi a segítséget, de a meghajtás már megvan, csak arra nem találtam semmit, hogy a végcsöveket mennyivel kell meghajtani. Visszaszámolva katalógus adatokkal elég valószínűtlen adatot kaptam ezért kérdeztem, de már ez is megoldódott.
Ilyen durva negatív visszacsatolással,nem is csoda,hogy nem tetszett...valószínű,ennyi a rajz hibája,egyébként a "lebegő parafázis"-nak elég jó a hangja.Jellegzetes hátránya talán annyi,hogy pontatlan,inkorrekt,elkenődött lehet a mélytartománya,de ez végcső függvénye is.(PL 500/504-el nem hajlamos rá,EL34-el inkább)
A katodin egyébként hangra nem rossz,mégha primitív is,de úgy az igazi,ha UTÁNA iktatunk még egy-egy meghajtó fokozatot,és innen vezéreljük a végcsöveket.Persze bonyolódik a kapcsolás,gyarapszik a csőszám...dehát,valamit-valamiért.Ilyenkor meg lehet tenni azt(sőt mi több,ajánlott),hogy a nvcs-t átemelni a bemeneti csőről a meghajtó katódjaira.Ehhez nyilván szimmetrikus visszacsatoló tekercs kell,de cserébe élénk,nyitott,dinamikus,és életteli hangot kapsz.A legjobb erősítőim ezzel a felépítéssel készültek.Nem állítom,hogy egyszerű... A "nagy" végcsöveknél már nem lehet megtartani az 1Mohm körüli rácsellenállást,a 2-300 Kohm viszont már beterhel a katodinnak,ezért kevésbé jó a közvetlen meghajtás.Elhúzza a szimmetriát. A hozzászólás módosítva: Okt 24, 2015
hát ez itt nem annyira tetszés kérdése, egyszerűen átgondolatlan a terv. A végcsövek rácsárambeállításának módja miatt- nem lehet "igazi" lebegő parafázisú, hiszen -nyilván amiatt- nem onnan van visszacsatolva, továbbá a fokozatnak jól beterhel az így lefelezett, ~170K eredő ellenállás, miáltal lényegesen nagyobb lesz a torzítása, mint a katodin előtt alkalmazott hasonló feszültségfokozatnak... és mintha ennyi nem lenne elég, a terhelést tovább növeli és bolondítja a C101-R102-D2/C102-D1 komplexum. A diódák által periodikusan ki/bekapcsolt, hangfrekin ~47kohmos "parazita" terhelésről beszélek!
A hozzászólás módosítva: Okt 24, 2015
Azt nem megépíteni szokták, hanem "az ECC808-asok többet érdemelnek" jelszóval szétbontani..
))
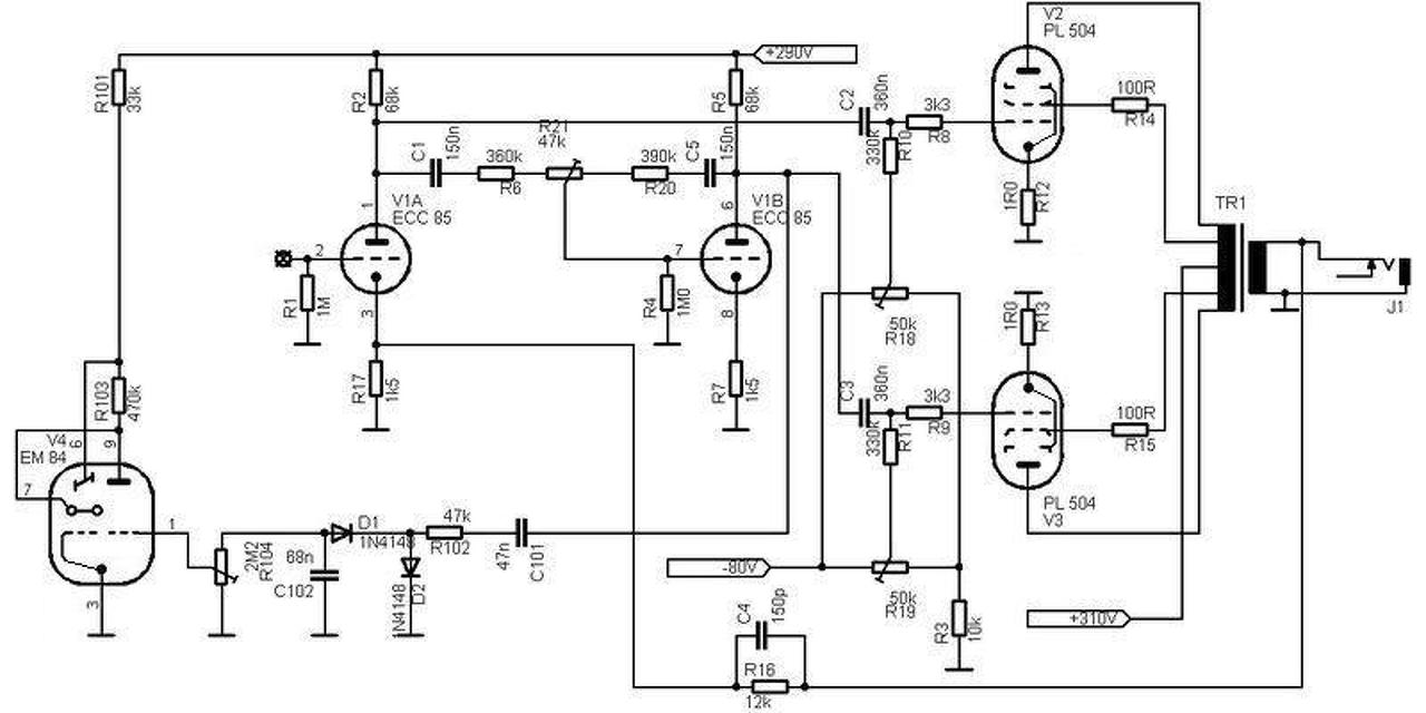
Sok megoldása van ennek. Most a képen lévő verzió nyekereg, a hangszínszabályozó fokozat nélkül. Teljesen sallangmentesen. Egy trióda az elején. (Ami bőven sok.. vonalszinthez nem is kell.) Annyi változással hogy nagyobbak a csatolkondik, illetve a rácson lévő 10k helyett 3,3k-t tettem. Illetve a segédrácson sincs ellenállás, csak stab. 200V. Ez így pofon egyszerű és szépen szól. Az eredeti évkönyvben ECF 80 pentóda plusz katodin fázisfordító van, amit a szerző kiváltott ECC85-tel. A visszacsatolás nagyon laza.. 12k+100p
(Próbáltam az első trióda helyére EF80-at tenni, de valamiért nem bírta. Se pentódásan, se triódásan. Hüppögött. Pedig pentódásan már egyszer szólt és úgy nagyon tetszett.)
Sokat segítettél köszi!
Ez tutifrankó? Tényleg összeraknám már. Előfokra mit mondassz? Orosz, vagy ECC?
Miből gondolod, hogy nem az?
![]() Nekem jobban tetszik, mint a jobban propagált EL34. Kipróbálod, és megtudod. Szerintem hangzásban egyik sem rosszabb a másiknál.
Nem találom, milyen előfokot szeretnél megépíteni? Csövet egyébként nem a gyártó kontinentális elhelyezkedése szerint kellene választani...
Adott típuson belül a lényeg, h melyik gyárban, és mikor készült. A megfizethető árú ruszki nováltriódák között mindenesetre kevesebb az "átlagnál" jobb hangú.
Ennek az erősítőnek a tervére gondolt szerintem.
Idézet: „A megfizethető árú ruszki nováltriódák között mindenesetre kevesebb az "átlagnál" jobb hangú.” A megfizethetetlen árú triódák között meg igen? Azért ezt gondold át kicsit. |
Bejelentkezés
Hirdetés |


) hosszútávon kibír, többet én nem alkalmaznék fenti esetben. Tehát: 400V Ua és Ug2 még elmegy, áramot meg disszipációt MÉRETEZNI kell ehhez. 
A WILLIAMSON is jó! 



)) 






