Fórum témák
» Több friss téma |
- Ez a felület kizárólag, az elektronikában kezdők kérdéseinek van fenntartva és nem elfelejtve, hogy hobbielektronika a fórumunk!
- Ami tehát azt jelenti, hogy a nagymama bevásárlását nem itt beszéljük meg, ill. ez nem üzenőfal! - Kerülendő az olyan kérdés, amit egy másik meglévő (több mint 17000 van), témában kellene kitárgyalni! - És végül büntetés terhe mellett kerülendő az MSN és egyéb szleng, a magyar helyesírás mellőzése, beleértve a mondateleji nagybetűket is!
hm, akkor megosztanád velem, melyik az?
Én csak ezt találtam.
Sziasztok!
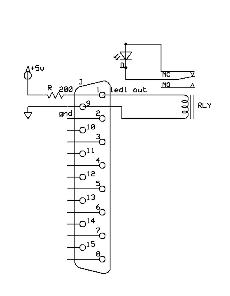
A segítségeteket kérném. Van egy eszközöm, aminek ha megnyomom az egyik gombját, akkor szeretném ha világítana egy LED. Erre alkalmas az eszköz és a kimenet lábkiosztását is tudom. Rajzoltam egy kapcsolást(csatoltam), megnéznétek, hogy ez így működőképes-e és ha nem miért? Annyi adott, hogy a led1 out-on 5V jön ki és van 200ohm ellenállás rajta. Ez a feszültség mindaddig megvan, amíg meg nem nyomom az 1es gombot. Ezért tettem bele a relét.Előre is köszönöm a segítségeteket!
Nem fog működni. A LED-en mitől folyna áram? Abban a körben semmi forrás nincs. Ráadásul ha az 1-es láb egy tranzisztoros kimenet, akkor egy diódával védeni kell a relé kikapcsolási tranziensétől.
Szia!
Nekem meg van pdf-ben, ha gondolod elküldöm mailba.
Köszönöm a válaszod! Átrajzoltam. Ránéznél kérlek megint? Milyen védődiódát kellene bekötni?
Ez már jobb, de a relé védődiódáját fordítva kell betenni (így folyamatosan vezet, és rövidre zárja a relét). Ami a típusát illeti, 1N4001 vagy 4007 megteszi. Bár a védődiódának is rajzoltál nyilakat, ez azt jeleti, hogy oda is LED-et szeretnél?
Gondoltam rá igen, mert a relé és a LED-ek messzebb lennének egymástól, így tudnám "monitorozni" az eszköz oldalán is, hogy minek kell történnie. Megoldható LED-el is? De ugye akkor azt nem tudom fordítva bekötni. Reléből ezt néztem ki: 6V DPDT 250VAC 5A ez jó? Köszönöm hogy segítesz!
Be tudod, csak akkor nem fog világítani! Mert záró irányú megtáplálást kap. Baja sem esik a fordított bekötéstől, mert a diódák záró irányba a nyitó feszültségük többszörösét is elbírják. Épp ezért jó polaritás védőnek.
De mint indikátor max akkor fog funkcionálni, mikor a tekercs visszarúg a kikapcsoláskor, amikor kisöntöli a tekercs önindukciós áramát. A kiszemelt relé tökéletes a célodra. A hozzászólás módosítva: Okt 23, 2015
Amit írtam, diódák esetén érvényes, led esetén nem feltétlenül. Na meg egyébként sincs értelme egy ledet záró irányba berakni, hisz azt eleve azért használjuk, hogy világítson!
Köszönöm, így meglett.
Esetleg ha van valakinek eladó példánya is, Szóljon
Igen, így nem sok értelme van, marad a dióda! Köszönöm a segítséged!
Sziasztok.
Ha egy 1 ohm ellenállás helyett párhuzamosan kötök 2db 2 ohm ellenállást, ugyanolyan W szám mellett akkor növekedett a terhelhetősége?
Köszi a gyors választ! Azért mert párhuzamosításnál az egyes ellenállások watt értékei összeadódnak?
Nem a párhuzamos kötés miatt, hanem a 2 x 2 ohm 1 W miatt lesz 2 W..
Ha pl. sorbakötnél 2 db 0,5 ohm 1 wattost, akkor is 1 ohm 2 watt lenne belőlük.
Értem. A párhuzamosításnál számít, hogy milyen messze van a két ellenállás egymástól?
Ez már az áramkörtől is függ.. ha sima dc vagy alacsony a freki, ahol alkalmazod, akkor nem gond a távolság sem. Kis hézag nem árt, hogy a képződött hő közülük is el tudjon távozni, ha maxra vannak járatva.
Azért ez csak akkor igaz, ha egyforma ohm-os ellenállásokat kapcsolsz párhuzamosan! Ha például egy 1 ohm-os 0,5W-ost és egy 1M ohm-os 5 W-ost párhuzamosan kapcsolsz, akkor nem lesz kb. 1 ohm, 5,5 W-os ellenállásod
! A hozzászólás módosítva: Okt 24, 2015
A kérdés még ennél is bonyolultabb...
Amit számpéldának írtál, az igaz, de ha pl. egy 10 Ohm-os 5W-os és egy 100 Ohmos 0,5W-os ellenállást párhuzamosan köt, akkor viszont lesz egy 0,9 Ohm-os 5,5W-tal terhelhető ellenállása. A legegyszerűbben számolható az azonos értékű, azonos terhelhetőségű ellenállások eredő terhelhetősége. Ha nem egyformák, akkor lehet úgy is, ahogy te írtad, meg lehet úgy is ahogy én írtam, meg még ezerféleképpen máshogy is...
A terhelhetőség mindig összeadódik, bárhogy kapcsolod az ellenállásokat, az eredőjüket pedig számolni kell, ez is nem is kérdéses.
Sziasztok!
Ezt építem most, az R1,4,7,10,13,16.19.22 180 ohmos ellenállások helyett betehetek 220 ohmosat? Előre is köszönöm a választ!
Az igaz, hogy a terhelhetőség összeadódik, de a hő terhelés az átfolyó áramok arányában oszlik meg. Így azon az ellenálláson, amelyiken a kisebb áram folyik át, kisebb lesz a hőterhelés is, ezért oda hiába teszel nagyobb teljesítményű ellenállást, az a lehetőség nem lesz kihasználva, és ha nagy az eltérés, a kisebb ellenálláson, amin a nagyobb áram fog folyni (párhuzamos kapcsolás esetén) fog a nagyobb hőterhelés fellépni, ezért ennek a terhelhetősége fog korlátozni. Soros kapcsolás esetén pont fordítva, az azonos áram miatt a nagyobb értékű ellenálláson fog a nagyobb teljesítmény disszipálódni, tehát ennek terhelhetősége fog korlátozni.
P=I2*R Ahogy már előbb is leírták, a terhelhetőségek egyszerű összeadása csak azonos ellenállás értékeknél igaz.
Sziasztok!
Csak én vagyok már megint, kész az áramkör tökéletesen működik egy dolog kivételével. Ha a bemenetére a telómmal csatlakozom akkor tökéletesen megy hangra is, de ha a TL071-es mikrofonerősítőről próbálom nem működik lehet kicsi az erősítése mivel tudnám növelni? Köszönöm! A hozzászólás módosítva: Okt 24, 2015
Hello! Nem az a gond, hogy a rajzon egy duál OPA van, a TL071-ben meg csak egy van más bekötéssel?
De jó, hogy valaki figyel is helyettem!
Köszi teljesen igazad van kicseréltem egy TL072-re s már megy is.Köszi még egyszer!
Üdv!
Van egy ilyenem: AMS3107. Ez egy 3.3V fesz szabályzó. USB 5V-ról van táplálva. Az normális, hogy üresjáratban 4.5V-ot mérek rajta, és terhelés esetén sem csökken 3.3V-ra a kimenet? |
Bejelentkezés
Hirdetés |




Annyi adott, hogy a led1 out-on 5V jön ki és van 200ohm ellenállás rajta. Ez a feszültség mindaddig megvan, amíg meg nem nyomom az 1es gombot. Ezért tettem bele a relét.










