Fórum témák
» Több friss téma |
Fórum » PC táp átalakítás
Nyilván a felpúposodás is csak a véletlen műve és nem a melegedés miatt szokott előfordulni.
Nem a véletlen műve, hanem a megnövekedett ESR értéké, amin az ohm törvény szerint egyre nagyobb feszültséget ejt a töltő-kisütő áram, ami ugye egyre nagyobb hőfejlődéssel jár.
Szia!
És az ESR mitől emelkedik meg? Elsősorban a kondenzátort érő hő hatására. Üdv.: Feri
Nem. A folyékony elektrolit elektrokémiai reakciói, és az elektrolit kiszáradása (párolgása) miatt növekszik az ESR, és elsősorban a belső veszteségtől, nem a külső hőmérséklettől. Nyilván ha helytelenül van megtervezve egy nyák, és mondjuk egy borda közvetlenül fűti a kondit az nem jó, de ez ritka. Egy PC tápban kívülről nem nagyon melegíti semmi, leszámítva azt a hőt amit a ventilátor áthúz a dobozon keresztül a házból, de az nem jelentős.
Végtére is mindkettőtöknek igaza van, mert csak oda lyukadtunk ki, hogy a hő szerepet játszik abban hogy az elektrolit hamarabb kiszárad.
![]() A vitát lezártnak tartom.
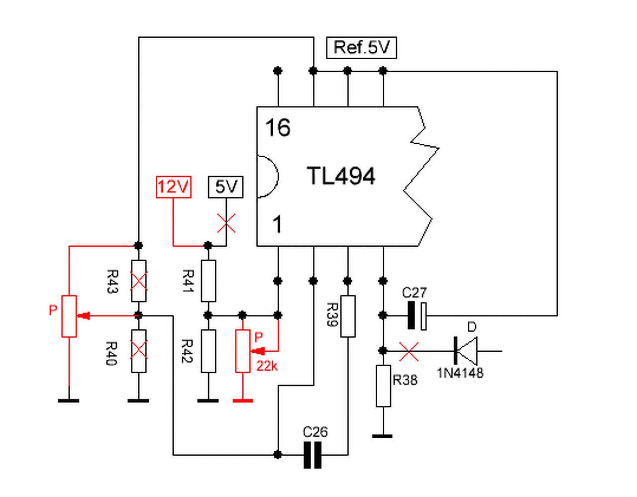
Ezt a rajzot találtam a legértelmezhetőbbnek, bár van egy pár kérdésem:
1. El lehet-e hagyni az áramszabályzó potit? Ha nem, akkor mekkora értékűt használjak? 2. A diódánál miért kell megszakítani a vezetősávot? 3. Milyen állásba állítsam a potit, hogy ne legyen túl magas a feszültség, és ne durranjanak el a 16V-os kondik?
1. Ezen a rajzon nincsen áramszabályozó poti. A bal oldalival az 5V-os referenciából leosztott feszt tudod állítani, a másikkal meg a visszacsatolt fesz osztásviszonyát, tehát mindkettővel a feszt szabályozod.
2. A dióda egy logika vége, van benne alapból valami komparátor vagy hasonló ami a túlfeszt figyeli és tiltja a működést egy szint felett. 3. Találsz értelmes rajzot is itt a topikban, de ha nem megy akkor mutatok. Az egyik itt van az oldal tetején, a másik pedig ez.
Ha nem akarok áramat állítani, akkor elég ha csak az 1-es lábon lévő állítható feszültségosztót csinálom meg? Ha marad az eredeti, akkor mekkora áramnál korlátoz?
Sziasztok !
Ezt látta e már közületek valaki ? Vagy netán megépítette ? Érdemes volna belefogni ? Köszi !
Ezzel a megoldással elvileg 3-15V között lehet állítani, így maradhatnak az elkók és a dupla dióda. Ezzel működhet?
Nem nagyon tudom hogy milyen feladatra szánod (fesz, áram?). Ha csak 12V-ig akarod állítani akkor nem kell vele csinálni semmit, csak a visszacsatoló osztó tagot állíthatóvá tenni.
Mivel áramszabályozás nincs benne, nem fog korlátozni és nagy eséllyel tönkremegy ha túlterheled vagy rövidre zárod. Van ugyan benne egy megoldás, mert a meghajtótrafója egyben áramváltó is, és túl nagy áram esetén a meghajtás ellen dolgozik, de erre nem lehet rábízni a tranyók életét. Láttam már olyat amikor sziszegve-visítva túlélte a rövidzárat, meg olyat is amikor azonnal elpukkant. Hogy melyiknél hova van állítva a túlfesz lekapcsolás azt meg nem mondom, de 16V-ig biztos hogy nem lehet alapból feltekerni mert le fog kapcsolni.
Ha odaadják hozzá a programot akkor csináld. Ugyanazt tudja mint ha a potikat tekergetnéd, csak kijelez még ezt azt.
Be lesz építve. Egyszer lesz beállítva 9-12V között. Rövidzárat legfeljebb az építés során kaphat, de akkor is csak valami nagyon nagy baki esetén.
Akkor megpróbálom azt, amit linkeltem. Ez az átalakítás működik AT tápnál is, mert most szedtem szét, abban is TL494 IC van?
Van egy táp egységem átszeretném alakítani két ic van benne csak nem tudom hogy melyiknél méregessek.
A két ic : AZ339P-E1 AZ7500BP-E1
Szia!
Az AZ7500BP-E1 a vezérlő IC, mellékelem az adatlapját. Az AZ339P-E1 IC 4 komparátort tartzalmaz. Üdv.: Feri
A kép alapján módosíthatom vagy ehez nem jó?
Szia!
A két IC lábkompatibilis, a paramétereit az adatlapokban hasonlítsd össze. Az előző hozzászólásban a betűk kicsit összekeveredtek, elnézést. üdv.: Feri A hozzászólás módosítva: Okt 28, 2015
Most kezdtem volna hozzá a táphoz, de ahogy nézem az 1-es lábat, onnan csak 2 ellenállás megy: egy az 5V-ra, egy másik a 12V-ra. Nincs a 0 nulla felé ellenállás.
Ha ennél megcsinám a feszültségosztót abból mi sülne ki?
Dehogy nincs! Csak még nem találtál rá. Ha nem lenne, hogyan alkotna feszültségosztót?..
Megtaláltam hogyan kell a vezérlőpanelt beilleszteni a PC tápba:
A Reverse for future use mit jelent ? A hozzászólás módosítva: Okt 29, 2015
Valami olyasmit hogy fenntartva jövőbeni használatra (valamihez).
Sziasztok!
Az atx táp segéd trafójáról érdeklődnék. (képen bekarikázva, a pici hüvelykujj körömnyi trafóra gondolok) Ezt, vagy ezt a kapcsolást szeretném megépíteni, de a kistrafóval. Azonban ahogy tapasztalom, van mindenféle belőle! Múltkor 16db tápot bontottam le, és méretben is és lábkiosztásban is elég változatosak. Mennyire megvalósítható az elképzelésem ezzel a kistrafóval? A célfeszültség a néhány volttól, max 24V, max 50W, de inkább kevesebb.
Nehéz értelmezni a kérdésedet. A kis trafót változatlan formában akarod felhasználni vagy szét akarod bontani és áttekerni? Egyébként amit bekarikáztál azt nem tudod ebben a formában használni, mert az a meghajtótrafó. Amit tudnál az a másik pici (EEL-19), mert az a segédtáp trafója. A legtöbb amit ki tudsz belőle venni a flyback topológiával (csatolt rajzokkal) az max. 10-15W.
Az a trafó a nagy tranzisztorok ellenütemű meghajtó trafója. A segédtrafó - SB Standbye 5 V-ot előállító EEL-19-es trafója ~10 W leadására készült ezekben az ATX-ekben.
Mindez nem zárja ki, hogy egy megfelelő minőségű EEL-16-os maggal 50 W-os tápegységet készíts, de azt a magot ne PC tápokban keresd! Bármelyikkel kísérletezel, a gyári kapcsolást és a gyárihoz közeli feszültségeket kivéve nem úszod meg áttekerés nélkül.
Valóban azt nem írtam, hogy milyen formában! Természetesen eredeti formában, ha nem muszáj nem szedném szét! A 10-15W éppen még elmenne, mert sok külső tápos monitor, hordozható dvd lejátszó, netán laptop tápját kellene pótolni, és megtetszett ez a flyback topológia! Egyszerű, miniatürizálható! Van segéd táp trafóm is és fő trafóm is. Van miből válogatni és esetleg tönkretenni a tanulás érdekében, mert nincs jó tapasztalatom a szétszedésükben. Még nem sikerült ferrit törés nélkül megúszni... Meg ugye gazdaságosabb idő szempontjából is, ha nem kell szétszedegetnem, hanem egy kész terv alapján csak legyártom és beültetgetnem.
erbe: akkor a fent említett készülékek tápjának pótlására ezen formában nem alkalmas. Elég kis teljesítményű, de hát nem is a főáramú feladatok ellátására tervezték... A hozzászólás módosítva: Okt 30, 2015
Üdv
Valahol már irtam , kell pár Voltos (1-2 Volt ) 50 Hz trafó , ezt a feszt rá a primer oldalra , na ez felmelegití a ( porvasas ) trafót ( ragasztót ) . Én pár trafót már szétszedtem és a cséve is megúszta !! Üdv
Na ezt kipróbálom! Köszönöm a hasznos tanácsot!
Üdv
Elfeledtem én 12 Volttal 10-20 másodperc melegítés után 10 20 másodperc szünet ( akkutöltő ). Üdv
Akkor szakaszosan, amígy fel nem lazul? Gondolom a primert táplálod meg. Vagy az mindegy?
A hozzászólás módosítva: Nov 1, 2015
Üdv
Természetes a primér oldalit , kisérletezz de vigyázz a tekercselés nagyon forró , TV sorkimenőknél is ok . Talán készítek videót róla . Sorkimenőnél a 160 Voltnál levő tekercs használható célszerűen . Üdv |
Bejelentkezés
Hirdetés |















