Fórum témák
» Több friss téma |
Fórum » Kapcsolási rajzot keresek
Témaindító: Kallai Csaba, idő: Márc 11, 2006
Témakörök:
Leránthatnád a leplet a részletekről, tápfeszültség, relétekercs ohm-os ellenállása, reed relé beköthető-e tetszés szerint, vagy csak a testhez?
Egyrészt inaktív állapotban a bázist pár uA-rel az emitterhez kéne húzni, hogy zavarjelek ne keltsenek kollektoráramot, másrészt aktív állapotban folyjon annyi bázisáram ami telítésbe vezérli a tranyót, hogy azon a feszültségesés minimális legyen.
A tápfesz 12 volt lenne, a relétkerecs ellenállását nem tudom, mer még nincs kéznél a relé. A reed köthető bárhova, csak hosszú életű legyen.
Így gondolnám a megvalósítást:
Sziasztok!
Nem gyári készülék kapcsolási rajzát keresem ha nem utánépítésre. Egy termosztátot szeretnék építeni ami nem a hőmérséklet alapján kapcsol, hanem én mondom meg neki hogy pl. 14h-tól 16h-ig kapcsolja be a kazánt. Ha nem jó helyre írtam akkor bocsánat. Remélem tud valaki segíteni nekem. Előre is köszönöm.
Szia!
Akkor ez nem is termosztát, hanem időkapcsoló.
Egyszerűen vegyél egy kapcsolóórát. Régen én is ezt használtam, kicsit átalakitva...
Köszi, ez jó öttlet, lehet hogy olcsóbban is jövök ki.
Hello
Hozzám került egy rto sx3002 autós erősítő. Az előző gazdája kiszedett belőle egy pár alkatrészt. A panelon nincs szitázva az ellenállások érteke. Főként a 2-3 wattos ellenállások hianyoznak. Kapcsolási rajz kellene. Köszi a segítséget mindenkinek.
Sziasztok,
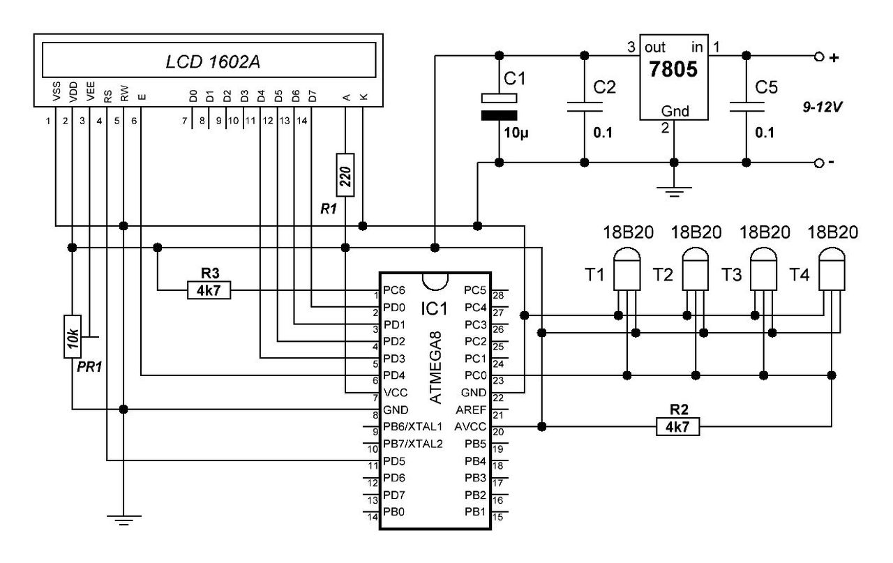
Kapcsolási rajzot keresek olyan digitális hőmérőre, ami "elbír" a szonda és az elektronika között kb. 20 méter kábelt. Azt szeretném, ha mérési tartománya kb. 0-120 fok között lenne, és mondjuk 80 fok felett riasztana. Fontos számomra a szonda típusának pontos megjelölése, pl. He-Store-ból. 1 A pincében lévő vegyestüzelésű kazán vízhőmérsékletét szeretném figyelni az emeleti szobákban. Köszi!
Egy kapcsolási rajzhoz kellene tudni, milyen elektronikára kapcsolódna a szonda. A digitális jelek zavarérzékenyebbek, tehát javaslom vagy egy analóg szonda (PTC-NTC) Pl. KTY-210 ezeket bátran lehet ekkora távolságra is elhelyezni, vagy a mérés helyén ugyan digitálisan szondázni Pl. Ds18b20 és átalakítani zavar védettebb jellé (akár analóg), mint ahogy legutóbb én : Bővebben: Link
Ismerős probléma, feltettem a Ki mit építettbe hogyan oldottam meg
Szia! Megközelítőleg 3 hete építettem egy hőmérőt DS18B20 szondákkal, 15m-es vezetékkel, semmi gond vele. Pedig 2 hőmérő van a vezeték végén. Szerintem a 20 méter sem lehet probléma neki.
A hozzászólás módosítva: Okt 30, 2015
Hello! Ha esetleg egy analóg megoldás is érdekel.. (Hőfokjelzés lehet digitális.)
- Érzékelőnek egy LM35-öt használni. Ezzel és némi kiegészítéssel készíteni lehet egy kétvezetékes távadót. Így a mérési pont távolsága már nem akadály. - A távadó kimenti jeltartománya a szokott 4..20mA-al ellentétben 8..20mA lenne. Így 0°C esetén 8mA lenne a kimenti áram, 120°C esetén pedig 20mA. Így a kimenőáramot mérve és a 8mA-t levonva megkapjuk a hőfokot. - A távadó áramát egy 100ohm-os ellenálláson 0..2V-ra alakítjuk, és különbségképzővel levonjuk belőle a 800mV-ot. Az eredmény 0..1,2V ami a 0..120°C-nak felelne meg. Ezt már lehet mérni egy egyszerű digit műszerrel. A 0..1,2V kimenti jelet egy komparátorral összehasonlítjuk a beállítható referenciával, és kapjuk a riasztási jelet. - Ha a digit műszert a különbségképző kimentére kapcsoljuk, látható a hőfok, ha a komparátor referenciájára, látható/beállítható a riasztás hőfokértéke.
Köszi mindenkinek az ötleteket. Van is itthon "felesleges" kijelzőm és Arduino Unom is. Legalább elhasználom
![]() @proli007: Igazad van, akár egy deprez műszeres megoldás is működhet, ez lenne a legletisztultabb megoldás. Ráadásul egy mutatósan (Nem ám kék LED-el! ) megvilágított, egyedi tervezésű skála is mutatós lehet.@morgo, @pont: Köszi a szonda ötletet! @reloop: Megnéztem, igazán szép megoldás lett!
Nincs gond 50m-en sem 1-2db eszköz esetén. Tapasztalataim szerint szereti az UTP kábelt a 1Wire eszközcsoport is. Nagyobb kábelhosszakhoz pedig lehet FET-es meghajtást is kialakítani...
Sziasztok!
Keresek egy olyan, lehetőleg egyszerű kapcsolást, amivel ha egy tartály nyomása eléri pl. az egy bar-t, akkor bekapcsol egy LED-et.
Úgy hívják, hogy nyomáskapcsoló. Például ez.
A hozzászólás módosítva: Nov 1, 2015
A lyukas tartály nyomása kb 1bar (légnyomás). Ha mérni, kapcsolni akarsz, előbb dönteni kell arról, hogy a tartálynyomás negatív, vagy pozitív a légnyomáshoz képest. Mindkét esetre léteznek egyszerű mechanikus kapcsolók - különböző kapcsolási értékkel (Pl. autóban az olajnyomás "gomba"). A régebbi hűtőgépekben használt szilfon-membrános kapcsoló is megfelelhet, bár azt nem tudom, hogy abban a táguló gáz milyen nyomáson működteti a kapcsolót, de ezt ki lehet próbálni/mérni és még egy tartományban állítható is.
Természetesen széles választékban kaphatók elektronikus megoldásúak is: egész kis nyomáskülönbségre (kb 500Pascal-ig) membrános érzékeléssel, efölött többnyire piezoelektromos szenzorrral.
Köszönöm, de amit javasolsz az nem kapcsolás.
A légnyomáshoz képet szeretnék (pozitív) max 1 bar nyomást kijelezni. Tehát ha megvan az 1 bar akkor világítson egy LED. 0,7bar-nál még ne világítson.
Lehet bonyolítani de egy led kapcsolásához nem kell különösebb hókusz pókusz. HA konkrét felhasználási helyet, módot írsz akkor tudunk segíteni.
Ehhez pont megfelel a nyomáskapcsoló. Kell egy áramforrás. Egy előtét ellenállás és egy led. A nyomáskapcsolót az előtét ellenállást és a ledet sorbakötöd. És rákötöd az áramforrásra. Az előtét ellenállást itt tudod számolni. Kész a kapcsolás. (Illetve még a nyomáskapcsolót be kell állítani. )
A hozzászólás módosítva: Nov 1, 2015
Ez meg is felelne a feladatra, de nekem olyan nyomáskapcsolóra lenne szükségem, ami kisebb nyomás kapcsolására is alkalmas. Konkrétan próbálkoztam már egy ugyan ilyennel, de az 1,3bar-nal kapcsolt. Az nekem már sok.
Akkor rá kell szánnod némi munkát és több pénzt...
Honeywell gyárt jó szenzorokat, arrafelé keresgélj. Én ilyet használok 200Pa spannal.
Köszönöm mindkettőtöknek a segítő szándékú hozzászólásokat. Azt gondoltam van valami faék bonyolultságú bevált kis áramkör, de akkor keresgélek tovàbb.
Hello! Itt nem az áramkör a lényeges, hanem az érzékelő. Azt pedig leginkább megvenni tudod..
Annyira nem egyszerű ilyen kis nyomáskülönbségnél - jó ismétlési pontossággal - kapcsolni. A helyedben én kipróbálnám a hűtő kapcsolóját, az nem nagy befektetés, főként, hogy az is megfelel a célnak, amiből a gáz már elszökött. Levágod a kis tartályt és a kapillárison támadod a kis harmonikát.
12 V/600W-os csónakmotorhoz keresek pwm szabályozó kapcsolási rajzot. ( Mondjuk egy gyári motor szabályozóját... ) A motor akkumulátorokból van táplálva. Azt szeretném elérni, hogy a motor akkor is kapjon pl. 13 V feszültséget, ha az akksi már csak 10,5 V-os. Vagyis, az áramkörnek a kimenetén 4...13 V-ig lehessen változtatni a kimeneti feszültségét, miközben az akksi feszültsége 10...13 V között van. ( Néha nagyon jól jön a kimerülőfélben levő akksinál, hogy a csónak ugyanolyan gyorsan megy.)
|
Bejelentkezés
Hirdetés |












