Fórum témák
» Több friss téma |
Mielőtt kérdezel, a következő két dolgot ellenőrizd!
I. A helyes tápfeszültségek megléte.
II. A kimeneten van-e egyenfeszültség.
Élesztés.
A BALANCE segédpanel egy jól behatárolható mérési pont a jelút közepén.
Végy 100Hz mérőjelet például így. A hangkártyádról vezesd az AUX bemenetre, és mérd a BALANCE panel 1-2 illetve 2-3 pontjai között. Ez már gyakorlatilag a végfok bemenetnek tekinthető. Azt várjuk, hogy balansz középállásban mindkét helyen azonos, a hangerő poti állásától függő mV nagyságrendű feszültség jelenjen meg. Az eredmény megmutatja merre keresendő a hiba. Ha nem rendelkezel 2VAC méréshatárú multiméterrel, vagy szkóppal, akkor egy külső erősítő bemenetével is kontrollálhatod a jelet.
Ezért jó ez a csapat. Mindig korrekt pontos leírásokat adtok. Köszönöm.
Amúgy meg lett a hiba oka. Amire elsőnek nem gondoltam, de éjszaka " meg álmodtam", az RCA madzagom egyik szála volt a ludas. Banális! A hozzászólás módosítva: Nov 14, 2015
Na igen, okulásnak jó volt... Alapból azzal kell mindig kezdeni a hibakeresést, hogy kábelt megfordítjuk, megcseréljük a két oldalt, stb.. szóval kizárjuk a kábelhibát. Még ha saját, akkor is, még ha előtte egy működő rendszerből lett kihúzva akkor is, ugyanis lehet, hogy pont a kihúzáskor szakadt meg az utolsó vékony szál a sodratban...
A hozzászólás módosítva: Nov 14, 2015
Üdv
Egy kis segítség kellene. Van egy ILYEN erősítőm. A kérdésem,hogy szerintetek milyen tápot javasoltok (használhatok) hozzá? Lehetőleg kész cucc érdekelne. Pl. ilyenre gondoltam, de nem tudom ez megfelelne-e... 24V 3A Vagy 24V 6A board köszi
Szia! A tápfeszültség kétszeresét osztod a hangszóróimpedanciával, megkapod hány amperes táp kell. A 6A 24V például 8 ohm-hoz elegendő.
Sziasztok!
Nem biztos, hogy ideillő a kérdés, de hátha egyszerű a válasz. Adott egy passzív sub, ami kettős tekerccsel rendelkezik. Adott egy sztereo fetes végfok. Azaz szeretném a passzívot aktívvá tenni. A meghajtó egy Onkyo TX-SV 373 sub kimenete. A passzív láda eredetileg a két csatorna jelét kapja, és adja tovább némi szűrőn keresztül a két frontnak. Ezt szeretném megszüntetni egy aktív subbal. A kérdés: a két végfok azonos jelet adhat-e a két tekercsnek, és az nem módosítja-e a hangláda átvitelét, vagy rá kell adnom a két csatornát, és csak a különbségi jel marad meg? Én nekem igazából csak az azonos jel jó, illetve esetleg egy mono végfokkal hajtsam mindkét tekecset, vagy esetleg a két tekercset sorbakötve? Szóval csináltam már egyet s mást, de ezt még nem. Köszi előre is a válaszokat. A hozzászólás módosítva: Nov 17, 2015
Sziasztok. Tudom nem teljesen ide illő. De esetleg noncs valakinek valami hasonló potija elfekvőbe lényeg 22kohm legyen. És ősszefüzhető. Mivel 3db potit kell egybe fűzzek.(egyszere való szabályzás végett)
Ez az effektív teljesítménye?
Hello!
Segítségeteket kérném ! Adott egy Denon dra355R rádios végfok. Nem müködik ,sok hibája van. A legmeglepőbb , hogy nem találom az IC605 7806 stab IC-t, sőt még a közvetlen közelében lévő alkatrészeket sem pl az R681 4R7 1 W os ellenállást se, viszont vannak olyanok amelyek nem találok, ilyen pl a R653 120R/1 W.os ellenállás amely szinte forró, kicseréltem 3W-osra de ugy is szinte forró. A legnagyobb problémám , hogy nincs meg a a fentebb emlitett stab ic-és a helye se így nincs 5V ott ahol lennie kellene.Mivel nincs meg az 5V nem is müködhet a készülék, továbbá a -15V is vacakol és néha rángat a relé.
Látom rossz minőségű lett valamiért a linkelt kapcsolási rajz, pedig jó. Email cimre elküldhetem jobb minőségben.
Szép napot ! Qualiton Univox AET-104 -hez keresek kapcsolási rajzot leírást, ha valaki tud segítsen. És még egy kérdés a 100 voltos 100 ohmos kimenetéhez az illesztőtrafónak 100 ohm vagy annál nagyobbnak kell lenni vagy lehet kisebb ellenállású mert normál erősítőnél az tönkre vágja a végfokot de van itt egy talán már inaktív hirdetés :Bővebben: Link ahol 4 ohm mellet 200 w teljesítményt ír bár lehet hogy ez átalakított.
A hozzászólás módosítva: Nov 21, 2015
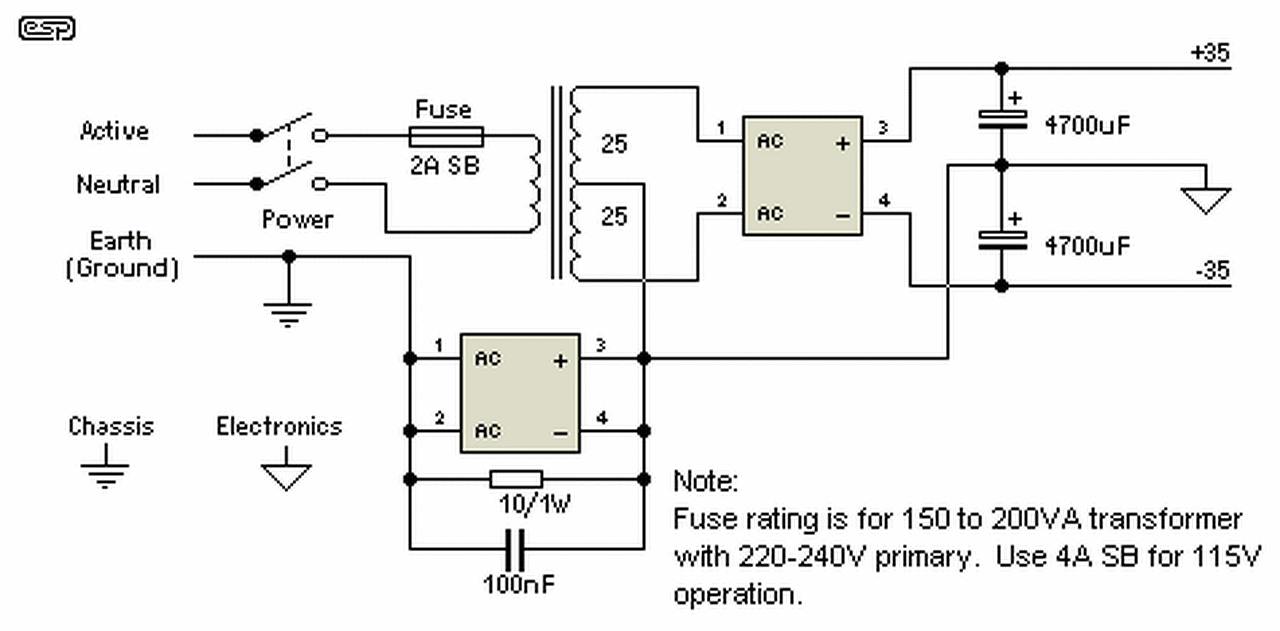
Sziasztok! Egy végfok tápegységéről szeretnék kérdezni, aminek a rajzát lent mellékelem. Ebből a cikkből származik. Bővebben: Link
Hozzávetőleges fordítás a magyarázatból: "A 10 Ohmos ellenállás megszünteti a földhurkokkal kapcsolatos problémákat, a 100nF-os kondi pedig a rádiófrekvenciás zavart. A legalább 5A-es diódahíd a zárlati áramot vezeti át, mivel nagyobb rövidzárlatkor a diódák túlterhelődnek és átütnek." Ez a diódahidas megoldás - legalábbis nekem - új, és.... érdekes. Ti láttatok, csináltatok már ilyet? Köszönöm!
Ez egy nagy butaság. Legfőképpen érintésvédelmi okból aggályos, a leválasztás utáni részt földeli. A tápegység kapcsolatban lesz a földeléssel, tehát elősegíti a földhurok kialakulását...
Igen. Elég furcsa volt első ránézésre is. Köszönöm a választ!
Diódát tenni az áramok útjába, veszélyes dolog. Nem hogy nem szünteti meg a földhurkot, hanem keresztmodulációt is okoz. Azt meg aztán ember legyen a talpán, aki kiszűri.
Bár, a kapcsolási rajzon ettől nem nagyon kell tartani, mert rövidre van zárva minden. Úgyhogy felesleges is a greatz. Az ellenállás nem, de a kondi megszünteti a földhurkot. Oda viszont 10 nF -osnál nagyobbat tenni nem érdemes, mert a nagyobb kondi többrétegű, és az induktivitása is nagyobb, ezért az RF áramokat kevésbé szűri. A jó megoldás, ha a szekunder oldal földjét több helyen 10 nF -os kondival hozzákötöd az erősítő érintésvédelmi földjével összekötött fém házával. A be-, és kimenetek földjei természetesen a doboztól galvanikusan függetleneknek kell lenniük. Itt is alkalmazandó a zavarszűrő kondi, de legalább 250 V -osnak kell lenni.
Sziasztok!
Van egy Delia erositom, aminek elromlott a hangeroszabalyzo potmetere, es ma sort keritettem a cserere. Ugyanolyannal helyettesitettem, egy masik erositobol bontottat. Szetszedesnek tonkrement a balansz allito, azt is kicsereltem. Most estefele valami oknal fogva nem mukodott az erosito, recsegett a hang, zavaros volt, a mely hangoknal el is nemult, nem adott hangot. Szetszedtem, es hiba utan nezelodve hozzaertem ujjal a T412-es tranzisztorhiz, erre nagy reccsenest kovetoen (megijedtem, es hamar kihuztam a hangszorokat)a ket vegellenallas pirossan izzva elegett, mire eszbekaptam es aramtalanitottam. A ket vegtranzisztor zarlatos lett, es ha bekapcsolom, elkezd fustolni az R426. Mi okozhatta a hibat? Ha cserelem a hibas alkatreszeket megoldodik a problema, vagy egyeb alkatresz hibajabol hibasodtak meg?
Köszi!
Eredetileg úgy terveztem azok alapján, amiket olvastam, hogy - mivel a készülő gitárerősítő több előfokot , számos potit fog tartalmazni, hogy a "bus grounding" -nak nevezett földelést csinálnám hozzá. (Sajnos a magyar nevét nem tudom). A fő földvezetéket egy ponton, a végfok puffer és a trafó szekunder középszál között kötném a fémházhoz, másutt sehol. A be-és kimenetet szigetelő lemez aljzatra szerelném, akkor az olvasottak alapján az itteni földeket is kössem 10nF250VAC-on keresztül a fémházhoz?
Szia! A leírásod alapján érintkezési hibát keresnék, forrasztásokat, vezetősávokat nézném át.
T408, 410 is kimérendő. A javítás nem nagy feladat, de áramkorlátozó nélkül nem érdemes belevágni. Bővebben: Link
Ez földhúrok miatt készült, kevésbé földhurkos a rendszer.
Nekem is ez van a D-osztályba, csak nekem ott két föld van és az egyiket a másikkal nem szabad összekötni közvetlenül (Power GND és Analog GND, a Power GND-re van a hangszóró kötve, és az Analog GND-re a bemenet), így 100ohm 100nF párhuzamosan és azzal van összekötve a kettő, csak azért, hogy ne lebegjen. Nagyon sokat segít (nekem legalább is), bár a dióda nem kell bele.
heló(!) ez castone cma 303 panel(,) nekem is van egy ilyen(!) +-55V 100V os rendszerekhez van(.) kb 200-300W köröl van(.)
A hozzászólás módosítva: Nov 22, 2015
Majdnem 16 év után bedobta a DENON erölködöm a törülközöt. A 7 db 100W-s csatornábol egy lánggal kiégett, és még csak nem is müködés közben, hanem a bekapcsolás pillanatában. Mintegy félnapi munka után a legegzotikusabb szerszámokkal sikerült szétszednem és kiderült, hogy néhány tranyo meg ellenállás megunta az életet.
2SD1763A/2SB1186A meghajto ill. a végfok 2SA1491A/2SC3855A vált ellenállássá meg diodává. Még nem néztem körbe, de gondolom nem lesz egyszerü azonos tipust beszerezni. Van valakinek némi ötlete milyen menö tranyokkal lenne a legegyszerübb a helyettesités. Kösz!
Üdvözlet mindenkinek!
Újra segítséget szeretnék kérni, egy betegeskedő erősítővel kapcsolatban. Még nem végeztem a Pioneer ( A-223 ) erősítőm gatyába rázásával, idő hiánya miatt, de némi problémám akadt vele. Igazából megvétele után nem próbáltam ki sem a balansz, sem a füles csatlakozót, és ma döbbentem rá, hogy egyik sem probléma mentes. A balansz még nem is érdekelne, mert "középső" állásban marad a hangkép, ha tekergetem, ha viszont fülest csatlakoztatok, akkor szól, de a hangfalak is vele együtt. Nem tudom hol keressem a probléma okát, illetve van-e összefüggés a két probléma között, ebben kérnék kis információt. Komplett service manual-t tudok mellékelni, ha az segíthet az ügy megoldásában.
Üdv. Ezt a diódás védőföldelést akkor érdemes használni, ha két, vagy több földelt készüléket akarsz összeköltni. Egy PN átmenetnyi földhurok feszültséget képes elnyelni. Én 35 A-es diódahíddal megbékélnék. Ezek már sokszáz ampert tudnak levezetni a föld felé úgy, hogy a készülék testjén mindössze 1-2 V marad. Ha nem kötsz másik földelt készüléket a végfokra, vagy szimmetrikus (XLR) jelátvitelt alkalmazol, akkor nincs rá szükség. Egy tipikus használat: gitárerősítő vonalkimenet illesztése asztali PC-hez. A PC ugyebár földelt, mert ha nem, akkor a kapcsitáp miatt nem biztonságos vezetéket dugni a hangkártya bemenetére. A gitárerősítőt szintén érdemes földelni, mert egyébként búg. Viszont két föld közöt lesz valamekkora feszültség, még akkor is, ha egy elosztóba dugod be őket. Ezzel a kapcsolással viszont a gitárerősítő kap párszáz milivolt szabadságot, amin belül a 10 ohm-on keresztül kap földet az erősítő, amihez képest jóval kisebb ellenállású az összekötő jelvezeték árnyékoló harisnyája. A földhurok feszültsége mindig az ellenállások arányában fog eloszlani.
Szia! Mint azt Arthur Bloch írja a Murphy törvénykönyvében "Ha végképp nem működik, olvasd el a használati útmutatót!"
![]() Fejhallgató használatához a Speakers gombokat kapcsold OFF állásba. A balanszot és hangszín pedig CD Direct gomb reteszeli. Kapcsold át!
Köszönöm szépen válaszod!
Ezeket már próbálgattam, illetve méregettem a panelon, a fülestől visszafelé, de nem találtam hibás alkatrészt. A balansz egyik bemeneten sem reagál, CD Direct ide, vagy oda. A potméter mellett van egy tranzisztor, ezt gondolom még ludasnak, kiforrasztás után megnézem a nap folyamán, hátha. A magas és mély működik gond nélkül.
A fejhallgató-csatlakozó ennél a készüléknél nem rendelkezik olyan kapcsolóval mely érzékeli a dugót, ezért neked kell a hangszórót manuálisan kikapcsolnod, gondolom ez így érthető.
A balansz poti lehet akár mechanikai hibás is. Mielőtt bontani kezdenél, kösd össze Q219 kollektor-emitter lábait a mellékelt ábra szerint és próbáld ki a hatását.
Az erositok rakfeneje az ultrahang gerjedesk,ezek masodferceknek a toredeke alatt tonkreteszik az erositot,kulombozo fokozatokban keletkeszhetnek ,altalaban a kis arramu resziben a vegerositonek,de letrejohetnek a visszacsatolo hurokban is.Eleg nehez megtalalni,ha egyszer sikerult akkor kondenzatorokkal lehet oket hidegiteni
A hozzászólás módosítva: Nov 23, 2015
Az tény és valo, hogy van ilyesmi, de szerintem itt csak az öregedés ténye áll fenn, hiszen a 7 erölködö ugyanabbol a forrásbol kapja a jelet ( amik elötte átmennek egy procin is - optikai a bemenet), igy a másik 6 is nyögött volna. Ráadásul igen jo az erösitö felépitése hogy a jelutak csak azután kapcsolodnak össze, ha az egyes fokozatok már stabil állapotban müködnek. Azelött sem az erösitö bemenetén nincs jel , sem a hangszorok nincsenek hozzákötve ( minden relével van leválasztva.)
Már korábban is észrevettem, hogy a figyelö áramkör néha durcáskodott, de mindig elindult. Szimbaton is némi lánggal mer amperszaggal.
Sziasztok! Akad egy Sherwood AI-1110 erősítő de sajnos alapzajos enyhén. A konnektor földelt illetve árnyékolt RCA kábelt használok hozzá viszont továbbra is hallani az alapzajt illetve azon belül néha enyhe kattanást. Hogy tudnám kiküszöbölni?
A hozzászólás módosítva: Nov 23, 2015
|
Bejelentkezés
Hirdetés |











