Fórum témák
» Több friss téma |
Fórum » NYÁK terv ellenőrzése
Hello! Használhatod az USB 5V-ját, valóban be kell kötni a 14 és 7-es lábra. (Sok logikai áramkör tervezőnél/szimulátornál, a tápfeszültség bekötése rejtett. Azt a program "magától tudja hova kell bekötni", de nem ábrázolja, hogy ne legyen kusza a táptól az egész rajz.)
A nem bekötött kapu bemenetét (mert a rajzon a lábszám más, de amúgy jó) kösd le a GND-re. (CMOS logikai áramkörök bemenete nem lóghat a levegőben, valamilyen logikai szintet kel hogy kapjon. Vagy Vdd vagy GND, vagy másik logikai kimenet is jó. De itt a GND van hozzá legközelebb.) Én a TXD vonal és a GND közé is tennék egy 100kohm ellenállást, mert ha az USB adapter le van húzva, akkor is lóg a bemenet. Valamint a panelen a Vdd és GND közé is tennék egy legalább 100nF-os kondit.
Sajnos ez a terv egyáltalán nem jó. A 230V -os hálózattal összefüggő és a leválasztott vezetékezés között nincs meg a minimálisan előírt kúszóút, szigetelési távolság. A panel bármely pontján a legrövidebb útvonalon vérve meg kell lennie a 7.5 mm -es vezetékmentes résznek.
Így rendben lesz szerinted? Lehúztam a lábakat a földre, kapott tápfeszt a 4011 és betettem az általad javasolt ellenállást és kondit. A kapuk lábszáma tudom hogy más a rajzon és a panelon, de a nyákterv egyszerűsítése miatt kötöttem be őket így. Remélem nem rontottam el sehol. Mivel nem kaptam CNY17-et helyette használhatok 4n25-öt? Meg a BD645 helyett mit használhatok még esetleg? Egyenlőre azt se nagyon találok sehol.
A hozzászólás módosítva: Nov 13, 2015
Hát ez érdekes, pedig egy eredeti nyákrajzot rajzoltam át 1 az 1-ben , amit mások már sokszor megépítettek, itt a fórumon is akad ilyen személy... Megoldás?
A vastag sárga vonal mentén kellene a minimum 7.5 mm -es szigetelési távolság. Ha nincs meg, a panel életveszélyes.
Ez egy kazán protokoll. Egy Vaillant központi fűtést akarok Raspberry Pi-hez kapcsolni és értékeket olvasni meg írni felé.
Akkor jó! Nincs több kérdésem, mert a kazánt sem ismerem..
Nekem a bal felső sarokban azok a vonalvezetések a felesleges csücskökkel nem tetszenek és kicsit túl hosszúnak találtam néhány vonalat. Szerintem bőven lehetne még optimalizálni és akkor felszabadulhatna a hely a szigetelési távolságnak is.
Sziasztok!
Ismerősöm kérésére készitek egy hangváltót az Orion HS 280-asaihoz. (A kapcsolást ő találta és ragaszkodik hozzá.) Ez lenne a kapcsolás és alul mellékelem a NYÁK tervet. Ha ránézne valaki azt megköszönném!
Hello! Oké, de ezen túl sok nézni való nincs, legfőbb kritérium, hogy az alkatrészek elférjenek rajta..
Szia!
Csak biztosra szeretnék menni, mert nem alkatrész temetőt akarok késziteni, hanem egy használható hangváltót. És igyekeztem arra törekedni hogy a tekercsek a lehető legmesszebbre kerüljenek. (Tudom hogy az alkatrész értékek jelülése lemaradt, de sietnem kell.)
Ha a tekercsek egymásra hatását szeretnéd kiküszöbölni, akkor meg kell akadályozni, hogy mágneses csatolás legyen köztük. Vagy is 90 fokba kell elhelyezni egyiket a másiktól..
Na ezt sem tudtam... Akkor most megint rossz tervet csináltam?
Mellékeltem egy képet, amin nincs panel. Hangváltó témában, néhány alkatrésznél ez nem mindig szükséges. Ezen látod a tekercsek helyzetét, és egy külön képet is csatoltam az ajánlásról.
Az a baj, hogy panelre kérte a jóember..
A panelnek előnye, hogy az alkatrészek helyzete és a vezetősávok kötöttek, ezért ha jó a terv, akkor azt nehéz elrontani.
De hátránya is van, pl. maga a panel. Úgy tudom, az említett hangszórónak van gyári váltója, és az nem ilyen. Ehhez hasonló váltó talán a HS282-ben volt, aminek alumínium tölcsér van a középsurgárzóján (de ennek nem néztem után, csak emlék).
Agyári hangváltójával nem tetszik a hangzása a srácnak... Ezt a neten találta valahol, és bizik benne hogy "jobb" lesz a hangképe mint a gyárival. Ha az elrendezés és az összekötés jó, akkor ezerrel neki esek hogy minél hamarabb megszabaduljak tőle.
Ha jól látom öt darab (?!) alkatrészhez szeretnél nyomtatott áramkört építeni úgy, hogy maga az áramkör még le sem lett tesztelve, és mindezt egy nyomtatott áramkör tervező programmal...
![]() Ejnye-bejnye... FŐLEG a Hi-Fi világában? Én biztos azt hagynám a legvégére....ha egyáltalán. Mi van ha utólag még módosítani kell a hangváltón? Ennél még a "sorkapocs" is jobb...
Megtaláltam a cikket amiből a kapcsolási rajz származik. A cikk irója letesztelte állitása szerint működik. Mint fentebb irtam nem nekem van rá szükségem, én csak elkésziteném. A haver kérte NYÁKra, ő is vette meg hozzá az alkatrészeket.
Nekem Pioneer HPM60asaom van, abban pedig már van hangváltó.
Oké.
![]() Akkor már csak egy javaslatom lenne: A nyákon a fóliasávokat fóliaterületre kellene cserélni, illetve lehetőséget hagyni az utólagos módosításra.
Szia változtattam a nyákon, most a dobozt is figyelembe vettem, hogy minek hova kellene essen, és mivel elég nagy dobozt sikerült csak beszerezni így lett hely bőven.
Viszont továbbra is kíváncsi lennék, mit lehetne még finomítani az elrendezésen esetleg. És vajon az IC vagy egyéb helyekről érdemes-e kivenni a teli földet, vagy maradhat ebben a formában? Okozhat bármi problémát a jelenléte? A textol foglalat lábai egy másik nyákra lennének rögzítve, és azok 3 részre osztva, majd egy rövid vastag rézdróttal a készülék nyákjához lenne forrasztva mind. Sajnos alapból nem lehet a nyákra rátervezni, mivel vagy 1cm mélyen lenne az előlap alatt. A hozzászólás módosítva: Nov 22, 2015
Köszönöm. Akkor holnap nyomtatok, vasalok és maratok.
Sziasztok.
Valaki átnézi hogy ez így jó e vagy van e benne valami nagy hiba esetleg ?
Sziasztok!
Keszitettem egy nyak tervet. Esetleg valaki rapillanta, hogy jol csinaltam-e? Igazabol 3 dologban nem vagyok biztos. Van 3 db ellenallas, transistor, dioda triom. A felso egy bemenet - PNP pulzus, egy motor generatorrol. Ez alapjan probaltam megcsinalni: kiscica Az also ketto egy-egy kimenet amivel egy-egy relet fogok (rayex ld-12p) behuzni. Ez alapjan probaltam megcsinalni: kiskutya Koszonom elore is! A hozzászólás módosítva: Dec 29, 2015
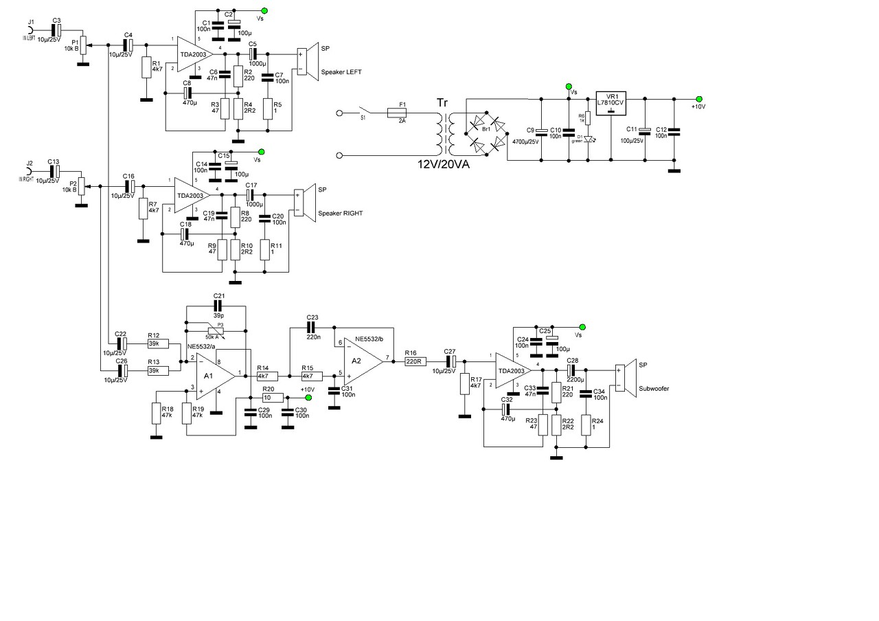
Sziasztok!
Szeretném kérni a segítségeteket a nyákterv átnézésében, van-e benne hiba? |
Bejelentkezés
Hirdetés |











. 








