Fórum témák

» Több friss téma
Fórum » Villanymotor bekötése
 
Témaindító: kozmaj, idő: Jún 28, 2006
Lapozás: OK   206 / 350
(#) attys71 hozzászólása Nov 27, 2015 /
 
2000-es csúcstávolságú 200-as tokmány van rajta. A villanymotoron 75-ös az esztergán 200-as ékszíjtárcsa van.Amit a főorsó fog azt kell leküzdenie a motornak induláskor. Siklócsapágyas a főorsója a gépnek .Gondolkodtam még 3 fázisú aggregátorban is és maradna a villany motor persze akkor visszakötve 380-ra.
(#) palcsika26 válasza mindenes hozzászólására (») Nov 27, 2015 /
 
Szerintem jobb ha eladod, és veszel egy 230V -os motort.
(#) attys71 válasza Ge Lee hozzászólására (») Nov 28, 2015 /
 
Aluházas IMI motor ami rajta van. 3mm-es fogást elbír a gép csak az elindítással van a probléma. Nem nagyon szeretnék sokat rákölteni így is sokban van a gép. Az előző gazdája elfelejtette mondani,hogy a motorja le van égve.
(#) Ge Lee válasza attys71 hozzászólására (») Nov 28, 2015 /
 
Az enyémen is 200-as tokmány van, de mivel nincs külön váltó csak 3 ékszíjas áttétel meg egy kapcsolható osztás így kisujjal is eltekerem az álló tokmányt. Ez nem jelenthet problémát a motornak induláskor. Mondjuk nekem 3 fázisról megy.
Ha a 3 fázisú motort deltába kötve 1 fázisról használod akkor csak kb. 60%-a lesz a teljesítménye, és nagyon lecsökken az induló nyomatéka is.
Vagy az 1 fázisú motor a megoldás, vagy próbáld ki amit írtam. Nézd meg hogy mekkora kondenzátor van rajta, és vegyél egy fele akkora vagy ugyanakkora kapacitásút, kösd vele párhuzamosan, és indítsd el, de ne járasd sokáig csak nézd meg hogyan indul vele. Ha jól, akkor az a megoldás hogy egy nyomógombon keresztül ezt a másik kondit indításkor mindig párhuzamosan kötöd a meglévővel. Az fontos hogy indító kondenzátort kell kérni az eladótól (tekercselőtől) nem állandó üzeműt.
(#) attys71 válasza Ge Lee hozzászólására (») Nov 28, 2015 /
 
Emlékszem rá annakidején azt mondta valaki,hogy a 380v 750w az valóban az a220v 750w jelenthet neki.Vagyis a380v-os motoron sokkal jobbak a teljesítmények.Megpróbálok a kondikkal elszórakozni.még az aggregátoros dologban gondolkoztam ahoz mit szólsz?
(#) Ge Lee válasza attys71 hozzászólására (») Nov 28, 2015 /
 
Mintha azt írtad volna hogy nem akarsz sokat rákölteni. Egy kondenzátor mondjuk 1000-1500Ft, egy használt ekkora teljesítményű motor 10-15000Ft, egy aggregátor meg kb. háromszor négyszer ennyi.
A plusz kondival el kell hogy induljon rendesen, nem tudom elképzelni hogy ne. Ha mégse akkor ott valami gond van, szorul a mechanika. Kézzel tudod könnyen forgatni a hajtást? Ha igen akkor a motornak is el kell indulni vele.
(#) Ge Lee válasza attys71 hozzászólására (») Nov 28, 2015 /
 
Ha közelebb laknál mondanám hogy cseréljük el, van 1 fázisú 1,5kW-os motorom, de az nagy fordulatú (2800).
(#) attys71 válasza Ge Lee hozzászólására (») Nov 28, 2015 /
 
Jelenleg direktben hajt a motor a 75/200 ékszíjtárcsán keresztül de a siklócsapágy egy kicsit fogja a főorsót. Persze azért kézzel tudom hajtani a tokmányt viszonylag könnyen.Nem szoros a főorsó leszúrásnál kell a tartás (nem rezonál a csapágyazás).Gondolom a kondenzátorokat megpróbálom változtatni és hátha jó lesz. Köszönöm a segítséget.További szép napot.
(#) erdgab hozzászólása Nov 29, 2015 /
 
Tiszteletem Uraim!
Van egy 3 fázisú villanymotorom.
Adatai: 220/380V 1,98/ 1,15A 0,37kW 1400n/p (Régebbi típus,ezért a feszültség adatok)
Van 3 fázisom,de ezt most nem arról szeretném üzemeltetni.
Szeretném egyfázisú 230V -ról üzemeltetni deltába kötve,kötnék rá egy állandó üzemű kondenzátort is.A motornak egy csapágyazott kb. 10cm hosszú "bordás tengelyt" kellene meghajtani mindössze ,1:3 áttétellel 13mm-es ékszíjjal.(Ez egy diótörő masina,most építettem.) Kísérleteim alapján a motor egy 25µF/450V üzemi kondenzátorral el is indul,legyőzve az ékszíj keltette terhet,szépen megy,jó hangja van,míg kondenzátor nélkül kicsit furcsán, morgósan megy.
Kérdésem az lenne,hogy jó e ez így,nem e sok a kondenzátor értéke,működhet e folyamatosan mondjuk fél órát? Ha valamit mérni kellene (gondolom,áramot) akkor mit,hol mérjek?
(#) proli007 válasza erdgab hozzászólására (») Nov 29, 2015 /
 
Hello! Nem kell itt semmit tenni. Ha jó a hangja és nem kicsi az indító nyomatéka üzemelhet akár tartósan is.
(#) erdgab válasza proli007 hozzászólására (») Nov 29, 2015 /
 
Köszönöm szépen!
(#) attys71 válasza Ge Lee hozzászólására (») Nov 30, 2015 /
 
Heló!
A motorra tettem fel 100mf indító kondenzátort valamint 50mf üzemikondit így nagyon könnyen indul a motor. 5mm fogást is elbír a gép nem melegszik a motor és nem is búg forgás közben. Álló helyzetből nem indítja el a tokmányt (kuplungolni kell!) Már így is nagy a külömbség. Köszönöm a segítséget.
(#) Ge Lee válasza attys71 hozzászólására (») Nov 30, 2015 / 1
 
Arra a motorra 100µF-ot tettem volna állandóra, és még egy 100-150µF-ot indítani.
(#) attys71 válasza Ge Lee hozzászólására (») Nov 30, 2015 /
 
O.K. Megpróbálom még az általad javasolt kondikkal.
(#) mazsola7 hozzászólása Dec 7, 2015 /
 
Sziasztok. segitségeteket szeretném kérni, van egy grenpro RS25/6G kringetö szívagyum, 3 fokozatu kapcsoloja van enek bekötése kelene melyik láb mely álásokba hogy kapcsol hogy kap áramot a motor. 6 csuszoérintkezö van a motorba, 8 a kapcsoló egységén. Kapcsoloját relével szeretném kiváltani külső termosztátos vezérlésel. segitségeteket elöre is köszönöm.
(#) fezsi hozzászólása Dec 7, 2015 /
 
Sziasztok!
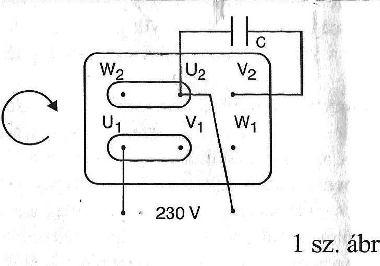
Segítséget kérnék, van egy egyfázis villanymotor, 3 kW, vettem egy 200-250 mf-es indító kondenzátort mert nem tud elindulni a darálóval. Az alábbi kapcs. rajzon hova kössem be az indító kondit és a nyomógombot?

V.png
    
(#) kadarist válasza fezsi hozzászólására (») Dec 7, 2015 /
 
Szia!
A C-vel párhuzamosan kösd az indítókondenzátort, a nyomógombot pedig értelemszerűen.
(#) pont válasza mazsola7 hozzászólására (») Dec 7, 2015 /
 
Ha nem találtok kapcsolási rajzot, mérd ki, kövessd vissza, hogy melyik állásban hova ad áramot. Én a Grundfos UPS-nél tettem így, ugyan ezen céllal, el is készült egy relés kapcsolás, csak aztán "tűnt" fel hogy a frekiváltós ALPHA a legnagyobb állásaban is kevesebbet eszik, mint a UPS a legkisebben, így ezt építettem: Bővebben: Link
(#) elektroton válasza mazsola7 hozzászólására (») Dec 7, 2015 /
 
Nekem ugyan más gyártmányú keringető szivattyúm van, azért felrakom ennek a rajzát, ahogyan én csináltam, szintén relés vezérlésre átalakítva kézi kapcsolót kiváltva.
(#) mazsola7 válasza pont hozzászólására (») Dec 8, 2015 /
 
Köszönöm a gyors választ! valoszinü marad a kimérés.
(#) mazsola7 válasza elektroton hozzászólására (») Dec 8, 2015 /
 
Köszönöm rajzoknak hasznát fogom venni. Hasonlon gondolkodtam én is.
(#) mrbini hozzászólása Dec 8, 2015 /
 
Sziasztok!
A segítségeteket szeretném kérni egy betonkeverő motorral kapcsolatban.
A motorban cseréltem csapágyakat és a kondit illetve kapott egy nyomógombot amivel indul a motor (a gyári relét már valaki kiszerelte). Szépen megy viszont gyenge. Valakinek van ötlete mit lehetne vele csinálni, hogy ne legyen ilyen erőtlen? Csatolok róla pár képet.
A segítséget előre is köszönöm.
(#) granpa válasza mrbini hozzászólására (») Dec 9, 2015 /
 
Tégy egy kb. feleakkora üzemi kondit rá. Lehet, amit cseréltél az üzemi kondi volt, tehát ezzel kondival menne rendesen, + egy kétszer akkora indító.
(#) mrbini válasza granpa hozzászólására (») Dec 9, 2015 /
 
Most ez a kondi csak indító üzemi nincs rajta.
(üzemi kondit kössem a segédfázisra fixen?)
(#) granpa válasza mrbini hozzászólására (») Dec 9, 2015 /
 
Az üzemi párhuzamos az indítóval (fix), az indító leválasztandó pár sec. múlva. Ld. téma rajzai. Kísérletezz: hagyd rajt az 'indítót' menet közben, ha nem morog, vagy melegszik, akkor az az üzemi, és kell még rá egy nagyobb indítani. Mekkora telj. a motor, mekkora a jelen kondi?
A hozzászólás módosítva: Dec 9, 2015
(#) mrbini válasza granpa hozzászólására (») Dec 9, 2015 /
 
80µF az indító. Ilyen is volt rajta. Próbáltam már tajta hagyni, de "morog"
Adatokat sajnos nem tudok, mert a tábláról legyaláztak mindent.
(#) granpa válasza mrbini hozzászólására (») Dec 9, 2015 /
 
Akkor tégy rá egy kisebbet (kb. fele). Addig told, amíg morgás, melegedés nélkül megy.
(#) VIM válasza mrbini hozzászólására (») Dec 9, 2015 /
 
Szia! Az átkötésből megítélve ez indító kondenzátoros "imi" volna és talán így kellene megpróbálni bekötni. A bekötő kábelét le kellene cserélni 2.5mm2-re, mert amivel most van bekötve az elég "gyengusz"-nak néz ki.
(#) mrbini válasza VIM hozzászólására (») Dec 9, 2015 /
 
Érdekes, mert megfordítottam a forgásirányt és megjött a nyomaték (az első rajz szerint kötöttem).
Szemből nézve a motort jobbra forgott 2,5A volt az áramfelvétele és kézzel megfogtam.
Most balra forog az áram felment 5,7A-re és nem lehet lefogni.
Terheletlenül mértem mind a két irányt. Zaj, melegedés egyik irányban sem tapasztalható.
A kábel 1,5mm2-es de megfogadom a tanácsod és cserélem.
(#) Btibi hozzászólása Dec 10, 2015 /
 
Sziasztok.

Egy kis segítség kellene
Van 2db orosz gyártmányú motorom, a tünet ugyanaz mind a kettőnél, nincs meg a fordulat ( kb 1500 ) és nagyon melegszik. A tekercsek ellenállása egyforma ( 24 Ω ) zárlatot sem mértem egyik irányba sem. A fickó aki adta több mint húsz éve vette a piacom,soha nem indította. lehet hogy,mind a kettő selejtes.Csillagba kötöttem 3 fázisra. A tábláján az orosz szöveg (aszinkron motor)lehet ez a gond?
A segítséget előre is köszönöm.
Következő: »»   206 / 350
Bejelentkezés

Belépés

Hirdetés
XDT.hu
Az oldalon sütiket használunk a helyes működéshez. Bővebb információt az adatvédelmi szabályzatban olvashatsz. Megértettem