Fórum témák

» Több friss téma
Fórum » Mosogatógép hiba
 
Témaindító: Redsaw, idő: Dec 13, 2008
Témakörök:
Lapozás: OK   133 / 272
(#) dB_Thunder válasza dB_Thunder hozzászólására (») Dec 19, 2015 /
 
Candy hibakódok hátha kell másnak is:
E1

1-2

Water fill time out

The dishwasher has failed to fill with water in a reasonable time.

Check water supply
Check water inlet valve
Check wiring to water inlet valve
Check connections to water inlet valve

E3

1-2-3

Water heating time out or fault

The dishwasher has failed to heat with water in a reasonable time or has failed to detect the water heating element.

Check water heating element wiring
Check water heating element
Check wiring to main control module



E4

1-2-3-4

Anti flood device tripped

The dishwasher has detected a water leak through the anti flood device being activated.

Check base of the dishwasher for any leaks
Check resolve any leaking components
Check wiring to anti flood device



E6

1-3

NTC open circuit detected (Can be displayed as E5)

The dishwasher has detected an open circuit error with the temperature sensor or NTC.

Check wiring to temperature sensor
Check temperature sensor
Check wiring control module



E7

1-4

NTC shorted error (Can be displayed as E5)

The dishwasher has detected an short circuit error with the temperature sensor or NTC.

Check wiring to temperature sensor
Check temperature sensor
Check wiring control module

Kérdés! Mennyi víznek kellene lennie a gépben ha minden normális??
(#) botesz válasza dB_Thunder hozzászólására (») Dec 19, 2015 /
 
Nézd meg hogy a panelig elmegy e a jel nincs e szakadás.Illetve ha van benne vízszintszabályzó nézd meg kapcsol e és pucold ki a légsűrítőjét.
(#) dB_Thunder válasza botesz hozzászólására (») Dec 19, 2015 /
 
Köszönöm hogy foglalkozol az ügyemmel!
Az a legnagyobb bajom hogy nincs időm már vele tökölni, illetve soha nem turkáltam még mosogatógépben, de leginkább megtanulni nincs időm, hogy működnek, milyen megoldásokkal, nagyon mást kellene csinálnom. Ez marhára frusztrál!

Az átfolyásmérő jele biztos elmegy a panelig, mértem.
Nem tudom mivel figyeli a vízszintet, mondjuk értelmét sem látom ha van átfolyásmérő, meg biztonsági okból túltöltés figyelő.
Lefotóztam a belsejét, lásd kép. Ami benne van: ürítő szivattyú, mosó szivattyú(ez a nagyobb a gép közepén van, kondija a jobb oldalon fekete dobozka), töltő szelep, sótartály szelep, fűtő betét(az ürítő sziv. alatt) sótartályon van egy reed, fűtést 2 termosztát figyeli. Az átfolyásmérő a gép oldalán van.
Amit még nem tudok mi az a barna/fehér kerek izé, két cső, két vezeték megy rá.Illetve hiányzik még a "folyik a víz a gépből" kapcsoló, de az nem oszt semmit, mert alaphelyzetben nyitott.

Szóval légsűrítőt nem találtam. Kezd nagyon elegem lenni, holnap kap még egy szűk órát ha lesz valami ép gondolat...

DSC_1270.JPG
    
(#) botesz válasza dB_Thunder hozzászólására (») Dec 19, 2015 /
 
Ott figyel a nyomáskapcsoló a kép bal alján...abból megy egy fekete cső valahova alulra azt a részt pucold ki illetve ellenőrizd hogy nyomásra(megfújod) rendesen kapcsol e a szabályzó.
(#) dB_Thunder válasza botesz hozzászólására (») Dec 20, 2015 /
 
Az a fehér barna valóban nyomáskapcsoló, megfújva kapcsol. Kb közepes erővel kell megfújni, a kapcsoláshoz. Jó lenne tudni, hogy kb mekkora nyomásra kellene kapcsolnia, mert ez így sötétben tapogatás, illetve hogy a vízszintnek mekkorának kell lennie a gép aljában sem ártana tudni.
(#) botesz válasza dB_Thunder hozzászólására (») Dec 20, 2015 /
 
Ez most teljesen mindegy.Ha belefújsz akkor kapcsol,ezt tudod műszerrel is mérni?Ha igen műszerrel mérhetően kapcsol akkor az jó.Akkor a szabályzóból kijövő cső másik végén lévő légsűrítőt pucold ki.
(#) dB_Thunder válasza botesz hozzászólására (») Dec 20, 2015 /
 
Természetesen szakadásvizsgálóval néztem! Alapban zárt.
Ép most megy a teszt, kicsit lejjebb tekertem a nyomáskapcsolót, kb két fordulatnyit, és most kapcsolt "üzemi" körülmények közt is, megállítva a töltés folyamatát. Tehát ő volt a ludas!
Körülnézek még a környékén, bár eddig még nem találtam dugulást, és visszaállítom a gyári állapotot, azután újra teszt.
Most már 15 perce megy a gép kicsit visszatekert nyomáskapcsolóval, számlálója számol visszafele 17ről,14nél tart....
...most jöttem fel, mert közben mást is csinálok EI hiba megint.
Azt hiszem kiterjesztem a fejsze működési hatáskörét...
A hozzászólás módosítva: Dec 20, 2015
(#) stevepapa válasza dB_Thunder hozzászólására (») Dec 20, 2015 /
 
Az előttem szólóhoz tennék annyit ha a "légsürítő" illetve valamelyik csöve likas akkor is ez a gond ! Hiába működne a presostat, ha valahol elengedi a nyomást. Most valószínűleg kisebbre vetted, így előbb kapcsolt, de elengedte a nyomást. Türelemjáték, a fejsze használatának kiterjesztése, lényegesen csökkenti a javítási időt. Viszont emeli a költségeket
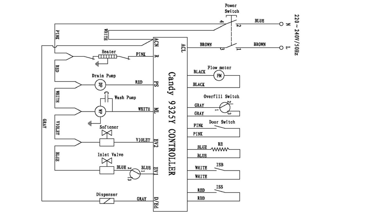
(#) dB_Thunder válasza dB_Thunder hozzászólására (») Dec 20, 2015 /
 
Mellékletben a kapcsolási rajz, ami valósnak is tűnik eddig.
A nyomáskapcsoló valóban leállítja a töltőszelepet de nem a vezérlőn keresztül, így az nem is tud róla.
Írtam már pár folyamatvezérlést plcre, soha nem értettem meg hogy miért nem lehet minden jelet a bemenetre vinni, hogy tudjon róla a vezérlő. kivéve a biztonsági kapcsolókat mert azokat munkavédelmi vészkörbe szoktuk rakni, de végül onnan is viszünk egy vészkör hiba jelet a plcbe...
De lehet hogy ez a preszosztát is csak védelmi feladatokat lát el, és akkor bizony a áramlásmérő a felelős a folyamatért.
Innentől pedig szerintem már panelhiba....
A hozzászólás módosítva: Jan 24, 2016

candyvez.jpg
    
(#) dB_Thunder válasza stevepapa hozzászólására (») Dec 20, 2015 /
 
Tegyünk bennem helyre valamit!
Hogy néz ki az a "légsűrítő"?? Egyáltalán van olyan minden gépben?? Már csak azért mert én csak szivattyúkat látok, abból is csak 2őt!!
Nyomáskapcsoló egyértelműen a vízszintet figyeli, de a gép nem ereszt sehonnan, illetve hermetikusan sem zár szerintem, csak annyira hogy ne jöjjön ki a víz...
Visszatérek az átfolyásmérő baszogatására, de most már kiterjesztem a hibakeresést a nyákra is, hátha ott veszik el a jel és nem jut el a vezérlőig.
Más gondolatom már nincs.
(#) stevepapa válasza dB_Thunder hozzászólására (») Dec 20, 2015 /
 
A légsűrítő egy pici tartály, kapszula. Amiben a befolyó víz hatására a levegó " tömörödik" emelkedik a nyomása ez aktiválja a presostatot. Nem feltétlen van sürítő a mosogatógépekben, a leírtak szerint. Lehet egy egyszerű cső ami a presostatból a gép " tepsijébe" megy, érzékelve a mennyiséget. Egy tű méretű luk gondot okozhat !!!
(#) dB_Thunder válasza stevepapa hozzászólására (») Dec 20, 2015 /
 
Aha.
Itt a preszo csövével tettek egy kanyart, jóval a vízszint fölé.
A nagy idegességben felhoztam az öreg elektronágyút, hogy kutakodjak merre tart az átfolyás jele. A gép úgy megijedt ettől, hogy feltöltötte a vízzel magát és azonnal mosogatni kezdett! Kicsit le is fröcskölt, mert nyitva volt az ajtó egy kicsit, csak a kapcsolóját vertem át.
Persze most szépen ott a jel a panelon több ponton nézve, de ki tudja ott volt e mindenütt...
Nem kizárt hogy a kiváló minőségű ólommentes forraszanyag szarakszik.

DSC_1271.JPG
    
(#) tibec hozzászólása Dec 20, 2015 /
 
Szép napot Mindenkinek!
Korábban kértem segítséget egy Whirlpool ADP5350 PC mosogatógéppel kapcsolatban. A hibajelenség az, hogy a 230-ra csatlakozva elkezd a be gomb fölötti led 3-at villogni és ezt ismétli rövid szünetekkel (kb 10mp). Bármelyik gomb nyomására csak csipogással reagál, de nem történik semmi, ugyanúgy 3-at villog továbbra is. Egy szaggatott, halk zizegés, vagy csipogás is hallatszik akkor is, ha nincs gombnyomás. Kérem, ha valaki tud, segítsen, hol keressem a hibát? Ez a jelenség lehet relé gond?
(#) botesz válasza dB_Thunder hozzászólására (») Dec 20, 2015 /
 
A nyomáskapcsolót TILOS eltekergetni!Nem véletlenül van leragasztva.Most vagy jó lesz vagy vehetsz egy nyomáskapcsolót.A légsűrítőt pedig én is és a kolega is már korábban elmagyarázta.
(#) tibec hozzászólása Dec 23, 2015 / 1
 
Boldog Karácsonyt Kívánok Mindenkinek!
(#) tade 23 hozzászólása Dec 26, 2015 /
 
Sziasztok!
Van egy mezei Haier mosogatógépem. 5 éves keveset használom. Utoljára még ment. Most csak szivattyúzik, nem szív vizet, és a program kapcsolóra nem reagál. Mindegy hol áll, csak megy a szivattyú. Köszi az ötleteket, és Kellemes Ünnepeket!
(#) stevepapa válasza tade 23 hozzászólására (») Dec 26, 2015 /
 
Szia!

Valószínű, hogy ereszti a vizet. Alul van egy tálca amibe a kifolyt víz bekapcsolta a vészkapcsolót. Ha nem beépített, döntsd meg valamilyen irányba, ha víz jelenik meg alatta akkor ez a probléma.
(#) tade 23 hozzászólása Dec 27, 2015 /
 
Sziasztok!
Haier 5 éves keveset használt mosogatógépem van. A szivattyú állandóan megy és a program kapcsolóra nem reagál /mechanikus a kapcsoló/ Egy hónapja még működött. Hátha valakinek van valami ötlete!
Köszi!
(#) dB_Thunder válasza tade 23 hozzászólására (») Dec 27, 2015 /
 
Pont egy napja kérdezted!!
Van affinitásod a hibakereséshez, nagyjából vágod a működését?? Vannak műszereid?
(#) tade 23 hozzászólása Dec 27, 2015 /
 
Bocsi elnéztem a választ!
Affinitásom közepes, szerszámom és műszerem van, időm nem túl sok.
Köszi!
(#) tade 23 hozzászólása Dec 27, 2015 /
 
Kapcsolási rajza van.
(#) NemodaBuda2 válasza dB_Thunder hozzászólására (») Dec 27, 2015 / 1
 
Fentebb már feltetted a gép popsijának képét. Az enyém is így néz ki. A nagy fehér vízgyűjtő medence (lehet hogy a szakik másként hívják) oldalsó szögletes doboz része lenne a légtartály (légsűrítő) amely egy szifonnal csatlakozik a gyűjtő aljához (itt juthat bele esetleg valami). Ennek felsőrészéből megy a presszosztát felé a nyomást továbbító légcső, melyen bilincs nincs, mint írták esetleg itt szökhet esetleg a levegő - tegyél rá esetleg bilincset!
Előbb azonban talpán álló helyzetben a presszosztát felől fújkáld, esetleg tömlőt csatlakoztatva öblítsd ki! Szerintem ez a légtartály azért van, hogy a víz és vele a szenny ne kerüljön a kisebb keresztmetszetű légcsőbe.

Én is babráltam a nyomáskapcsolót, szerettem volna 1-2 centivel alacsonyabb vízszintet beállítani, de így nem sikerült, s vissza kellett állítanom, viszont kiismertem:
A nyomáskapcsolónak a víz beeresztő mágnesszelep áramkörének megszakításával a szelep zárása a szerepe (maximum szint), azonban a beeresztett vízmennyiséget (minimum szint) az elektronika segítségével a labirintben lévő átfolyás érzékelő turbinával állapítja meg, s engedélyezi (a keringető indítását) a mosogató program lefutását. A maximum alig a minimum fölé van beállítva, így a nyomáskapcsoló elállításával a maximum könnyen a kívánt minimum alá kerülhet, előbb áll le a feltöltés, mint az a minimumszinthez elég lenne, s ezért a keringető nem indul el, s a program leáll.

Ha mégis bevetnéd a fejszét, kérlek előbb üzenj mert a "lomból" érdekelne a mosogatószer adagoló, esetleg más is .
Üdv.
A hozzászólás módosítva: Dec 27, 2015
(#) atagal válasza botesz hozzászólására (») Dec 30, 2015 /
 
Kedves botesz.Ugyanazokat tüneteket produkâlja a mosogatógépem, mint qwertz30 leíràsàban olvasható.belinkelné a vàlaszt, mert nem talàlom
(#) botesz válasza atagal hozzászólására (») Dec 30, 2015 /
 
Szia!Nem linkelek inkább leírom.A gép befolyócsőben van egy literszámláló egység és az abban lévő reed csövet kell cserélni.
(#) dB_Thunder válasza botesz hozzászólására (») Dec 30, 2015 /
 
Most nem írom litániát válaszolva minden gondolatra, illetve megosztva minden fejleményt. De én is ott tartok hogy a reed cső felé fordítom újra a fejemet, bár azóta mosogatott párat, de a hiba előjött megint. Viszont a javítás megvárja a 2016ot.
(#) Balaton hozzászólása Dec 30, 2015 /
 
Üdv mindenkinek, kellemes ünnepeket !
Egy kérdésem lenne. Ariston gépnél 6 db LED - ből, szemből nézve, jobbról az 1. és a 3. LED villog. Meg vagyok zakkanva, melyik irányból kezdődik a kisebb helyiérték? Ez 5-ös hibakód vagy más?
Köszönöm előre is!
(#) botesz válasza Balaton hozzászólására (») Dec 30, 2015 /
 
Fűtéshiba.
(#) Balaton válasza botesz hozzászólására (») Dec 30, 2015 /
 
Szia!
A gép, ha fűt, 20 mp-et megy, majd 10 mp-et áll. Ezt sokszor megcsinálja, majd ürít, a víz meleg. Jön a hiba.
Ez mond valamit?
Nézzem meg a fűtést, a termosztátot? Gondolom igen.
(#) botesz válasza Balaton hozzászólására (») Dec 30, 2015 /
 
Igen esetleg a fűtésvédelmi nyomáskapcsolót is megnézheted lehet hogy azt érzékeli hogy nem megy a keringető szivattyú.
(#) Balaton válasza botesz hozzászólására (») Dec 30, 2015 /
 
Köszi, szuper!
Holnap megnézem!
Következő: »»   133 / 272
Bejelentkezés

Belépés

Hirdetés
XDT.hu
Az oldalon sütiket használunk a helyes működéshez. Bővebb információt az adatvédelmi szabályzatban olvashatsz. Megértettem