Fórum témák
» Több friss téma |
Az talán ettől nem függ, hanem az energiától. Az állatnak mindegy, hogy az első 1 méternél milyen rendszer szerint üti meg a nagyfesz. Cikkcakknál talán a legalsó vége a leggyengébb, de úgy meg nem annyira egyforma végig elvileg.
Szia.Ez a terület több mint 1 hektár.Ez egy jó gyujtó trafónak piskota kellene legyen JÓ szigetelőkkel.Ez az én véleményem.
Ez igaz hogy nem tesz meg olyan nagy távot de elvileg a távolság ugyanannyi csak 4 szálra lebontva ám akkor is jobb a te variációd
Szia a területe nincs egy hektár csak egy átlagos házikert kb 45X20 méter csak a 4 szál vezeték összeadva ennyi.
Hali.Ez nem nagy terület,elfogja végezni a dolgát......
Lehetséges, vagyis szerintem jobb lenne egy kicsit túlméretezni.
Ilyen távolságon használj szikraközt.Mégvalami...készísd el itt a forumon található klasszikus kapcsolást.
A hozzászólás módosítva: Dec 18, 2015
Sziasztok,
ezt a fajta 555 nélküli villanypásztort esetleg innen gyártja valaki? Egyik ismerősöm vette neten, per pillanat nem működik, viszont 2 alkatrészen olvashatatlan a típusjelölés, így nehéz hibát keresni, jól jönne egy kapcsolási rajz.
Szia! Nem innen készítik viszont én ismerem.. sokat vettem már belőle szerintem nagyon jó termék! Mi a gondod vele? Talán tudok segíteni
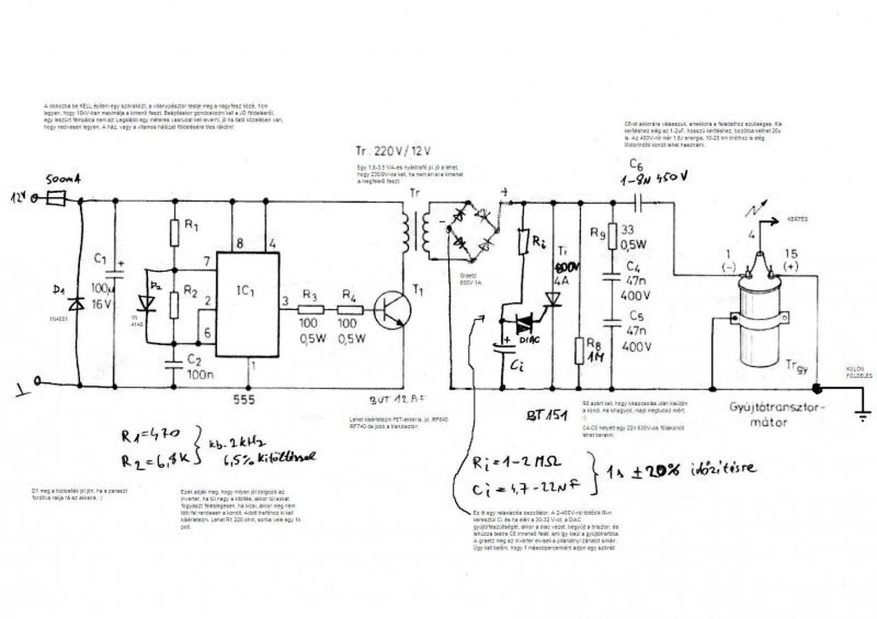
Az a gondom vele, hogy nem működik. Transzformátorok tekercsei nem szakadtak, a 12V-os táprész rendben van, viszont - a képen - a panel tetején és jobb szélén levő hűtőbordás félvezetők típusai olvashatatlanok, így nem világos a működési elve, nem tudom merre induljak a hibakereséssel.
a bordán ami van egy FET a másik egy tirisztor tipust én sem tudok már de soha nem is döglött be egy sem! Ha volt olyan akkor a kis elko kondi volt a ludas akkor nem volt szikra és nem is indult el. 33uf
Sziasztok:Olvasgatom a fórumot amiket írtok.Nekem az a véleményem,hogy amit belinkeltem rajzot az tuti jó pásztor.Csináltam már egy jó pár darabot belőle és ott nem kell gyagyázni azon,hogy mekkora területet bír.Ugyan is ez 15-25 hektárt bír egy szál dróton.Egyébként ha az elején össze van kötve a négy szál akkor nem baj ha elszakad még akkor is ütni fog ha csak nem esik le a földre a drót.
Szia thecyrus !
Érdekes megoldások vannak benne .Ha tudsz ezekről pár szót . Trafó , kapcsolás, stb. Mindenesetre szép munka . Köszönettel
Itt egy nyák terv a kutyapásztorhoz , anno sok készült belőle de azért nem árt átnézni háta akad némi hiba ?
Sziasztok annyi kérdésem lene, hogy az itt épített villanypásztoroknak hány Joule körül lehet az ereje? És egy 45x20 méteres kert körbekerítéséhez ,és összeadva 550 métérnyi dróthoz mennyi energia kell és milyen lenne hozzá egy átlagos villanypásztor? Válaszotokat előre is köszönöm.
Üdv!
Ehhez melyik kapcsolási rajz passzol?Bocsánat ha már írva volt de nem igazán találom . köszi!
Köszönöm!
Az attól függ, mennyi a kondenzátor kapacitása és a feszültsége. Az E=1/2CxU2 képletből megtudod határozni a kondiban tárolt energiát. Egy akkora területhez szerintem bőven elég 10uF, de függ a kimenő trafótól, a drót ellenállásától és a földelés minőségétől is.
A bordán egy BD243C van, a másik egy BT41600B tirisztor, a félvezetők jók, trafók nem szakadtak, kondim per pillanat nincs itthon, de amint lesz kicserélem és próba. A kapcsolást visszarajzoltam, ha érdekel valakit, akkor feldobom.
Szia.Érdekelne engemet.
Engem is érdekel!
Szia .
Köszönettel vennénk ha láthatnánk a rajzot . A nagyfesz trafó az gyári ,vagy kisipari ?
BJTR-002
Gyárinak tűnik, de neten nem találok róla semmi érdemleges infót
Igen, jogos, köszi az észrevételt, hibás a rajz.
- A BD243 emitterénak és a dióda anódjának közös pontja nincs összekötve a BJTR-002 alsó primer tekercsének alsó pontjával. - A + táp nem a BD243 kollektorára van kötve, hanem az alsó primer alsó végére. Már készül protellel a rajz, ha kész felteszem. De még mindig nem értem miért nem működik, valaki segítene megérteni a kapcsolás működését?
Csatoltam a javított rajzot, remélem ebben már nincs hiba.
Szia.
A C5 motorindítón mérhető 150-400V kb egyen fesz ? T1- nek tirisztornak kellene lenni . D7 -nek meg Diac pl DB3 nak kellene lenni. Ha az oszcillátor beindul, akkor meg kell jelenjen annak a 150-400V- nak . És tirisztor diac párosítással be kell hogy induljon elviekben .
Triakkal is működik a dolog, én már cseréltem olyan pozícióban tirisztort triakra és nem volt gond. A gate-diódát viszont érdemes beépíteni, ha esetleg eredetileg nem lenne.
|
Bejelentkezés
Hirdetés |













