Fórum témák
» Több friss téma |
Arra gondoltam hogyha az R1-R2 értékét növelném akkor azzal tudnám csökkenteni a jel erősségét körülbelül 30%-al.
De ezek szerint nem ilyen egyszerű a dolog. Elnézést ha félreérthetően fogalmaztam nem állt szándékomban. Mivel az eredeti szakmám csak kis részben érint elektronikát így minden tanács vagy segítség amit tőled és a fórum többi tagjától kapok segít a fejlődésben-tanulásban amiért hálás is vagyok.
Azért nem értünk szót, mert ellenkező irányba beszélsz, mint amit mondsz. Egy kimenti jel nagyságát lehet csökkenteni vagy növelni. De egy bementi jelnél ez a megfogalmazás értelmetlen. Egy bemenetnek lehet az érzékenységét növelni (ekkor kisebb bementi jel is ki tudja vezérelni), vagy csökkenteni (ekkor nagyobb bementi jel kell hozzá). De ez egyben a maximális bementi jelet is meghatározza.
Itt alapvetően az U1b komparátor küszöbfeszültsége és az U1a erősítése határozza meg a szükséges (minimális) bemenőjel értékét. A komparátor küszöbfeszültségét, az R5/R6 osztó feszültsége határozza meg. Ennek értéke kb. 3V. Tehát a 3V feletti jelek billentik be a komparátort. Az U1a erősítését az R4 ellenállás és a P1 beállított értéke határozza meg. Au=1+(R4/P1) Ha P1 maximális értéken van, akkor Au=23. Vagy is ennyivel kisebb bementi feszültség már bebillenti a komparátort. Így az érzékenység U1a bemenetén 3V/23=130mV. A potit nullára tekerve az erősítés végtelen nagy lenne, de ezt nem célszerű megtenni. (Kellet volna egy ellenállás sorba a P1-el, amivel a maximális erősítést be lehetett volna korlátozni. De ez nem egy erősítő, csak egy "valami", ezért nem számít a dolog. Ha maximumra tekered, legfeljebb bekapcsolva marad a lámpa.) De ha a poti értékét maximum a 1:10 részre csökkentjük, akkor az erősítés 220 körül lesz, vagy is 13mV már kivezérli a komparátort. A bementi jelet némileg csökkenti, az R1/R3 vagy R2/R3. De ez a csökkenés csak a 90% körüli, így nem mérvadó az értéke. Viszont ez a C2-C3-C4-el egy szűrőt alkot. míg az U1a alsó határfrekvenciáját a C2/R3 határozza meg, felső határfrekvenciát viszont az R11/C4. Tehát a felső határfreki egy alul-áteresztő szűrő. Mely jellemzően a mély hangokat engedi tovább, és a magasak hatását csökkenti. Azért, mert általában az a kívánalom, hogy a mélyekre villogjon a kapcsolás. Ha az R1-R3 vagy R4 értékét változtatod, akkor a szűrő töréspontját is változtatod. Vagy is ezzel arányosan (fordított arányban) illene változtatni a kondik értékét is. A két bementi ellenállás is csökkenti a bementi jelet, mert a két csatorna között az is osztóként működik. Csakhogy a mély hangok általában mono jellegűek (középről szólnak) így azokra nem igazán van hatással az R1-R2 ellenállás. A maximális bementi jelet az IC tápfeszültsége határozza meg, azt nem illik túllépni. Vagy is egy 100W-os végfok kimenetére nem célszerű a kapcsolást kötni. Ha csak túlvezérled 1..2V-al a 130mV-ra állított bementi érzékenységet, az nem gond, mert az U1a ugyan túlvezérelődik, de a komparátor bemenetének mindegy, ha 3V feletti jelet kap. Az már bebillent állapotban van, a Led-ek égnek.. Vagy is hogy hol van a megfelelő erősítés nagysága a bementi jelhez viszonyítva, az ízlés dolga, mit szeretnél látni a Led-eken. Remélem sikeresen összekavartalak..
Köszönöm hogy ilyen részletesen leírtad a lényeget tanulságos volt és így már értem hogy egyes alkatrészek milyen feladatot látnak el a kapcsolásban.
Nos lényegében akkor a bemenetnek az érzékenységét szeretném csökkenteni. Idézet: „Itt alapvetően az U1b komparátor küszöbfeszültsége és az U1a erősítése határozza meg a szükséges (minimális) bemenőjel értékét.” Lényegében AZ U1b komparátor küszöbfeszültségét, az R5/R6 osztó feszültsége határozza meg míg az U1a erősítését az R4 ellenállás és a P1 beállított értéke határozza meg. Viszont ha az R4 ellenállás értékét változtatom akkor változik vele a szűrés töréspontja is. Mivel nekem is az a célom hogy a mélyebb hangokra villogjon a led szalag így örülök hogy a kapcsolás tartalmaz egy alul áteresztő szűrőt amit az R11/C4 páros szabályoz (bár R11-es ellenállás helyett más ellenállás lesz mert ilyen nincs a kapcsolásban (R1-R2 páros talán?)). Mert az a probléma hogy sokszor akár a hegedű, akár ének vagy beszéd ütemére villog és nem a mélyebb tartományokra, nem tudom hogy a felső határfrekvencia körülbelül hol helyezkedhet el. A P1 minimumra van tekerve és a bemeneti jel 50-60% környékén van amit számítógépről kap szűretlenül és mindenféle effekt vagy hangszín korrekció nélkül. Ha változtatnék az R4 értékén akkor kisebb lenne az U1a erősítése viszont a szűrést nem tudom hogy mennyire befolyásolná, ha a felső határfrekvenciát lejjebb tolná az pont kapóra is jönne akár a kondenzátorok értékének kompenzálásával is. (Minthogy a komparátor küszöbfeszültségének nagyobbra állítása, már ha lehetne természetesen mert attól a felső határfrekin még szeretnék módosítani.) Hú remélem érthető hogy mit akartam leírni, és remélem hogy az általad küldött információt helyesen értelmeztem!
Ha csökkenteni szeretnéd az erősítést, akkor növeld R1-R2 értékét 47kohm-ra. Ezzel a felső határfrekvencia is csökken. Az R4 értékét csökkented, azzal is csökken az erősítés, de a frekvenciaátvitel változatlan marad. Mert az már a csúcsegyenirányító része. Viszont azonos dinamika eléréséhez a C5-öt is arányosan növelni kell. De az is lehet neked jobban tetszik, ha gyorsabban reagál (esik vissza a jel.)
Tökéletes lett a módosításokkal!
R1-R2 értékét növeltem az általad javasolt 47kohm-ra, az R4 értékét viszont csökkentettem 150Kohm-ra és így hibátlan. A C5-ös kondi értékét nem változtattam sajna csak 330nF van itthon ami már nagy de személy szerint nincs semmi bajom, tökéletes a dinamika is. Köszönöm szépen a rengeteg segítséget, és magyarázatot, leköteleztél!
Sziasztok!
Olyat szeretnék épiteni ami egy mikrofon segítségével villogtatta egy RGB LED szalagot ebbe tudnátok nekem segíteni ??
Hello! Elsőként döntened kellene. Hogy az RGB villogása alatt mit értesz. A különböző színű Led-ek "villogtatását" a frekvencia spektrum függvényében, mert akkor fényorgonát kellene építened hozzá. Vagy definiálni, hogy mit értesz az RGB villogása alatt. (De ne egy videó linket tegyél fel "ilyent akarok" szöveggel..)
Frekvencia spektrum függvényében szeretnem ehhez keresek kapcsolási es nyak tervet.
Hello.Egyszerű zenére villogó ledet szeretnék,régen már csináltam,csak már nem tudom hogy.
Mellékeltem egy rajzot,az egyik kérdés,hogy mekkora kondit rakjak bele,hogy ha csak a mély hangra szeretnék villanást,és miből vegyek le jelet neki? Mert a képen a jack kábel van jelölve,de azt nem szeretném vagdosni,nem lehetne egy hangfal kábeléről?
valaki?
Hello! Én elárulom neked, miért nincs válasz. Mert ebben a topikban is számtalan kapcsolás található, ezzel szemben mindig hoz valaki egy egytranyós vacakot, amivel szemben aztán még igényeket is támasztanak. Nos, én pld. ezért nem vagyok "valaki"..
Ez a kapcsolás, pld. felváltva villogtathatja a rákapcsolt Led-szalagot zenére, vagy az ütemadó szerinti sebességgel. Mellesleg kivezérlésmérőnek is használható.
Sziasztok!
Elkészítettem az alábbi kapcsolást a nyákrajzon látható megoldással (most kotortam ki a félkész termékek közül). Annyi lenne a problémám, hogy hangra nem vált csak akkor, ha a mic bemenet + kivezetését (nincs bekötve a mikrofon) kézzel megérintem, zenére nem. A tranzisztorok BC 639 típusúak. Ha valaki tudna segíteni megköszönném. Ezzel a megoldással tudok 20-25 cm led szalagot hajtani? A hozzászólás módosítva: Jan 9, 2016
Hello! Tedd az R6 10kohm-ot az LM368 5-8 lába közé. Az R6 helyére pedig egy 91kohm-ot. Sokkal érzékenyebb lesz. esetleg keress másik Elektret mikrofont, aminek nagyobb az érzékenysége. Vagy tedd közelebb a hangforráshoz.
Mellesleg a BC639-nek nem ez a bekötése. Vagy balettoznak?
Igen. Kicsit mozgássérültek. Kimarattam és a beültetésnél vettem észre, hogy 2218-s tranyót tettem a tervbe a lábak távolsága miatt. Ezeknek a lábkiosztása nem egyforma ugye. Így egy kicsit megnyomorítva kerültek a helyükre a tárgyban szereplő tranzisztorok, de léptet
.
Így nem léptet. Esetleg közvetlen audio kimenetet tudna fogadni (RCA)?
Bal és jobb 1 kOhm-l közösítve? Monnyuk. Ha nem működik épp húst darálunk. Meg lesz a helye
,mert másik mic betét nincs. Ezzel kipróbáltam jónak tűnt a kapszula (egy kicsit gerjedt és magas hangokat erőltette). És a fenti áramkörre is rákötöttem, de az eredmény ugyanaz volt. A hozzászólás módosítva: Jan 9, 2016
Vadász kutya legyek, ha értem mit írsz.
Az ilyen "Monnyuk. " dolgot nem is figyelve. De én amikor utoljára Pesten jártam, még magyarul beszéltek. Ilyen gyors a migráció?
Elnézést az elütésért "Monnyuk => Mondjuk". A jobb oldali jelet a bal oldalival gondoltam. Most találtam egy gyanús forrasztást, javítottam és láss csodát. Köszönöm a segítséget. Érdekes nagyobb hangerőn nem igazán működik. Ezt nem nagyon értem. Nagy a bemenő jel? Még egyet kérnék. LED (RGB) szalagot hajthatok vele? A ledek típusából az 5050-t jegyeztem meg sajna. Kb 20-25cm darabokat - 15-18 led.
Köszönöm A hozzászólás módosítva: Jan 9, 2016
A ritmust mintha nem elég dinamikusan követné. 12 V-ról megy.
A hozzászólás módosítva: Jan 9, 2016
- Nem biztos, hogy közösíteni kell a két oldalt, mert a basszus jelek egyébiránt is inkább monó-ban jönnek. Vagy is szinte mind két oldal ugyan azt az infót tartalmazza.
- Ha túl nagy a hangerő, akkor a C4 kondi feszültsége nem tér vissza a féltápfesz alá, így a számló nem tud lépni. - Hogy a "ritmusra" (basszusra) működjön leginkább, ahhoz az R5-el párhuzamosan kell kapcsolni egy kondit. Pld. 4,7nF-ot. Ekkor a középhangok nem tudják majd telítésbe vezérelni az erősítőt. A C1 kondit is érdeles kicserélni egy 470nF..1µF-ra (+ az IC felé ha elkó), mert jelenleg az alsó határfrekvencia 70Hz körüllehet, így kevésbé engedi be az igazi mélyeket a kondi. - Egyébként a kapcsolásban az R1 és R2-ö tápfeszültségét, egy RC szűrőtagonkeresztül kellett volna vinni. (Pld. a táppal sorba egy 2,2k és utána a negatív táp fesé egy 47..100µF-os kodi.) Mert így félő, hogy a tápfesz esetleges változása a ledek áramára, visszajut az erősítő bemenetére. - A Led-eknél nem tudom mi a kérdés, bár nálam nem jelent semmit ha tudom is, mert nem használtam ilyen Led szalagot még..
Üdv!
Készítettem egy stroboszkópot. (A kapcsolás lent!) Hogy lehetne ezt a kapcsolást átalakítani úgy hogy a mélyhangokra villogjon, vagy egy teljesen új kapcsolást. Annyi a különbség a kapcsolásban hogy én fél méter fehér ledszalagot használtam. Előre is köszönöm!
Hello! Miért nem keresel, a képek között? Pld..
Üdv!
Egy régebben megépített kapcsolásomra most rátaláltam. Viszont 4 db ot építenék belőle, amit úgy szeretnék, hogy egy potméterrel lehessen állítani az érzékenységét, ne külön külön. Ehhez kell valami más is vagy csak össze kell kötni? Előre is köszönöm!
Sziasztok. Segítséget szeretnék kérni. 12 voltos led szalagot szeretnék hang alapján vezérelni. (stroboszkóp) üzemmódban használni. Az oldalon elég sokat keresgéltem de sehol nem találtam.
Sima egyszínű szalagról lenne szó. De az se baj ha rgb szalaggal is meg valósítható lenne. Válaszokat és a segítséget előre is köszönöm.
Sziasztok!
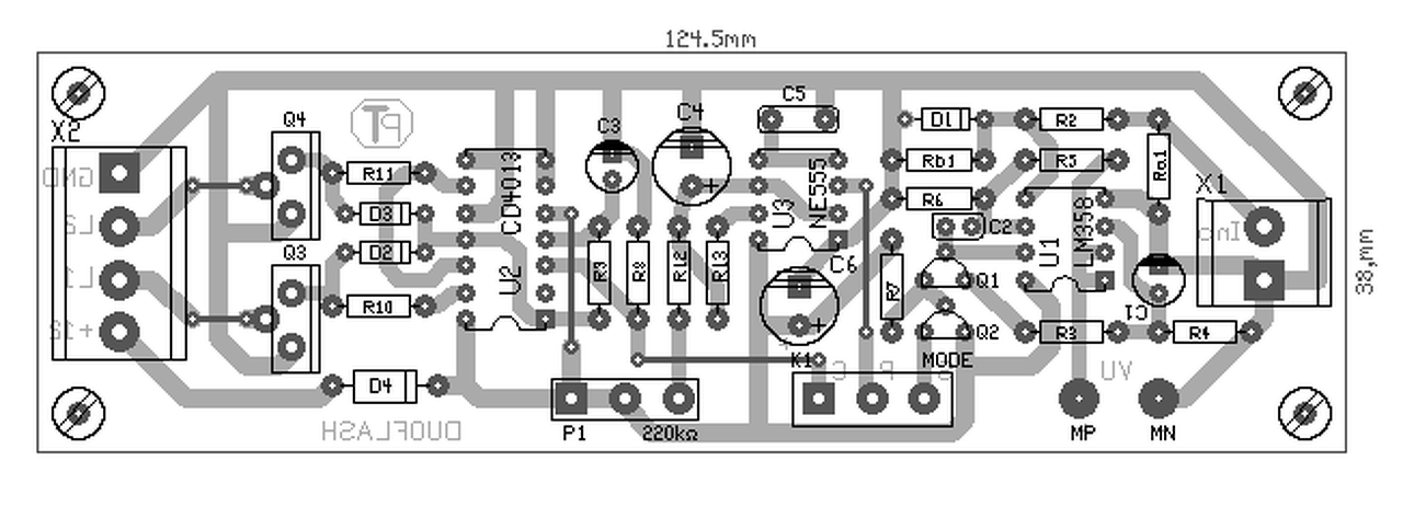
Megépítettem ezt a kapcsolást! kicsit átterveztem a végét így ledszalaghoz kiváló! Azzal próbáltam terveztem hozzá egy nyákot, melléklem. A végére bármilyen nagy teljesítményű PNP tranzisztor jó, nekem ez volt épp kéznél. Csak annyi kérdésem lenne valakihez, hogy hogyan lehetne megoldani a legegyszerűbben, hogy egy másik potival és egy átkapcsolóval tudnám a ledek fényerejét állítani? Ha ez megoldható lenne akkor egy praktikus kis kapcsolás lenne. |
Bejelentkezés
Hirdetés |




















