Fórum témák

» Több friss téma
Fórum » Kapcsolóüzemű táp 230V-ról
 
Témaindító: cimopata, idő: Szept 13, 2006
Témakörök:
Lapozás: OK   596 / 788
(#) alex900202 válasza kadarist hozzászólására (») Jan 10, 2016 /
 
Szia. Már kezdem érteni mi a probléma. Szerinted mi az a határ amíg el lehet menni kompromisszumokkal egy nem túl bonyolult kapcsolással?
Már találkoztam ezzel kapcsolással, de a hullámforma nem impulzusszerű, hanem csengő, ezért inkább hagytam. Ha valahogy ki lehetne küszöbölni a csengést, akkor idiglenesen meg is felelne.
(#) szendi001 válasza (Felhasználó 46585) hozzászólására (») Jan 10, 2016 /
 
Nem drága a gyári nyák. A BME-n megcsinálják, ha valakinek ilyenre van szüksége.
(#) joker89 hozzászólása Jan 11, 2016 /
 
Üdvözlet!
Lenne két kérdésem. 1. Van két 230/11.5V tápom. Ebből lehet e 230/23V-os tápot csinálni.
2. Van egy házimozitáp, több kivezetéssel, viszont egyiken sem mérek feszültséget. Legutóbbi emlékeim szerint működőképes volt mikor leraktam az egész házimozit. Ha kell rakok fel róla képet. Elkezdem nézegetni, ha valaki tud tippet adni, hogy esetleg mit nézzek annak örülnék.
(#) lorylaci válasza joker89 hozzászólására (») Jan 11, 2016 /
 
1. Ha a szekunder nincs összekötve a védőfölddel, akkor sorba tudod kötni a két táp szekunderét, így meg tudod kétszerezni a feszültséget
2. Kellene egy rajz, hogy nekiinduljunk, mert így megmondani nem lehet.
(#) joker89 válasza lorylaci hozzászólására (») Jan 11, 2016 /
 
1.Akkor majd szétszedem őket és megnézem a belvilág kialakítását.
2.Mindjárt áttúrom egy kicsit a netet, hátha megtalálom.
(#) lorylaci válasza joker89 hozzászólására (») Jan 11, 2016 /
 
1. Nem kell szétszedni, elég hozzá egy érintkezés teszter. Kikapcsolt állapotban (várj még minden kondi lemerül) nézd meg vna -e kontaktuk a bemeneti csatin a védőföld és a kimeneten bármelyik pólus között.
(#) joker89 válasza lorylaci hozzászólására (») Jan 11, 2016 /
 
1.Bocsánat azt elfelejtettem írni, hogy ezek halogénlámpa tápok voltak. Bemenet és kimenet is egy-egy sorkapocs.
(#) joker89 válasza joker89 hozzászólására (») Jan 11, 2016 /
 
2.Ennél nagyobb felbontást sajnos nem találtam, illetve itt megjeleníteni nem tudtam.
A hozzászólás módosítva: Jan 11, 2016
(#) vipera1997 hozzászólása Jan 12, 2016 /
 
Sziasztok!
Sikerült kihoznom 10A/oldalt ebből a tápból, viszont az egyenirányító diódák elkezdtek melegedni.Arra gondoltam hogy kicserélem az egyenirányító diódák ilyenre szerintetek megérné kicserélni őket?
A hozzászólás módosítva: Jan 12, 2016

max áram.jpg
    
(#) lorylaci válasza vipera1997 hozzászólására (») Jan 12, 2016 /
 
Ha a szekunder feszültséged +/-50V alatt van, akkor nem éri meg kicserélni, hiszen a mostnai 20A-es 100V-os dióda bőven jó. Attól, hogy a diódákat kicseréled a veszteségük nem fog csökkeni? Miért csökkene? Gondolj bele, a nyitófesz ugyanannyi (mindekttő schottky, nem?)

Hány fokosak? Egy úgy 50-60°C-ig én nem aggódnék, ugyanis a diódák vesztesége a hőmérséklet növekedésével csökken (mert csökken a nyitófesz). Ha szerinted túl melegek, akkor rakj rá nagyobb bordát, vagy fújasd ventivel.
(#) vipera1997 válasza lorylaci hozzászólására (») Jan 12, 2016 /
 
MBR200100CT 2*10A, viszont a feszt most akarom feltornászni 2*50V körülre.most hozták meg a huzalt éppen
A ventillátorral fogom hűteni.Véleményed szerint ezzel a kapcsolással mekkora teljesítményt tudnék kihozni, mondjuk nem ezzel a kis EI33-al hanem egy másik maggal.
(#) lorylaci válasza vipera1997 hozzászólására (») Jan 12, 2016 /
 
Az IRF840-nek szerintem ez is most határ. Erősebb FETtel akár 1kW-ig tudsz elmenni, de persze akkor meghajtzást is erősítened kell. 1kW-hoz legalább egy ETD39 kell, de ha alacsony a freki (modnjuk iR2153-nak úgy 50kHz optimális) akkor ETD44 vagy ETD49. Ezen felül utána több primer puffer kell (és vele együtt lágyindítás).
Aztán ugye jönnek a védelmek, nem ártana rezonás működés és koráltozó dióda, vagy áramváltó és áramkorlátok, satöbbi...

Tehát kérdés mit értesz a kapcsolásod alatt, ezzel ennyit lehet kihozni, nagyobb teljesítményre ahogy látod rengeteg módosítás szükséges.
(#) vipera1997 válasza lorylaci hozzászólására (») Jan 12, 2016 /
 
Akkor keresnem kell másféle megoldást.
Köszönöm a segítséget.
Esetleg te nem tudsz olyat ami tudna 1kwot és 2*70-80Vot?
(#) lorylaci válasza vipera1997 hozzászólására (») Jan 12, 2016 /
 
Amit leírtam, azt kellene megcsinálni, és az akkor tudna. Szépen sorba:
- lágyindítás (ellenállás + relé)
- FET meghajtás erősítés (NPN+PNP pár, mint MMBT3904/MMBT3906)
- erősebb FET (vagy több gyengébb FET, mint IRF740 párhuzamban)
- nagyobb mag: ETD39 vagy nagyobb
- több primer puffer
- több szekunder puffer
- rezonáns működés

Igazából nincs ebben semmi különbösen bonyolult, csak össze kell rakni a kirakó darabjait.

Ha szabályzott kell, akkor pédlául ott van az LLC konverteres cikkem, az is növelhető kb 1kW-ig ugyanilyen lépésekkel.
(#) pepe1125 hozzászólása Jan 12, 2016 / 2
 
Megépítettük a kísérleti modellt.

Kép1

Kép2

Kép3

Kép4 - durva mi?



Pöccre indult. Változtattam az IR2153 tápjának kondi kapacitásán, 10µF lett, és 100k x 3 az indításhoz. Kb 1 másodpercen belül indul. A védelem ez a kondis feszosztós. Na ezt valahogy próbálom beállítani, mert úgy indul mint a stroboszkóp... Felfűrészel az áram. Viszont, ha csinálok túlterhelést, vagy rövidzárat, akkor indulgat nagyon gyorsan és ez a FET-ek melegedését okozza de nemgyengén.
A hozzászólás módosítva: Jan 12, 2016
(#) (Felhasználó 46585) válasza pepe1125 hozzászólására (») Jan 12, 2016 /
 
Tényleg durva. De inkább felesleges.

Most kellene egy pontos kapcsolási rajz. Így csak találgatni lehet. Szkópfotók? A stroboszkóp indulás elvileg jó lenne.
(#) p_kowa válasza pepe1125 hozzászólására (») Jan 12, 2016 /
 
Az a 4es kép tényleg nem egyszerű, én a hegesztőm végfokára nem raktam ennyi "rezet" (lehet kellett volna) ,pedig ott 20A is szaladgál mégpedig nagyfrekin...Amúgy nem úgy volt hogy lágyindító relés lesz? Vagy csak lemaradtam?
(#) pepe1125 válasza p_kowa hozzászólására (») Jan 12, 2016 / 1
 
De, majd egyszer lesz lágyindítós relés is. Ez most egy bebikázós teszt. Ez a HALT teszt panel. Mikor robban fel a FET?! Gondoltam ha rövidre zárjuk a szekunder részt, biztos ami biztos, kicsi legyen a vezetősáv ellenállása. Egyébként csak poénból durvultunk be, mert találtunk ilyen sodrott rezet. És a nyák ott egy kicsit szitás lett. Hááát betemettük.

Na igen, készítem a rajzot, mert valahogy ezt az áramkorlátot mérni kellene és belőni. A stroboszkópos gyors indulgatás nagyon kikészíti a FET-eket. Üzem közben, terhelve nem lesz langyos se, viszont ettől a próbálkozástól nem sok választhatja el, hogy hőmegfutást kapjon. ÉS még most se robbant fel! Mit kibír ez az IRF740 ezen jóféle nem kínai verziója.
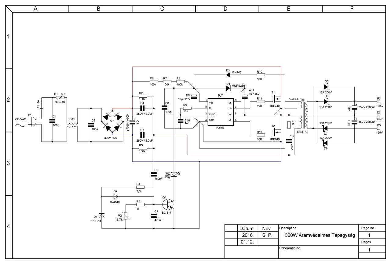
(#) pepe1125 válasza (Felhasználó 46585) hozzászólására (») Jan 13, 2016 / 2
 
Itt egy hajszál pontos kapcsolási rajz a szerkezet jelenlegi felépítéséről.
(#) ferci válasza pepe1125 hozzászólására (») Jan 13, 2016 / 1
 
Majd a LED1-et azért fordítsd meg, mert nem fog védeni..
(#) pepe1125 válasza ferci hozzászólására (») Jan 13, 2016 /
 
Amatőr. Köszönöm ferci az észrevételt. Természetesen. Tudod úgy volt ez hajnalban hogy, csak legyen már megrajzolva, mit hova kötöttem pontos értékekkel. ÉS még azt is oda írom, hogy az piros LED.

Szóval érdekelne, hogy is kell méretezni ezt a védelmet. Csak méréssel fogom tudni meghatározni. De a tranzisztor bázisára mekkora áramot adjak. Az se egy utolsó szempont. Azt a 7.5k -t csökkenteni kellene... Talán...
A hozzászólás módosítva: Jan 13, 2016
(#) Transztyuszeres válasza pepe1125 hozzászólására (») Jan 13, 2016 / 1
 
Egy apró észrevétel; ez egy hardswitch táp, ennek ellenére a trafó egyik oldalán sem látok snubber RC tagot. Biztos jó ez így?
Kíváncsi lennék szkóp fotókra az alsó FET Uds-ről, illetve a szekunder tekercsről.
(#) pepe1125 válasza Transztyuszeres hozzászólására (») Jan 13, 2016 / 1
 
No fene, azt is kihagytam a rajzból. A nyákon benne van. Javítom...

Kapcsolási rajz
A hozzászólás módosítva: Jan 13, 2016
(#) ferci válasza pepe1125 hozzászólására (») Jan 13, 2016 /
 
Nem tudom, ez a " lineáris üzem" mennyire lenne hatásos egy lassabb túláramnál. Egy kis feszcsökkenést okoz először a 2153-nál, mert elvesz kis áramot tőle, aztán ha már sok lesz, akkor fogy a tápja az alsó szint alá. Inkább triggerrel, hiszterézissel kellene csinálni. A leddel sorba kis ellenállást, az egész mellé meg paralel ellenállást, ne rajta folyjon csak 50-100 mA impulzusban sem.
(#) (Felhasználó 46585) válasza pepe1125 hozzászólására (») Jan 13, 2016 /
 
Gondolom, a Q1 lenne a védelem? Lehúzza az ic tápját? És mitől fog a Q1 bekapcsolni? Hiszen a két 2,2 µF-os kondi itt egyszerű tápfeszosztást csinál és minimális lesz rajta a feszültséghullámosság. Ez egy hardswitch. Nem lehet, hogy összetévesztetted egy rezonánssal? Mert ott a két kondi közepe nagyon változik, de egész más a működése. Szóval, egyáltalán nem értem, hogy ez a rész hogy fog ( jól ) működni.
A hozzászólás módosítva: Jan 13, 2016
(#) Ge Lee válasza (Felhasználó 46585) hozzászólására (») Jan 13, 2016 /
 
Ha a rajzot nézzük sehogy. Amikor kinyit a Q1, az rákapcsol egy ledet az IC tápfeszére, amit az gondolom egy határozott (el)villanással jelez előtétellenállás hiányában.
(#) (Felhasználó 46585) válasza Ge Lee hozzászólására (») Jan 13, 2016 /
 
Nincs ott akkora mögöttes teljesítmény, de akkor sem értem, hogy ez mitől működne.
(#) Transztyuszeres válasza (Felhasználó 46585) hozzászólására (») Jan 13, 2016 /
 
A cimopata cikk féle áramváltó+FET+Shutdown nem lenne egyszerűbb?
(#) (Felhasználó 46585) válasza Transztyuszeres hozzászólására (») Jan 13, 2016 / 1
 
Egyszerűbb nem, de működne. De erről már volt szó, én is írtam róla.
(#) Transztyuszeres válasza (Felhasználó 46585) hozzászólására (») Jan 13, 2016 /
 
Alsó FET-hez sönt+logic fet? Vagy ez hülye ötlet, mert a felsőt nem védi?
Következő: »»   596 / 788
Bejelentkezés

Belépés

Hirdetés
XDT.hu
Az oldalon sütiket használunk a helyes működéshez. Bővebb információt az adatvédelmi szabályzatban olvashatsz. Megértettem